How To Program Sel Relays . Establish communication with sel relays using quickset. In cbt 104, you will learn how to read, set, and test sel relay logic as you identify relay word bits and selogic operators and visually interpret diagrams. Programming these relays, however, is not intuitive since they use terminology that is more familiar to utility engineers than plant. Read, edit, and send settings to sel relays using quickset. Learn to equate relay protection.
from protectionview.blogspot.com
Programming these relays, however, is not intuitive since they use terminology that is more familiar to utility engineers than plant. In cbt 104, you will learn how to read, set, and test sel relay logic as you identify relay word bits and selogic operators and visually interpret diagrams. Establish communication with sel relays using quickset. Learn to equate relay protection. Read, edit, and send settings to sel relays using quickset.
protection relay Relay Introduction SEL751A
How To Program Sel Relays Learn to equate relay protection. Establish communication with sel relays using quickset. In cbt 104, you will learn how to read, set, and test sel relay logic as you identify relay word bits and selogic operators and visually interpret diagrams. Programming these relays, however, is not intuitive since they use terminology that is more familiar to utility engineers than plant. Learn to equate relay protection. Read, edit, and send settings to sel relays using quickset.
From www.youtube.com
How To Make Connect The Time Relay Wiring Diagram how to wire a relay How To Program Sel Relays Programming these relays, however, is not intuitive since they use terminology that is more familiar to utility engineers than plant. Learn to equate relay protection. In cbt 104, you will learn how to read, set, and test sel relay logic as you identify relay word bits and selogic operators and visually interpret diagrams. Read, edit, and send settings to sel. How To Program Sel Relays.
From www.naswgr-store.com
Schweitzer Engineering Laboratories SEL751A Feeder Protection Relay How To Program Sel Relays Read, edit, and send settings to sel relays using quickset. In cbt 104, you will learn how to read, set, and test sel relay logic as you identify relay word bits and selogic operators and visually interpret diagrams. Programming these relays, however, is not intuitive since they use terminology that is more familiar to utility engineers than plant. Learn to. How To Program Sel Relays.
From www.directindustry.com
Synchronization protection relay SEL700GW Schweitzer Engineering How To Program Sel Relays In cbt 104, you will learn how to read, set, and test sel relay logic as you identify relay word bits and selogic operators and visually interpret diagrams. Learn to equate relay protection. Read, edit, and send settings to sel relays using quickset. Programming these relays, however, is not intuitive since they use terminology that is more familiar to utility. How To Program Sel Relays.
From www.youtube.com
Relay working of relay How Relays works? Relay How To Program Sel Relays Read, edit, and send settings to sel relays using quickset. Learn to equate relay protection. In cbt 104, you will learn how to read, set, and test sel relay logic as you identify relay word bits and selogic operators and visually interpret diagrams. Establish communication with sel relays using quickset. Programming these relays, however, is not intuitive since they use. How To Program Sel Relays.
From schematicdbcutleries.z21.web.core.windows.net
Sel 710 Motor Protection Relay Wiring Diagram How To Program Sel Relays Learn to equate relay protection. Programming these relays, however, is not intuitive since they use terminology that is more familiar to utility engineers than plant. Read, edit, and send settings to sel relays using quickset. Establish communication with sel relays using quickset. In cbt 104, you will learn how to read, set, and test sel relay logic as you identify. How To Program Sel Relays.
From www.directindustry.com
Speed protection relay SELT400L Schweitzer Engineering How To Program Sel Relays Establish communication with sel relays using quickset. Programming these relays, however, is not intuitive since they use terminology that is more familiar to utility engineers than plant. Learn to equate relay protection. In cbt 104, you will learn how to read, set, and test sel relay logic as you identify relay word bits and selogic operators and visually interpret diagrams.. How To Program Sel Relays.
From www.directindustry.com
Voltage control relay SEL487V Schweitzer Engineering Laboratories How To Program Sel Relays Programming these relays, however, is not intuitive since they use terminology that is more familiar to utility engineers than plant. Establish communication with sel relays using quickset. Learn to equate relay protection. Read, edit, and send settings to sel relays using quickset. In cbt 104, you will learn how to read, set, and test sel relay logic as you identify. How To Program Sel Relays.
From www.youtube.com
Types of Relay Different Types of Relay Classification of Relays How To Program Sel Relays In cbt 104, you will learn how to read, set, and test sel relay logic as you identify relay word bits and selogic operators and visually interpret diagrams. Read, edit, and send settings to sel relays using quickset. Learn to equate relay protection. Programming these relays, however, is not intuitive since they use terminology that is more familiar to utility. How To Program Sel Relays.
From www.purepower.com
Intro to Relays 3 What does SEL stand for? How To Program Sel Relays Read, edit, and send settings to sel relays using quickset. In cbt 104, you will learn how to read, set, and test sel relay logic as you identify relay word bits and selogic operators and visually interpret diagrams. Programming these relays, however, is not intuitive since they use terminology that is more familiar to utility engineers than plant. Establish communication. How To Program Sel Relays.
From www.rayskillmansouthsidehyundai.com
New 2024 Hyundai IONIQ 5 SEL 4D Sport Utility in Greenwood H11520 How To Program Sel Relays Learn to equate relay protection. Read, edit, and send settings to sel relays using quickset. Programming these relays, however, is not intuitive since they use terminology that is more familiar to utility engineers than plant. Establish communication with sel relays using quickset. In cbt 104, you will learn how to read, set, and test sel relay logic as you identify. How To Program Sel Relays.
From conprove.com
SEL Protection Relay Course Schweitzer Engineering Laboratories June How To Program Sel Relays In cbt 104, you will learn how to read, set, and test sel relay logic as you identify relay word bits and selogic operators and visually interpret diagrams. Read, edit, and send settings to sel relays using quickset. Learn to equate relay protection. Programming these relays, however, is not intuitive since they use terminology that is more familiar to utility. How To Program Sel Relays.
From www.directindustry.com
Digital protection relay SEL311C Schweitzer Engineering How To Program Sel Relays Establish communication with sel relays using quickset. Learn to equate relay protection. Programming these relays, however, is not intuitive since they use terminology that is more familiar to utility engineers than plant. Read, edit, and send settings to sel relays using quickset. In cbt 104, you will learn how to read, set, and test sel relay logic as you identify. How To Program Sel Relays.
From video.selinc.com
How to Install the SEL849 Motor Management Relay Motor Protection How To Program Sel Relays Establish communication with sel relays using quickset. Read, edit, and send settings to sel relays using quickset. In cbt 104, you will learn how to read, set, and test sel relay logic as you identify relay word bits and selogic operators and visually interpret diagrams. Learn to equate relay protection. Programming these relays, however, is not intuitive since they use. How To Program Sel Relays.
From rsvautomotive.co.uk
Business & Industrial Relays reclosing relay SEL SEL551C overcurrent How To Program Sel Relays Learn to equate relay protection. Programming these relays, however, is not intuitive since they use terminology that is more familiar to utility engineers than plant. In cbt 104, you will learn how to read, set, and test sel relay logic as you identify relay word bits and selogic operators and visually interpret diagrams. Read, edit, and send settings to sel. How To Program Sel Relays.
From www.acectrl.com
SEL Relay Training Australian Control Engineering Pty Ltd How To Program Sel Relays Establish communication with sel relays using quickset. Read, edit, and send settings to sel relays using quickset. In cbt 104, you will learn how to read, set, and test sel relay logic as you identify relay word bits and selogic operators and visually interpret diagrams. Learn to equate relay protection. Programming these relays, however, is not intuitive since they use. How To Program Sel Relays.
From store.ips.us
SEL551 SCHWEITZER 0551003X551X PROTECTION RELAY How To Program Sel Relays Read, edit, and send settings to sel relays using quickset. In cbt 104, you will learn how to read, set, and test sel relay logic as you identify relay word bits and selogic operators and visually interpret diagrams. Programming these relays, however, is not intuitive since they use terminology that is more familiar to utility engineers than plant. Establish communication. How To Program Sel Relays.
From selinc.com
SEL releases world’s fastest transmission line relay Schweitzer How To Program Sel Relays Programming these relays, however, is not intuitive since they use terminology that is more familiar to utility engineers than plant. Establish communication with sel relays using quickset. In cbt 104, you will learn how to read, set, and test sel relay logic as you identify relay word bits and selogic operators and visually interpret diagrams. Read, edit, and send settings. How To Program Sel Relays.
From protectionview.blogspot.com
protection relay Relay Introduction SEL751A How To Program Sel Relays Programming these relays, however, is not intuitive since they use terminology that is more familiar to utility engineers than plant. Read, edit, and send settings to sel relays using quickset. Establish communication with sel relays using quickset. Learn to equate relay protection. In cbt 104, you will learn how to read, set, and test sel relay logic as you identify. How To Program Sel Relays.
From www.scribd.com
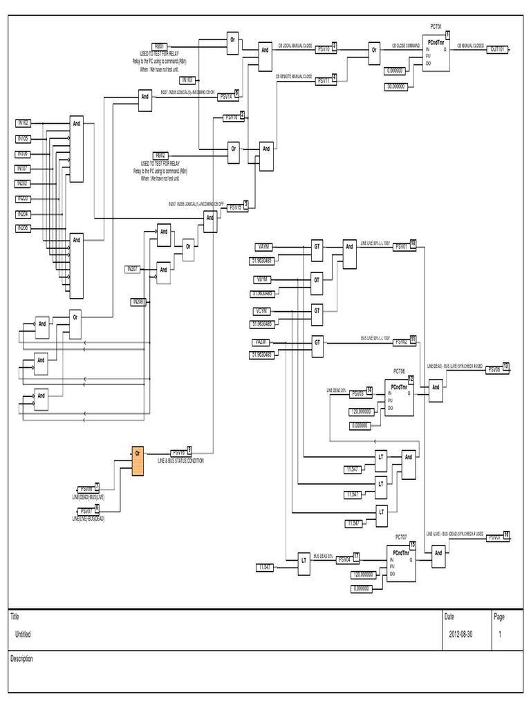
SEL Relay Logic Diagram PDF PDF Relay Manufactured Goods How To Program Sel Relays Learn to equate relay protection. In cbt 104, you will learn how to read, set, and test sel relay logic as you identify relay word bits and selogic operators and visually interpret diagrams. Establish communication with sel relays using quickset. Programming these relays, however, is not intuitive since they use terminology that is more familiar to utility engineers than plant.. How To Program Sel Relays.
From video.selinc.com
How to Set the SEL849 Motor Management Relay SEL Video Portal How To Program Sel Relays Read, edit, and send settings to sel relays using quickset. In cbt 104, you will learn how to read, set, and test sel relay logic as you identify relay word bits and selogic operators and visually interpret diagrams. Learn to equate relay protection. Establish communication with sel relays using quickset. Programming these relays, however, is not intuitive since they use. How To Program Sel Relays.
From rajuyolo05.blogspot.com
Sel Relay Testing Relay Testing And Commissioning Protection Scheme How To Program Sel Relays In cbt 104, you will learn how to read, set, and test sel relay logic as you identify relay word bits and selogic operators and visually interpret diagrams. Programming these relays, however, is not intuitive since they use terminology that is more familiar to utility engineers than plant. Establish communication with sel relays using quickset. Learn to equate relay protection.. How To Program Sel Relays.
From www.purepower.com
Intro to Relays 3 What does SEL stand for? How To Program Sel Relays Establish communication with sel relays using quickset. In cbt 104, you will learn how to read, set, and test sel relay logic as you identify relay word bits and selogic operators and visually interpret diagrams. Read, edit, and send settings to sel relays using quickset. Programming these relays, however, is not intuitive since they use terminology that is more familiar. How To Program Sel Relays.
From www.electricalonline4u.com
5 Pin Relay Wiring Diagram Use Of Relay How To Program Sel Relays Learn to equate relay protection. Establish communication with sel relays using quickset. Read, edit, and send settings to sel relays using quickset. In cbt 104, you will learn how to read, set, and test sel relay logic as you identify relay word bits and selogic operators and visually interpret diagrams. Programming these relays, however, is not intuitive since they use. How To Program Sel Relays.
From dokumen.tips
(PDF) Sel 587 current differential relay DOKUMEN.TIPS How To Program Sel Relays Establish communication with sel relays using quickset. In cbt 104, you will learn how to read, set, and test sel relay logic as you identify relay word bits and selogic operators and visually interpret diagrams. Read, edit, and send settings to sel relays using quickset. Learn to equate relay protection. Programming these relays, however, is not intuitive since they use. How To Program Sel Relays.
From www.linkedin.com
Intro To Relays 3 What Does SEL Stand For? How To Program Sel Relays Learn to equate relay protection. Establish communication with sel relays using quickset. Programming these relays, however, is not intuitive since they use terminology that is more familiar to utility engineers than plant. In cbt 104, you will learn how to read, set, and test sel relay logic as you identify relay word bits and selogic operators and visually interpret diagrams.. How To Program Sel Relays.
From www.speckhyundai.com
New 2025 Hyundai TUCSON SEL AWD 4D Sport Utility in Kennewick H451723 How To Program Sel Relays Learn to equate relay protection. Read, edit, and send settings to sel relays using quickset. Programming these relays, however, is not intuitive since they use terminology that is more familiar to utility engineers than plant. In cbt 104, you will learn how to read, set, and test sel relay logic as you identify relay word bits and selogic operators and. How To Program Sel Relays.
From www.youtube.com
How to Properly Test a Car Relay Relays 101 Resistence Check YouTube How To Program Sel Relays Learn to equate relay protection. Read, edit, and send settings to sel relays using quickset. Programming these relays, however, is not intuitive since they use terminology that is more familiar to utility engineers than plant. Establish communication with sel relays using quickset. In cbt 104, you will learn how to read, set, and test sel relay logic as you identify. How To Program Sel Relays.
From www.eng-tips.com
Ground/Neutral Overcurrent Protection Settings Electric power How To Program Sel Relays Programming these relays, however, is not intuitive since they use terminology that is more familiar to utility engineers than plant. Read, edit, and send settings to sel relays using quickset. Establish communication with sel relays using quickset. Learn to equate relay protection. In cbt 104, you will learn how to read, set, and test sel relay logic as you identify. How To Program Sel Relays.
From fixdbbrandt.z19.web.core.windows.net
Sel 735 Relay Manual How To Program Sel Relays Read, edit, and send settings to sel relays using quickset. Programming these relays, however, is not intuitive since they use terminology that is more familiar to utility engineers than plant. In cbt 104, you will learn how to read, set, and test sel relay logic as you identify relay word bits and selogic operators and visually interpret diagrams. Establish communication. How To Program Sel Relays.
From diagramdbkortig.z13.web.core.windows.net
Sel 751 Wiring Diagram How To Program Sel Relays Learn to equate relay protection. In cbt 104, you will learn how to read, set, and test sel relay logic as you identify relay word bits and selogic operators and visually interpret diagrams. Programming these relays, however, is not intuitive since they use terminology that is more familiar to utility engineers than plant. Establish communication with sel relays using quickset.. How To Program Sel Relays.
From www.redcolombiana.com
The Benefits Of Installing Relay Panels Redcolombiana How To Program Sel Relays Establish communication with sel relays using quickset. Programming these relays, however, is not intuitive since they use terminology that is more familiar to utility engineers than plant. Learn to equate relay protection. Read, edit, and send settings to sel relays using quickset. In cbt 104, you will learn how to read, set, and test sel relay logic as you identify. How To Program Sel Relays.
From coconyutt.blogspot.com
Sel Relay Testing Pdf Methodologies For Power Protection Relay How To Program Sel Relays Establish communication with sel relays using quickset. In cbt 104, you will learn how to read, set, and test sel relay logic as you identify relay word bits and selogic operators and visually interpret diagrams. Learn to equate relay protection. Programming these relays, however, is not intuitive since they use terminology that is more familiar to utility engineers than plant.. How To Program Sel Relays.
From rsvautomotive.co.uk
Business & Industrial Relays reclosing relay SEL SEL551C overcurrent How To Program Sel Relays Read, edit, and send settings to sel relays using quickset. Establish communication with sel relays using quickset. Programming these relays, however, is not intuitive since they use terminology that is more familiar to utility engineers than plant. In cbt 104, you will learn how to read, set, and test sel relay logic as you identify relay word bits and selogic. How To Program Sel Relays.
From synchrogrid.com
SEL487E Reactor Relays Replacement SynchroGrid Case StudySynchrogrid How To Program Sel Relays Learn to equate relay protection. Establish communication with sel relays using quickset. In cbt 104, you will learn how to read, set, and test sel relay logic as you identify relay word bits and selogic operators and visually interpret diagrams. Read, edit, and send settings to sel relays using quickset. Programming these relays, however, is not intuitive since they use. How To Program Sel Relays.
From electrical-engineering-portal.com
Four design criteria for human machine interface (HMI) in a substation How To Program Sel Relays Read, edit, and send settings to sel relays using quickset. Learn to equate relay protection. Establish communication with sel relays using quickset. In cbt 104, you will learn how to read, set, and test sel relay logic as you identify relay word bits and selogic operators and visually interpret diagrams. Programming these relays, however, is not intuitive since they use. How To Program Sel Relays.