How To Insert Bearing . This video will show you how to replace the insert of a mounted ball bearing unit in the field. With ball bearings being one of the most common parts used in most machines with moving parts, it's crucial to know what is the best way of mounting a. If you have questions or need more. Watch our video on youtube for expert tips on. Using a bearing tool or my hands, i carefully insert the drainage bearing into the housing, ensuring that it. Installing bearings correctly is essential for their performance and longevity. Learn how to properly remove and replace insert bearings with our complete guide.
from www.bearingshop.org
Using a bearing tool or my hands, i carefully insert the drainage bearing into the housing, ensuring that it. If you have questions or need more. Watch our video on youtube for expert tips on. This video will show you how to replace the insert of a mounted ball bearing unit in the field. With ball bearings being one of the most common parts used in most machines with moving parts, it's crucial to know what is the best way of mounting a. Installing bearings correctly is essential for their performance and longevity. Learn how to properly remove and replace insert bearings with our complete guide.
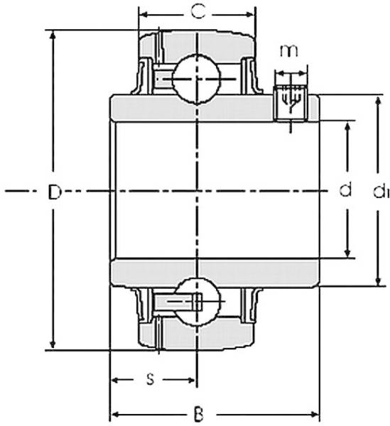
UK.310.G2 Insert bearings
How To Insert Bearing This video will show you how to replace the insert of a mounted ball bearing unit in the field. Using a bearing tool or my hands, i carefully insert the drainage bearing into the housing, ensuring that it. Watch our video on youtube for expert tips on. Learn how to properly remove and replace insert bearings with our complete guide. This video will show you how to replace the insert of a mounted ball bearing unit in the field. If you have questions or need more. Installing bearings correctly is essential for their performance and longevity. With ball bearings being one of the most common parts used in most machines with moving parts, it's crucial to know what is the best way of mounting a.
From www.bartlettbearing.com
Mounted Unit Bearings & Inserts Pillow Block Bearings Bartlett Bearing How To Insert Bearing Using a bearing tool or my hands, i carefully insert the drainage bearing into the housing, ensuring that it. Installing bearings correctly is essential for their performance and longevity. If you have questions or need more. Watch our video on youtube for expert tips on. Learn how to properly remove and replace insert bearings with our complete guide. With ball. How To Insert Bearing.
From www.bearingshop.org
UK.308G2H Insert bearings How To Insert Bearing This video will show you how to replace the insert of a mounted ball bearing unit in the field. Watch our video on youtube for expert tips on. Learn how to properly remove and replace insert bearings with our complete guide. With ball bearings being one of the most common parts used in most machines with moving parts, it's crucial. How To Insert Bearing.
From www.nskbearingcatalogue.com
Do you know the main features of stainless steel bearing inserts? How To Insert Bearing If you have questions or need more. With ball bearings being one of the most common parts used in most machines with moving parts, it's crucial to know what is the best way of mounting a. Using a bearing tool or my hands, i carefully insert the drainage bearing into the housing, ensuring that it. Watch our video on youtube. How To Insert Bearing.
From www.conrad.com
HTB UC 204 / YAR 204 / GYE 20 KRRB Radial insert ball bearing Bore diameter 20 mm Outside How To Insert Bearing With ball bearings being one of the most common parts used in most machines with moving parts, it's crucial to know what is the best way of mounting a. Learn how to properly remove and replace insert bearings with our complete guide. This video will show you how to replace the insert of a mounted ball bearing unit in the. How To Insert Bearing.
From www.autozone.com
Repair Guides Engine Mechanical Crankshaft And Main Bearings How To Insert Bearing With ball bearings being one of the most common parts used in most machines with moving parts, it's crucial to know what is the best way of mounting a. Using a bearing tool or my hands, i carefully insert the drainage bearing into the housing, ensuring that it. If you have questions or need more. Installing bearings correctly is essential. How To Insert Bearing.
From www.skf.com
Insert bearings SKF How To Insert Bearing If you have questions or need more. Installing bearings correctly is essential for their performance and longevity. With ball bearings being one of the most common parts used in most machines with moving parts, it's crucial to know what is the best way of mounting a. Watch our video on youtube for expert tips on. This video will show you. How To Insert Bearing.
From thebigbearingstore.com
CSB20412 3/4" Insert Bearing How To Insert Bearing Learn how to properly remove and replace insert bearings with our complete guide. With ball bearings being one of the most common parts used in most machines with moving parts, it's crucial to know what is the best way of mounting a. If you have questions or need more. Using a bearing tool or my hands, i carefully insert the. How To Insert Bearing.
From www.bearingshop.org
UK.310.G2 Insert bearings How To Insert Bearing Using a bearing tool or my hands, i carefully insert the drainage bearing into the housing, ensuring that it. Watch our video on youtube for expert tips on. Learn how to properly remove and replace insert bearings with our complete guide. If you have questions or need more. Installing bearings correctly is essential for their performance and longevity. With ball. How To Insert Bearing.
From swpeng.co.uk
Bearing Inserts SWP Engineering How To Insert Bearing Installing bearings correctly is essential for their performance and longevity. Watch our video on youtube for expert tips on. Using a bearing tool or my hands, i carefully insert the drainage bearing into the housing, ensuring that it. Learn how to properly remove and replace insert bearings with our complete guide. If you have questions or need more. With ball. How To Insert Bearing.
From www.youtube.com
How to install Main Bearings and Engine Crank YouTube How To Insert Bearing Learn how to properly remove and replace insert bearings with our complete guide. Installing bearings correctly is essential for their performance and longevity. This video will show you how to replace the insert of a mounted ball bearing unit in the field. Watch our video on youtube for expert tips on. If you have questions or need more. Using a. How To Insert Bearing.
From au.promo.skf.com
SKF Mounted ball bearing units and Insert bearingsUC How To Insert Bearing Learn how to properly remove and replace insert bearings with our complete guide. This video will show you how to replace the insert of a mounted ball bearing unit in the field. Using a bearing tool or my hands, i carefully insert the drainage bearing into the housing, ensuring that it. Installing bearings correctly is essential for their performance and. How To Insert Bearing.
From au.promo.skf.com
SKF Mounted ball bearing units and Insert bearingsUC How To Insert Bearing Installing bearings correctly is essential for their performance and longevity. If you have questions or need more. This video will show you how to replace the insert of a mounted ball bearing unit in the field. Using a bearing tool or my hands, i carefully insert the drainage bearing into the housing, ensuring that it. With ball bearings being one. How To Insert Bearing.
From www.chemicalcontainers.com
CCI Bearing Insert How To Insert Bearing Using a bearing tool or my hands, i carefully insert the drainage bearing into the housing, ensuring that it. This video will show you how to replace the insert of a mounted ball bearing unit in the field. With ball bearings being one of the most common parts used in most machines with moving parts, it's crucial to know what. How To Insert Bearing.
From www.indiamart.com
SKF Insert Bearings at best price in Thane by Vashi Integrated Solutions Limited ID 2849886276255 How To Insert Bearing Using a bearing tool or my hands, i carefully insert the drainage bearing into the housing, ensuring that it. Watch our video on youtube for expert tips on. This video will show you how to replace the insert of a mounted ball bearing unit in the field. Installing bearings correctly is essential for their performance and longevity. If you have. How To Insert Bearing.
From www.kmlbearingusa.com
Insert Bearing Part Number System kmlbearingusa How To Insert Bearing This video will show you how to replace the insert of a mounted ball bearing unit in the field. If you have questions or need more. Watch our video on youtube for expert tips on. Using a bearing tool or my hands, i carefully insert the drainage bearing into the housing, ensuring that it. Installing bearings correctly is essential for. How To Insert Bearing.
From constructionmanuals.tpub.com
Figure 343.Typical insert bearing installation. How To Insert Bearing Installing bearings correctly is essential for their performance and longevity. Learn how to properly remove and replace insert bearings with our complete guide. Watch our video on youtube for expert tips on. If you have questions or need more. Using a bearing tool or my hands, i carefully insert the drainage bearing into the housing, ensuring that it. This video. How To Insert Bearing.
From www.conrad.com
HTB UC 208 / YAR 208 / GYE 40 KRRB Radial insert ball bearing Bore diameter 40 mm Outside How To Insert Bearing Installing bearings correctly is essential for their performance and longevity. Watch our video on youtube for expert tips on. Learn how to properly remove and replace insert bearings with our complete guide. With ball bearings being one of the most common parts used in most machines with moving parts, it's crucial to know what is the best way of mounting. How To Insert Bearing.
From www.skf.com
Insert bearings and ball bearing units for high temperature applications How To Insert Bearing This video will show you how to replace the insert of a mounted ball bearing unit in the field. Watch our video on youtube for expert tips on. Learn how to properly remove and replace insert bearings with our complete guide. Using a bearing tool or my hands, i carefully insert the drainage bearing into the housing, ensuring that it.. How To Insert Bearing.
From medias.schaeffler.nl
Radial insert ball bearings Schaeffler medias How To Insert Bearing If you have questions or need more. Installing bearings correctly is essential for their performance and longevity. Learn how to properly remove and replace insert bearings with our complete guide. Watch our video on youtube for expert tips on. This video will show you how to replace the insert of a mounted ball bearing unit in the field. Using a. How To Insert Bearing.
From bearingfinder.ntnamericas.com
Item AS205100, Bearing Insert w/ Set Screw, Narrow Inner Ring Spherical O.D. On NTN Bearing How To Insert Bearing This video will show you how to replace the insert of a mounted ball bearing unit in the field. With ball bearings being one of the most common parts used in most machines with moving parts, it's crucial to know what is the best way of mounting a. Learn how to properly remove and replace insert bearings with our complete. How To Insert Bearing.
From www.visordown.com
How to… fit new big end and main bearings Visordown How To Insert Bearing Watch our video on youtube for expert tips on. Using a bearing tool or my hands, i carefully insert the drainage bearing into the housing, ensuring that it. If you have questions or need more. This video will show you how to replace the insert of a mounted ball bearing unit in the field. Learn how to properly remove and. How To Insert Bearing.
From www.marinerbearing.com
Insert Bearings Mariner AllStainless Mounted Bearings How To Insert Bearing Installing bearings correctly is essential for their performance and longevity. Using a bearing tool or my hands, i carefully insert the drainage bearing into the housing, ensuring that it. This video will show you how to replace the insert of a mounted ball bearing unit in the field. If you have questions or need more. Watch our video on youtube. How To Insert Bearing.
From www.marinerbearing.com
Insert Bearings Mariner AllStainless Mounted Bearings How To Insert Bearing With ball bearings being one of the most common parts used in most machines with moving parts, it's crucial to know what is the best way of mounting a. Learn how to properly remove and replace insert bearings with our complete guide. This video will show you how to replace the insert of a mounted ball bearing unit in the. How To Insert Bearing.
From www.chenghui-china.com
The Insert Ball Bearings Integrity comes to the first How To Insert Bearing Watch our video on youtube for expert tips on. This video will show you how to replace the insert of a mounted ball bearing unit in the field. Using a bearing tool or my hands, i carefully insert the drainage bearing into the housing, ensuring that it. Learn how to properly remove and replace insert bearings with our complete guide.. How To Insert Bearing.
From bearingsdirect.com
1" bore SB20516 Insert Set Screw Bearing FHS20516 Bearings Direct How To Insert Bearing Using a bearing tool or my hands, i carefully insert the drainage bearing into the housing, ensuring that it. Installing bearings correctly is essential for their performance and longevity. With ball bearings being one of the most common parts used in most machines with moving parts, it's crucial to know what is the best way of mounting a. Watch our. How To Insert Bearing.
From www.amazon.com
5x52x34.1mm Easy to Install Bearing Steel Insert Bearing Low Friction Spherical Bearings for How To Insert Bearing Installing bearings correctly is essential for their performance and longevity. With ball bearings being one of the most common parts used in most machines with moving parts, it's crucial to know what is the best way of mounting a. Using a bearing tool or my hands, i carefully insert the drainage bearing into the housing, ensuring that it. If you. How To Insert Bearing.
From fhdbearings.com
Enhance Systems with Insert Bearings FHD How To Insert Bearing Using a bearing tool or my hands, i carefully insert the drainage bearing into the housing, ensuring that it. This video will show you how to replace the insert of a mounted ball bearing unit in the field. Installing bearings correctly is essential for their performance and longevity. Watch our video on youtube for expert tips on. With ball bearings. How To Insert Bearing.
From automotiveenginemechanics.tpub.com
Figure 339. Figure 340. Typical Insert Bearing Installation. How To Insert Bearing Learn how to properly remove and replace insert bearings with our complete guide. This video will show you how to replace the insert of a mounted ball bearing unit in the field. Installing bearings correctly is essential for their performance and longevity. If you have questions or need more. Using a bearing tool or my hands, i carefully insert the. How To Insert Bearing.
From www.turnerbearings.com
Insert Bearing Product Info Turner Mounted Bearings How To Insert Bearing If you have questions or need more. This video will show you how to replace the insert of a mounted ball bearing unit in the field. Using a bearing tool or my hands, i carefully insert the drainage bearing into the housing, ensuring that it. Learn how to properly remove and replace insert bearings with our complete guide. With ball. How To Insert Bearing.
From www.ritbearing.com
What Are Bearing Inserts? Ritbearing Corporation How To Insert Bearing With ball bearings being one of the most common parts used in most machines with moving parts, it's crucial to know what is the best way of mounting a. Installing bearings correctly is essential for their performance and longevity. Using a bearing tool or my hands, i carefully insert the drainage bearing into the housing, ensuring that it. Learn how. How To Insert Bearing.
From www.bearingtips.com
Why is preload necessary in some bearing applications? Bearing Tips How To Insert Bearing With ball bearings being one of the most common parts used in most machines with moving parts, it's crucial to know what is the best way of mounting a. If you have questions or need more. Installing bearings correctly is essential for their performance and longevity. Learn how to properly remove and replace insert bearings with our complete guide. Using. How To Insert Bearing.
From agri-can.com
SB Insert Bearing How To Insert Bearing Installing bearings correctly is essential for their performance and longevity. With ball bearings being one of the most common parts used in most machines with moving parts, it's crucial to know what is the best way of mounting a. Watch our video on youtube for expert tips on. Using a bearing tool or my hands, i carefully insert the drainage. How To Insert Bearing.
From www.grainger.com
NTN, ZUC20412, 3/4 in Bore, Insert Bearing 46N874ZUC20412 Grainger How To Insert Bearing This video will show you how to replace the insert of a mounted ball bearing unit in the field. With ball bearings being one of the most common parts used in most machines with moving parts, it's crucial to know what is the best way of mounting a. If you have questions or need more. Watch our video on youtube. How To Insert Bearing.
From bearingfinder.ntnamericas.com
Item ALS205100N, Bearing Insert Cylindrical O.D., Snap Ring Groove On NTN Bearing Corp. of How To Insert Bearing Installing bearings correctly is essential for their performance and longevity. If you have questions or need more. Using a bearing tool or my hands, i carefully insert the drainage bearing into the housing, ensuring that it. This video will show you how to replace the insert of a mounted ball bearing unit in the field. Watch our video on youtube. How To Insert Bearing.
From www.skf.com
Insert bearings (Ybearings) How To Insert Bearing Using a bearing tool or my hands, i carefully insert the drainage bearing into the housing, ensuring that it. With ball bearings being one of the most common parts used in most machines with moving parts, it's crucial to know what is the best way of mounting a. If you have questions or need more. Learn how to properly remove. How To Insert Bearing.