How To Open Throttle Body . The throttle body of a car is responsible for controlling the engine’s air intake. Open the throttle body flap. Sometimes coolant and vacuum hoses are connected to it, which you must also remove. 8 steps to cleaning a throttle body. Prep the vehicle and disconnect the battery. Cleaning the throttle body is a simple task that can be completed in as little as 15 minutes. Simply remove the screws holding it and the electrical connector. If the engine is controlled via cable (drive by cable) directly from the gas pedal, then there is no difference if you were to open the. The mechanic will first park your car on flat ground in a ventilated area and open its hood. How to test and replace and electronic throttle body.
from www.autozone.com
Simply remove the screws holding it and the electrical connector. The throttle body of a car is responsible for controlling the engine’s air intake. 8 steps to cleaning a throttle body. Cleaning the throttle body is a simple task that can be completed in as little as 15 minutes. Open the throttle body flap. The mechanic will first park your car on flat ground in a ventilated area and open its hood. Prep the vehicle and disconnect the battery. If the engine is controlled via cable (drive by cable) directly from the gas pedal, then there is no difference if you were to open the. Sometimes coolant and vacuum hoses are connected to it, which you must also remove. How to test and replace and electronic throttle body.
Repair Guides Crossfire Injection System Throttle Body
How To Open Throttle Body Prep the vehicle and disconnect the battery. The throttle body of a car is responsible for controlling the engine’s air intake. 8 steps to cleaning a throttle body. Simply remove the screws holding it and the electrical connector. How to test and replace and electronic throttle body. If the engine is controlled via cable (drive by cable) directly from the gas pedal, then there is no difference if you were to open the. Cleaning the throttle body is a simple task that can be completed in as little as 15 minutes. Open the throttle body flap. The mechanic will first park your car on flat ground in a ventilated area and open its hood. Prep the vehicle and disconnect the battery. Sometimes coolant and vacuum hoses are connected to it, which you must also remove.
From www.youtube.com
How a throttle body works YouTube How To Open Throttle Body Simply remove the screws holding it and the electrical connector. If the engine is controlled via cable (drive by cable) directly from the gas pedal, then there is no difference if you were to open the. Sometimes coolant and vacuum hoses are connected to it, which you must also remove. How to test and replace and electronic throttle body. Prep. How To Open Throttle Body.
From www.autozone.com
Repair Guides How To Open Throttle Body 8 steps to cleaning a throttle body. The mechanic will first park your car on flat ground in a ventilated area and open its hood. If the engine is controlled via cable (drive by cable) directly from the gas pedal, then there is no difference if you were to open the. Sometimes coolant and vacuum hoses are connected to it,. How To Open Throttle Body.
From www.youtube.com
When Should you Replace or clean throttle body?? / how to replace How To Open Throttle Body Open the throttle body flap. The throttle body of a car is responsible for controlling the engine’s air intake. Cleaning the throttle body is a simple task that can be completed in as little as 15 minutes. How to test and replace and electronic throttle body. The mechanic will first park your car on flat ground in a ventilated area. How To Open Throttle Body.
From mungfali.com
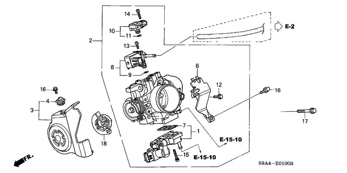
Honda Throttle Body Diagram How To Open Throttle Body Open the throttle body flap. If the engine is controlled via cable (drive by cable) directly from the gas pedal, then there is no difference if you were to open the. The mechanic will first park your car on flat ground in a ventilated area and open its hood. 8 steps to cleaning a throttle body. Sometimes coolant and vacuum. How To Open Throttle Body.
From mechanicbase.com
How To Clean A Throttle Body (10 Steps DIY) How To Open Throttle Body The throttle body of a car is responsible for controlling the engine’s air intake. The mechanic will first park your car on flat ground in a ventilated area and open its hood. Cleaning the throttle body is a simple task that can be completed in as little as 15 minutes. Prep the vehicle and disconnect the battery. If the engine. How To Open Throttle Body.
From mechanics.stackexchange.com
Why is Diesel Engine called as Quality Controlled and Petrol called as How To Open Throttle Body The throttle body of a car is responsible for controlling the engine’s air intake. 8 steps to cleaning a throttle body. Cleaning the throttle body is a simple task that can be completed in as little as 15 minutes. The mechanic will first park your car on flat ground in a ventilated area and open its hood. Prep the vehicle. How To Open Throttle Body.
From garageinterferon.z21.web.core.windows.net
Changing Throttle Position Sensor Chevrolet How To Open Throttle Body Sometimes coolant and vacuum hoses are connected to it, which you must also remove. Cleaning the throttle body is a simple task that can be completed in as little as 15 minutes. The throttle body of a car is responsible for controlling the engine’s air intake. Open the throttle body flap. Simply remove the screws holding it and the electrical. How To Open Throttle Body.
From newparts.com
What is a Throttle Body, and How Does It Work? How To Open Throttle Body Open the throttle body flap. Sometimes coolant and vacuum hoses are connected to it, which you must also remove. If the engine is controlled via cable (drive by cable) directly from the gas pedal, then there is no difference if you were to open the. Simply remove the screws holding it and the electrical connector. The throttle body of a. How To Open Throttle Body.
From www.standardbrand.com
A Closer Look Electronic Throttle Bodies and Control Systems How To Open Throttle Body If the engine is controlled via cable (drive by cable) directly from the gas pedal, then there is no difference if you were to open the. Simply remove the screws holding it and the electrical connector. Sometimes coolant and vacuum hoses are connected to it, which you must also remove. Cleaning the throttle body is a simple task that can. How To Open Throttle Body.
From www.youtube.com
How to Install Replace Throttle Body 2001 Ford Ranger 4.0L YouTube How To Open Throttle Body The throttle body of a car is responsible for controlling the engine’s air intake. Sometimes coolant and vacuum hoses are connected to it, which you must also remove. Prep the vehicle and disconnect the battery. Cleaning the throttle body is a simple task that can be completed in as little as 15 minutes. Open the throttle body flap. How to. How To Open Throttle Body.
From autopickles.com
How to Reset Throttle Body Sensor Autopickles How To Open Throttle Body Sometimes coolant and vacuum hoses are connected to it, which you must also remove. How to test and replace and electronic throttle body. Prep the vehicle and disconnect the battery. 8 steps to cleaning a throttle body. Simply remove the screws holding it and the electrical connector. The throttle body of a car is responsible for controlling the engine’s air. How To Open Throttle Body.
From www.carparts.com
Why Clean the Throttle Body? Straight Answers In The Garage with How To Open Throttle Body If the engine is controlled via cable (drive by cable) directly from the gas pedal, then there is no difference if you were to open the. Open the throttle body flap. The mechanic will first park your car on flat ground in a ventilated area and open its hood. 8 steps to cleaning a throttle body. The throttle body of. How To Open Throttle Body.
From www.youtube.com
how to clean your car throttle body? how to work throttle body How To Open Throttle Body Sometimes coolant and vacuum hoses are connected to it, which you must also remove. Cleaning the throttle body is a simple task that can be completed in as little as 15 minutes. Prep the vehicle and disconnect the battery. 8 steps to cleaning a throttle body. Simply remove the screws holding it and the electrical connector. The mechanic will first. How To Open Throttle Body.
From farmmachinerydigest.com
To the mat! Is it really going fullthrottle? Farm Machinery Digest How To Open Throttle Body Open the throttle body flap. 8 steps to cleaning a throttle body. The mechanic will first park your car on flat ground in a ventilated area and open its hood. The throttle body of a car is responsible for controlling the engine’s air intake. Prep the vehicle and disconnect the battery. Sometimes coolant and vacuum hoses are connected to it,. How To Open Throttle Body.
From www.youtube.com
how to open throttle body how to repair throttle body YouTube How To Open Throttle Body The throttle body of a car is responsible for controlling the engine’s air intake. Open the throttle body flap. 8 steps to cleaning a throttle body. How to test and replace and electronic throttle body. Sometimes coolant and vacuum hoses are connected to it, which you must also remove. If the engine is controlled via cable (drive by cable) directly. How To Open Throttle Body.
From www.youtube.com
How to Replace Throttle Body 0916 Ford Escape YouTube How To Open Throttle Body The throttle body of a car is responsible for controlling the engine’s air intake. How to test and replace and electronic throttle body. If the engine is controlled via cable (drive by cable) directly from the gas pedal, then there is no difference if you were to open the. Cleaning the throttle body is a simple task that can be. How To Open Throttle Body.
From www.team-bhp.com
Explained Why Diesel engines need a throttle body & throttle plate How To Open Throttle Body If the engine is controlled via cable (drive by cable) directly from the gas pedal, then there is no difference if you were to open the. Sometimes coolant and vacuum hoses are connected to it, which you must also remove. The mechanic will first park your car on flat ground in a ventilated area and open its hood. Simply remove. How To Open Throttle Body.
From www.carparts.com
What Is a Throttle Actuator? Function and Symptoms of Failure Explained How To Open Throttle Body Cleaning the throttle body is a simple task that can be completed in as little as 15 minutes. Sometimes coolant and vacuum hoses are connected to it, which you must also remove. The mechanic will first park your car on flat ground in a ventilated area and open its hood. Prep the vehicle and disconnect the battery. 8 steps to. How To Open Throttle Body.
From mechanicbase.com
How To Clean A Throttle Body (10 Steps DIY) How To Open Throttle Body 8 steps to cleaning a throttle body. Prep the vehicle and disconnect the battery. The throttle body of a car is responsible for controlling the engine’s air intake. Sometimes coolant and vacuum hoses are connected to it, which you must also remove. How to test and replace and electronic throttle body. Open the throttle body flap. Simply remove the screws. How To Open Throttle Body.
From jestineyong.com
Throttle body diagnostic and repair guide for part number 03L 128 063 How To Open Throttle Body If the engine is controlled via cable (drive by cable) directly from the gas pedal, then there is no difference if you were to open the. Simply remove the screws holding it and the electrical connector. Cleaning the throttle body is a simple task that can be completed in as little as 15 minutes. Open the throttle body flap. Sometimes. How To Open Throttle Body.
From www.youtube.com
Throttle Body and Parts Simple Explanation YouTube How To Open Throttle Body Simply remove the screws holding it and the electrical connector. The mechanic will first park your car on flat ground in a ventilated area and open its hood. How to test and replace and electronic throttle body. The throttle body of a car is responsible for controlling the engine’s air intake. Sometimes coolant and vacuum hoses are connected to it,. How To Open Throttle Body.
From www.autozone.com
Repair Guides Crossfire Injection System Throttle Body How To Open Throttle Body Sometimes coolant and vacuum hoses are connected to it, which you must also remove. Simply remove the screws holding it and the electrical connector. 8 steps to cleaning a throttle body. The mechanic will first park your car on flat ground in a ventilated area and open its hood. The throttle body of a car is responsible for controlling the. How To Open Throttle Body.
From www.csmans.com
Chevrolet Sonic Repair Manual Throttle Body Removal Air Metering How To Open Throttle Body The throttle body of a car is responsible for controlling the engine’s air intake. Prep the vehicle and disconnect the battery. 8 steps to cleaning a throttle body. How to test and replace and electronic throttle body. Sometimes coolant and vacuum hoses are connected to it, which you must also remove. If the engine is controlled via cable (drive by. How To Open Throttle Body.
From www.carparts.com
What Is a Throttle Actuator? Function and Symptoms of Failure Explained How To Open Throttle Body The throttle body of a car is responsible for controlling the engine’s air intake. Prep the vehicle and disconnect the battery. 8 steps to cleaning a throttle body. The mechanic will first park your car on flat ground in a ventilated area and open its hood. Open the throttle body flap. Sometimes coolant and vacuum hoses are connected to it,. How To Open Throttle Body.
From www.youtube.com
Throttle Body Explained YouTube How To Open Throttle Body The mechanic will first park your car on flat ground in a ventilated area and open its hood. Cleaning the throttle body is a simple task that can be completed in as little as 15 minutes. 8 steps to cleaning a throttle body. How to test and replace and electronic throttle body. The throttle body of a car is responsible. How To Open Throttle Body.
From www.forbes.com
How to Clean a Throttle Body Forbes Home How To Open Throttle Body Sometimes coolant and vacuum hoses are connected to it, which you must also remove. How to test and replace and electronic throttle body. Prep the vehicle and disconnect the battery. The mechanic will first park your car on flat ground in a ventilated area and open its hood. Open the throttle body flap. Simply remove the screws holding it and. How To Open Throttle Body.
From www.autozone.com
Repair Guides How To Open Throttle Body Sometimes coolant and vacuum hoses are connected to it, which you must also remove. If the engine is controlled via cable (drive by cable) directly from the gas pedal, then there is no difference if you were to open the. Open the throttle body flap. The mechanic will first park your car on flat ground in a ventilated area and. How To Open Throttle Body.
From my.prostreetonline.com
DTC P0123 How To Change a LS1 Throttle Body How To Open Throttle Body Open the throttle body flap. If the engine is controlled via cable (drive by cable) directly from the gas pedal, then there is no difference if you were to open the. Sometimes coolant and vacuum hoses are connected to it, which you must also remove. The mechanic will first park your car on flat ground in a ventilated area and. How To Open Throttle Body.
From www.hondacivicforum.com
How to open throttle body How To Open Throttle Body Simply remove the screws holding it and the electrical connector. If the engine is controlled via cable (drive by cable) directly from the gas pedal, then there is no difference if you were to open the. The throttle body of a car is responsible for controlling the engine’s air intake. Prep the vehicle and disconnect the battery. Cleaning the throttle. How To Open Throttle Body.
From www.youtube.com
Throttle body install Honda civic YouTube How To Open Throttle Body How to test and replace and electronic throttle body. 8 steps to cleaning a throttle body. Cleaning the throttle body is a simple task that can be completed in as little as 15 minutes. The mechanic will first park your car on flat ground in a ventilated area and open its hood. Prep the vehicle and disconnect the battery. The. How To Open Throttle Body.
From ricksfreeautorepairadvice.com
Ford throttle body relearn procedure — Ricks Free Auto Repair Advice How To Open Throttle Body How to test and replace and electronic throttle body. The throttle body of a car is responsible for controlling the engine’s air intake. Open the throttle body flap. Simply remove the screws holding it and the electrical connector. If the engine is controlled via cable (drive by cable) directly from the gas pedal, then there is no difference if you. How To Open Throttle Body.
From schematicopsedajo.z22.web.core.windows.net
Gm Throttle Position Sensor Wiring Diagram How To Open Throttle Body Prep the vehicle and disconnect the battery. 8 steps to cleaning a throttle body. If the engine is controlled via cable (drive by cable) directly from the gas pedal, then there is no difference if you were to open the. Cleaning the throttle body is a simple task that can be completed in as little as 15 minutes. Simply remove. How To Open Throttle Body.
From www.volkswagenforum.co.uk
HowTo, cleaning throttle body How To Open Throttle Body 8 steps to cleaning a throttle body. The throttle body of a car is responsible for controlling the engine’s air intake. Cleaning the throttle body is a simple task that can be completed in as little as 15 minutes. If the engine is controlled via cable (drive by cable) directly from the gas pedal, then there is no difference if. How To Open Throttle Body.
From themotorguy.com
Throttle Position Sensor Failures Symptoms, Diagnoses, and Fixes The How To Open Throttle Body Cleaning the throttle body is a simple task that can be completed in as little as 15 minutes. The throttle body of a car is responsible for controlling the engine’s air intake. Open the throttle body flap. 8 steps to cleaning a throttle body. The mechanic will first park your car on flat ground in a ventilated area and open. How To Open Throttle Body.
From garagewire.co.uk
Everything you ought to know about throttle bodies Garagewire How To Open Throttle Body If the engine is controlled via cable (drive by cable) directly from the gas pedal, then there is no difference if you were to open the. Simply remove the screws holding it and the electrical connector. The throttle body of a car is responsible for controlling the engine’s air intake. Cleaning the throttle body is a simple task that can. How To Open Throttle Body.