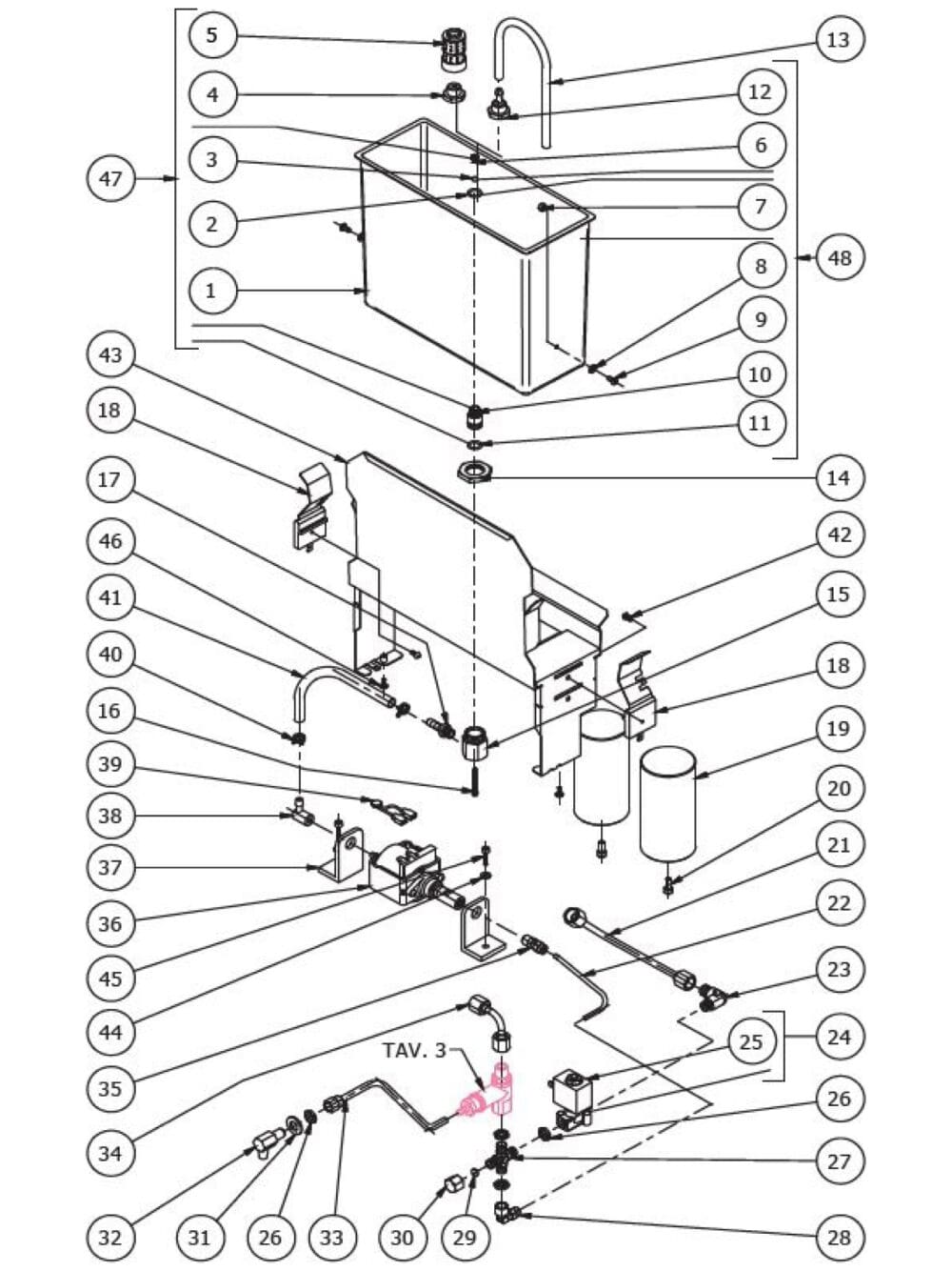
Bezzera Strega Parts . Filterholder, gasket, shower screen, inlet pipe, switch, safety. bezzera strega, spare parts, technical drawing, device diagram. Spare parts for catering equipment. We make it easy to find the replacement parts you need. bezzera strega parts diagram. brooks vintage espresso machines spare parts for bezzera strega: bezzera strega/diagrams and manuals metadata this file contains additional information, probably added from the digital camera or scanner used to create or. on this page you will find parts specific to the bezzera strega, a beautiful machine with a lever group. Gaskets, portafilters, filter baskets, shower screens, cleaning. parts and schematics for bezzera coffee and espresso machines. (2 mb) was this article helpful? A +48 56 657 76 23. 0 out of 0 found this. Please use the parts diagrams provided below to determine the part (s) you need. bezzera strega espresso machine replacement parts.
from brooks-espressomachines.com
parts and schematics for bezzera coffee and espresso machines. Please use the parts diagrams provided below to determine the part (s) you need. on this page you will find parts specific to the bezzera strega, a beautiful machine with a lever group. 0 out of 0 found this. bezzera strega parts diagram. A +48 56 657 76 23. We make it easy to find the replacement parts you need. bezzera strega, spare parts, technical drawing, device diagram. Gaskets, portafilters, filter baskets, shower screens, cleaning. bezzera strega espresso machine replacement parts.
Bezzera Strega microswitch with wiring original
Bezzera Strega Parts Filterholder, gasket, shower screen, inlet pipe, switch, safety. A +48 56 657 76 23. Gaskets, portafilters, filter baskets, shower screens, cleaning. 0 out of 0 found this. We make it easy to find the replacement parts you need. Spare parts for catering equipment. (2 mb) was this article helpful? bezzera strega parts diagram. bezzera strega, spare parts, technical drawing, device diagram. on this page you will find parts specific to the bezzera strega, a beautiful machine with a lever group. bezzera strega/diagrams and manuals metadata this file contains additional information, probably added from the digital camera or scanner used to create or. Please use the parts diagrams provided below to determine the part (s) you need. parts and schematics for bezzera coffee and espresso machines. Filterholder, gasket, shower screen, inlet pipe, switch, safety. brooks vintage espresso machines spare parts for bezzera strega: bezzera strega espresso machine replacement parts.
From www.wholelattelove.com
Bezzera Strega Lever Espresso Machine Rosewood Accents Whole Latte Love Bezzera Strega Parts bezzera strega parts diagram. 0 out of 0 found this. Spare parts for catering equipment. on this page you will find parts specific to the bezzera strega, a beautiful machine with a lever group. Please use the parts diagrams provided below to determine the part (s) you need. brooks vintage espresso machines spare parts for bezzera strega:. Bezzera Strega Parts.
From brooks-espressomachines.com
Bezzera Strega microswitch with wiring original Bezzera Strega Parts We make it easy to find the replacement parts you need. Gaskets, portafilters, filter baskets, shower screens, cleaning. Please use the parts diagrams provided below to determine the part (s) you need. A +48 56 657 76 23. 0 out of 0 found this. bezzera strega parts diagram. bezzera strega espresso machine replacement parts. brooks vintage espresso. Bezzera Strega Parts.
From www.1st-line.com
Parts Diagram Bezzera Strega TOP 1stline Equipment, LLC Bezzera Strega Parts Please use the parts diagrams provided below to determine the part (s) you need. (2 mb) was this article helpful? bezzera strega parts diagram. Gaskets, portafilters, filter baskets, shower screens, cleaning. brooks vintage espresso machines spare parts for bezzera strega: 0 out of 0 found this. We make it easy to find the replacement parts you need. . Bezzera Strega Parts.
From www.home-barista.com
[SOLD] Bezzera Strega Buy/Sell Bezzera Strega Parts Please use the parts diagrams provided below to determine the part (s) you need. (2 mb) was this article helpful? 0 out of 0 found this. on this page you will find parts specific to the bezzera strega, a beautiful machine with a lever group. bezzera strega espresso machine replacement parts. Gaskets, portafilters, filter baskets, shower screens, cleaning.. Bezzera Strega Parts.
From www.1st-line.com
Parts Diagram Bezzera Strega S 1stline Equipment, LLC Bezzera Strega Parts bezzera strega, spare parts, technical drawing, device diagram. bezzera strega/diagrams and manuals metadata this file contains additional information, probably added from the digital camera or scanner used to create or. bezzera strega parts diagram. Please use the parts diagrams provided below to determine the part (s) you need. bezzera strega espresso machine replacement parts. Gaskets, portafilters,. Bezzera Strega Parts.
From www.1st-line.com
Parts Diagram Bezzera Strega S 1stline Equipment, LLC Bezzera Strega Parts Gaskets, portafilters, filter baskets, shower screens, cleaning. A +48 56 657 76 23. Please use the parts diagrams provided below to determine the part (s) you need. brooks vintage espresso machines spare parts for bezzera strega: Filterholder, gasket, shower screen, inlet pipe, switch, safety. bezzera strega espresso machine replacement parts. We make it easy to find the replacement. Bezzera Strega Parts.
From www.1st-line.com
Parts Diagram Bezzera Strega S 1stline Equipment, LLC Bezzera Strega Parts bezzera strega/diagrams and manuals metadata this file contains additional information, probably added from the digital camera or scanner used to create or. Gaskets, portafilters, filter baskets, shower screens, cleaning. A +48 56 657 76 23. Spare parts for catering equipment. parts and schematics for bezzera coffee and espresso machines. Please use the parts diagrams provided below to determine. Bezzera Strega Parts.
From www.wholelattelove.com
Bezzera Strega Lever Espresso Machine Rosewood Accents Whole Latte Love Bezzera Strega Parts bezzera strega parts diagram. bezzera strega espresso machine replacement parts. (2 mb) was this article helpful? Filterholder, gasket, shower screen, inlet pipe, switch, safety. brooks vintage espresso machines spare parts for bezzera strega: Please use the parts diagrams provided below to determine the part (s) you need. A +48 56 657 76 23. on this page. Bezzera Strega Parts.
From www.1st-line.com
Parts Diagram Bezzera Strega 1stline Equipment, LLC Bezzera Strega Parts parts and schematics for bezzera coffee and espresso machines. bezzera strega, spare parts, technical drawing, device diagram. A +48 56 657 76 23. bezzera strega parts diagram. on this page you will find parts specific to the bezzera strega, a beautiful machine with a lever group. 0 out of 0 found this. bezzera strega espresso. Bezzera Strega Parts.
From coffeeland.co.id
Bezzera Strega 1GR Coffeeland Bezzera Strega Parts brooks vintage espresso machines spare parts for bezzera strega: A +48 56 657 76 23. on this page you will find parts specific to the bezzera strega, a beautiful machine with a lever group. bezzera strega espresso machine replacement parts. Filterholder, gasket, shower screen, inlet pipe, switch, safety. (2 mb) was this article helpful? bezzera strega/diagrams. Bezzera Strega Parts.
From www.1st-line.com
Parts Diagram Bezzera Strega 1stline Equipment, LLC Bezzera Strega Parts A +48 56 657 76 23. bezzera strega, spare parts, technical drawing, device diagram. 0 out of 0 found this. bezzera strega parts diagram. Filterholder, gasket, shower screen, inlet pipe, switch, safety. brooks vintage espresso machines spare parts for bezzera strega: on this page you will find parts specific to the bezzera strega, a beautiful machine. Bezzera Strega Parts.
From www.bezzera.it
Bezzera Strega Bezzera Strega Parts Please use the parts diagrams provided below to determine the part (s) you need. bezzera strega parts diagram. (2 mb) was this article helpful? Filterholder, gasket, shower screen, inlet pipe, switch, safety. bezzera strega, spare parts, technical drawing, device diagram. We make it easy to find the replacement parts you need. bezzera strega/diagrams and manuals metadata this. Bezzera Strega Parts.
From www.1st-line.com
Parts Diagram Bezzera Strega 1stline Equipment, LLC Bezzera Strega Parts bezzera strega espresso machine replacement parts. parts and schematics for bezzera coffee and espresso machines. Gaskets, portafilters, filter baskets, shower screens, cleaning. on this page you will find parts specific to the bezzera strega, a beautiful machine with a lever group. 0 out of 0 found this. (2 mb) was this article helpful? bezzera strega/diagrams and. Bezzera Strega Parts.
From coffeemachinespecialist.com.au
Bezzera Strega with Grinder Package Bezzera Strega Parts 0 out of 0 found this. on this page you will find parts specific to the bezzera strega, a beautiful machine with a lever group. bezzera strega/diagrams and manuals metadata this file contains additional information, probably added from the digital camera or scanner used to create or. Gaskets, portafilters, filter baskets, shower screens, cleaning. brooks vintage espresso. Bezzera Strega Parts.
From wiki.wholelattelove.com
Bezzera Strega/diagrams and manuals Whole Latte Love Support Library Bezzera Strega Parts bezzera strega espresso machine replacement parts. Gaskets, portafilters, filter baskets, shower screens, cleaning. bezzera strega, spare parts, technical drawing, device diagram. Spare parts for catering equipment. A +48 56 657 76 23. bezzera strega/diagrams and manuals metadata this file contains additional information, probably added from the digital camera or scanner used to create or. Please use the. Bezzera Strega Parts.
From www.etsy.com
Bezzera Strega Hardwood Coffee Parts Set Etsy Ireland Bezzera Strega Parts parts and schematics for bezzera coffee and espresso machines. Gaskets, portafilters, filter baskets, shower screens, cleaning. on this page you will find parts specific to the bezzera strega, a beautiful machine with a lever group. Please use the parts diagrams provided below to determine the part (s) you need. bezzera strega parts diagram. brooks vintage espresso. Bezzera Strega Parts.
From www.finecoffeecompany.com
Upright Bezzera Strega Fine Coffee Company Bezzera Strega Parts on this page you will find parts specific to the bezzera strega, a beautiful machine with a lever group. Spare parts for catering equipment. We make it easy to find the replacement parts you need. Gaskets, portafilters, filter baskets, shower screens, cleaning. parts and schematics for bezzera coffee and espresso machines. bezzera strega, spare parts, technical drawing,. Bezzera Strega Parts.
From www.bezzera.it
Bezzera Strega Bezzera Strega Parts brooks vintage espresso machines spare parts for bezzera strega: parts and schematics for bezzera coffee and espresso machines. Gaskets, portafilters, filter baskets, shower screens, cleaning. Spare parts for catering equipment. A +48 56 657 76 23. on this page you will find parts specific to the bezzera strega, a beautiful machine with a lever group. Filterholder, gasket,. Bezzera Strega Parts.
From www.1st-line.com
Parts Diagram Bezzera Strega S 1stline Equipment, LLC Bezzera Strega Parts bezzera strega/diagrams and manuals metadata this file contains additional information, probably added from the digital camera or scanner used to create or. We make it easy to find the replacement parts you need. 0 out of 0 found this. Please use the parts diagrams provided below to determine the part (s) you need. bezzera strega espresso machine replacement. Bezzera Strega Parts.
From www.wholelattelove.com
Bezzera Strega Lever Espresso Machine Whole Latte Love Bezzera Strega Parts A +48 56 657 76 23. Please use the parts diagrams provided below to determine the part (s) you need. bezzera strega/diagrams and manuals metadata this file contains additional information, probably added from the digital camera or scanner used to create or. parts and schematics for bezzera coffee and espresso machines. on this page you will find. Bezzera Strega Parts.
From www.1st-line.com
Parts Diagram Bezzera Strega S 1stline Equipment, LLC Bezzera Strega Parts Filterholder, gasket, shower screen, inlet pipe, switch, safety. bezzera strega, spare parts, technical drawing, device diagram. (2 mb) was this article helpful? on this page you will find parts specific to the bezzera strega, a beautiful machine with a lever group. Spare parts for catering equipment. Gaskets, portafilters, filter baskets, shower screens, cleaning. brooks vintage espresso machines. Bezzera Strega Parts.
From www.1st-line.com
Parts Diagram Bezzera Strega 1stline Equipment, LLC Bezzera Strega Parts bezzera strega espresso machine replacement parts. on this page you will find parts specific to the bezzera strega, a beautiful machine with a lever group. brooks vintage espresso machines spare parts for bezzera strega: bezzera strega, spare parts, technical drawing, device diagram. We make it easy to find the replacement parts you need. parts and. Bezzera Strega Parts.
From www.1st-line.com
Parts Diagram Bezzera Strega 1stline Espresso Machines and Coffee Bezzera Strega Parts on this page you will find parts specific to the bezzera strega, a beautiful machine with a lever group. Gaskets, portafilters, filter baskets, shower screens, cleaning. parts and schematics for bezzera coffee and espresso machines. bezzera strega/diagrams and manuals metadata this file contains additional information, probably added from the digital camera or scanner used to create or.. Bezzera Strega Parts.
From www.youtube.com
Bezzera Strega Overview YouTube Bezzera Strega Parts bezzera strega parts diagram. A +48 56 657 76 23. bezzera strega espresso machine replacement parts. Filterholder, gasket, shower screen, inlet pipe, switch, safety. brooks vintage espresso machines spare parts for bezzera strega: bezzera strega, spare parts, technical drawing, device diagram. parts and schematics for bezzera coffee and espresso machines. Spare parts for catering equipment.. Bezzera Strega Parts.
From www.1st-line.com
Bezzera Strega TOP V2 Espresso Machine 1stline Equipment Bezzera Strega Parts Filterholder, gasket, shower screen, inlet pipe, switch, safety. Please use the parts diagrams provided below to determine the part (s) you need. (2 mb) was this article helpful? A +48 56 657 76 23. bezzera strega parts diagram. bezzera strega espresso machine replacement parts. Gaskets, portafilters, filter baskets, shower screens, cleaning. on this page you will find. Bezzera Strega Parts.
From www.1st-line.com
Parts Diagram Bezzera Strega 1stline Equipment, LLC Bezzera Strega Parts bezzera strega, spare parts, technical drawing, device diagram. We make it easy to find the replacement parts you need. Filterholder, gasket, shower screen, inlet pipe, switch, safety. brooks vintage espresso machines spare parts for bezzera strega: bezzera strega espresso machine replacement parts. 0 out of 0 found this. on this page you will find parts specific. Bezzera Strega Parts.
From www.home-barista.com
My beloved Bezzera Strega needs help please! (Trouble after moving) Bezzera Strega Parts bezzera strega parts diagram. bezzera strega, spare parts, technical drawing, device diagram. We make it easy to find the replacement parts you need. A +48 56 657 76 23. on this page you will find parts specific to the bezzera strega, a beautiful machine with a lever group. Spare parts for catering equipment. bezzera strega espresso. Bezzera Strega Parts.
From www.1st-line.com
Parts Diagram Bezzera Strega 1stline Equipment, LLC Bezzera Strega Parts We make it easy to find the replacement parts you need. A +48 56 657 76 23. bezzera strega/diagrams and manuals metadata this file contains additional information, probably added from the digital camera or scanner used to create or. Gaskets, portafilters, filter baskets, shower screens, cleaning. bezzera strega espresso machine replacement parts. Spare parts for catering equipment. Filterholder,. Bezzera Strega Parts.
From www.1st-line.com
Bezzera Strega TOP V2 Espresso Machine 1stline Equipment, LLC Bezzera Strega Parts A +48 56 657 76 23. 0 out of 0 found this. brooks vintage espresso machines spare parts for bezzera strega: Please use the parts diagrams provided below to determine the part (s) you need. Spare parts for catering equipment. parts and schematics for bezzera coffee and espresso machines. bezzera strega, spare parts, technical drawing, device diagram.. Bezzera Strega Parts.
From thelevermag.com
Bezzera Strega mods The Lever Blog Bezzera Strega Parts Please use the parts diagrams provided below to determine the part (s) you need. Spare parts for catering equipment. bezzera strega parts diagram. Filterholder, gasket, shower screen, inlet pipe, switch, safety. bezzera strega, spare parts, technical drawing, device diagram. parts and schematics for bezzera coffee and espresso machines. 0 out of 0 found this. bezzera strega. Bezzera Strega Parts.
From espressonero.coffee
Bezzera Strega Siebträger Espressomaschine Zweikreiser Tank Bezzera Strega Parts We make it easy to find the replacement parts you need. Gaskets, portafilters, filter baskets, shower screens, cleaning. Filterholder, gasket, shower screen, inlet pipe, switch, safety. parts and schematics for bezzera coffee and espresso machines. bezzera strega parts diagram. bezzera strega, spare parts, technical drawing, device diagram. 0 out of 0 found this. (2 mb) was this. Bezzera Strega Parts.
From www.1st-line.com
Parts Diagram Bezzera Strega 1stline Equipment, LLC Bezzera Strega Parts bezzera strega, spare parts, technical drawing, device diagram. bezzera strega espresso machine replacement parts. 0 out of 0 found this. on this page you will find parts specific to the bezzera strega, a beautiful machine with a lever group. bezzera strega/diagrams and manuals metadata this file contains additional information, probably added from the digital camera or. Bezzera Strega Parts.
From www.1st-line.com
Bezzera Strega TOP V2 Espresso Machine 1stline Equipment Bezzera Strega Parts Spare parts for catering equipment. Please use the parts diagrams provided below to determine the part (s) you need. A +48 56 657 76 23. parts and schematics for bezzera coffee and espresso machines. bezzera strega parts diagram. We make it easy to find the replacement parts you need. Gaskets, portafilters, filter baskets, shower screens, cleaning. brooks. Bezzera Strega Parts.
From idrinkcoffee.com
Bezzera Strega TOP Lever Machine Espresso Machine Bezzera Strega Parts bezzera strega, spare parts, technical drawing, device diagram. bezzera strega parts diagram. We make it easy to find the replacement parts you need. on this page you will find parts specific to the bezzera strega, a beautiful machine with a lever group. 0 out of 0 found this. brooks vintage espresso machines spare parts for bezzera. Bezzera Strega Parts.
From www.coffeemachinespecialist.com.au
BEZZERA STREGA LEVER Coffee Machine Specialist Bezzera Strega Parts A +48 56 657 76 23. Spare parts for catering equipment. Filterholder, gasket, shower screen, inlet pipe, switch, safety. on this page you will find parts specific to the bezzera strega, a beautiful machine with a lever group. We make it easy to find the replacement parts you need. 0 out of 0 found this. bezzera strega parts. Bezzera Strega Parts.