What Type Of Coil Arrangements Should Be In Low Voltage Remote Control Switching Relays . If low voltage and high voltage cables must be placed in _____, they should be separated by at least 6 inches. While a contactor is generally used to switch power circuits or high current loads, relays are used to amplify the contact capability in low. Use the same color for the dc positive and common lead throughout. If a low voltage and high voltage cables must be placed in parallel runs, they should be separated by at least 6 in order to protect low volt. When the “on” coil of the relay is energized, the solenoid.
from www.kyleswitchplates.com
When the “on” coil of the relay is energized, the solenoid. If a low voltage and high voltage cables must be placed in parallel runs, they should be separated by at least 6 in order to protect low volt. If low voltage and high voltage cables must be placed in _____, they should be separated by at least 6 inches. While a contactor is generally used to switch power circuits or high current loads, relays are used to amplify the contact capability in low. Use the same color for the dc positive and common lead throughout.
Remcon Relays Low Voltage Remote Control R115S Relay Switches
What Type Of Coil Arrangements Should Be In Low Voltage Remote Control Switching Relays If a low voltage and high voltage cables must be placed in parallel runs, they should be separated by at least 6 in order to protect low volt. When the “on” coil of the relay is energized, the solenoid. While a contactor is generally used to switch power circuits or high current loads, relays are used to amplify the contact capability in low. If low voltage and high voltage cables must be placed in _____, they should be separated by at least 6 inches. If a low voltage and high voltage cables must be placed in parallel runs, they should be separated by at least 6 in order to protect low volt. Use the same color for the dc positive and common lead throughout.
From www.youtube.com
How to Installation Control Current relay in three phase Circuit What Type Of Coil Arrangements Should Be In Low Voltage Remote Control Switching Relays When the “on” coil of the relay is energized, the solenoid. Use the same color for the dc positive and common lead throughout. If low voltage and high voltage cables must be placed in _____, they should be separated by at least 6 inches. While a contactor is generally used to switch power circuits or high current loads, relays are. What Type Of Coil Arrangements Should Be In Low Voltage Remote Control Switching Relays.
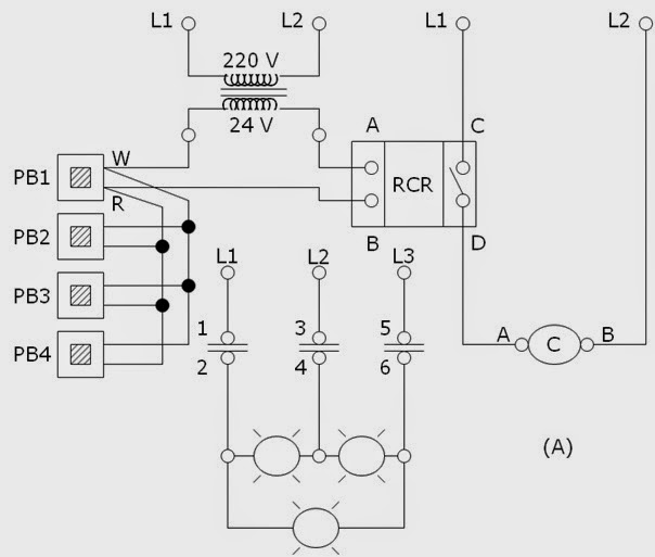
From motor-control-circuits.blogspot.com
Remote Control Switching (RCS) Motor Control Operation and Circuits What Type Of Coil Arrangements Should Be In Low Voltage Remote Control Switching Relays If low voltage and high voltage cables must be placed in _____, they should be separated by at least 6 inches. When the “on” coil of the relay is energized, the solenoid. While a contactor is generally used to switch power circuits or high current loads, relays are used to amplify the contact capability in low. Use the same color. What Type Of Coil Arrangements Should Be In Low Voltage Remote Control Switching Relays.
From thesoundstour.com
Choosing The Perfect Lowvoltage Remote Control Switching Relays Use What Type Of Coil Arrangements Should Be In Low Voltage Remote Control Switching Relays If a low voltage and high voltage cables must be placed in parallel runs, they should be separated by at least 6 in order to protect low volt. Use the same color for the dc positive and common lead throughout. If low voltage and high voltage cables must be placed in _____, they should be separated by at least 6. What Type Of Coil Arrangements Should Be In Low Voltage Remote Control Switching Relays.
From diy-electronicsprojects.blogspot.com
low voltage relays and switches Ge rr7 low voltage remote control relay What Type Of Coil Arrangements Should Be In Low Voltage Remote Control Switching Relays Use the same color for the dc positive and common lead throughout. If a low voltage and high voltage cables must be placed in parallel runs, they should be separated by at least 6 in order to protect low volt. When the “on” coil of the relay is energized, the solenoid. If low voltage and high voltage cables must be. What Type Of Coil Arrangements Should Be In Low Voltage Remote Control Switching Relays.
From www.quasarelectronics.co.uk
DC Motor Reversing Circuit Timer or Remote Control Quasar Electronics What Type Of Coil Arrangements Should Be In Low Voltage Remote Control Switching Relays If a low voltage and high voltage cables must be placed in parallel runs, they should be separated by at least 6 in order to protect low volt. Use the same color for the dc positive and common lead throughout. While a contactor is generally used to switch power circuits or high current loads, relays are used to amplify the. What Type Of Coil Arrangements Should Be In Low Voltage Remote Control Switching Relays.
From wiringdiagram.2bitboer.com
low voltage relay wiring diagram Wiring Diagram What Type Of Coil Arrangements Should Be In Low Voltage Remote Control Switching Relays Use the same color for the dc positive and common lead throughout. When the “on” coil of the relay is energized, the solenoid. If low voltage and high voltage cables must be placed in _____, they should be separated by at least 6 inches. If a low voltage and high voltage cables must be placed in parallel runs, they should. What Type Of Coil Arrangements Should Be In Low Voltage Remote Control Switching Relays.
From thesoundstour.com
Choosing The Perfect Lowvoltage Remote Control Switching Relays Use What Type Of Coil Arrangements Should Be In Low Voltage Remote Control Switching Relays If a low voltage and high voltage cables must be placed in parallel runs, they should be separated by at least 6 in order to protect low volt. If low voltage and high voltage cables must be placed in _____, they should be separated by at least 6 inches. While a contactor is generally used to switch power circuits or. What Type Of Coil Arrangements Should Be In Low Voltage Remote Control Switching Relays.
From www.youtube.com
How to Make Connect in Assemble Using 2 Relay Wiring Diagram 8 pin What Type Of Coil Arrangements Should Be In Low Voltage Remote Control Switching Relays If a low voltage and high voltage cables must be placed in parallel runs, they should be separated by at least 6 in order to protect low volt. When the “on” coil of the relay is energized, the solenoid. Use the same color for the dc positive and common lead throughout. While a contactor is generally used to switch power. What Type Of Coil Arrangements Should Be In Low Voltage Remote Control Switching Relays.
From www.kyleswitchplates.com
GE Low Voltage Relays, Remote Control Relay Switches, Transformers What Type Of Coil Arrangements Should Be In Low Voltage Remote Control Switching Relays While a contactor is generally used to switch power circuits or high current loads, relays are used to amplify the contact capability in low. If low voltage and high voltage cables must be placed in _____, they should be separated by at least 6 inches. When the “on” coil of the relay is energized, the solenoid. Use the same color. What Type Of Coil Arrangements Should Be In Low Voltage Remote Control Switching Relays.
From www.ebay.com
General Electric GE RR7 Relay Remote Control Switching Low Voltage What Type Of Coil Arrangements Should Be In Low Voltage Remote Control Switching Relays When the “on” coil of the relay is energized, the solenoid. Use the same color for the dc positive and common lead throughout. If low voltage and high voltage cables must be placed in _____, they should be separated by at least 6 inches. While a contactor is generally used to switch power circuits or high current loads, relays are. What Type Of Coil Arrangements Should Be In Low Voltage Remote Control Switching Relays.
From www.kyleswitchplates.com
Remcon Relays Low Voltage Remote Control R115S Relay Switches What Type Of Coil Arrangements Should Be In Low Voltage Remote Control Switching Relays While a contactor is generally used to switch power circuits or high current loads, relays are used to amplify the contact capability in low. Use the same color for the dc positive and common lead throughout. When the “on” coil of the relay is energized, the solenoid. If low voltage and high voltage cables must be placed in _____, they. What Type Of Coil Arrangements Should Be In Low Voltage Remote Control Switching Relays.
From www.kyleswitchplates.com
GE RR7 Low Voltage Remote Control Relay Switch RR7P3 What Type Of Coil Arrangements Should Be In Low Voltage Remote Control Switching Relays When the “on” coil of the relay is energized, the solenoid. Use the same color for the dc positive and common lead throughout. If a low voltage and high voltage cables must be placed in parallel runs, they should be separated by at least 6 in order to protect low volt. While a contactor is generally used to switch power. What Type Of Coil Arrangements Should Be In Low Voltage Remote Control Switching Relays.
From www.kyleswitchplates.com
GE Low Voltage Switch & Relay Wiring Instruction Guide What Type Of Coil Arrangements Should Be In Low Voltage Remote Control Switching Relays If a low voltage and high voltage cables must be placed in parallel runs, they should be separated by at least 6 in order to protect low volt. If low voltage and high voltage cables must be placed in _____, they should be separated by at least 6 inches. Use the same color for the dc positive and common lead. What Type Of Coil Arrangements Should Be In Low Voltage Remote Control Switching Relays.
From www.kyleswitchplates.com
GE RR9 Low Voltage Pilot Light Remote Control Relay Switch RR9BPB What Type Of Coil Arrangements Should Be In Low Voltage Remote Control Switching Relays While a contactor is generally used to switch power circuits or high current loads, relays are used to amplify the contact capability in low. Use the same color for the dc positive and common lead throughout. When the “on” coil of the relay is energized, the solenoid. If low voltage and high voltage cables must be placed in _____, they. What Type Of Coil Arrangements Should Be In Low Voltage Remote Control Switching Relays.
From www.kyleswitchplates.com
GE Low Voltage Relays, Remote Control Relay Switches, Transformers What Type Of Coil Arrangements Should Be In Low Voltage Remote Control Switching Relays If a low voltage and high voltage cables must be placed in parallel runs, they should be separated by at least 6 in order to protect low volt. Use the same color for the dc positive and common lead throughout. If low voltage and high voltage cables must be placed in _____, they should be separated by at least 6. What Type Of Coil Arrangements Should Be In Low Voltage Remote Control Switching Relays.
From www.kyleswitchplates.com
Remcon Relays Low Voltage Remote Control R115S Relay Switches What Type Of Coil Arrangements Should Be In Low Voltage Remote Control Switching Relays If a low voltage and high voltage cables must be placed in parallel runs, they should be separated by at least 6 in order to protect low volt. While a contactor is generally used to switch power circuits or high current loads, relays are used to amplify the contact capability in low. Use the same color for the dc positive. What Type Of Coil Arrangements Should Be In Low Voltage Remote Control Switching Relays.
From control.com
Interposing Relays in PLCs Relay Control Systems Textbook What Type Of Coil Arrangements Should Be In Low Voltage Remote Control Switching Relays If a low voltage and high voltage cables must be placed in parallel runs, they should be separated by at least 6 in order to protect low volt. When the “on” coil of the relay is energized, the solenoid. While a contactor is generally used to switch power circuits or high current loads, relays are used to amplify the contact. What Type Of Coil Arrangements Should Be In Low Voltage Remote Control Switching Relays.
From www.kyleswitchplates.com
GE Low Voltage Light Switch & Relay Wiring Guide Download What Type Of Coil Arrangements Should Be In Low Voltage Remote Control Switching Relays Use the same color for the dc positive and common lead throughout. If low voltage and high voltage cables must be placed in _____, they should be separated by at least 6 inches. While a contactor is generally used to switch power circuits or high current loads, relays are used to amplify the contact capability in low. When the “on”. What Type Of Coil Arrangements Should Be In Low Voltage Remote Control Switching Relays.
From www.kyleswitchplates.com
GE Low Voltage Remote Control Relay with 3 Pin Plug RR7P3 What Type Of Coil Arrangements Should Be In Low Voltage Remote Control Switching Relays If a low voltage and high voltage cables must be placed in parallel runs, they should be separated by at least 6 in order to protect low volt. Use the same color for the dc positive and common lead throughout. If low voltage and high voltage cables must be placed in _____, they should be separated by at least 6. What Type Of Coil Arrangements Should Be In Low Voltage Remote Control Switching Relays.
From www.electricaltechnology.org
Switch & Types of Switches Electromechanical & Electronic What Type Of Coil Arrangements Should Be In Low Voltage Remote Control Switching Relays If a low voltage and high voltage cables must be placed in parallel runs, they should be separated by at least 6 in order to protect low volt. When the “on” coil of the relay is energized, the solenoid. If low voltage and high voltage cables must be placed in _____, they should be separated by at least 6 inches.. What Type Of Coil Arrangements Should Be In Low Voltage Remote Control Switching Relays.
From wiremystique.com
Relay Wiring Diagram 5 Simple Steps WireMystique What Type Of Coil Arrangements Should Be In Low Voltage Remote Control Switching Relays When the “on” coil of the relay is energized, the solenoid. If low voltage and high voltage cables must be placed in _____, they should be separated by at least 6 inches. While a contactor is generally used to switch power circuits or high current loads, relays are used to amplify the contact capability in low. Use the same color. What Type Of Coil Arrangements Should Be In Low Voltage Remote Control Switching Relays.
From www.kyleswitchplates.com
GE Low Voltage Relays, Remote Control Relay Switches, Transformers What Type Of Coil Arrangements Should Be In Low Voltage Remote Control Switching Relays If low voltage and high voltage cables must be placed in _____, they should be separated by at least 6 inches. When the “on” coil of the relay is energized, the solenoid. While a contactor is generally used to switch power circuits or high current loads, relays are used to amplify the contact capability in low. If a low voltage. What Type Of Coil Arrangements Should Be In Low Voltage Remote Control Switching Relays.
From www.kyleswitchplates.com
GE Low Voltage Remote Control Relays with Quick Disconnect Terminals What Type Of Coil Arrangements Should Be In Low Voltage Remote Control Switching Relays If low voltage and high voltage cables must be placed in _____, they should be separated by at least 6 inches. If a low voltage and high voltage cables must be placed in parallel runs, they should be separated by at least 6 in order to protect low volt. When the “on” coil of the relay is energized, the solenoid.. What Type Of Coil Arrangements Should Be In Low Voltage Remote Control Switching Relays.
From www.pinterest.com
GE RR7 Low Voltage Remote Control Relay Switch RR7PBP Three way What Type Of Coil Arrangements Should Be In Low Voltage Remote Control Switching Relays While a contactor is generally used to switch power circuits or high current loads, relays are used to amplify the contact capability in low. If low voltage and high voltage cables must be placed in _____, they should be separated by at least 6 inches. If a low voltage and high voltage cables must be placed in parallel runs, they. What Type Of Coil Arrangements Should Be In Low Voltage Remote Control Switching Relays.
From www.ebay.com
GE REMOTE CONTROL SWITCHING RR7 Relay coil 2030 VAC eBay What Type Of Coil Arrangements Should Be In Low Voltage Remote Control Switching Relays While a contactor is generally used to switch power circuits or high current loads, relays are used to amplify the contact capability in low. When the “on” coil of the relay is energized, the solenoid. If low voltage and high voltage cables must be placed in _____, they should be separated by at least 6 inches. Use the same color. What Type Of Coil Arrangements Should Be In Low Voltage Remote Control Switching Relays.
From www.galesburgelectric.com
GE RR7P 20A SPST Low Voltage Relay What Type Of Coil Arrangements Should Be In Low Voltage Remote Control Switching Relays If low voltage and high voltage cables must be placed in _____, they should be separated by at least 6 inches. When the “on” coil of the relay is energized, the solenoid. Use the same color for the dc positive and common lead throughout. While a contactor is generally used to switch power circuits or high current loads, relays are. What Type Of Coil Arrangements Should Be In Low Voltage Remote Control Switching Relays.
From userdblea.z19.web.core.windows.net
Wiring Low Voltage Transformer What Type Of Coil Arrangements Should Be In Low Voltage Remote Control Switching Relays Use the same color for the dc positive and common lead throughout. When the “on” coil of the relay is energized, the solenoid. If a low voltage and high voltage cables must be placed in parallel runs, they should be separated by at least 6 in order to protect low volt. If low voltage and high voltage cables must be. What Type Of Coil Arrangements Should Be In Low Voltage Remote Control Switching Relays.
From www.galesburgelectric.com
GE RR9PBP Low Voltage Remote Control Pilot Light Relay with 5 Pin Plug What Type Of Coil Arrangements Should Be In Low Voltage Remote Control Switching Relays When the “on” coil of the relay is energized, the solenoid. While a contactor is generally used to switch power circuits or high current loads, relays are used to amplify the contact capability in low. Use the same color for the dc positive and common lead throughout. If a low voltage and high voltage cables must be placed in parallel. What Type Of Coil Arrangements Should Be In Low Voltage Remote Control Switching Relays.
From www.kyleswitchplates.com
Remcon Relays Low Voltage Remote Control R115S Relay Switches What Type Of Coil Arrangements Should Be In Low Voltage Remote Control Switching Relays While a contactor is generally used to switch power circuits or high current loads, relays are used to amplify the contact capability in low. If a low voltage and high voltage cables must be placed in parallel runs, they should be separated by at least 6 in order to protect low volt. If low voltage and high voltage cables must. What Type Of Coil Arrangements Should Be In Low Voltage Remote Control Switching Relays.
From stewart-switch.com
Low Voltage Wiring Basics What Type Of Coil Arrangements Should Be In Low Voltage Remote Control Switching Relays If a low voltage and high voltage cables must be placed in parallel runs, they should be separated by at least 6 in order to protect low volt. When the “on” coil of the relay is energized, the solenoid. If low voltage and high voltage cables must be placed in _____, they should be separated by at least 6 inches.. What Type Of Coil Arrangements Should Be In Low Voltage Remote Control Switching Relays.
From www.youtube.com
How Relays Work Basic working principle electronics engineering What Type Of Coil Arrangements Should Be In Low Voltage Remote Control Switching Relays When the “on” coil of the relay is energized, the solenoid. Use the same color for the dc positive and common lead throughout. While a contactor is generally used to switch power circuits or high current loads, relays are used to amplify the contact capability in low. If a low voltage and high voltage cables must be placed in parallel. What Type Of Coil Arrangements Should Be In Low Voltage Remote Control Switching Relays.
From www.kyleswitchplates.com
Remcon Relays Low Voltage Remote Control R115S Relay Switches What Type Of Coil Arrangements Should Be In Low Voltage Remote Control Switching Relays Use the same color for the dc positive and common lead throughout. If a low voltage and high voltage cables must be placed in parallel runs, they should be separated by at least 6 in order to protect low volt. While a contactor is generally used to switch power circuits or high current loads, relays are used to amplify the. What Type Of Coil Arrangements Should Be In Low Voltage Remote Control Switching Relays.
From guidepartlogician.z13.web.core.windows.net
Low Voltage Relay Module What Type Of Coil Arrangements Should Be In Low Voltage Remote Control Switching Relays While a contactor is generally used to switch power circuits or high current loads, relays are used to amplify the contact capability in low. If a low voltage and high voltage cables must be placed in parallel runs, they should be separated by at least 6 in order to protect low volt. When the “on” coil of the relay is. What Type Of Coil Arrangements Should Be In Low Voltage Remote Control Switching Relays.
From www.ebay.com
NEW GE Remote Control Switching RR7 Relay Coil 2030 VAC eBay What Type Of Coil Arrangements Should Be In Low Voltage Remote Control Switching Relays If low voltage and high voltage cables must be placed in _____, they should be separated by at least 6 inches. Use the same color for the dc positive and common lead throughout. While a contactor is generally used to switch power circuits or high current loads, relays are used to amplify the contact capability in low. If a low. What Type Of Coil Arrangements Should Be In Low Voltage Remote Control Switching Relays.
From studylib.net
Remote Control Low Voltage Switching What Type Of Coil Arrangements Should Be In Low Voltage Remote Control Switching Relays If low voltage and high voltage cables must be placed in _____, they should be separated by at least 6 inches. While a contactor is generally used to switch power circuits or high current loads, relays are used to amplify the contact capability in low. If a low voltage and high voltage cables must be placed in parallel runs, they. What Type Of Coil Arrangements Should Be In Low Voltage Remote Control Switching Relays.