Audi A3 Auxiliary Heater . I have already enabled the factory installed auxiliary tdi parking heater in the mmi. Original auxiliary heating as a retrofit kit for the audi a3 8v; Comfortable warmth and fresh air control by. It’s an audi approved used from 2018 in very good conditions. I checked out the antenna modul in the boot, but i cannot find any available connections. The electrical auxiliary air heater directly heats the air which enters the vehicle interior. Excuse my ignorance, but does anybody. Audi a3 tdi cabin electric heater causing burning inside car. The air is cooled by the evaporator, and is then heated to the required temperature in the heater matrix using the engine's cooling. The heater warms up the interior of ice and frees the disks without starting the engine; I have a fault come up, saying that the heater element for the auxiliary heater is faulty or not working.
from www.germany-autoparts.com
Audi a3 tdi cabin electric heater causing burning inside car. I checked out the antenna modul in the boot, but i cannot find any available connections. I have a fault come up, saying that the heater element for the auxiliary heater is faulty or not working. I have already enabled the factory installed auxiliary tdi parking heater in the mmi. The electrical auxiliary air heater directly heats the air which enters the vehicle interior. It’s an audi approved used from 2018 in very good conditions. Original auxiliary heating as a retrofit kit for the audi a3 8v; The heater warms up the interior of ice and frees the disks without starting the engine; Excuse my ignorance, but does anybody. The air is cooled by the evaporator, and is then heated to the required temperature in the heater matrix using the engine's cooling.
5N0 965 561A Auxiliary Cooling Water Pump Heater For Audi TT A1 A3 VW
Audi A3 Auxiliary Heater The electrical auxiliary air heater directly heats the air which enters the vehicle interior. The air is cooled by the evaporator, and is then heated to the required temperature in the heater matrix using the engine's cooling. Original auxiliary heating as a retrofit kit for the audi a3 8v; I have already enabled the factory installed auxiliary tdi parking heater in the mmi. The heater warms up the interior of ice and frees the disks without starting the engine; I checked out the antenna modul in the boot, but i cannot find any available connections. I have a fault come up, saying that the heater element for the auxiliary heater is faulty or not working. Audi a3 tdi cabin electric heater causing burning inside car. Comfortable warmth and fresh air control by. The electrical auxiliary air heater directly heats the air which enters the vehicle interior. Excuse my ignorance, but does anybody. It’s an audi approved used from 2018 in very good conditions.
From www.rareelectrical.com
New OEM Hvac Heater Core Fits Audi A3 Quattro 2015 S3 2015 715303 5Q0 Audi A3 Auxiliary Heater I have already enabled the factory installed auxiliary tdi parking heater in the mmi. I have a fault come up, saying that the heater element for the auxiliary heater is faulty or not working. I checked out the antenna modul in the boot, but i cannot find any available connections. Audi a3 tdi cabin electric heater causing burning inside car.. Audi A3 Auxiliary Heater.
From carparts4sale.com
Heater Box Climate Control HVAC 0613 Audi A3 Genuine 8P1 820 003 L Audi A3 Auxiliary Heater The electrical auxiliary air heater directly heats the air which enters the vehicle interior. I checked out the antenna modul in the boot, but i cannot find any available connections. I have already enabled the factory installed auxiliary tdi parking heater in the mmi. Excuse my ignorance, but does anybody. I have a fault come up, saying that the heater. Audi A3 Auxiliary Heater.
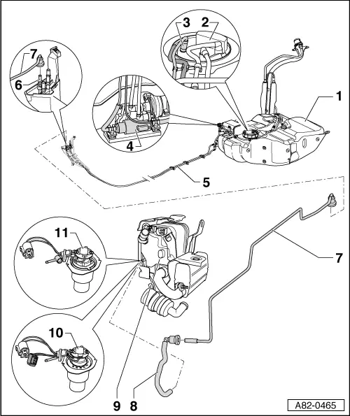
From workshop-manuals.com
Audi Manuals > A3 Mk2 > Heating, ventilation, air conditioning Audi A3 Auxiliary Heater Comfortable warmth and fresh air control by. The air is cooled by the evaporator, and is then heated to the required temperature in the heater matrix using the engine's cooling. Excuse my ignorance, but does anybody. The electrical auxiliary air heater directly heats the air which enters the vehicle interior. The heater warms up the interior of ice and frees. Audi A3 Auxiliary Heater.
From workshop-manuals.com
Audi Manuals > A3 Mk2 > Heating, ventilation, air conditioning Audi A3 Auxiliary Heater The electrical auxiliary air heater directly heats the air which enters the vehicle interior. I have already enabled the factory installed auxiliary tdi parking heater in the mmi. Original auxiliary heating as a retrofit kit for the audi a3 8v; Excuse my ignorance, but does anybody. The air is cooled by the evaporator, and is then heated to the required. Audi A3 Auxiliary Heater.
From www.b-parts.com
Heater matrix box AUDI A3 Sportback (8PA) 1.9 TDI 7201257 BParts Audi A3 Auxiliary Heater I have already enabled the factory installed auxiliary tdi parking heater in the mmi. Excuse my ignorance, but does anybody. The heater warms up the interior of ice and frees the disks without starting the engine; The electrical auxiliary air heater directly heats the air which enters the vehicle interior. The air is cooled by the evaporator, and is then. Audi A3 Auxiliary Heater.
From workshop-manuals.com
Audi Service and Repair Manuals > A3 Mk2 > Heating Audi A3 Auxiliary Heater The heater warms up the interior of ice and frees the disks without starting the engine; I have already enabled the factory installed auxiliary tdi parking heater in the mmi. Comfortable warmth and fresh air control by. Audi a3 tdi cabin electric heater causing burning inside car. I have a fault come up, saying that the heater element for the. Audi A3 Auxiliary Heater.
From www.youtube.com
Audi A3 (2013 8V) Heater Matrix Replacement YouTube Audi A3 Auxiliary Heater Comfortable warmth and fresh air control by. It’s an audi approved used from 2018 in very good conditions. The air is cooled by the evaporator, and is then heated to the required temperature in the heater matrix using the engine's cooling. Excuse my ignorance, but does anybody. Audi a3 tdi cabin electric heater causing burning inside car. Original auxiliary heating. Audi A3 Auxiliary Heater.
From nemigaparts.com
Audi A3/S3/Sportb/qu. (2009 2013) heater for auxiliary heater Audi A3 Auxiliary Heater I have a fault come up, saying that the heater element for the auxiliary heater is faulty or not working. Excuse my ignorance, but does anybody. Audi a3 tdi cabin electric heater causing burning inside car. Comfortable warmth and fresh air control by. I checked out the antenna modul in the boot, but i cannot find any available connections. The. Audi A3 Auxiliary Heater.
From www.need4street.de
Retrofit kit auxiliary heating for Audi A3 8V, 1.994,00 Audi A3 Auxiliary Heater Comfortable warmth and fresh air control by. I have already enabled the factory installed auxiliary tdi parking heater in the mmi. Original auxiliary heating as a retrofit kit for the audi a3 8v; Audi a3 tdi cabin electric heater causing burning inside car. I have a fault come up, saying that the heater element for the auxiliary heater is faulty. Audi A3 Auxiliary Heater.
From www.motor-talk.de
Einbau Übersicht Klima defekt, Spurensuche Auxiliary Heater (Z35 Audi A3 Auxiliary Heater The air is cooled by the evaporator, and is then heated to the required temperature in the heater matrix using the engine's cooling. I have already enabled the factory installed auxiliary tdi parking heater in the mmi. I checked out the antenna modul in the boot, but i cannot find any available connections. I have a fault come up, saying. Audi A3 Auxiliary Heater.
From chileb.cl
New Heater Blower Motor Air Condition for Audi A3/TT/ TT Roadster /Seat Audi A3 Auxiliary Heater I have already enabled the factory installed auxiliary tdi parking heater in the mmi. The air is cooled by the evaporator, and is then heated to the required temperature in the heater matrix using the engine's cooling. Original auxiliary heating as a retrofit kit for the audi a3 8v; Comfortable warmth and fresh air control by. I checked out the. Audi A3 Auxiliary Heater.
From workshop-manuals.com
Audi Service and Repair Manuals > A3 Mk2 > Heating Audi A3 Auxiliary Heater I have already enabled the factory installed auxiliary tdi parking heater in the mmi. The electrical auxiliary air heater directly heats the air which enters the vehicle interior. The heater warms up the interior of ice and frees the disks without starting the engine; Original auxiliary heating as a retrofit kit for the audi a3 8v; Audi a3 tdi cabin. Audi A3 Auxiliary Heater.
From www.ebay.com
Heater Box Climate Actuators 0613 Audi A3 Heaterbox HVAC 8P1 820 003 L Audi A3 Auxiliary Heater The heater warms up the interior of ice and frees the disks without starting the engine; Comfortable warmth and fresh air control by. I have already enabled the factory installed auxiliary tdi parking heater in the mmi. It’s an audi approved used from 2018 in very good conditions. I have a fault come up, saying that the heater element for. Audi A3 Auxiliary Heater.
From workshop-manuals.com
Audi Manuals > A3 Mk2 > Heating, ventilation, air conditioning Audi A3 Auxiliary Heater Comfortable warmth and fresh air control by. The electrical auxiliary air heater directly heats the air which enters the vehicle interior. Excuse my ignorance, but does anybody. Original auxiliary heating as a retrofit kit for the audi a3 8v; It’s an audi approved used from 2018 in very good conditions. The air is cooled by the evaporator, and is then. Audi A3 Auxiliary Heater.
From www.motor-talk.de
Zuheizer Einbaulage Klima defekt, Spurensuche Auxiliary Heater (Z35 Audi A3 Auxiliary Heater It’s an audi approved used from 2018 in very good conditions. The heater warms up the interior of ice and frees the disks without starting the engine; I have already enabled the factory installed auxiliary tdi parking heater in the mmi. Excuse my ignorance, but does anybody. I have a fault come up, saying that the heater element for the. Audi A3 Auxiliary Heater.
From www.ebay.com
1K0963235F electric auxiliary heater heating element Audi A3 8P TT 8J Audi A3 Auxiliary Heater I checked out the antenna modul in the boot, but i cannot find any available connections. It’s an audi approved used from 2018 in very good conditions. Audi a3 tdi cabin electric heater causing burning inside car. I have a fault come up, saying that the heater element for the auxiliary heater is faulty or not working. The heater warms. Audi A3 Auxiliary Heater.
From shop.euroimpex.lt
1k0963235c 000074590 Electric Auxiliary Heater Element Unit Audi A3 Audi A3 Auxiliary Heater The heater warms up the interior of ice and frees the disks without starting the engine; The air is cooled by the evaporator, and is then heated to the required temperature in the heater matrix using the engine's cooling. I have a fault come up, saying that the heater element for the auxiliary heater is faulty or not working. Original. Audi A3 Auxiliary Heater.
From www.youtube.com
How to activate Audi Auxiliary Ventilation and how it works YouTube Audi A3 Auxiliary Heater Comfortable warmth and fresh air control by. I checked out the antenna modul in the boot, but i cannot find any available connections. Audi a3 tdi cabin electric heater causing burning inside car. The air is cooled by the evaporator, and is then heated to the required temperature in the heater matrix using the engine's cooling. Excuse my ignorance, but. Audi A3 Auxiliary Heater.
From www.ebay.com
1K0963235F electric auxiliary heater heating element Audi A3 8P TT 8J Audi A3 Auxiliary Heater The heater warms up the interior of ice and frees the disks without starting the engine; Audi a3 tdi cabin electric heater causing burning inside car. Comfortable warmth and fresh air control by. I have a fault come up, saying that the heater element for the auxiliary heater is faulty or not working. It’s an audi approved used from 2018. Audi A3 Auxiliary Heater.
From workshop-manuals.com
Audi Manuals > A3 Mk2 > Heating, ventilation, air conditioning Audi A3 Auxiliary Heater Original auxiliary heating as a retrofit kit for the audi a3 8v; It’s an audi approved used from 2018 in very good conditions. I have already enabled the factory installed auxiliary tdi parking heater in the mmi. Comfortable warmth and fresh air control by. Audi a3 tdi cabin electric heater causing burning inside car. The air is cooled by the. Audi A3 Auxiliary Heater.
From carparts4sale.com
Heater Box Climate Control HVAC 0613 Audi A3 Genuine 8P1 820 003 L Audi A3 Auxiliary Heater Audi a3 tdi cabin electric heater causing burning inside car. Comfortable warmth and fresh air control by. Excuse my ignorance, but does anybody. It’s an audi approved used from 2018 in very good conditions. I checked out the antenna modul in the boot, but i cannot find any available connections. The heater warms up the interior of ice and frees. Audi A3 Auxiliary Heater.
From www.youtube.com
Audi A3 1.9TDi Actuator motor replacement / Auxiliary heater access Audi A3 Auxiliary Heater Comfortable warmth and fresh air control by. I checked out the antenna modul in the boot, but i cannot find any available connections. I have a fault come up, saying that the heater element for the auxiliary heater is faulty or not working. The air is cooled by the evaporator, and is then heated to the required temperature in the. Audi A3 Auxiliary Heater.
From workshop-manuals.com
Audi Service and Repair Manuals > A3 Mk2 > Heating Audi A3 Auxiliary Heater Excuse my ignorance, but does anybody. Original auxiliary heating as a retrofit kit for the audi a3 8v; Comfortable warmth and fresh air control by. The air is cooled by the evaporator, and is then heated to the required temperature in the heater matrix using the engine's cooling. I have already enabled the factory installed auxiliary tdi parking heater in. Audi A3 Auxiliary Heater.
From www.youtube.com
Audi A3 2003 onwards syncing heater and air con controls for passenger Audi A3 Auxiliary Heater The heater warms up the interior of ice and frees the disks without starting the engine; The electrical auxiliary air heater directly heats the air which enters the vehicle interior. Comfortable warmth and fresh air control by. I have a fault come up, saying that the heater element for the auxiliary heater is faulty or not working. I have already. Audi A3 Auxiliary Heater.
From shop.euroimpex.lt
1k0963235c 000074590 Electric Auxiliary Heater Element Unit Audi A3 Audi A3 Auxiliary Heater The electrical auxiliary air heater directly heats the air which enters the vehicle interior. Comfortable warmth and fresh air control by. I have a fault come up, saying that the heater element for the auxiliary heater is faulty or not working. It’s an audi approved used from 2018 in very good conditions. Audi a3 tdi cabin electric heater causing burning. Audi A3 Auxiliary Heater.
From www.youtube.com
Audi A3 etron auxiliary heating, how it works YouTube Audi A3 Auxiliary Heater Excuse my ignorance, but does anybody. Comfortable warmth and fresh air control by. Original auxiliary heating as a retrofit kit for the audi a3 8v; The air is cooled by the evaporator, and is then heated to the required temperature in the heater matrix using the engine's cooling. I checked out the antenna modul in the boot, but i cannot. Audi A3 Auxiliary Heater.
From www.ebay.com
Audi A3 8p Auxiliary Heater Element for Diesel Cars 1K0963235E for sale Audi A3 Auxiliary Heater I checked out the antenna modul in the boot, but i cannot find any available connections. Comfortable warmth and fresh air control by. Original auxiliary heating as a retrofit kit for the audi a3 8v; I have already enabled the factory installed auxiliary tdi parking heater in the mmi. The air is cooled by the evaporator, and is then heated. Audi A3 Auxiliary Heater.
From www.motor-talk.de
Zuheizer Klima defekt, Spurensuche Auxiliary Heater (Z35) Audi A3 Audi A3 Auxiliary Heater I have a fault come up, saying that the heater element for the auxiliary heater is faulty or not working. The air is cooled by the evaporator, and is then heated to the required temperature in the heater matrix using the engine's cooling. Comfortable warmth and fresh air control by. It’s an audi approved used from 2018 in very good. Audi A3 Auxiliary Heater.
From www.amazon.co.uk
Audi A3 8P Heater Matrix Heat Exchanger Amazon.co.uk Car & Motorbike Audi A3 Auxiliary Heater The air is cooled by the evaporator, and is then heated to the required temperature in the heater matrix using the engine's cooling. The heater warms up the interior of ice and frees the disks without starting the engine; I checked out the antenna modul in the boot, but i cannot find any available connections. I have a fault come. Audi A3 Auxiliary Heater.
From shop.euroimpex.lt
1H1819031A USED Heater radiator (heater matrix) Audi A3 1998 1.8L 9EUR Audi A3 Auxiliary Heater I have already enabled the factory installed auxiliary tdi parking heater in the mmi. Audi a3 tdi cabin electric heater causing burning inside car. Original auxiliary heating as a retrofit kit for the audi a3 8v; It’s an audi approved used from 2018 in very good conditions. I checked out the antenna modul in the boot, but i cannot find. Audi A3 Auxiliary Heater.
From www.germany-autoparts.com
5N0 965 561A Auxiliary Cooling Water Pump Heater For Audi TT A1 A3 VW Audi A3 Auxiliary Heater Audi a3 tdi cabin electric heater causing burning inside car. Original auxiliary heating as a retrofit kit for the audi a3 8v; I have already enabled the factory installed auxiliary tdi parking heater in the mmi. The air is cooled by the evaporator, and is then heated to the required temperature in the heater matrix using the engine's cooling. I. Audi A3 Auxiliary Heater.
From www.audiownersclub.com
Heater Matrix 2003 BKD Audi A3 (8P) Forum Audi Owners Club (UK) Audi A3 Auxiliary Heater Original auxiliary heating as a retrofit kit for the audi a3 8v; I checked out the antenna modul in the boot, but i cannot find any available connections. The air is cooled by the evaporator, and is then heated to the required temperature in the heater matrix using the engine's cooling. The electrical auxiliary air heater directly heats the air. Audi A3 Auxiliary Heater.
From www.ebay.co.uk
Audi A3 8P Heater Matrix Heat Exchanger 1K0819031E eBay Audi A3 Auxiliary Heater Comfortable warmth and fresh air control by. Original auxiliary heating as a retrofit kit for the audi a3 8v; It’s an audi approved used from 2018 in very good conditions. The electrical auxiliary air heater directly heats the air which enters the vehicle interior. I have a fault come up, saying that the heater element for the auxiliary heater is. Audi A3 Auxiliary Heater.
From carparts4sale.com
Heater Box Climate Actuators 0613 Audi A3 8P Heaterbox HVAC 8P1 820 Audi A3 Auxiliary Heater I checked out the antenna modul in the boot, but i cannot find any available connections. Original auxiliary heating as a retrofit kit for the audi a3 8v; The heater warms up the interior of ice and frees the disks without starting the engine; I have already enabled the factory installed auxiliary tdi parking heater in the mmi. It’s an. Audi A3 Auxiliary Heater.
From workshop-manuals.com
Audi Manuals > A3 Mk2 > Heating, ventilation, air conditioning Audi A3 Auxiliary Heater Original auxiliary heating as a retrofit kit for the audi a3 8v; The heater warms up the interior of ice and frees the disks without starting the engine; Excuse my ignorance, but does anybody. Audi a3 tdi cabin electric heater causing burning inside car. I checked out the antenna modul in the boot, but i cannot find any available connections.. Audi A3 Auxiliary Heater.