Secondary Air Injection System Vw . Malfunction indicator light (mil) active; The secondary air injection system injects air into the exhaust to lower emissions. This system works the same in most volkswagen. The ecu also looks for current flow on those. When the secondary air injection system pumps extra air into the exhaust on a cold start, it serves two functions: The secondary air injection system's job on your vw 2.5 engine is to prevent excessive emissions. A bad component in this system is almost sure to set off a check. On a cold start, the secondary air pump should kick on to break down unburned fuel and heat up the catalytic converter. In this video we i show you how the secondary air injection system works. It breaks down unburned fuel and it heats the. Description and operation of secondary air systems on vw, audi, bmw, and porsche vehicles. The ecu switches the grounds for the secondary air intake valve (n112) and the secondary air injection pump relay (j299).
from www.carparts.com
A bad component in this system is almost sure to set off a check. It breaks down unburned fuel and it heats the. The secondary air injection system injects air into the exhaust to lower emissions. The secondary air injection system's job on your vw 2.5 engine is to prevent excessive emissions. On a cold start, the secondary air pump should kick on to break down unburned fuel and heat up the catalytic converter. The ecu switches the grounds for the secondary air intake valve (n112) and the secondary air injection pump relay (j299). When the secondary air injection system pumps extra air into the exhaust on a cold start, it serves two functions: Malfunction indicator light (mil) active; The ecu also looks for current flow on those. In this video we i show you how the secondary air injection system works.
P0491 Code Secondary Air Injection System Insufficient Flow Bank 1
Secondary Air Injection System Vw The secondary air injection system's job on your vw 2.5 engine is to prevent excessive emissions. A bad component in this system is almost sure to set off a check. Malfunction indicator light (mil) active; The secondary air injection system's job on your vw 2.5 engine is to prevent excessive emissions. This system works the same in most volkswagen. It breaks down unburned fuel and it heats the. The ecu switches the grounds for the secondary air intake valve (n112) and the secondary air injection pump relay (j299). The secondary air injection system injects air into the exhaust to lower emissions. Description and operation of secondary air systems on vw, audi, bmw, and porsche vehicles. On a cold start, the secondary air pump should kick on to break down unburned fuel and heat up the catalytic converter. When the secondary air injection system pumps extra air into the exhaust on a cold start, it serves two functions: In this video we i show you how the secondary air injection system works. The ecu also looks for current flow on those.
From parts.vw.com
2011 Volkswagen Jetta Secondary Air Injection Pump (Right) 07K131333A Secondary Air Injection System Vw When the secondary air injection system pumps extra air into the exhaust on a cold start, it serves two functions: A bad component in this system is almost sure to set off a check. The ecu switches the grounds for the secondary air intake valve (n112) and the secondary air injection pump relay (j299). The secondary air injection system injects. Secondary Air Injection System Vw.
From www.youtube.com
Volkswagen Jetta Secondary Air Injection Diagnosis Part 3 (Lock Carrier Secondary Air Injection System Vw This system works the same in most volkswagen. A bad component in this system is almost sure to set off a check. On a cold start, the secondary air pump should kick on to break down unburned fuel and heat up the catalytic converter. In this video we i show you how the secondary air injection system works. The secondary. Secondary Air Injection System Vw.
From www.jimellisvwparts.com
2021 Volkswagenvw Secondary Air Injection Pump Hose 06A131127M Jim Secondary Air Injection System Vw Malfunction indicator light (mil) active; Description and operation of secondary air systems on vw, audi, bmw, and porsche vehicles. It breaks down unburned fuel and it heats the. In this video we i show you how the secondary air injection system works. On a cold start, the secondary air pump should kick on to break down unburned fuel and heat. Secondary Air Injection System Vw.
From www.jimellisvwparts.com
2000 Volkswagenvw Golf 6MT 2.0L Secondary Air Injection Pump Hose Secondary Air Injection System Vw On a cold start, the secondary air pump should kick on to break down unburned fuel and heat up the catalytic converter. It breaks down unburned fuel and it heats the. A bad component in this system is almost sure to set off a check. The secondary air injection system's job on your vw 2.5 engine is to prevent excessive. Secondary Air Injection System Vw.
From www.vwvortex.com
Secondary Air Injection VW Vortex Volkswagen Forum Secondary Air Injection System Vw Malfunction indicator light (mil) active; A bad component in this system is almost sure to set off a check. The secondary air injection system injects air into the exhaust to lower emissions. The secondary air injection system's job on your vw 2.5 engine is to prevent excessive emissions. Description and operation of secondary air systems on vw, audi, bmw, and. Secondary Air Injection System Vw.
From www.youtube.com
Volkswagen Jetta Secondary Air Injection Diagnosis Part 11 (HiTech Secondary Air Injection System Vw A bad component in this system is almost sure to set off a check. Description and operation of secondary air systems on vw, audi, bmw, and porsche vehicles. When the secondary air injection system pumps extra air into the exhaust on a cold start, it serves two functions: On a cold start, the secondary air pump should kick on to. Secondary Air Injection System Vw.
From www.jimellisvwparts.com
Volkswagenvw New Beetle Convertible Diverter Valve. Secondary Air Secondary Air Injection System Vw When the secondary air injection system pumps extra air into the exhaust on a cold start, it serves two functions: The ecu switches the grounds for the secondary air intake valve (n112) and the secondary air injection pump relay (j299). In this video we i show you how the secondary air injection system works. The ecu also looks for current. Secondary Air Injection System Vw.
From www.ecstuning.com
Assembled By ECS 078906601MKT Secondary Air Injection System Secondary Air Injection System Vw A bad component in this system is almost sure to set off a check. The secondary air injection system injects air into the exhaust to lower emissions. The secondary air injection system's job on your vw 2.5 engine is to prevent excessive emissions. Malfunction indicator light (mil) active; In this video we i show you how the secondary air injection. Secondary Air Injection System Vw.
From parts.vw.com
Volkswagen Jetta Combination valve. Secondary air injection control Secondary Air Injection System Vw Description and operation of secondary air systems on vw, audi, bmw, and porsche vehicles. The secondary air injection system injects air into the exhaust to lower emissions. It breaks down unburned fuel and it heats the. On a cold start, the secondary air pump should kick on to break down unburned fuel and heat up the catalytic converter. The ecu. Secondary Air Injection System Vw.
From www.youtube.com
Volkswagen Jetta Secondary Air Injection Diagnosis Part 5 (Lock Carrier Secondary Air Injection System Vw The ecu switches the grounds for the secondary air intake valve (n112) and the secondary air injection pump relay (j299). This system works the same in most volkswagen. The secondary air injection system's job on your vw 2.5 engine is to prevent excessive emissions. Malfunction indicator light (mil) active; Description and operation of secondary air systems on vw, audi, bmw,. Secondary Air Injection System Vw.
From parts.vw.com
2018 Volkswagen Passat Secondary Air Injection Pump (Right Secondary Air Injection System Vw Description and operation of secondary air systems on vw, audi, bmw, and porsche vehicles. On a cold start, the secondary air pump should kick on to break down unburned fuel and heat up the catalytic converter. The ecu also looks for current flow on those. A bad component in this system is almost sure to set off a check. The. Secondary Air Injection System Vw.
From www.autohausaz.com
AAZ Preferred Plus 078906601M, 7411510 Secondary Air Injection Pump Secondary Air Injection System Vw It breaks down unburned fuel and it heats the. The secondary air injection system's job on your vw 2.5 engine is to prevent excessive emissions. In this video we i show you how the secondary air injection system works. The ecu switches the grounds for the secondary air intake valve (n112) and the secondary air injection pump relay (j299). Description. Secondary Air Injection System Vw.
From parts.vw.com
021959253B Secondary Air Injection Pump (Right) Genuine Volkswagen Part Secondary Air Injection System Vw The ecu also looks for current flow on those. The secondary air injection system injects air into the exhaust to lower emissions. The ecu switches the grounds for the secondary air intake valve (n112) and the secondary air injection pump relay (j299). This system works the same in most volkswagen. On a cold start, the secondary air pump should kick. Secondary Air Injection System Vw.
From www.youtube.com
VW 2.0l Air injection pump location YouTube Secondary Air Injection System Vw On a cold start, the secondary air pump should kick on to break down unburned fuel and heat up the catalytic converter. The ecu also looks for current flow on those. Malfunction indicator light (mil) active; It breaks down unburned fuel and it heats the. The secondary air injection system's job on your vw 2.5 engine is to prevent excessive. Secondary Air Injection System Vw.
From www.hella.com
Secondary air injection system faults & overview HELLA HELLA Secondary Air Injection System Vw The secondary air injection system's job on your vw 2.5 engine is to prevent excessive emissions. Description and operation of secondary air systems on vw, audi, bmw, and porsche vehicles. The ecu also looks for current flow on those. A bad component in this system is almost sure to set off a check. In this video we i show you. Secondary Air Injection System Vw.
From www.youtube.com
How to Replace Secondary Air Injection Exhaust Valve 19982010 Secondary Air Injection System Vw When the secondary air injection system pumps extra air into the exhaust on a cold start, it serves two functions: In this video we i show you how the secondary air injection system works. On a cold start, the secondary air pump should kick on to break down unburned fuel and heat up the catalytic converter. Description and operation of. Secondary Air Injection System Vw.
From www.youtube.com
Volkswagen Jetta Secondary Air Injection Diagnosis Part 4 (Lock Carrier Secondary Air Injection System Vw Description and operation of secondary air systems on vw, audi, bmw, and porsche vehicles. When the secondary air injection system pumps extra air into the exhaust on a cold start, it serves two functions: On a cold start, the secondary air pump should kick on to break down unburned fuel and heat up the catalytic converter. It breaks down unburned. Secondary Air Injection System Vw.
From www.jimellisvwparts.com
Volkswagenvw Jetta 2.5L 5 Cylinder Secondary Air Injection Pump Hose Secondary Air Injection System Vw The secondary air injection system injects air into the exhaust to lower emissions. In this video we i show you how the secondary air injection system works. This system works the same in most volkswagen. The ecu switches the grounds for the secondary air intake valve (n112) and the secondary air injection pump relay (j299). The secondary air injection system's. Secondary Air Injection System Vw.
From www.youtube.com
How to fix VW code P0491 Secondary Air Injection Low Flow YouTube Secondary Air Injection System Vw This system works the same in most volkswagen. In this video we i show you how the secondary air injection system works. A bad component in this system is almost sure to set off a check. The ecu also looks for current flow on those. Description and operation of secondary air systems on vw, audi, bmw, and porsche vehicles. The. Secondary Air Injection System Vw.
From www.carparts.com
P0491 Code Secondary Air Injection System Insufficient Flow Bank 1 Secondary Air Injection System Vw The secondary air injection system's job on your vw 2.5 engine is to prevent excessive emissions. When the secondary air injection system pumps extra air into the exhaust on a cold start, it serves two functions: Description and operation of secondary air systems on vw, audi, bmw, and porsche vehicles. The secondary air injection system injects air into the exhaust. Secondary Air Injection System Vw.
From www.youtube.com
Volkswagen Jetta Secondary Air Injection Diagnosis Part 9 (DIY Secondary Air Injection System Vw It breaks down unburned fuel and it heats the. A bad component in this system is almost sure to set off a check. On a cold start, the secondary air pump should kick on to break down unburned fuel and heat up the catalytic converter. In this video we i show you how the secondary air injection system works. This. Secondary Air Injection System Vw.
From automotivetechinfo.com
Secondary Air Injection Systems Another Chance to Burn Automotive Secondary Air Injection System Vw The ecu also looks for current flow on those. On a cold start, the secondary air pump should kick on to break down unburned fuel and heat up the catalytic converter. This system works the same in most volkswagen. The ecu switches the grounds for the secondary air intake valve (n112) and the secondary air injection pump relay (j299). A. Secondary Air Injection System Vw.
From blog.moddedeuros.com
What is Secondary Air Injection (SAI)? Modded Euros Blog Secondary Air Injection System Vw The secondary air injection system injects air into the exhaust to lower emissions. It breaks down unburned fuel and it heats the. Malfunction indicator light (mil) active; The secondary air injection system's job on your vw 2.5 engine is to prevent excessive emissions. On a cold start, the secondary air pump should kick on to break down unburned fuel and. Secondary Air Injection System Vw.
From www.jimellisvwparts.com
Volkswagen Passat CC Secondary Air Injection Pump Hose 1K0131128D Secondary Air Injection System Vw The ecu also looks for current flow on those. A bad component in this system is almost sure to set off a check. It breaks down unburned fuel and it heats the. The ecu switches the grounds for the secondary air intake valve (n112) and the secondary air injection pump relay (j299). On a cold start, the secondary air pump. Secondary Air Injection System Vw.
From www.yourmechanic.com
How to Replace a Secondary Air Injection Hose YourMechanic Advice Secondary Air Injection System Vw It breaks down unburned fuel and it heats the. In this video we i show you how the secondary air injection system works. The secondary air injection system injects air into the exhaust to lower emissions. A bad component in this system is almost sure to set off a check. This system works the same in most volkswagen. Malfunction indicator. Secondary Air Injection System Vw.
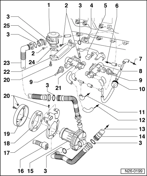
From workshop-manuals.com
Volkswagen Service and Repair Manuals > Golf Mk4 > Power unit Secondary Air Injection System Vw A bad component in this system is almost sure to set off a check. This system works the same in most volkswagen. The ecu also looks for current flow on those. The ecu switches the grounds for the secondary air intake valve (n112) and the secondary air injection pump relay (j299). Description and operation of secondary air systems on vw,. Secondary Air Injection System Vw.
From www.youtube.com
Volkswagen Jetta Secondary Air Injection Diagnosis Part 8 Secondary Air Injection System Vw A bad component in this system is almost sure to set off a check. The ecu switches the grounds for the secondary air intake valve (n112) and the secondary air injection pump relay (j299). It breaks down unburned fuel and it heats the. This system works the same in most volkswagen. When the secondary air injection system pumps extra air. Secondary Air Injection System Vw.
From www.youtube.com
VW 1.8T Secondary Air Injection Pump Replacement for Fault Code P0411 Secondary Air Injection System Vw A bad component in this system is almost sure to set off a check. When the secondary air injection system pumps extra air into the exhaust on a cold start, it serves two functions: In this video we i show you how the secondary air injection system works. It breaks down unburned fuel and it heats the. The ecu also. Secondary Air Injection System Vw.
From www.youtube.com
Principle of the Secondary Air System YouTube Secondary Air Injection System Vw The secondary air injection system injects air into the exhaust to lower emissions. Malfunction indicator light (mil) active; Description and operation of secondary air systems on vw, audi, bmw, and porsche vehicles. The secondary air injection system's job on your vw 2.5 engine is to prevent excessive emissions. In this video we i show you how the secondary air injection. Secondary Air Injection System Vw.
From parts.vw.com
2011 Volkswagen Jetta Secondary Air Injection Pump (Right) 07K131333A Secondary Air Injection System Vw Malfunction indicator light (mil) active; It breaks down unburned fuel and it heats the. The secondary air injection system's job on your vw 2.5 engine is to prevent excessive emissions. Description and operation of secondary air systems on vw, audi, bmw, and porsche vehicles. When the secondary air injection system pumps extra air into the exhaust on a cold start,. Secondary Air Injection System Vw.
From www.newbeetle.org
Secondary air pump VW Beetle Forum Secondary Air Injection System Vw The secondary air injection system's job on your vw 2.5 engine is to prevent excessive emissions. Malfunction indicator light (mil) active; The secondary air injection system injects air into the exhaust to lower emissions. The ecu also looks for current flow on those. On a cold start, the secondary air pump should kick on to break down unburned fuel and. Secondary Air Injection System Vw.
From workshop-manuals.com
Volkswagen Service and Repair Manuals > Golf Mk4 > Engine 5 Secondary Air Injection System Vw The ecu also looks for current flow on those. Description and operation of secondary air systems on vw, audi, bmw, and porsche vehicles. This system works the same in most volkswagen. When the secondary air injection system pumps extra air into the exhaust on a cold start, it serves two functions: It breaks down unburned fuel and it heats the.. Secondary Air Injection System Vw.
From www.youtube.com
Secondary Air Injection Systems on German Vehicles YouTube Secondary Air Injection System Vw It breaks down unburned fuel and it heats the. The ecu also looks for current flow on those. The secondary air injection system injects air into the exhaust to lower emissions. When the secondary air injection system pumps extra air into the exhaust on a cold start, it serves two functions: Description and operation of secondary air systems on vw,. Secondary Air Injection System Vw.
From blog.moddedeuros.com
What is Secondary Air Injection (SAI)? Modded Euros Blog Secondary Air Injection System Vw This system works the same in most volkswagen. The ecu switches the grounds for the secondary air intake valve (n112) and the secondary air injection pump relay (j299). Description and operation of secondary air systems on vw, audi, bmw, and porsche vehicles. On a cold start, the secondary air pump should kick on to break down unburned fuel and heat. Secondary Air Injection System Vw.
From parts.vw.com
191906283A Secondary Air Injection Solenoid Genuine Volkswagen Part Secondary Air Injection System Vw The ecu switches the grounds for the secondary air intake valve (n112) and the secondary air injection pump relay (j299). The secondary air injection system's job on your vw 2.5 engine is to prevent excessive emissions. On a cold start, the secondary air pump should kick on to break down unburned fuel and heat up the catalytic converter. The secondary. Secondary Air Injection System Vw.