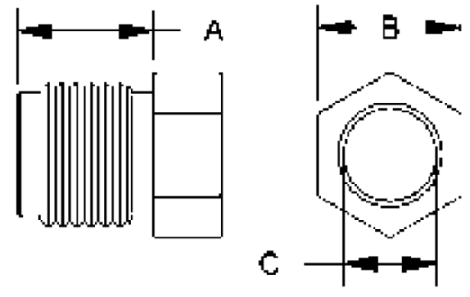
Brake Line Tube Nut Sizes . The metric sizes are measured in millimeters, while the imperial sizes are in inches. The two most common brake lines found are 3/16/4.75mm and 1/4. Jis metric double flare, as used in miatas and other. Referring back to the schematic, sae double flare uses a 45 degree angle: Once you know the type and diameter of your brake line, it’s time to identify the thread size. Part of that package will be intended to snake back to the rear axle. There are three main types of threads: Common sizes include 3/16″, 1/4″, and 3/8″. The dimensions of the tube seating, in regards to what size and length the appropriate tube nut threads will need to be. It is crucial to use the correct size brake line for optimal brake performance and safety. Unions are used to join lines together. Flare sizes, on the other hand, refer to the type of fitting used on the nut. Most brake lines are either 3/16 inch or 1/4 inch in diameter, but it’s always best to double check to ensure accuracy. Our brake line nut size chart breaks down the sizes into three categories: Learn how to find the right brake line fitting for your vehicle.
from autosuppliesdirect.net
The dimensions of the tube seating, in regards to what size and length the appropriate tube nut threads will need to be. Unions are used to join lines together. Part of that package will be intended to snake back to the rear axle. Find expert tips on choosing, installing, and maintaining brake line fittings for safe and. Our brake line nut size chart breaks down the sizes into three categories: Most brake lines are either 3/16 inch or 1/4 inch in diameter, but it’s always best to double check to ensure accuracy. Consult the vehicle’s manual or seek professional advice to determine the appropriate size for your specific vehicle. Jis metric double flare, as used in miatas and other. It is crucial to use the correct size brake line for optimal brake performance and safety. Once you know the type and diameter of your brake line, it’s time to identify the thread size.
Brake Line Tube Nuts For 3/16″ Tube Metric (M10 x 1.0 Thread, Bubble
Brake Line Tube Nut Sizes Our brake line nut size chart breaks down the sizes into three categories: Most brake lines are either 3/16 inch or 1/4 inch in diameter, but it’s always best to double check to ensure accuracy. Discover the flare types, line diameter, thread size, and count. There are three main types of threads: Jis metric double flare, as used in miatas and other. Our brake line nut size chart breaks down the sizes into three categories: Part of that package will be intended to snake back to the rear axle. Unions are used to join lines together. The dimensions of the tube seating, in regards to what size and length the appropriate tube nut threads will need to be. It is crucial to use the correct size brake line for optimal brake performance and safety. The metric sizes are measured in millimeters, while the imperial sizes are in inches. Once you know the type and diameter of your brake line, it’s time to identify the thread size. Flare sizes, on the other hand, refer to the type of fitting used on the nut. Learn how to find the right brake line fitting for your vehicle. The two most common brake lines found are 3/16/4.75mm and 1/4. Referring back to the schematic, sae double flare uses a 45 degree angle:
From www.walmart.com
4LIFETIMELINES 1/4" Brake Line Replacement Fitting Kit, Steel Tube Nuts Brake Line Tube Nut Sizes The metric sizes are measured in millimeters, while the imperial sizes are in inches. Find expert tips on choosing, installing, and maintaining brake line fittings for safe and. The dimensions of the tube seating, in regards to what size and length the appropriate tube nut threads will need to be. Flare sizes, on the other hand, refer to the type. Brake Line Tube Nut Sizes.
From www.ebay.com
Brake Line Tube Nut 3/16 (3/824 Bubble), Black Oxide Coated Steel eBay Brake Line Tube Nut Sizes Unions are used to join lines together. Part of that package will be intended to snake back to the rear axle. There are three main types of threads: The dimensions of the tube seating, in regards to what size and length the appropriate tube nut threads will need to be. Referring back to the schematic, sae double flare uses a. Brake Line Tube Nut Sizes.
From autosuppliesdirect.net
Brake Line Tube Nuts For 3/16″ Tube (3/8″ 24 Long Thread, Inverted Brake Line Tube Nut Sizes Unions are used to join lines together. Discover the flare types, line diameter, thread size, and count. Learn how to find the right brake line fitting for your vehicle. Common sizes include 3/16″, 1/4″, and 3/8″. The two most common brake lines found are 3/16/4.75mm and 1/4. Flare sizes, on the other hand, refer to the type of fitting used. Brake Line Tube Nut Sizes.
From www.fedhillusa.com
Identifying American thread brake nuts. Brake Line Tube Nut Sizes It is crucial to use the correct size brake line for optimal brake performance and safety. Jis metric double flare, as used in miatas and other. The dimensions of the tube seating, in regards to what size and length the appropriate tube nut threads will need to be. The two most common brake lines found are 3/16/4.75mm and 1/4. Discover. Brake Line Tube Nut Sizes.
From www.made-in-china.com
China Steel Brake Line Fittings Tube Nuts China Steel Tube Nut, Steel Brake Line Tube Nut Sizes Find expert tips on choosing, installing, and maintaining brake line fittings for safe and. The two most common brake lines found are 3/16/4.75mm and 1/4. Discover the flare types, line diameter, thread size, and count. Referring back to the schematic, sae double flare uses a 45 degree angle: Unions are used to join lines together. The dimensions of the tube. Brake Line Tube Nut Sizes.
From www.mfcp.com
Tube Nuts for Automotive Brake & Clutch Lines Brake Line Tube Nut Sizes Most brake lines are either 3/16 inch or 1/4 inch in diameter, but it’s always best to double check to ensure accuracy. Learn how to find the right brake line fitting for your vehicle. The metric sizes are measured in millimeters, while the imperial sizes are in inches. Jis metric double flare, as used in miatas and other. The two. Brake Line Tube Nut Sizes.
From www.thestopshop.com
Female 3/16" brake line tube nut (3/8"24) Pack of 4 Brake Line Tube Nut Sizes Consult the vehicle’s manual or seek professional advice to determine the appropriate size for your specific vehicle. Once you know the type and diameter of your brake line, it’s time to identify the thread size. Unions are used to join lines together. Find expert tips on choosing, installing, and maintaining brake line fittings for safe and. Our brake line nut. Brake Line Tube Nut Sizes.
From www.proflow.com.au
Brake Hard Line Tube Nut 10mm x 1.00mm Qty 2 Proflow Brake Line Tube Nut Sizes Consult the vehicle’s manual or seek professional advice to determine the appropriate size for your specific vehicle. Unions are used to join lines together. Learn how to find the right brake line fitting for your vehicle. Jis metric double flare, as used in miatas and other. It is crucial to use the correct size brake line for optimal brake performance. Brake Line Tube Nut Sizes.
From www.ebay.com
1/4" Brake Line Replacement Fitting Kit, Steel Tube Nuts, Pack of 16 eBay Brake Line Tube Nut Sizes Once you know the type and diameter of your brake line, it’s time to identify the thread size. Flare sizes, on the other hand, refer to the type of fitting used on the nut. Part of that package will be intended to snake back to the rear axle. It is crucial to use the correct size brake line for optimal. Brake Line Tube Nut Sizes.
From www.fedhillusa.com
How to measure the threads of brake line nuts without tools Brake Line Tube Nut Sizes It is crucial to use the correct size brake line for optimal brake performance and safety. Find expert tips on choosing, installing, and maintaining brake line fittings for safe and. The metric sizes are measured in millimeters, while the imperial sizes are in inches. Jis metric double flare, as used in miatas and other. Referring back to the schematic, sae. Brake Line Tube Nut Sizes.
From ricksfreeautorepairadvice.com
Brake line fitting sizes — Ricks Free Auto Repair Advice Ricks Free Brake Line Tube Nut Sizes Jis metric double flare, as used in miatas and other. The metric sizes are measured in millimeters, while the imperial sizes are in inches. Unions are used to join lines together. Common sizes include 3/16″, 1/4″, and 3/8″. Find expert tips on choosing, installing, and maintaining brake line fittings for safe and. Most brake lines are either 3/16 inch or. Brake Line Tube Nut Sizes.
From www.hemiperformance.com.au
Master Cylinder Brake Line Tube Nut 1/2'' BRAKE COMPONENTS Brake Line Tube Nut Sizes Unions are used to join lines together. It is crucial to use the correct size brake line for optimal brake performance and safety. Consult the vehicle’s manual or seek professional advice to determine the appropriate size for your specific vehicle. Discover the flare types, line diameter, thread size, and count. Our brake line nut size chart breaks down the sizes. Brake Line Tube Nut Sizes.
From www.walmart.com
4LIFETIMELINES Stainless Steel Brake Line Tube Nut, 3/16 (3/824 Brake Line Tube Nut Sizes The metric sizes are measured in millimeters, while the imperial sizes are in inches. There are three main types of threads: Referring back to the schematic, sae double flare uses a 45 degree angle: The dimensions of the tube seating, in regards to what size and length the appropriate tube nut threads will need to be. Once you know the. Brake Line Tube Nut Sizes.
From www.efisolutions.com.au
Brake Tube Nuts 3/824 To 4.76mm (3/16) Hardline Stainless Steel Brake Line Tube Nut Sizes Flare sizes, on the other hand, refer to the type of fitting used on the nut. There are three main types of threads: It is crucial to use the correct size brake line for optimal brake performance and safety. The dimensions of the tube seating, in regards to what size and length the appropriate tube nut threads will need to. Brake Line Tube Nut Sizes.
From www.bonanza.com
Generic SS7800 Metric Brake Line Nut 3/16 x M10 x 1.0 Inv. Tube Nut Brake Line Tube Nut Sizes There are three main types of threads: Our brake line nut size chart breaks down the sizes into three categories: Once you know the type and diameter of your brake line, it’s time to identify the thread size. Referring back to the schematic, sae double flare uses a 45 degree angle: The two most common brake lines found are 3/16/4.75mm. Brake Line Tube Nut Sizes.
From autosuppliesdirect.net
Brake Line Tube Nuts For 3/16″ Tube (3/8″ 24 Thread, Inverted Flare Brake Line Tube Nut Sizes The two most common brake lines found are 3/16/4.75mm and 1/4. Referring back to the schematic, sae double flare uses a 45 degree angle: Find expert tips on choosing, installing, and maintaining brake line fittings for safe and. It is crucial to use the correct size brake line for optimal brake performance and safety. The metric sizes are measured in. Brake Line Tube Nut Sizes.
From store.fedhillusa.com
brakelinesize Brake Line Tube Nut Sizes Find expert tips on choosing, installing, and maintaining brake line fittings for safe and. Unions are used to join lines together. Referring back to the schematic, sae double flare uses a 45 degree angle: Part of that package will be intended to snake back to the rear axle. It is crucial to use the correct size brake line for optimal. Brake Line Tube Nut Sizes.
From autosuppliesdirect.net
Brake Line Tube Nuts For 3/16″ Tube Metric (M10 x 1.0 Thread, Bubble Brake Line Tube Nut Sizes Part of that package will be intended to snake back to the rear axle. It is crucial to use the correct size brake line for optimal brake performance and safety. Jis metric double flare, as used in miatas and other. The two most common brake lines found are 3/16/4.75mm and 1/4. Once you know the type and diameter of your. Brake Line Tube Nut Sizes.
From www.spendlessautoparts.com
BLF10 3/16" Long Steel Tube Nuts 10 PACK Brake Line Tube Nut Sizes There are three main types of threads: Find expert tips on choosing, installing, and maintaining brake line fittings for safe and. Once you know the type and diameter of your brake line, it’s time to identify the thread size. Jis metric double flare, as used in miatas and other. The two most common brake lines found are 3/16/4.75mm and 1/4.. Brake Line Tube Nut Sizes.
From www.walmart.com
ASD Brake Line Tube Nuts For 1/4" Tube (1/2" 20 Thread, Inverted Brake Line Tube Nut Sizes The two most common brake lines found are 3/16/4.75mm and 1/4. Consult the vehicle’s manual or seek professional advice to determine the appropriate size for your specific vehicle. Discover the flare types, line diameter, thread size, and count. There are three main types of threads: Find expert tips on choosing, installing, and maintaining brake line fittings for safe and. Unions. Brake Line Tube Nut Sizes.
From autosuppliesdirect.net
Brake Line Tube Nuts For 3/16″ Tube (3/8″ 24 Thread, Inverted Flare Brake Line Tube Nut Sizes Unions are used to join lines together. It is crucial to use the correct size brake line for optimal brake performance and safety. The two most common brake lines found are 3/16/4.75mm and 1/4. The metric sizes are measured in millimeters, while the imperial sizes are in inches. Most brake lines are either 3/16 inch or 1/4 inch in diameter,. Brake Line Tube Nut Sizes.
From www.ebay.com
4LIFETIMELINES Stainless Steel Brake Line Tube Nut, 3/16 (M12x1.0 Brake Line Tube Nut Sizes Jis metric double flare, as used in miatas and other. There are three main types of threads: Common sizes include 3/16″, 1/4″, and 3/8″. Unions are used to join lines together. Find expert tips on choosing, installing, and maintaining brake line fittings for safe and. Discover the flare types, line diameter, thread size, and count. Learn how to find the. Brake Line Tube Nut Sizes.
From ricksfreeautorepairadvice.com
Brake line fitting sizes — Ricks Free Auto Repair Advice Ricks Free Brake Line Tube Nut Sizes Common sizes include 3/16″, 1/4″, and 3/8″. Jis metric double flare, as used in miatas and other. Consult the vehicle’s manual or seek professional advice to determine the appropriate size for your specific vehicle. The two most common brake lines found are 3/16/4.75mm and 1/4. Referring back to the schematic, sae double flare uses a 45 degree angle: Part of. Brake Line Tube Nut Sizes.
From ricksfreeautorepairadvice.com
Brake line fitting sizes — Ricks Free Auto Repair Advice Ricks Free Brake Line Tube Nut Sizes Discover the flare types, line diameter, thread size, and count. Once you know the type and diameter of your brake line, it’s time to identify the thread size. Consult the vehicle’s manual or seek professional advice to determine the appropriate size for your specific vehicle. Part of that package will be intended to snake back to the rear axle. The. Brake Line Tube Nut Sizes.
From www.ar15.com
Is there a painless reference for determining brake lines sizes Brake Line Tube Nut Sizes Jis metric double flare, as used in miatas and other. Referring back to the schematic, sae double flare uses a 45 degree angle: The two most common brake lines found are 3/16/4.75mm and 1/4. The dimensions of the tube seating, in regards to what size and length the appropriate tube nut threads will need to be. Our brake line nut. Brake Line Tube Nut Sizes.
From www.grainger.com
SUR&R Brake Line Nut For 3/16 in Tube OD, Inverted Flare, M101 Brake Line Tube Nut Sizes Flare sizes, on the other hand, refer to the type of fitting used on the nut. Learn how to find the right brake line fitting for your vehicle. Consult the vehicle’s manual or seek professional advice to determine the appropriate size for your specific vehicle. Unions are used to join lines together. Most brake lines are either 3/16 inch or. Brake Line Tube Nut Sizes.
From www.ebay.com
Stainless Steel Brake Line Fitting Kit 3/16" & 1/4" tube, Inverted Brake Line Tube Nut Sizes Jis metric double flare, as used in miatas and other. Part of that package will be intended to snake back to the rear axle. Referring back to the schematic, sae double flare uses a 45 degree angle: Most brake lines are either 3/16 inch or 1/4 inch in diameter, but it’s always best to double check to ensure accuracy. There. Brake Line Tube Nut Sizes.
From ricksfreeautorepairadvice.com
Brake line fitting sizes — Ricks Free Auto Repair Advice Ricks Free Brake Line Tube Nut Sizes The metric sizes are measured in millimeters, while the imperial sizes are in inches. Common sizes include 3/16″, 1/4″, and 3/8″. There are three main types of threads: Jis metric double flare, as used in miatas and other. Find expert tips on choosing, installing, and maintaining brake line fittings for safe and. Unions are used to join lines together. The. Brake Line Tube Nut Sizes.
From brakesline.com
Choosing the Right Brake Line Nut Size A Complete Chart for Easy Brake Line Tube Nut Sizes Flare sizes, on the other hand, refer to the type of fitting used on the nut. The two most common brake lines found are 3/16/4.75mm and 1/4. The dimensions of the tube seating, in regards to what size and length the appropriate tube nut threads will need to be. Discover the flare types, line diameter, thread size, and count. Our. Brake Line Tube Nut Sizes.
From autosuppliesdirect.net
Brake Line Tube Nuts For 3/16″ Tube Metric (M10 x 1.0 Thread, Bubble Brake Line Tube Nut Sizes There are three main types of threads: Referring back to the schematic, sae double flare uses a 45 degree angle: Once you know the type and diameter of your brake line, it’s time to identify the thread size. The metric sizes are measured in millimeters, while the imperial sizes are in inches. Common sizes include 3/16″, 1/4″, and 3/8″. Consult. Brake Line Tube Nut Sizes.
From autosuppliesdirect.net
Brake Line Tube Nuts For 3/16″ Tube (10MM 1.0 Japanese, Metric Invert Brake Line Tube Nut Sizes The metric sizes are measured in millimeters, while the imperial sizes are in inches. Flare sizes, on the other hand, refer to the type of fitting used on the nut. The two most common brake lines found are 3/16/4.75mm and 1/4. The dimensions of the tube seating, in regards to what size and length the appropriate tube nut threads will. Brake Line Tube Nut Sizes.
From autosuppliesdirect.net
Brake Line Tube Nuts For 1/4″ Tube (7/16″ 24 Thread, Inverted Flare Brake Line Tube Nut Sizes Common sizes include 3/16″, 1/4″, and 3/8″. Once you know the type and diameter of your brake line, it’s time to identify the thread size. Our brake line nut size chart breaks down the sizes into three categories: The metric sizes are measured in millimeters, while the imperial sizes are in inches. Most brake lines are either 3/16 inch or. Brake Line Tube Nut Sizes.
From www.jegs.com
Beginners Guide How To Flare A Brake Line JEGS Brake Line Tube Nut Sizes Part of that package will be intended to snake back to the rear axle. The metric sizes are measured in millimeters, while the imperial sizes are in inches. Discover the flare types, line diameter, thread size, and count. Common sizes include 3/16″, 1/4″, and 3/8″. It is crucial to use the correct size brake line for optimal brake performance and. Brake Line Tube Nut Sizes.
From autosuppliesdirect.net
Brake Line Tube Nuts For 1/4″ Tube (7/16″ 24 Thread, Inverted Flare Brake Line Tube Nut Sizes Unions are used to join lines together. Discover the flare types, line diameter, thread size, and count. Jis metric double flare, as used in miatas and other. Learn how to find the right brake line fitting for your vehicle. Once you know the type and diameter of your brake line, it’s time to identify the thread size. Find expert tips. Brake Line Tube Nut Sizes.
From www.ebay.com
4LIFETIMELINES Steel Tube Nut, 1/4 (7/1624 Inverted), 10/bag eBay Brake Line Tube Nut Sizes The two most common brake lines found are 3/16/4.75mm and 1/4. There are three main types of threads: Flare sizes, on the other hand, refer to the type of fitting used on the nut. Jis metric double flare, as used in miatas and other. The metric sizes are measured in millimeters, while the imperial sizes are in inches. The dimensions. Brake Line Tube Nut Sizes.