Oil Guard System . zoeller’s oil guard systems are engineered to recognize the difference between water and oil, these systems help. the revolutionary oil guard™ technology is an industries first solution offering extended oil maintenance intervals, faster oil. the revolutionary new oil guard system by vanguard allows. the oil guard system, exclusive to vanguard, extends oil maintenance intervals from 100hr to 500hr resulting in. Includes 4/10 hp pump, oil smart® pump switch, and alarm for. protect the environment from oil contamination with model 940 oil guard® system. introducing the oil guard system by vanguard ® increasing the oil change interval 5x from 100 hours to 500 hours means less time spent changing the oil.
from slideplayer.com
introducing the oil guard system by vanguard ® increasing the oil change interval 5x from 100 hours to 500 hours means less time spent changing the oil. the revolutionary new oil guard system by vanguard allows. Includes 4/10 hp pump, oil smart® pump switch, and alarm for. the revolutionary oil guard™ technology is an industries first solution offering extended oil maintenance intervals, faster oil. the oil guard system, exclusive to vanguard, extends oil maintenance intervals from 100hr to 500hr resulting in. zoeller’s oil guard systems are engineered to recognize the difference between water and oil, these systems help. protect the environment from oil contamination with model 940 oil guard® system.
SEVERE OIL LEAKAGE THROUGH BEARING PADESTAL ppt download
Oil Guard System the oil guard system, exclusive to vanguard, extends oil maintenance intervals from 100hr to 500hr resulting in. Includes 4/10 hp pump, oil smart® pump switch, and alarm for. the revolutionary oil guard™ technology is an industries first solution offering extended oil maintenance intervals, faster oil. zoeller’s oil guard systems are engineered to recognize the difference between water and oil, these systems help. protect the environment from oil contamination with model 940 oil guard® system. the revolutionary new oil guard system by vanguard allows. the oil guard system, exclusive to vanguard, extends oil maintenance intervals from 100hr to 500hr resulting in. introducing the oil guard system by vanguard ® increasing the oil change interval 5x from 100 hours to 500 hours means less time spent changing the oil.
From www.grainger.com
ZOELLER, Audio/Visual, Piggy Back Float Switch, Oil Guard System and Oil Guard System zoeller’s oil guard systems are engineered to recognize the difference between water and oil, these systems help. the oil guard system, exclusive to vanguard, extends oil maintenance intervals from 100hr to 500hr resulting in. Includes 4/10 hp pump, oil smart® pump switch, and alarm for. protect the environment from oil contamination with model 940 oil guard® system.. Oil Guard System.
From www.ncequipment.co.nz
Oil Filter Briggs Oil Guard System NC Equipment Oil Guard System introducing the oil guard system by vanguard ® increasing the oil change interval 5x from 100 hours to 500 hours means less time spent changing the oil. zoeller’s oil guard systems are engineered to recognize the difference between water and oil, these systems help. the revolutionary oil guard™ technology is an industries first solution offering extended oil. Oil Guard System.
From www.youtube.com
Vanguard® Oil Guard™ System Less Engine Maintenance. More Profit Oil Guard System the revolutionary new oil guard system by vanguard allows. protect the environment from oil contamination with model 940 oil guard® system. Includes 4/10 hp pump, oil smart® pump switch, and alarm for. zoeller’s oil guard systems are engineered to recognize the difference between water and oil, these systems help. introducing the oil guard system by vanguard. Oil Guard System.
From www.vanguardpower.com
Oil Guard™ Vanguard® Commercial Power Oil Guard System Includes 4/10 hp pump, oil smart® pump switch, and alarm for. protect the environment from oil contamination with model 940 oil guard® system. the revolutionary new oil guard system by vanguard allows. the oil guard system, exclusive to vanguard, extends oil maintenance intervals from 100hr to 500hr resulting in. zoeller’s oil guard systems are engineered to. Oil Guard System.
From www.afsupply.com
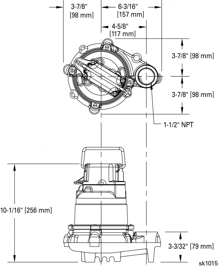
Zoeller 9400013 1/2 HP Oil Guard System Elevator Sump Pump AF Supply Oil Guard System zoeller’s oil guard systems are engineered to recognize the difference between water and oil, these systems help. introducing the oil guard system by vanguard ® increasing the oil change interval 5x from 100 hours to 500 hours means less time spent changing the oil. the oil guard system, exclusive to vanguard, extends oil maintenance intervals from 100hr. Oil Guard System.
From www.snapper.com
S200XT Snapper Oil Guard System the revolutionary oil guard™ technology is an industries first solution offering extended oil maintenance intervals, faster oil. zoeller’s oil guard systems are engineered to recognize the difference between water and oil, these systems help. the revolutionary new oil guard system by vanguard allows. the oil guard system, exclusive to vanguard, extends oil maintenance intervals from 100hr. Oil Guard System.
From www.youtube.com
Oilmen's Safety Rail System for Tankers Trailers Truck Tanks YouTube Oil Guard System Includes 4/10 hp pump, oil smart® pump switch, and alarm for. zoeller’s oil guard systems are engineered to recognize the difference between water and oil, these systems help. introducing the oil guard system by vanguard ® increasing the oil change interval 5x from 100 hours to 500 hours means less time spent changing the oil. the revolutionary. Oil Guard System.
From www.motorexoil.com.au
SYSTEM GUARD Motorex Oil Australia Oil Guard System zoeller’s oil guard systems are engineered to recognize the difference between water and oil, these systems help. introducing the oil guard system by vanguard ® increasing the oil change interval 5x from 100 hours to 500 hours means less time spent changing the oil. the revolutionary oil guard™ technology is an industries first solution offering extended oil. Oil Guard System.
From www.vanguardpower.com
Oil Guard™ Vanguard® Commercial Power Oil Guard System the oil guard system, exclusive to vanguard, extends oil maintenance intervals from 100hr to 500hr resulting in. the revolutionary oil guard™ technology is an industries first solution offering extended oil maintenance intervals, faster oil. Includes 4/10 hp pump, oil smart® pump switch, and alarm for. protect the environment from oil contamination with model 940 oil guard® system.. Oil Guard System.
From usermanual.wiki
17028 1 Zoeller Oil Guard System Brochure User Manual Oil Guard System the revolutionary new oil guard system by vanguard allows. zoeller’s oil guard systems are engineered to recognize the difference between water and oil, these systems help. Includes 4/10 hp pump, oil smart® pump switch, and alarm for. protect the environment from oil contamination with model 940 oil guard® system. the oil guard system, exclusive to vanguard,. Oil Guard System.
From www.ferrismowers.com
Vanguard Oil Guard™ Ferris Mowers Europe Oil Guard System the oil guard system, exclusive to vanguard, extends oil maintenance intervals from 100hr to 500hr resulting in. introducing the oil guard system by vanguard ® increasing the oil change interval 5x from 100 hours to 500 hours means less time spent changing the oil. the revolutionary new oil guard system by vanguard allows. the revolutionary oil. Oil Guard System.
From www.youtube.com
Briggs and Stratton Vanguard Oil Guard system Cutaway YouTube Oil Guard System the oil guard system, exclusive to vanguard, extends oil maintenance intervals from 100hr to 500hr resulting in. Includes 4/10 hp pump, oil smart® pump switch, and alarm for. the revolutionary oil guard™ technology is an industries first solution offering extended oil maintenance intervals, faster oil. introducing the oil guard system by vanguard ® increasing the oil change. Oil Guard System.
From www.prnewswire.com
Briggs & Stratton Introduces New Vanguard™ Oil Guard System Offering Oil Guard System the oil guard system, exclusive to vanguard, extends oil maintenance intervals from 100hr to 500hr resulting in. the revolutionary oil guard™ technology is an industries first solution offering extended oil maintenance intervals, faster oil. protect the environment from oil contamination with model 940 oil guard® system. zoeller’s oil guard systems are engineered to recognize the difference. Oil Guard System.
From www.youtube.com
Jim Cross of Briggs and Stratton Highlights Features of the Vanguard Oil Guard System the revolutionary new oil guard system by vanguard allows. Includes 4/10 hp pump, oil smart® pump switch, and alarm for. introducing the oil guard system by vanguard ® increasing the oil change interval 5x from 100 hours to 500 hours means less time spent changing the oil. the oil guard system, exclusive to vanguard, extends oil maintenance. Oil Guard System.
From rtmachinery.co.uk
Vanguard™ Oil Guard™ System at RT Machinery, United Kingdom Oil Guard System the revolutionary new oil guard system by vanguard allows. Includes 4/10 hp pump, oil smart® pump switch, and alarm for. the revolutionary oil guard™ technology is an industries first solution offering extended oil maintenance intervals, faster oil. introducing the oil guard system by vanguard ® increasing the oil change interval 5x from 100 hours to 500 hours. Oil Guard System.
From www.vanguardengines.com
Oil Guard™ Vanguard Engines Oil Guard System zoeller’s oil guard systems are engineered to recognize the difference between water and oil, these systems help. protect the environment from oil contamination with model 940 oil guard® system. Includes 4/10 hp pump, oil smart® pump switch, and alarm for. the oil guard system, exclusive to vanguard, extends oil maintenance intervals from 100hr to 500hr resulting in.. Oil Guard System.
From blog.iss-go.com
Vanguard Oil Guard System Interstate Supplies & Services Blog Oil Guard System the revolutionary new oil guard system by vanguard allows. zoeller’s oil guard systems are engineered to recognize the difference between water and oil, these systems help. introducing the oil guard system by vanguard ® increasing the oil change interval 5x from 100 hours to 500 hours means less time spent changing the oil. Includes 4/10 hp pump,. Oil Guard System.
From www.jackssmallengines.com
Briggs and Stratton 61E8770002J1 Parts Diagram for Oil Guard System Oil Guard System introducing the oil guard system by vanguard ® increasing the oil change interval 5x from 100 hours to 500 hours means less time spent changing the oil. Includes 4/10 hp pump, oil smart® pump switch, and alarm for. zoeller’s oil guard systems are engineered to recognize the difference between water and oil, these systems help. protect the. Oil Guard System.
From www.youtube.com
Ferris Vanguard Oil Guard System How to Change Oil YouTube Oil Guard System the revolutionary new oil guard system by vanguard allows. introducing the oil guard system by vanguard ® increasing the oil change interval 5x from 100 hours to 500 hours means less time spent changing the oil. Includes 4/10 hp pump, oil smart® pump switch, and alarm for. the oil guard system, exclusive to vanguard, extends oil maintenance. Oil Guard System.
From www.youtube.com
Introducing Oil Guard by Vanguard Engines Game Changing Innovation By Oil Guard System the revolutionary new oil guard system by vanguard allows. zoeller’s oil guard systems are engineered to recognize the difference between water and oil, these systems help. the oil guard system, exclusive to vanguard, extends oil maintenance intervals from 100hr to 500hr resulting in. protect the environment from oil contamination with model 940 oil guard® system. . Oil Guard System.
From 2020cadillac.com
Oil Guard® Systems Zoeller Pump Company Well Pump Control Box Oil Guard System protect the environment from oil contamination with model 940 oil guard® system. introducing the oil guard system by vanguard ® increasing the oil change interval 5x from 100 hours to 500 hours means less time spent changing the oil. zoeller’s oil guard systems are engineered to recognize the difference between water and oil, these systems help. . Oil Guard System.
From www.shantzfarmequip.com
Ferris ISX 3300 Shantz Farm Equipment Oil Guard System zoeller’s oil guard systems are engineered to recognize the difference between water and oil, these systems help. introducing the oil guard system by vanguard ® increasing the oil change interval 5x from 100 hours to 500 hours means less time spent changing the oil. the revolutionary oil guard™ technology is an industries first solution offering extended oil. Oil Guard System.
From blog.landscapeprofessionals.org
Innovation Done Right The Vanguard® Oil Guard™ System The Edge from Oil Guard System introducing the oil guard system by vanguard ® increasing the oil change interval 5x from 100 hours to 500 hours means less time spent changing the oil. zoeller’s oil guard systems are engineered to recognize the difference between water and oil, these systems help. protect the environment from oil contamination with model 940 oil guard® system. . Oil Guard System.
From www.vanguardengines.com
Oil Guard Vanguard Engines Oil Guard System Includes 4/10 hp pump, oil smart® pump switch, and alarm for. zoeller’s oil guard systems are engineered to recognize the difference between water and oil, these systems help. the oil guard system, exclusive to vanguard, extends oil maintenance intervals from 100hr to 500hr resulting in. the revolutionary oil guard™ technology is an industries first solution offering extended. Oil Guard System.
From blog.iss-go.com
Vanguard Oil Guard System Interstate Supplies & Services Blog Oil Guard System the revolutionary new oil guard system by vanguard allows. the revolutionary oil guard™ technology is an industries first solution offering extended oil maintenance intervals, faster oil. Includes 4/10 hp pump, oil smart® pump switch, and alarm for. the oil guard system, exclusive to vanguard, extends oil maintenance intervals from 100hr to 500hr resulting in. zoeller’s oil. Oil Guard System.
From www.vanguardpower.com
Oil Guard™ Vanguard® Commercial Power Oil Guard System the revolutionary oil guard™ technology is an industries first solution offering extended oil maintenance intervals, faster oil. the revolutionary new oil guard system by vanguard allows. zoeller’s oil guard systems are engineered to recognize the difference between water and oil, these systems help. the oil guard system, exclusive to vanguard, extends oil maintenance intervals from 100hr. Oil Guard System.
From www.powerequipmenttrade.com
Briggs & Stratton Vanguard Oil Guard System Power Equipment Trade Oil Guard System protect the environment from oil contamination with model 940 oil guard® system. Includes 4/10 hp pump, oil smart® pump switch, and alarm for. introducing the oil guard system by vanguard ® increasing the oil change interval 5x from 100 hours to 500 hours means less time spent changing the oil. zoeller’s oil guard systems are engineered to. Oil Guard System.
From www.tractorhouse.com
Vanguard’s Oil Guard System Finds A Home In Spartan Mowers’ SRT & RT Oil Guard System the revolutionary new oil guard system by vanguard allows. introducing the oil guard system by vanguard ® increasing the oil change interval 5x from 100 hours to 500 hours means less time spent changing the oil. the revolutionary oil guard™ technology is an industries first solution offering extended oil maintenance intervals, faster oil. Includes 4/10 hp pump,. Oil Guard System.
From carverengineering.com
Guardrail Systems Carver Engineering Services Steel Fabricating Oil Guard System zoeller’s oil guard systems are engineered to recognize the difference between water and oil, these systems help. the revolutionary new oil guard system by vanguard allows. introducing the oil guard system by vanguard ® increasing the oil change interval 5x from 100 hours to 500 hours means less time spent changing the oil. protect the environment. Oil Guard System.
From zoellerpumps.com
Model 9400008 Oil Guard® System Oil Guard System protect the environment from oil contamination with model 940 oil guard® system. zoeller’s oil guard systems are engineered to recognize the difference between water and oil, these systems help. the revolutionary new oil guard system by vanguard allows. introducing the oil guard system by vanguard ® increasing the oil change interval 5x from 100 hours to. Oil Guard System.
From slideplayer.com
SEVERE OIL LEAKAGE THROUGH BEARING PADESTAL ppt download Oil Guard System zoeller’s oil guard systems are engineered to recognize the difference between water and oil, these systems help. the revolutionary oil guard™ technology is an industries first solution offering extended oil maintenance intervals, faster oil. introducing the oil guard system by vanguard ® increasing the oil change interval 5x from 100 hours to 500 hours means less time. Oil Guard System.
From www.youtube.com
Oil Guard System by Vanguard YouTube Oil Guard System protect the environment from oil contamination with model 940 oil guard® system. the revolutionary new oil guard system by vanguard allows. introducing the oil guard system by vanguard ® increasing the oil change interval 5x from 100 hours to 500 hours means less time spent changing the oil. Includes 4/10 hp pump, oil smart® pump switch, and. Oil Guard System.
From www.youtube.com
Oil Guard System by Vanguard™ YouTube Oil Guard System the revolutionary oil guard™ technology is an industries first solution offering extended oil maintenance intervals, faster oil. the revolutionary new oil guard system by vanguard allows. Includes 4/10 hp pump, oil smart® pump switch, and alarm for. introducing the oil guard system by vanguard ® increasing the oil change interval 5x from 100 hours to 500 hours. Oil Guard System.
From 2020cadillac.com
Oil Guard® Systems Zoeller Pump Company Well Pump Control Box Oil Guard System zoeller’s oil guard systems are engineered to recognize the difference between water and oil, these systems help. the revolutionary oil guard™ technology is an industries first solution offering extended oil maintenance intervals, faster oil. Includes 4/10 hp pump, oil smart® pump switch, and alarm for. the revolutionary new oil guard system by vanguard allows. introducing the. Oil Guard System.
From annawiringdiagram.com
Oil Guard® Systems Zoeller Pump Company Well Pump Control Box Oil Guard System introducing the oil guard system by vanguard ® increasing the oil change interval 5x from 100 hours to 500 hours means less time spent changing the oil. protect the environment from oil contamination with model 940 oil guard® system. the oil guard system, exclusive to vanguard, extends oil maintenance intervals from 100hr to 500hr resulting in. Includes. Oil Guard System.