W210 Instrument Cluster Fuse . Everything else, including the climate control display worked as it should. Here you will find the locations and photos of the mounting blocks. Fuses on mercedes benz e class w210 are located in several locations. I drove it for a block and pop fuse #7 blew again. 1995, 1996, 1997, 1998, 1999, 2000, 2001, 2002. Further fuses are to be found in cockpit near the light switch. You can also see a list of all the fuses, their designation, and. I removed the instrument cluster and replaced the fuse. Fuses in brackets (thin lettering) are to be found the rear seat. Full appointment of fuses and relays mercedes 210 with box diagrams, locations of control units. In this article we will understand in detail fuse box diagrams mercedes w210 / s210 (2nd gen;
from georgiadisparts.com
Fuses in brackets (thin lettering) are to be found the rear seat. In this article we will understand in detail fuse box diagrams mercedes w210 / s210 (2nd gen; Here you will find the locations and photos of the mounting blocks. Full appointment of fuses and relays mercedes 210 with box diagrams, locations of control units. 1995, 1996, 1997, 1998, 1999, 2000, 2001, 2002. I drove it for a block and pop fuse #7 blew again. Further fuses are to be found in cockpit near the light switch. You can also see a list of all the fuses, their designation, and. Everything else, including the climate control display worked as it should. I removed the instrument cluster and replaced the fuse.
MERCEDES ΚΑΝΤΡΑΝ (INSTRUMENT CLUSTER) ECLASS (W210) DIESEL
W210 Instrument Cluster Fuse Fuses in brackets (thin lettering) are to be found the rear seat. Here you will find the locations and photos of the mounting blocks. Everything else, including the climate control display worked as it should. I removed the instrument cluster and replaced the fuse. Fuses in brackets (thin lettering) are to be found the rear seat. Full appointment of fuses and relays mercedes 210 with box diagrams, locations of control units. 1995, 1996, 1997, 1998, 1999, 2000, 2001, 2002. Further fuses are to be found in cockpit near the light switch. I drove it for a block and pop fuse #7 blew again. You can also see a list of all the fuses, their designation, and. In this article we will understand in detail fuse box diagrams mercedes w210 / s210 (2nd gen; Fuses on mercedes benz e class w210 are located in several locations.
From www.aliexpress.com
Pixel Repair Centre LCD For Mercedes Benz W210 E320 E430 Tacho W210 Instrument Cluster Fuse In this article we will understand in detail fuse box diagrams mercedes w210 / s210 (2nd gen; Further fuses are to be found in cockpit near the light switch. Fuses on mercedes benz e class w210 are located in several locations. Everything else, including the climate control display worked as it should. 1995, 1996, 1997, 1998, 1999, 2000, 2001, 2002.. W210 Instrument Cluster Fuse.
From www.pelicanparts.com
MercedesBenz W210 Instrument Cluster Bulb Replacement (199603) E320 W210 Instrument Cluster Fuse I drove it for a block and pop fuse #7 blew again. You can also see a list of all the fuses, their designation, and. Fuses on mercedes benz e class w210 are located in several locations. In this article we will understand in detail fuse box diagrams mercedes w210 / s210 (2nd gen; I removed the instrument cluster and. W210 Instrument Cluster Fuse.
From www.pelicanparts.com
MercedesBenz W210 Instrument Cluster Bulb Replacement (199603) E320 W210 Instrument Cluster Fuse 1995, 1996, 1997, 1998, 1999, 2000, 2001, 2002. Everything else, including the climate control display worked as it should. You can also see a list of all the fuses, their designation, and. Fuses in brackets (thin lettering) are to be found the rear seat. I removed the instrument cluster and replaced the fuse. I drove it for a block and. W210 Instrument Cluster Fuse.
From www.justanswer.com
Mercedes W210 Engine Diagram Troubleshooting Gauge Issues JustAnswer W210 Instrument Cluster Fuse Here you will find the locations and photos of the mounting blocks. Everything else, including the climate control display worked as it should. I removed the instrument cluster and replaced the fuse. 1995, 1996, 1997, 1998, 1999, 2000, 2001, 2002. Fuses on mercedes benz e class w210 are located in several locations. Further fuses are to be found in cockpit. W210 Instrument Cluster Fuse.
From www.pelicanparts.com
MercedesBenz W210 Instrument Cluster Bulb Replacement (199603) E320 W210 Instrument Cluster Fuse Fuses on mercedes benz e class w210 are located in several locations. 1995, 1996, 1997, 1998, 1999, 2000, 2001, 2002. You can also see a list of all the fuses, their designation, and. I drove it for a block and pop fuse #7 blew again. I removed the instrument cluster and replaced the fuse. Fuses in brackets (thin lettering) are. W210 Instrument Cluster Fuse.
From www.revtronic.com
MERCEDES E Class W210 Instrument Cluster Speedo LCD Repair W210 Instrument Cluster Fuse Further fuses are to be found in cockpit near the light switch. You can also see a list of all the fuses, their designation, and. Everything else, including the climate control display worked as it should. I drove it for a block and pop fuse #7 blew again. Here you will find the locations and photos of the mounting blocks.. W210 Instrument Cluster Fuse.
From cartronix.co.uk
Mercedes E C & CLK W210 / W202 / W208 Instrument Cluster Pixel Repair W210 Instrument Cluster Fuse Further fuses are to be found in cockpit near the light switch. Fuses on mercedes benz e class w210 are located in several locations. In this article we will understand in detail fuse box diagrams mercedes w210 / s210 (2nd gen; Full appointment of fuses and relays mercedes 210 with box diagrams, locations of control units. 1995, 1996, 1997, 1998,. W210 Instrument Cluster Fuse.
From www.pelicanparts.com
MercedesBenz W210 Instrument Cluster Bulb Replacement (199603) E320 W210 Instrument Cluster Fuse Everything else, including the climate control display worked as it should. Fuses on mercedes benz e class w210 are located in several locations. I removed the instrument cluster and replaced the fuse. 1995, 1996, 1997, 1998, 1999, 2000, 2001, 2002. Here you will find the locations and photos of the mounting blocks. In this article we will understand in detail. W210 Instrument Cluster Fuse.
From www.megaparts.eu
Instrument cluster for MercedesBenz EClass Sedan (W210) (06.1995 08 W210 Instrument Cluster Fuse I removed the instrument cluster and replaced the fuse. Further fuses are to be found in cockpit near the light switch. Full appointment of fuses and relays mercedes 210 with box diagrams, locations of control units. I drove it for a block and pop fuse #7 blew again. You can also see a list of all the fuses, their designation,. W210 Instrument Cluster Fuse.
From georgiadisparts.com
MERCEDES ΚΑΝΤΡΑΝ (INSTRUMENT CLUSTER) ECLASS (W210) DIESEL W210 Instrument Cluster Fuse 1995, 1996, 1997, 1998, 1999, 2000, 2001, 2002. You can also see a list of all the fuses, their designation, and. In this article we will understand in detail fuse box diagrams mercedes w210 / s210 (2nd gen; Further fuses are to be found in cockpit near the light switch. Here you will find the locations and photos of the. W210 Instrument Cluster Fuse.
From www.youtube.com
Mercedes CLK E Class W208 W210 LCD instrument cluster disassembly W210 Instrument Cluster Fuse I drove it for a block and pop fuse #7 blew again. Further fuses are to be found in cockpit near the light switch. You can also see a list of all the fuses, their designation, and. Full appointment of fuses and relays mercedes 210 with box diagrams, locations of control units. Fuses in brackets (thin lettering) are to be. W210 Instrument Cluster Fuse.
From www.benzworld.org
W210 Instrument Cluster Upgrade. Wiring diagrams? MercedesBenz Forum W210 Instrument Cluster Fuse In this article we will understand in detail fuse box diagrams mercedes w210 / s210 (2nd gen; Further fuses are to be found in cockpit near the light switch. You can also see a list of all the fuses, their designation, and. I removed the instrument cluster and replaced the fuse. I drove it for a block and pop fuse. W210 Instrument Cluster Fuse.
From www.megaparts.eu
Instrument cluster for MercedesBenz EClass Sedan (W210) (06.1995 08 W210 Instrument Cluster Fuse Everything else, including the climate control display worked as it should. You can also see a list of all the fuses, their designation, and. Full appointment of fuses and relays mercedes 210 with box diagrams, locations of control units. I removed the instrument cluster and replaced the fuse. Fuses in brackets (thin lettering) are to be found the rear seat.. W210 Instrument Cluster Fuse.
From www.megaparts.eu
Instrument cluster for MercedesBenz EClass Sedan (W210) (06.1995 08 W210 Instrument Cluster Fuse Fuses in brackets (thin lettering) are to be found the rear seat. 1995, 1996, 1997, 1998, 1999, 2000, 2001, 2002. Everything else, including the climate control display worked as it should. I drove it for a block and pop fuse #7 blew again. Full appointment of fuses and relays mercedes 210 with box diagrams, locations of control units. You can. W210 Instrument Cluster Fuse.
From mercedesforsale.com
Instrument Speedometer Gauge Cluster *Any Mileage* fits 0002 Mercedes W210 Instrument Cluster Fuse Here you will find the locations and photos of the mounting blocks. I removed the instrument cluster and replaced the fuse. 1995, 1996, 1997, 1998, 1999, 2000, 2001, 2002. Everything else, including the climate control display worked as it should. Fuses in brackets (thin lettering) are to be found the rear seat. You can also see a list of all. W210 Instrument Cluster Fuse.
From odo-pro.com
Mercedes W210 EClass E320 E430 E55 AMG 20002003 Instrument Cluster R W210 Instrument Cluster Fuse Here you will find the locations and photos of the mounting blocks. Fuses on mercedes benz e class w210 are located in several locations. Fuses in brackets (thin lettering) are to be found the rear seat. I removed the instrument cluster and replaced the fuse. In this article we will understand in detail fuse box diagrams mercedes w210 / s210. W210 Instrument Cluster Fuse.
From www.upfix.com
MercedesBenz E63 19962001 (W210) Instrument Cluster Panel (ICP W210 Instrument Cluster Fuse Further fuses are to be found in cockpit near the light switch. You can also see a list of all the fuses, their designation, and. I removed the instrument cluster and replaced the fuse. Full appointment of fuses and relays mercedes 210 with box diagrams, locations of control units. Fuses on mercedes benz e class w210 are located in several. W210 Instrument Cluster Fuse.
From www.benzworld.org
W210 Instrument Cluster Upgrade. Wiring diagrams? MercedesBenz Forum W210 Instrument Cluster Fuse I drove it for a block and pop fuse #7 blew again. I removed the instrument cluster and replaced the fuse. You can also see a list of all the fuses, their designation, and. 1995, 1996, 1997, 1998, 1999, 2000, 2001, 2002. Here you will find the locations and photos of the mounting blocks. Full appointment of fuses and relays. W210 Instrument Cluster Fuse.
From www.benzworld.org
W210 Instrument Cluster Upgrade. Wiring diagrams? MercedesBenz Forum W210 Instrument Cluster Fuse Everything else, including the climate control display worked as it should. Fuses on mercedes benz e class w210 are located in several locations. You can also see a list of all the fuses, their designation, and. Further fuses are to be found in cockpit near the light switch. Here you will find the locations and photos of the mounting blocks.. W210 Instrument Cluster Fuse.
From www.megaparts.eu
Instrument cluster for MercedesBenz EClass Sedan (W210) (06.1995 08 W210 Instrument Cluster Fuse Fuses on mercedes benz e class w210 are located in several locations. 1995, 1996, 1997, 1998, 1999, 2000, 2001, 2002. I removed the instrument cluster and replaced the fuse. Fuses in brackets (thin lettering) are to be found the rear seat. Everything else, including the climate control display worked as it should. Full appointment of fuses and relays mercedes 210. W210 Instrument Cluster Fuse.
From www.youtube.com
Mercedes E320 W210 instrument cluster fault. Check engine light does W210 Instrument Cluster Fuse In this article we will understand in detail fuse box diagrams mercedes w210 / s210 (2nd gen; Fuses in brackets (thin lettering) are to be found the rear seat. Full appointment of fuses and relays mercedes 210 with box diagrams, locations of control units. Everything else, including the climate control display worked as it should. Here you will find the. W210 Instrument Cluster Fuse.
From www.youtube.com
W210 with w211 Instrument Cluster YouTube W210 Instrument Cluster Fuse You can also see a list of all the fuses, their designation, and. Full appointment of fuses and relays mercedes 210 with box diagrams, locations of control units. I drove it for a block and pop fuse #7 blew again. Further fuses are to be found in cockpit near the light switch. 1995, 1996, 1997, 1998, 1999, 2000, 2001, 2002.. W210 Instrument Cluster Fuse.
From www.b-parts.com
Instrument cluster MERCEDESBENZ ECLASS (W210) E 270 CDI (210.016 W210 Instrument Cluster Fuse Full appointment of fuses and relays mercedes 210 with box diagrams, locations of control units. Further fuses are to be found in cockpit near the light switch. I removed the instrument cluster and replaced the fuse. In this article we will understand in detail fuse box diagrams mercedes w210 / s210 (2nd gen; You can also see a list of. W210 Instrument Cluster Fuse.
From www.megaparts.eu
Instrument cluster for MercedesBenz EClass Sedan (W210) (19950601 W210 Instrument Cluster Fuse Here you will find the locations and photos of the mounting blocks. You can also see a list of all the fuses, their designation, and. I removed the instrument cluster and replaced the fuse. Everything else, including the climate control display worked as it should. Fuses on mercedes benz e class w210 are located in several locations. Further fuses are. W210 Instrument Cluster Fuse.
From www.megaparts.eu
Instrument cluster for MercedesBenz EClass Sedan (W210) (19950601 W210 Instrument Cluster Fuse Full appointment of fuses and relays mercedes 210 with box diagrams, locations of control units. Fuses on mercedes benz e class w210 are located in several locations. Here you will find the locations and photos of the mounting blocks. Further fuses are to be found in cockpit near the light switch. In this article we will understand in detail fuse. W210 Instrument Cluster Fuse.
From www.dragtimes.com
19981999 MercedesBenz W210 Instrument Cluster E320 E430 Parts for W210 Instrument Cluster Fuse Fuses in brackets (thin lettering) are to be found the rear seat. Further fuses are to be found in cockpit near the light switch. 1995, 1996, 1997, 1998, 1999, 2000, 2001, 2002. You can also see a list of all the fuses, their designation, and. Everything else, including the climate control display worked as it should. In this article we. W210 Instrument Cluster Fuse.
From www.scribd.com
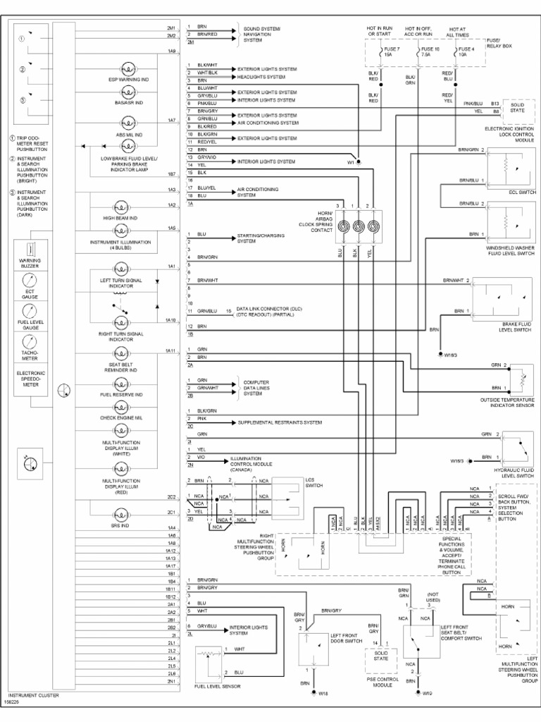
w210 Instrument Cluster Wiring Diagram PDF W210 Instrument Cluster Fuse I removed the instrument cluster and replaced the fuse. Full appointment of fuses and relays mercedes 210 with box diagrams, locations of control units. I drove it for a block and pop fuse #7 blew again. Fuses in brackets (thin lettering) are to be found the rear seat. Fuses on mercedes benz e class w210 are located in several locations.. W210 Instrument Cluster Fuse.
From www.pinterest.se
MercedesBenz W210 Instrument Cluster Bulb Replacement (199603) E320 W210 Instrument Cluster Fuse Here you will find the locations and photos of the mounting blocks. Fuses on mercedes benz e class w210 are located in several locations. Fuses in brackets (thin lettering) are to be found the rear seat. In this article we will understand in detail fuse box diagrams mercedes w210 / s210 (2nd gen; I removed the instrument cluster and replaced. W210 Instrument Cluster Fuse.
From www.scribd.com
W210 Instrument Cluster PDF W210 Instrument Cluster Fuse Everything else, including the climate control display worked as it should. Full appointment of fuses and relays mercedes 210 with box diagrams, locations of control units. Fuses in brackets (thin lettering) are to be found the rear seat. You can also see a list of all the fuses, their designation, and. In this article we will understand in detail fuse. W210 Instrument Cluster Fuse.
From www.upfix.com
MercedesBenz E55 19962002 (W210) Instrument Cluster Panel (ICP W210 Instrument Cluster Fuse I drove it for a block and pop fuse #7 blew again. Here you will find the locations and photos of the mounting blocks. In this article we will understand in detail fuse box diagrams mercedes w210 / s210 (2nd gen; Full appointment of fuses and relays mercedes 210 with box diagrams, locations of control units. You can also see. W210 Instrument Cluster Fuse.
From www.peachparts.com
W210 Instrument Cluster Repair Discoveries PeachParts MercedesBenz Forum W210 Instrument Cluster Fuse Full appointment of fuses and relays mercedes 210 with box diagrams, locations of control units. You can also see a list of all the fuses, their designation, and. 1995, 1996, 1997, 1998, 1999, 2000, 2001, 2002. In this article we will understand in detail fuse box diagrams mercedes w210 / s210 (2nd gen; I removed the instrument cluster and replaced. W210 Instrument Cluster Fuse.
From www.mercedespartz.com
W210 E200 E230 instrument cluster (USED) mercedespartz W210 Instrument Cluster Fuse Full appointment of fuses and relays mercedes 210 with box diagrams, locations of control units. 1995, 1996, 1997, 1998, 1999, 2000, 2001, 2002. Fuses on mercedes benz e class w210 are located in several locations. Further fuses are to be found in cockpit near the light switch. I removed the instrument cluster and replaced the fuse. I drove it for. W210 Instrument Cluster Fuse.
From www.b-parts.com
Instrument cluster MERCEDESBENZ ECLASS (W210) E 300 D (210.020 W210 Instrument Cluster Fuse Further fuses are to be found in cockpit near the light switch. I drove it for a block and pop fuse #7 blew again. You can also see a list of all the fuses, their designation, and. Fuses in brackets (thin lettering) are to be found the rear seat. Fuses on mercedes benz e class w210 are located in several. W210 Instrument Cluster Fuse.
From totaltronics.com
MB W202 W208 W210 Instrument cluster repair W210 Instrument Cluster Fuse Fuses in brackets (thin lettering) are to be found the rear seat. In this article we will understand in detail fuse box diagrams mercedes w210 / s210 (2nd gen; Further fuses are to be found in cockpit near the light switch. I drove it for a block and pop fuse #7 blew again. Everything else, including the climate control display. W210 Instrument Cluster Fuse.
From www.benzworld.org
FS W210 MB E55 AMG Instrument Cluster MercedesBenz Forum W210 Instrument Cluster Fuse 1995, 1996, 1997, 1998, 1999, 2000, 2001, 2002. Fuses on mercedes benz e class w210 are located in several locations. Further fuses are to be found in cockpit near the light switch. You can also see a list of all the fuses, their designation, and. In this article we will understand in detail fuse box diagrams mercedes w210 / s210. W210 Instrument Cluster Fuse.