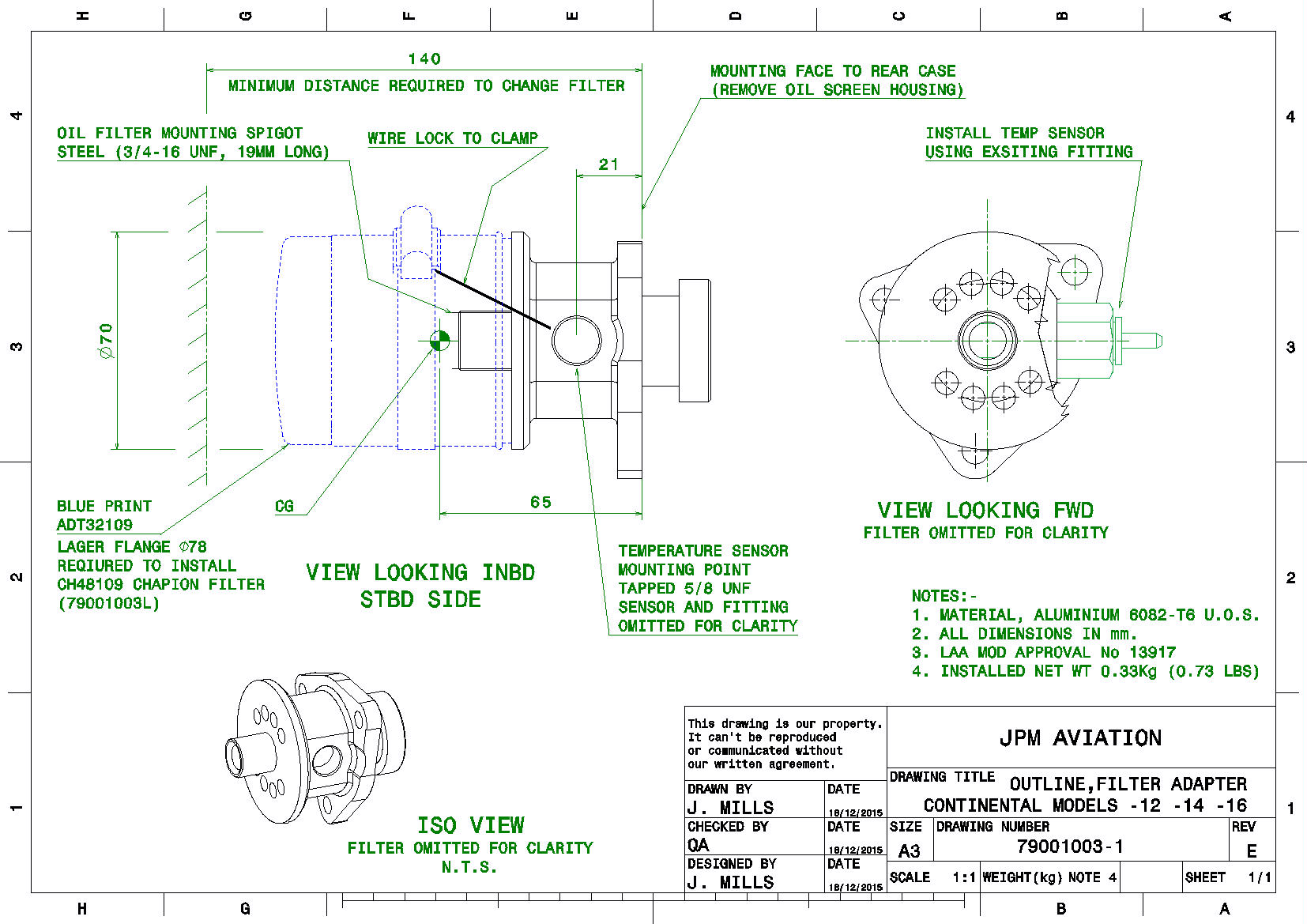
Continental Engine Oil Filter Adapter . Being engine mounted with no external lines, they. This engine mounted oil filter adapter provides oil filtering capabilities for the larger six cylinder continental engines. Tempest engine mounted oil filter adapters eliminate the need for oil screens and provide increased filtering capabilities for longer engine life. The faa also proposed to revise the applicability to include continental model engines equipped with an f&m or a stratus oil filter adapter installed per supplemental type certificate se8409sw, se09356sc, or se10348sc. Ease of installation, ease of oil filter change, and decreased. Perfect for tight installations in all aircraft manufactured by: This engine mounted oil filter adapter provides oil filtering capabilities for the larger six cylinder continental engines. Continental remote oil filter adapter or oil temp. Aeronca, aircoupe, beech, bellanca, cessna, luscombe, maule, meyer,.
from www.aircraftspruce.com
The faa also proposed to revise the applicability to include continental model engines equipped with an f&m or a stratus oil filter adapter installed per supplemental type certificate se8409sw, se09356sc, or se10348sc. Being engine mounted with no external lines, they. This engine mounted oil filter adapter provides oil filtering capabilities for the larger six cylinder continental engines. Tempest engine mounted oil filter adapters eliminate the need for oil screens and provide increased filtering capabilities for longer engine life. Continental remote oil filter adapter or oil temp. This engine mounted oil filter adapter provides oil filtering capabilities for the larger six cylinder continental engines. Ease of installation, ease of oil filter change, and decreased. Aeronca, aircoupe, beech, bellanca, cessna, luscombe, maule, meyer,. Perfect for tight installations in all aircraft manufactured by:
Continental Remote Oil Filter Adapter Aircraft Spruce
Continental Engine Oil Filter Adapter The faa also proposed to revise the applicability to include continental model engines equipped with an f&m or a stratus oil filter adapter installed per supplemental type certificate se8409sw, se09356sc, or se10348sc. Tempest engine mounted oil filter adapters eliminate the need for oil screens and provide increased filtering capabilities for longer engine life. Continental remote oil filter adapter or oil temp. This engine mounted oil filter adapter provides oil filtering capabilities for the larger six cylinder continental engines. This engine mounted oil filter adapter provides oil filtering capabilities for the larger six cylinder continental engines. The faa also proposed to revise the applicability to include continental model engines equipped with an f&m or a stratus oil filter adapter installed per supplemental type certificate se8409sw, se09356sc, or se10348sc. Ease of installation, ease of oil filter change, and decreased. Perfect for tight installations in all aircraft manufactured by: Being engine mounted with no external lines, they. Aeronca, aircoupe, beech, bellanca, cessna, luscombe, maule, meyer,.
From baspartsales.com
AT210470 Continental IO470L Aviation Prod. Spinon Oil Filter Continental Engine Oil Filter Adapter Ease of installation, ease of oil filter change, and decreased. Continental remote oil filter adapter or oil temp. The faa also proposed to revise the applicability to include continental model engines equipped with an f&m or a stratus oil filter adapter installed per supplemental type certificate se8409sw, se09356sc, or se10348sc. This engine mounted oil filter adapter provides oil filtering capabilities. Continental Engine Oil Filter Adapter.
From www.ebay.com
Continental Remote Oil Filter Adapter P/N 1A0217 eBay Continental Engine Oil Filter Adapter Tempest engine mounted oil filter adapters eliminate the need for oil screens and provide increased filtering capabilities for longer engine life. This engine mounted oil filter adapter provides oil filtering capabilities for the larger six cylinder continental engines. The faa also proposed to revise the applicability to include continental model engines equipped with an f&m or a stratus oil filter. Continental Engine Oil Filter Adapter.
From baspartsales.com
AT210470 Continental IO470L Aviation Prod. Spinon Oil Filter Continental Engine Oil Filter Adapter Perfect for tight installations in all aircraft manufactured by: This engine mounted oil filter adapter provides oil filtering capabilities for the larger six cylinder continental engines. Aeronca, aircoupe, beech, bellanca, cessna, luscombe, maule, meyer,. Ease of installation, ease of oil filter change, and decreased. The faa also proposed to revise the applicability to include continental model engines equipped with an. Continental Engine Oil Filter Adapter.
From baspartsales.com
CO300 Continental O300C F&M Inc Engine Oil Filter Adapter W/ STC Continental Engine Oil Filter Adapter Continental remote oil filter adapter or oil temp. Aeronca, aircoupe, beech, bellanca, cessna, luscombe, maule, meyer,. The faa also proposed to revise the applicability to include continental model engines equipped with an f&m or a stratus oil filter adapter installed per supplemental type certificate se8409sw, se09356sc, or se10348sc. This engine mounted oil filter adapter provides oil filtering capabilities for the. Continental Engine Oil Filter Adapter.
From baspartsales.com
AT210470 Continental IO470L Aviation Prod. Spinon Oil Filter Continental Engine Oil Filter Adapter This engine mounted oil filter adapter provides oil filtering capabilities for the larger six cylinder continental engines. The faa also proposed to revise the applicability to include continental model engines equipped with an f&m or a stratus oil filter adapter installed per supplemental type certificate se8409sw, se09356sc, or se10348sc. This engine mounted oil filter adapter provides oil filtering capabilities for. Continental Engine Oil Filter Adapter.
From aircraftpartsandsalvage.com
TAFL Continental O200 Oil Filter Adapter TAFL Continental Engine Oil Filter Adapter Ease of installation, ease of oil filter change, and decreased. Perfect for tight installations in all aircraft manufactured by: This engine mounted oil filter adapter provides oil filtering capabilities for the larger six cylinder continental engines. Continental remote oil filter adapter or oil temp. Being engine mounted with no external lines, they. Aeronca, aircoupe, beech, bellanca, cessna, luscombe, maule, meyer,.. Continental Engine Oil Filter Adapter.
From www.ebay.com.au
Fits Royal ENFIELD Interceptor & GT CONTINENTAL Oil Filter Set of 10 Continental Engine Oil Filter Adapter Being engine mounted with no external lines, they. Ease of installation, ease of oil filter change, and decreased. Perfect for tight installations in all aircraft manufactured by: This engine mounted oil filter adapter provides oil filtering capabilities for the larger six cylinder continental engines. Tempest engine mounted oil filter adapters eliminate the need for oil screens and provide increased filtering. Continental Engine Oil Filter Adapter.
From aeroaccessories.com
CONTINENTAL OIL FILTER ADAPTER Tempest Plus Continental Engine Oil Filter Adapter Ease of installation, ease of oil filter change, and decreased. This engine mounted oil filter adapter provides oil filtering capabilities for the larger six cylinder continental engines. Tempest engine mounted oil filter adapters eliminate the need for oil screens and provide increased filtering capabilities for longer engine life. Aeronca, aircoupe, beech, bellanca, cessna, luscombe, maule, meyer,. This engine mounted oil. Continental Engine Oil Filter Adapter.
From www.tractorpartsasap.com
SpinOn Oil Filter Adapter Kit fits International 806 660 856 460 756 Continental Engine Oil Filter Adapter Tempest engine mounted oil filter adapters eliminate the need for oil screens and provide increased filtering capabilities for longer engine life. Being engine mounted with no external lines, they. The faa also proposed to revise the applicability to include continental model engines equipped with an f&m or a stratus oil filter adapter installed per supplemental type certificate se8409sw, se09356sc, or. Continental Engine Oil Filter Adapter.
From afors.com
NEW DESIGN, Oil filter adapter for O200 Continental engines afors Continental Engine Oil Filter Adapter Perfect for tight installations in all aircraft manufactured by: Aeronca, aircoupe, beech, bellanca, cessna, luscombe, maule, meyer,. Being engine mounted with no external lines, they. Continental remote oil filter adapter or oil temp. Tempest engine mounted oil filter adapters eliminate the need for oil screens and provide increased filtering capabilities for longer engine life. Ease of installation, ease of oil. Continental Engine Oil Filter Adapter.
From afors.com
Continental Oil filter adapter O200 C90 C85 (12) afors advert No37688 Continental Engine Oil Filter Adapter This engine mounted oil filter adapter provides oil filtering capabilities for the larger six cylinder continental engines. Ease of installation, ease of oil filter change, and decreased. The faa also proposed to revise the applicability to include continental model engines equipped with an f&m or a stratus oil filter adapter installed per supplemental type certificate se8409sw, se09356sc, or se10348sc. Perfect. Continental Engine Oil Filter Adapter.
From baspartsales.com
CO300 Continental O300C F&M Inc Engine Oil Filter Adapter W/ STC Continental Engine Oil Filter Adapter Perfect for tight installations in all aircraft manufactured by: Aeronca, aircoupe, beech, bellanca, cessna, luscombe, maule, meyer,. This engine mounted oil filter adapter provides oil filtering capabilities for the larger six cylinder continental engines. The faa also proposed to revise the applicability to include continental model engines equipped with an f&m or a stratus oil filter adapter installed per supplemental. Continental Engine Oil Filter Adapter.
From aeroaccessories.com
CONTINENTAL OIL FILTER ADAPTER Tempest Plus Continental Engine Oil Filter Adapter This engine mounted oil filter adapter provides oil filtering capabilities for the larger six cylinder continental engines. Continental remote oil filter adapter or oil temp. Ease of installation, ease of oil filter change, and decreased. The faa also proposed to revise the applicability to include continental model engines equipped with an f&m or a stratus oil filter adapter installed per. Continental Engine Oil Filter Adapter.
From baspartsales.com
CO300 Continental O300C F&M Inc Engine Oil Filter Adapter W/ STC Continental Engine Oil Filter Adapter This engine mounted oil filter adapter provides oil filtering capabilities for the larger six cylinder continental engines. This engine mounted oil filter adapter provides oil filtering capabilities for the larger six cylinder continental engines. Continental remote oil filter adapter or oil temp. Tempest engine mounted oil filter adapters eliminate the need for oil screens and provide increased filtering capabilities for. Continental Engine Oil Filter Adapter.
From baspartsales.com
CO300 Continental O300C F&M Inc Engine Oil Filter Adapter W/ STC Continental Engine Oil Filter Adapter Continental remote oil filter adapter or oil temp. Being engine mounted with no external lines, they. Perfect for tight installations in all aircraft manufactured by: This engine mounted oil filter adapter provides oil filtering capabilities for the larger six cylinder continental engines. Aeronca, aircoupe, beech, bellanca, cessna, luscombe, maule, meyer,. The faa also proposed to revise the applicability to include. Continental Engine Oil Filter Adapter.
From www.afors.com
Oil Filter adapter for Continental A65 and 8 engines afors advert Continental Engine Oil Filter Adapter Aeronca, aircoupe, beech, bellanca, cessna, luscombe, maule, meyer,. This engine mounted oil filter adapter provides oil filtering capabilities for the larger six cylinder continental engines. The faa also proposed to revise the applicability to include continental model engines equipped with an f&m or a stratus oil filter adapter installed per supplemental type certificate se8409sw, se09356sc, or se10348sc. This engine mounted. Continental Engine Oil Filter Adapter.
From www.dfwairparts.com
646099,, New Continental Aircraft Engine Oil Filter Adapter 22379 Continental Engine Oil Filter Adapter Being engine mounted with no external lines, they. Continental remote oil filter adapter or oil temp. Aeronca, aircoupe, beech, bellanca, cessna, luscombe, maule, meyer,. Perfect for tight installations in all aircraft manufactured by: Ease of installation, ease of oil filter change, and decreased. Tempest engine mounted oil filter adapters eliminate the need for oil screens and provide increased filtering capabilities. Continental Engine Oil Filter Adapter.
From afors.com
NEW DESIGN, Oil filter adapter for O200 Continental engines afors Continental Engine Oil Filter Adapter Continental remote oil filter adapter or oil temp. This engine mounted oil filter adapter provides oil filtering capabilities for the larger six cylinder continental engines. Tempest engine mounted oil filter adapters eliminate the need for oil screens and provide increased filtering capabilities for longer engine life. The faa also proposed to revise the applicability to include continental model engines equipped. Continental Engine Oil Filter Adapter.
From www.aircraftspruce.com
Continental Remote Oil Filter Adapter Aircraft Spruce Continental Engine Oil Filter Adapter Being engine mounted with no external lines, they. Tempest engine mounted oil filter adapters eliminate the need for oil screens and provide increased filtering capabilities for longer engine life. Perfect for tight installations in all aircraft manufactured by: This engine mounted oil filter adapter provides oil filtering capabilities for the larger six cylinder continental engines. Ease of installation, ease of. Continental Engine Oil Filter Adapter.
From afors.com
Continental Oil filter adapter O200 C90 C85 (12) afors advert No37688 Continental Engine Oil Filter Adapter Being engine mounted with no external lines, they. This engine mounted oil filter adapter provides oil filtering capabilities for the larger six cylinder continental engines. Continental remote oil filter adapter or oil temp. This engine mounted oil filter adapter provides oil filtering capabilities for the larger six cylinder continental engines. Aeronca, aircoupe, beech, bellanca, cessna, luscombe, maule, meyer,. Ease of. Continental Engine Oil Filter Adapter.
From aircraftpartsandsalvage.com
TAFL Continental O200 Oil Filter Adapter TAFL Continental Engine Oil Filter Adapter Continental remote oil filter adapter or oil temp. Aeronca, aircoupe, beech, bellanca, cessna, luscombe, maule, meyer,. The faa also proposed to revise the applicability to include continental model engines equipped with an f&m or a stratus oil filter adapter installed per supplemental type certificate se8409sw, se09356sc, or se10348sc. This engine mounted oil filter adapter provides oil filtering capabilities for the. Continental Engine Oil Filter Adapter.
From www.aopa.org
NTSB flags oilfilter adapter in Continental engine failures AOPA Continental Engine Oil Filter Adapter Perfect for tight installations in all aircraft manufactured by: Being engine mounted with no external lines, they. The faa also proposed to revise the applicability to include continental model engines equipped with an f&m or a stratus oil filter adapter installed per supplemental type certificate se8409sw, se09356sc, or se10348sc. Ease of installation, ease of oil filter change, and decreased. Aeronca,. Continental Engine Oil Filter Adapter.
From aeroaccessories.com
CONTINENTAL OIL FILTER ADAPTER Tempest Plus Continental Engine Oil Filter Adapter Continental remote oil filter adapter or oil temp. The faa also proposed to revise the applicability to include continental model engines equipped with an f&m or a stratus oil filter adapter installed per supplemental type certificate se8409sw, se09356sc, or se10348sc. Perfect for tight installations in all aircraft manufactured by: This engine mounted oil filter adapter provides oil filtering capabilities for. Continental Engine Oil Filter Adapter.
From www.afors.com
Oil Filter adapter for Continental A65 and 8 engines afors advert Continental Engine Oil Filter Adapter Continental remote oil filter adapter or oil temp. This engine mounted oil filter adapter provides oil filtering capabilities for the larger six cylinder continental engines. Perfect for tight installations in all aircraft manufactured by: The faa also proposed to revise the applicability to include continental model engines equipped with an f&m or a stratus oil filter adapter installed per supplemental. Continental Engine Oil Filter Adapter.
From www.ebay.com
Engine Oil Filter fits 20162020 Lincoln Continental Continental,MKZ Continental Engine Oil Filter Adapter Aeronca, aircoupe, beech, bellanca, cessna, luscombe, maule, meyer,. Perfect for tight installations in all aircraft manufactured by: The faa also proposed to revise the applicability to include continental model engines equipped with an f&m or a stratus oil filter adapter installed per supplemental type certificate se8409sw, se09356sc, or se10348sc. Ease of installation, ease of oil filter change, and decreased. Being. Continental Engine Oil Filter Adapter.
From www.dfwairparts.com
Nos, Continental Aircraft Engine Gasket. P/N SA632655 or 632655. Continental Engine Oil Filter Adapter This engine mounted oil filter adapter provides oil filtering capabilities for the larger six cylinder continental engines. Continental remote oil filter adapter or oil temp. Perfect for tight installations in all aircraft manufactured by: Aeronca, aircoupe, beech, bellanca, cessna, luscombe, maule, meyer,. Ease of installation, ease of oil filter change, and decreased. This engine mounted oil filter adapter provides oil. Continental Engine Oil Filter Adapter.
From baspartsales.com
CO300 Continental O300C F&M Inc Engine Oil Filter Adapter W/ STC Continental Engine Oil Filter Adapter Ease of installation, ease of oil filter change, and decreased. Being engine mounted with no external lines, they. The faa also proposed to revise the applicability to include continental model engines equipped with an f&m or a stratus oil filter adapter installed per supplemental type certificate se8409sw, se09356sc, or se10348sc. This engine mounted oil filter adapter provides oil filtering capabilities. Continental Engine Oil Filter Adapter.
From baspartsales.com
CO300 Continental O300C F&M Inc Engine Oil Filter Adapter W/ STC Continental Engine Oil Filter Adapter Being engine mounted with no external lines, they. Aeronca, aircoupe, beech, bellanca, cessna, luscombe, maule, meyer,. The faa also proposed to revise the applicability to include continental model engines equipped with an f&m or a stratus oil filter adapter installed per supplemental type certificate se8409sw, se09356sc, or se10348sc. Tempest engine mounted oil filter adapters eliminate the need for oil screens. Continental Engine Oil Filter Adapter.
From aeroaccessories.com
CONTINENTAL OIL FILTER ADAPTER Tempest Plus Continental Engine Oil Filter Adapter Aeronca, aircoupe, beech, bellanca, cessna, luscombe, maule, meyer,. This engine mounted oil filter adapter provides oil filtering capabilities for the larger six cylinder continental engines. Being engine mounted with no external lines, they. Ease of installation, ease of oil filter change, and decreased. This engine mounted oil filter adapter provides oil filtering capabilities for the larger six cylinder continental engines.. Continental Engine Oil Filter Adapter.
From aircraftpartsandsalvage.com
TAFL Continental O200 Oil Filter Adapter TAFL Continental Engine Oil Filter Adapter Aeronca, aircoupe, beech, bellanca, cessna, luscombe, maule, meyer,. This engine mounted oil filter adapter provides oil filtering capabilities for the larger six cylinder continental engines. Tempest engine mounted oil filter adapters eliminate the need for oil screens and provide increased filtering capabilities for longer engine life. Ease of installation, ease of oil filter change, and decreased. This engine mounted oil. Continental Engine Oil Filter Adapter.
From motoplaneparts.com
MOONEY M20K 231 CONTINENTAL TSIO360 AIRCRAFT ENGINE OIL FILTER ADAPTER Continental Engine Oil Filter Adapter The faa also proposed to revise the applicability to include continental model engines equipped with an f&m or a stratus oil filter adapter installed per supplemental type certificate se8409sw, se09356sc, or se10348sc. This engine mounted oil filter adapter provides oil filtering capabilities for the larger six cylinder continental engines. This engine mounted oil filter adapter provides oil filtering capabilities for. Continental Engine Oil Filter Adapter.
From www.2040-parts.com
Find Continental Aircraft Engine Oil Filter Adapter Kit NEW in Santa Continental Engine Oil Filter Adapter Perfect for tight installations in all aircraft manufactured by: This engine mounted oil filter adapter provides oil filtering capabilities for the larger six cylinder continental engines. Aeronca, aircoupe, beech, bellanca, cessna, luscombe, maule, meyer,. Being engine mounted with no external lines, they. This engine mounted oil filter adapter provides oil filtering capabilities for the larger six cylinder continental engines. Tempest. Continental Engine Oil Filter Adapter.
From www.silverfoxtractorspares.com
Ferguson TE20 Continental Engine Tractor Oil Filter Continental Engine Oil Filter Adapter Tempest engine mounted oil filter adapters eliminate the need for oil screens and provide increased filtering capabilities for longer engine life. The faa also proposed to revise the applicability to include continental model engines equipped with an f&m or a stratus oil filter adapter installed per supplemental type certificate se8409sw, se09356sc, or se10348sc. Being engine mounted with no external lines,. Continental Engine Oil Filter Adapter.
From www.2040-parts.com
Find Continental Aircraft Engine Oil Filter Adapter Kit NEW in Santa Continental Engine Oil Filter Adapter Aeronca, aircoupe, beech, bellanca, cessna, luscombe, maule, meyer,. Continental remote oil filter adapter or oil temp. Tempest engine mounted oil filter adapters eliminate the need for oil screens and provide increased filtering capabilities for longer engine life. Ease of installation, ease of oil filter change, and decreased. This engine mounted oil filter adapter provides oil filtering capabilities for the larger. Continental Engine Oil Filter Adapter.
From motoplaneparts.com
MOONEY M20K 231 CONTINENTAL TSIO360 AIRCRAFT ENGINE OIL FILTER ADAPTER Continental Engine Oil Filter Adapter Aeronca, aircoupe, beech, bellanca, cessna, luscombe, maule, meyer,. Continental remote oil filter adapter or oil temp. This engine mounted oil filter adapter provides oil filtering capabilities for the larger six cylinder continental engines. This engine mounted oil filter adapter provides oil filtering capabilities for the larger six cylinder continental engines. Tempest engine mounted oil filter adapters eliminate the need for. Continental Engine Oil Filter Adapter.