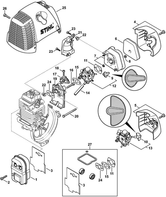
Stihl 131 Parts Diagram . Select a page from the stihl ht 131 z pole pruner diagram to view the parts list and exploded view diagram. Stihl ht 131 pole pruner (ht131) parts diagram, tools. Uk's largest stihl spare parts dealer. Use only a spark plug of the type approved by stihl and make sure it is in good. Select a page from the stihl ht 131 pole pruner diagram to view the parts list and exploded view diagram. All parts that fit a fs 131 r brushcutter. Genuine spare parts and accessories for stihl ht131 pole pruners. All parts that fit a ht 131 z pole pruner. All parts that fit a ht 131 pole pruner. Check the fuel filler cap for leaks at regular intervals. Select a page from the stihl fs 131 r brushcutter diagram to view the parts list and exploded view diagram. Look at the diagram and find parts that fit a stihl ht 131 pole pruner, or refer to the list.
from www.diyspareparts.com
Uk's largest stihl spare parts dealer. Look at the diagram and find parts that fit a stihl ht 131 pole pruner, or refer to the list. All parts that fit a fs 131 r brushcutter. Select a page from the stihl ht 131 pole pruner diagram to view the parts list and exploded view diagram. Select a page from the stihl fs 131 r brushcutter diagram to view the parts list and exploded view diagram. Stihl ht 131 pole pruner (ht131) parts diagram, tools. Genuine spare parts and accessories for stihl ht131 pole pruners. All parts that fit a ht 131 z pole pruner. Check the fuel filler cap for leaks at regular intervals. Use only a spark plug of the type approved by stihl and make sure it is in good.
Stihl FS 131 Brushcutter (FS 131) Parts Diagram, G BIKE HANDLE
Stihl 131 Parts Diagram Check the fuel filler cap for leaks at regular intervals. Stihl ht 131 pole pruner (ht131) parts diagram, tools. All parts that fit a ht 131 pole pruner. Look at the diagram and find parts that fit a stihl ht 131 pole pruner, or refer to the list. Select a page from the stihl ht 131 pole pruner diagram to view the parts list and exploded view diagram. Check the fuel filler cap for leaks at regular intervals. Use only a spark plug of the type approved by stihl and make sure it is in good. All parts that fit a fs 131 r brushcutter. Select a page from the stihl ht 131 z pole pruner diagram to view the parts list and exploded view diagram. Uk's largest stihl spare parts dealer. Genuine spare parts and accessories for stihl ht131 pole pruners. Select a page from the stihl fs 131 r brushcutter diagram to view the parts list and exploded view diagram. All parts that fit a ht 131 z pole pruner.
From schematron.org
Stihl Ht 131 Parts Diagram Stihl 131 Parts Diagram All parts that fit a ht 131 pole pruner. Select a page from the stihl ht 131 z pole pruner diagram to view the parts list and exploded view diagram. Genuine spare parts and accessories for stihl ht131 pole pruners. Select a page from the stihl fs 131 r brushcutter diagram to view the parts list and exploded view diagram.. Stihl 131 Parts Diagram.
From design1systems.com
Demystifying the Stihl FS 131 Parts Diagram A Comprehensive Guide Stihl 131 Parts Diagram All parts that fit a fs 131 r brushcutter. Check the fuel filler cap for leaks at regular intervals. All parts that fit a ht 131 pole pruner. Look at the diagram and find parts that fit a stihl ht 131 pole pruner, or refer to the list. Select a page from the stihl ht 131 pole pruner diagram to. Stihl 131 Parts Diagram.
From wiringall.com
Stihl Ht 131 Pole Saw Parts Diagram Stihl 131 Parts Diagram All parts that fit a ht 131 pole pruner. Select a page from the stihl ht 131 pole pruner diagram to view the parts list and exploded view diagram. Look at the diagram and find parts that fit a stihl ht 131 pole pruner, or refer to the list. Use only a spark plug of the type approved by stihl. Stihl 131 Parts Diagram.
From www.diyspareparts.com
Stihl FS 131 R Brushcutter (FS 131 R) Parts Diagram, F CLUTCH Stihl 131 Parts Diagram Check the fuel filler cap for leaks at regular intervals. Select a page from the stihl ht 131 z pole pruner diagram to view the parts list and exploded view diagram. Select a page from the stihl fs 131 r brushcutter diagram to view the parts list and exploded view diagram. All parts that fit a ht 131 pole pruner.. Stihl 131 Parts Diagram.
From drivenheisenberg.blogspot.com
Stihl Ht 131 Parts Diagram Drivenheisenberg Stihl 131 Parts Diagram All parts that fit a ht 131 z pole pruner. Use only a spark plug of the type approved by stihl and make sure it is in good. Select a page from the stihl ht 131 z pole pruner diagram to view the parts list and exploded view diagram. All parts that fit a ht 131 pole pruner. Select a. Stihl 131 Parts Diagram.
From www.diyspareparts.com
Stihl HT 131 Z Pole Pruner (HT131Z) Parts Diagram, Rewind starter Stihl 131 Parts Diagram Uk's largest stihl spare parts dealer. All parts that fit a ht 131 z pole pruner. Check the fuel filler cap for leaks at regular intervals. Select a page from the stihl ht 131 z pole pruner diagram to view the parts list and exploded view diagram. All parts that fit a fs 131 r brushcutter. Use only a spark. Stihl 131 Parts Diagram.
From schematron.org
Stihl Ht 131 Pole Saw Parts Diagram Wiring Diagram Pictures Stihl 131 Parts Diagram Select a page from the stihl ht 131 z pole pruner diagram to view the parts list and exploded view diagram. Check the fuel filler cap for leaks at regular intervals. Genuine spare parts and accessories for stihl ht131 pole pruners. Select a page from the stihl ht 131 pole pruner diagram to view the parts list and exploded view. Stihl 131 Parts Diagram.
From autoctrls.com
Navigate the Stihl HT 131 Pole Saw Parts with Ease A Comprehensive Diagram Stihl 131 Parts Diagram Select a page from the stihl ht 131 pole pruner diagram to view the parts list and exploded view diagram. Use only a spark plug of the type approved by stihl and make sure it is in good. Check the fuel filler cap for leaks at regular intervals. Look at the diagram and find parts that fit a stihl ht. Stihl 131 Parts Diagram.
From www.diyspareparts.com
Stihl HT 131 Z Pole Pruner (HT131Z) Parts Diagram, Valve timing gear Stihl 131 Parts Diagram All parts that fit a ht 131 pole pruner. Stihl ht 131 pole pruner (ht131) parts diagram, tools. Select a page from the stihl ht 131 z pole pruner diagram to view the parts list and exploded view diagram. Check the fuel filler cap for leaks at regular intervals. Select a page from the stihl ht 131 pole pruner diagram. Stihl 131 Parts Diagram.
From wiringall.com
Stihl Ht 131 Pole Saw Parts Diagram Stihl 131 Parts Diagram Use only a spark plug of the type approved by stihl and make sure it is in good. All parts that fit a fs 131 r brushcutter. All parts that fit a ht 131 pole pruner. Check the fuel filler cap for leaks at regular intervals. Stihl ht 131 pole pruner (ht131) parts diagram, tools. Select a page from the. Stihl 131 Parts Diagram.
From www.diyspareparts.com
Stihl FS 131 R Brushcutter (FS 131 R) Parts Diagram, H HANDLE Stihl 131 Parts Diagram Select a page from the stihl ht 131 z pole pruner diagram to view the parts list and exploded view diagram. All parts that fit a fs 131 r brushcutter. Check the fuel filler cap for leaks at regular intervals. All parts that fit a ht 131 z pole pruner. Select a page from the stihl fs 131 r brushcutter. Stihl 131 Parts Diagram.
From www.diyspareparts.com
Stihl HT 131 Pole Pruner (HT131) Parts Diagram, Muffler Stihl 131 Parts Diagram Select a page from the stihl fs 131 r brushcutter diagram to view the parts list and exploded view diagram. Genuine spare parts and accessories for stihl ht131 pole pruners. Stihl ht 131 pole pruner (ht131) parts diagram, tools. Use only a spark plug of the type approved by stihl and make sure it is in good. Look at the. Stihl 131 Parts Diagram.
From www.diyspareparts.com
Stihl FS 131 Brushcutter (FS 131) Parts Diagram, J DRIVE TUBE Stihl 131 Parts Diagram Select a page from the stihl fs 131 r brushcutter diagram to view the parts list and exploded view diagram. Select a page from the stihl ht 131 pole pruner diagram to view the parts list and exploded view diagram. All parts that fit a ht 131 pole pruner. Check the fuel filler cap for leaks at regular intervals. Select. Stihl 131 Parts Diagram.
From www.globalmowerspares.co.uk
Stihl FS131R Carburetor Lawn & turfcare machinery parts Stihl 131 Parts Diagram Look at the diagram and find parts that fit a stihl ht 131 pole pruner, or refer to the list. Stihl ht 131 pole pruner (ht131) parts diagram, tools. Select a page from the stihl fs 131 r brushcutter diagram to view the parts list and exploded view diagram. Use only a spark plug of the type approved by stihl. Stihl 131 Parts Diagram.
From www.diyspareparts.com
Stihl FS 131 R Brushcutter (FS 131 R) Parts Diagram, C MUFFLER & AIR FILTER Stihl 131 Parts Diagram All parts that fit a ht 131 z pole pruner. Stihl ht 131 pole pruner (ht131) parts diagram, tools. Use only a spark plug of the type approved by stihl and make sure it is in good. Select a page from the stihl ht 131 pole pruner diagram to view the parts list and exploded view diagram. Select a page. Stihl 131 Parts Diagram.
From www.diyspareparts.com
Stihl HT 131 Z Pole Pruner (HT131Z) Parts Diagram, Clutch Stihl 131 Parts Diagram Select a page from the stihl ht 131 z pole pruner diagram to view the parts list and exploded view diagram. Check the fuel filler cap for leaks at regular intervals. Stihl ht 131 pole pruner (ht131) parts diagram, tools. Select a page from the stihl ht 131 pole pruner diagram to view the parts list and exploded view diagram.. Stihl 131 Parts Diagram.
From www.diyspareparts.com
Stihl HT 131 Pole Pruner (HT131) Parts Diagram, Drive tube assembly HT131 Stihl 131 Parts Diagram Select a page from the stihl ht 131 pole pruner diagram to view the parts list and exploded view diagram. All parts that fit a ht 131 pole pruner. All parts that fit a ht 131 z pole pruner. Uk's largest stihl spare parts dealer. Check the fuel filler cap for leaks at regular intervals. Look at the diagram and. Stihl 131 Parts Diagram.
From www.diyspareparts.com
Stihl FS 131 Brushcutter (FS 131) Parts Diagram, G BIKE HANDLE Stihl 131 Parts Diagram Genuine spare parts and accessories for stihl ht131 pole pruners. Select a page from the stihl fs 131 r brushcutter diagram to view the parts list and exploded view diagram. All parts that fit a ht 131 z pole pruner. Uk's largest stihl spare parts dealer. All parts that fit a ht 131 pole pruner. Look at the diagram and. Stihl 131 Parts Diagram.
From www.diyspareparts.com
Stihl FS 131 R Brushcutter (FS 131 R) Parts Diagram, E CARBURETTOR Stihl 131 Parts Diagram All parts that fit a ht 131 pole pruner. Select a page from the stihl fs 131 r brushcutter diagram to view the parts list and exploded view diagram. Select a page from the stihl ht 131 pole pruner diagram to view the parts list and exploded view diagram. Genuine spare parts and accessories for stihl ht131 pole pruners. Use. Stihl 131 Parts Diagram.
From www.diyspareparts.com
Stihl HT 131 Pole Pruner (HT131) Parts Diagram, Ignition System Stihl 131 Parts Diagram Check the fuel filler cap for leaks at regular intervals. Stihl ht 131 pole pruner (ht131) parts diagram, tools. Look at the diagram and find parts that fit a stihl ht 131 pole pruner, or refer to the list. Genuine spare parts and accessories for stihl ht131 pole pruners. Select a page from the stihl fs 131 r brushcutter diagram. Stihl 131 Parts Diagram.
From www.diyspareparts.com
Stihl FS 131 R Brushcutter (FS 131 R) Parts Diagram, P TIGHTENING TORQUES Stihl 131 Parts Diagram Genuine spare parts and accessories for stihl ht131 pole pruners. Look at the diagram and find parts that fit a stihl ht 131 pole pruner, or refer to the list. All parts that fit a ht 131 z pole pruner. All parts that fit a fs 131 r brushcutter. Select a page from the stihl ht 131 z pole pruner. Stihl 131 Parts Diagram.
From diagramwiringschema.blogspot.com
Stihl Ht131 Parts Diagram diagramwirings Stihl 131 Parts Diagram All parts that fit a ht 131 pole pruner. Check the fuel filler cap for leaks at regular intervals. Use only a spark plug of the type approved by stihl and make sure it is in good. Select a page from the stihl ht 131 z pole pruner diagram to view the parts list and exploded view diagram. All parts. Stihl 131 Parts Diagram.
From www.lsengineers.co.uk
Gear Head Assembly for Stihl HT131 Pole Pruners L&S Engineers Stihl 131 Parts Diagram Select a page from the stihl ht 131 z pole pruner diagram to view the parts list and exploded view diagram. Select a page from the stihl fs 131 r brushcutter diagram to view the parts list and exploded view diagram. All parts that fit a ht 131 pole pruner. All parts that fit a ht 131 z pole pruner.. Stihl 131 Parts Diagram.
From drivenheisenberg.blogspot.com
Stihl Ht 131 Pole Saw Parts Diagram Drivenheisenberg Stihl 131 Parts Diagram Genuine spare parts and accessories for stihl ht131 pole pruners. All parts that fit a fs 131 r brushcutter. Look at the diagram and find parts that fit a stihl ht 131 pole pruner, or refer to the list. Check the fuel filler cap for leaks at regular intervals. Select a page from the stihl ht 131 z pole pruner. Stihl 131 Parts Diagram.
From www.diyspareparts.com
Stihl FS 131 R Brushcutter (FS 131 R) Parts Diagram, K GEAR HEAD Stihl 131 Parts Diagram Select a page from the stihl fs 131 r brushcutter diagram to view the parts list and exploded view diagram. Genuine spare parts and accessories for stihl ht131 pole pruners. Stihl ht 131 pole pruner (ht131) parts diagram, tools. Select a page from the stihl ht 131 z pole pruner diagram to view the parts list and exploded view diagram.. Stihl 131 Parts Diagram.
From datavisualexpert.com
Stihl HT 131 Parts Diagram and Service Manual Your Ultimate Guide Stihl 131 Parts Diagram All parts that fit a fs 131 r brushcutter. Look at the diagram and find parts that fit a stihl ht 131 pole pruner, or refer to the list. Use only a spark plug of the type approved by stihl and make sure it is in good. Select a page from the stihl ht 131 z pole pruner diagram to. Stihl 131 Parts Diagram.
From mungfali.com
Stihl HT 131 Parts List Stihl 131 Parts Diagram Check the fuel filler cap for leaks at regular intervals. All parts that fit a fs 131 r brushcutter. Select a page from the stihl ht 131 pole pruner diagram to view the parts list and exploded view diagram. Select a page from the stihl fs 131 r brushcutter diagram to view the parts list and exploded view diagram. Stihl. Stihl 131 Parts Diagram.
From www.diyspareparts.com
Stihl FS 131 R Brushcutter (FS 131 R) Parts Diagram, A ENGINE Stihl 131 Parts Diagram All parts that fit a ht 131 z pole pruner. Uk's largest stihl spare parts dealer. All parts that fit a ht 131 pole pruner. Select a page from the stihl fs 131 r brushcutter diagram to view the parts list and exploded view diagram. Genuine spare parts and accessories for stihl ht131 pole pruners. Select a page from the. Stihl 131 Parts Diagram.
From design1systems.com
Demystifying the Stihl FS 131 Parts Diagram A Comprehensive Guide Stihl 131 Parts Diagram All parts that fit a ht 131 pole pruner. All parts that fit a fs 131 r brushcutter. All parts that fit a ht 131 z pole pruner. Uk's largest stihl spare parts dealer. Genuine spare parts and accessories for stihl ht131 pole pruners. Look at the diagram and find parts that fit a stihl ht 131 pole pruner, or. Stihl 131 Parts Diagram.
From www.diyspareparts.com
Stihl FS 131 Brushcutter (FS 131) Parts Diagram, B STARTER & FUEL TANK Stihl 131 Parts Diagram Stihl ht 131 pole pruner (ht131) parts diagram, tools. Select a page from the stihl ht 131 z pole pruner diagram to view the parts list and exploded view diagram. Genuine spare parts and accessories for stihl ht131 pole pruners. All parts that fit a fs 131 r brushcutter. Use only a spark plug of the type approved by stihl. Stihl 131 Parts Diagram.
From electraschematics.com
The Ultimate Stihl HT133 Parts Diagram A Comprehensive Guide for Easy Stihl 131 Parts Diagram Check the fuel filler cap for leaks at regular intervals. Select a page from the stihl ht 131 z pole pruner diagram to view the parts list and exploded view diagram. All parts that fit a ht 131 pole pruner. Genuine spare parts and accessories for stihl ht131 pole pruners. Select a page from the stihl fs 131 r brushcutter. Stihl 131 Parts Diagram.
From www.diyspareparts.com
Stihl HT 131 Pole Pruner (HT131) Parts Diagram, Angle drive Stihl 131 Parts Diagram Stihl ht 131 pole pruner (ht131) parts diagram, tools. Select a page from the stihl fs 131 r brushcutter diagram to view the parts list and exploded view diagram. All parts that fit a ht 131 pole pruner. All parts that fit a ht 131 z pole pruner. Select a page from the stihl ht 131 z pole pruner diagram. Stihl 131 Parts Diagram.