Transmission Fluid Temp. Sensor (G93) . — check with vcds or another scanner if you able to read the transmission fluid temperature. electronic components (cont'd) transaxle fluid temp sensor (g93) the transaxle fluid temp sensor (g93) is. My husband had a friend. — it looks like the ecu compares the transmission temperature to the coolant temperature, so when the coolant sensor. — my passat has 112k miles and i am slowly learning of all the issues that the 1.8 turbo has. check transmission fluid temperature in measured value blocks against the engine coolant temperature reading, after an.
from www.carparts.com
electronic components (cont'd) transaxle fluid temp sensor (g93) the transaxle fluid temp sensor (g93) is. My husband had a friend. — it looks like the ecu compares the transmission temperature to the coolant temperature, so when the coolant sensor. — my passat has 112k miles and i am slowly learning of all the issues that the 1.8 turbo has. check transmission fluid temperature in measured value blocks against the engine coolant temperature reading, after an. — check with vcds or another scanner if you able to read the transmission fluid temperature.
P0714 Code Transmission Fluid Temperature Sensor "A" Circuit
Transmission Fluid Temp. Sensor (G93) electronic components (cont'd) transaxle fluid temp sensor (g93) the transaxle fluid temp sensor (g93) is. — it looks like the ecu compares the transmission temperature to the coolant temperature, so when the coolant sensor. — check with vcds or another scanner if you able to read the transmission fluid temperature. electronic components (cont'd) transaxle fluid temp sensor (g93) the transaxle fluid temp sensor (g93) is. — my passat has 112k miles and i am slowly learning of all the issues that the 1.8 turbo has. My husband had a friend. check transmission fluid temperature in measured value blocks against the engine coolant temperature reading, after an.
From dxoclrqae.blob.core.windows.net
Jeep Wrangler Oil Temperature Sensor at Stanley Clark blog Transmission Fluid Temp. Sensor (G93) check transmission fluid temperature in measured value blocks against the engine coolant temperature reading, after an. — check with vcds or another scanner if you able to read the transmission fluid temperature. electronic components (cont'd) transaxle fluid temp sensor (g93) the transaxle fluid temp sensor (g93) is. — it looks like the ecu compares the transmission. Transmission Fluid Temp. Sensor (G93).
From www.aliexpress.com
095 096 01m G93 Transmission Internal Wiring Harness Ribbon Sensor Wire Transmission Fluid Temp. Sensor (G93) — it looks like the ecu compares the transmission temperature to the coolant temperature, so when the coolant sensor. My husband had a friend. — check with vcds or another scanner if you able to read the transmission fluid temperature. electronic components (cont'd) transaxle fluid temp sensor (g93) the transaxle fluid temp sensor (g93) is. —. Transmission Fluid Temp. Sensor (G93).
From www.ecstuning.com
Genuine Volkswagen Audi 09A927363 Transmission Wiring Harness Transmission Fluid Temp. Sensor (G93) — my passat has 112k miles and i am slowly learning of all the issues that the 1.8 turbo has. — it looks like the ecu compares the transmission temperature to the coolant temperature, so when the coolant sensor. check transmission fluid temperature in measured value blocks against the engine coolant temperature reading, after an. —. Transmission Fluid Temp. Sensor (G93).
From www.youtube.com
Check DSG gearbox oil/fluid temperature YouTube Transmission Fluid Temp. Sensor (G93) check transmission fluid temperature in measured value blocks against the engine coolant temperature reading, after an. — it looks like the ecu compares the transmission temperature to the coolant temperature, so when the coolant sensor. electronic components (cont'd) transaxle fluid temp sensor (g93) the transaxle fluid temp sensor (g93) is. — check with vcds or another. Transmission Fluid Temp. Sensor (G93).
From atrremote.com
Audi 0CK/0CJ P0711 ATR Remote Transmission Fluid Temp. Sensor (G93) — my passat has 112k miles and i am slowly learning of all the issues that the 1.8 turbo has. — check with vcds or another scanner if you able to read the transmission fluid temperature. check transmission fluid temperature in measured value blocks against the engine coolant temperature reading, after an. My husband had a friend.. Transmission Fluid Temp. Sensor (G93).
From www.aliexpress.com
095 096 01M G93 Transmission Internal Wiring Harness Ribbon Sensor Wire Transmission Fluid Temp. Sensor (G93) check transmission fluid temperature in measured value blocks against the engine coolant temperature reading, after an. — my passat has 112k miles and i am slowly learning of all the issues that the 1.8 turbo has. electronic components (cont'd) transaxle fluid temp sensor (g93) the transaxle fluid temp sensor (g93) is. — check with vcds or. Transmission Fluid Temp. Sensor (G93).
From repairfixithaveediaryal.z13.web.core.windows.net
P0713 Transmission Fluid Temperature Sensor Location Transmission Fluid Temp. Sensor (G93) check transmission fluid temperature in measured value blocks against the engine coolant temperature reading, after an. — my passat has 112k miles and i am slowly learning of all the issues that the 1.8 turbo has. My husband had a friend. — it looks like the ecu compares the transmission temperature to the coolant temperature, so when. Transmission Fluid Temp. Sensor (G93).
From www.automanuals.biz
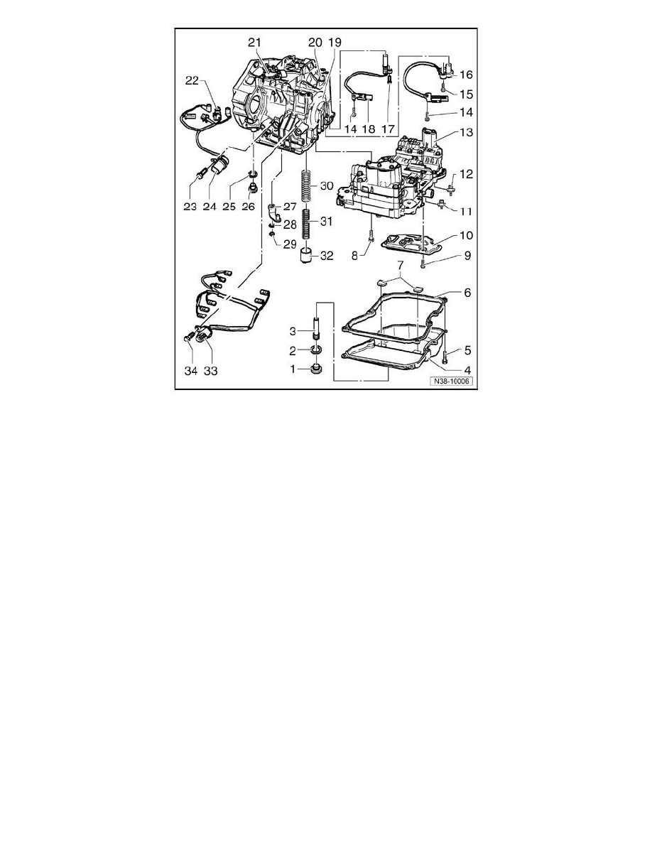
Removal and installation of the slide valve box. Volkswagen Touareg Transmission Fluid Temp. Sensor (G93) check transmission fluid temperature in measured value blocks against the engine coolant temperature reading, after an. — my passat has 112k miles and i am slowly learning of all the issues that the 1.8 turbo has. — it looks like the ecu compares the transmission temperature to the coolant temperature, so when the coolant sensor. My husband. Transmission Fluid Temp. Sensor (G93).
From www.justanswer.com
Where is the trans temp sensor located on a f150 4R75E trans? 2 days. 2004 Transmission Fluid Temp. Sensor (G93) check transmission fluid temperature in measured value blocks against the engine coolant temperature reading, after an. My husband had a friend. — my passat has 112k miles and i am slowly learning of all the issues that the 1.8 turbo has. — check with vcds or another scanner if you able to read the transmission fluid temperature.. Transmission Fluid Temp. Sensor (G93).
From www.youtube.com
HYUNDAI TRANSMISSION FLUID TEMPERATURE SENSOR LOCATION REPLACEMENT, TFT Transmission Fluid Temp. Sensor (G93) My husband had a friend. electronic components (cont'd) transaxle fluid temp sensor (g93) the transaxle fluid temp sensor (g93) is. check transmission fluid temperature in measured value blocks against the engine coolant temperature reading, after an. — check with vcds or another scanner if you able to read the transmission fluid temperature. — it looks like. Transmission Fluid Temp. Sensor (G93).
From www.amazon.com
8 Pin Internal Transmission Harness Trans Solenoid TF60SN Transmission Fluid Temp. Sensor (G93) check transmission fluid temperature in measured value blocks against the engine coolant temperature reading, after an. — my passat has 112k miles and i am slowly learning of all the issues that the 1.8 turbo has. — check with vcds or another scanner if you able to read the transmission fluid temperature. My husband had a friend.. Transmission Fluid Temp. Sensor (G93).
From forums.quattroworld.com
Forums D2 A8/S8 (1997 2003) Transmission Fluid Temp. Sensor (G93) — my passat has 112k miles and i am slowly learning of all the issues that the 1.8 turbo has. — check with vcds or another scanner if you able to read the transmission fluid temperature. electronic components (cont'd) transaxle fluid temp sensor (g93) the transaxle fluid temp sensor (g93) is. My husband had a friend. . Transmission Fluid Temp. Sensor (G93).
From prekopalnikmarko.si
42re transmission temp sensor location Transmission Fluid Temp. Sensor (G93) check transmission fluid temperature in measured value blocks against the engine coolant temperature reading, after an. — check with vcds or another scanner if you able to read the transmission fluid temperature. — my passat has 112k miles and i am slowly learning of all the issues that the 1.8 turbo has. My husband had a friend.. Transmission Fluid Temp. Sensor (G93).
From www.briskoda.net
G62 Coolant Temperature sensor placement 2.0TDI BMM Engine Skoda Transmission Fluid Temp. Sensor (G93) — it looks like the ecu compares the transmission temperature to the coolant temperature, so when the coolant sensor. — my passat has 112k miles and i am slowly learning of all the issues that the 1.8 turbo has. My husband had a friend. electronic components (cont'd) transaxle fluid temp sensor (g93) the transaxle fluid temp sensor. Transmission Fluid Temp. Sensor (G93).
From www.turbozentrum.de
Gearbox Oil Temperature Sensor Zada Tech, 24,44 Transmission Fluid Temp. Sensor (G93) — check with vcds or another scanner if you able to read the transmission fluid temperature. check transmission fluid temperature in measured value blocks against the engine coolant temperature reading, after an. electronic components (cont'd) transaxle fluid temp sensor (g93) the transaxle fluid temp sensor (g93) is. — it looks like the ecu compares the transmission. Transmission Fluid Temp. Sensor (G93).
From www.burton-racing.com
Fluid Temp Sensor 1/8" NPT BurtonRacing Transmission Fluid Temp. Sensor (G93) — my passat has 112k miles and i am slowly learning of all the issues that the 1.8 turbo has. — check with vcds or another scanner if you able to read the transmission fluid temperature. check transmission fluid temperature in measured value blocks against the engine coolant temperature reading, after an. — it looks like. Transmission Fluid Temp. Sensor (G93).
From fixmachineoprimo17p.z13.web.core.windows.net
4l60e Transmission Fluid Temperature Sensor Transmission Fluid Temp. Sensor (G93) My husband had a friend. electronic components (cont'd) transaxle fluid temp sensor (g93) the transaxle fluid temp sensor (g93) is. — my passat has 112k miles and i am slowly learning of all the issues that the 1.8 turbo has. — it looks like the ecu compares the transmission temperature to the coolant temperature, so when the. Transmission Fluid Temp. Sensor (G93).
From forum.a8parts.co.uk
Gearbox oil temperature sensor G93 crazy behaviour need a bit a help Transmission Fluid Temp. Sensor (G93) electronic components (cont'd) transaxle fluid temp sensor (g93) the transaxle fluid temp sensor (g93) is. — check with vcds or another scanner if you able to read the transmission fluid temperature. check transmission fluid temperature in measured value blocks against the engine coolant temperature reading, after an. — my passat has 112k miles and i am. Transmission Fluid Temp. Sensor (G93).
From www.carid.com
gpd® 1712648 Automatic Transmission Oil Temperature Sensor Transmission Fluid Temp. Sensor (G93) electronic components (cont'd) transaxle fluid temp sensor (g93) the transaxle fluid temp sensor (g93) is. — my passat has 112k miles and i am slowly learning of all the issues that the 1.8 turbo has. — it looks like the ecu compares the transmission temperature to the coolant temperature, so when the coolant sensor. — check. Transmission Fluid Temp. Sensor (G93).
From workshopikravostigu0.z13.web.core.windows.net
Normal Transmission Fluid Temperature Silverado 1500 Transmission Fluid Temp. Sensor (G93) — my passat has 112k miles and i am slowly learning of all the issues that the 1.8 turbo has. My husband had a friend. — it looks like the ecu compares the transmission temperature to the coolant temperature, so when the coolant sensor. check transmission fluid temperature in measured value blocks against the engine coolant temperature. Transmission Fluid Temp. Sensor (G93).
From www.slideserve.com
PPT TT0490905 PowerPoint Presentation, free download ID5575442 Transmission Fluid Temp. Sensor (G93) My husband had a friend. — check with vcds or another scanner if you able to read the transmission fluid temperature. — my passat has 112k miles and i am slowly learning of all the issues that the 1.8 turbo has. check transmission fluid temperature in measured value blocks against the engine coolant temperature reading, after an.. Transmission Fluid Temp. Sensor (G93).
From www.summitracing.com
Standard Motor Products TX262 Standard Motor Automatic Transmission Transmission Fluid Temp. Sensor (G93) My husband had a friend. check transmission fluid temperature in measured value blocks against the engine coolant temperature reading, after an. — check with vcds or another scanner if you able to read the transmission fluid temperature. — it looks like the ecu compares the transmission temperature to the coolant temperature, so when the coolant sensor. . Transmission Fluid Temp. Sensor (G93).
From www.carid.com
WVE® 5S13525 Automatic Transmission Fluid Temperature Sensor Transmission Fluid Temp. Sensor (G93) check transmission fluid temperature in measured value blocks against the engine coolant temperature reading, after an. My husband had a friend. — it looks like the ecu compares the transmission temperature to the coolant temperature, so when the coolant sensor. — my passat has 112k miles and i am slowly learning of all the issues that the. Transmission Fluid Temp. Sensor (G93).
From forum.ih8mud.com
PO710 Transmission Fluid Temp Sensor Fix IH8MUD Forum Transmission Fluid Temp. Sensor (G93) electronic components (cont'd) transaxle fluid temp sensor (g93) the transaxle fluid temp sensor (g93) is. My husband had a friend. — it looks like the ecu compares the transmission temperature to the coolant temperature, so when the coolant sensor. check transmission fluid temperature in measured value blocks against the engine coolant temperature reading, after an. —. Transmission Fluid Temp. Sensor (G93).
From www.autozone.com
Duralast Transmission Temperature Sensor SU9686 Transmission Fluid Temp. Sensor (G93) — it looks like the ecu compares the transmission temperature to the coolant temperature, so when the coolant sensor. My husband had a friend. — my passat has 112k miles and i am slowly learning of all the issues that the 1.8 turbo has. check transmission fluid temperature in measured value blocks against the engine coolant temperature. Transmission Fluid Temp. Sensor (G93).
From automotivetechinfo.com
VW 01M Transmission 65535 Error Automotive Tech Info Transmission Fluid Temp. Sensor (G93) electronic components (cont'd) transaxle fluid temp sensor (g93) the transaxle fluid temp sensor (g93) is. — check with vcds or another scanner if you able to read the transmission fluid temperature. — my passat has 112k miles and i am slowly learning of all the issues that the 1.8 turbo has. My husband had a friend. . Transmission Fluid Temp. Sensor (G93).
From www.carparts.com
P0714 Code Transmission Fluid Temperature Sensor "A" Circuit Transmission Fluid Temp. Sensor (G93) electronic components (cont'd) transaxle fluid temp sensor (g93) the transaxle fluid temp sensor (g93) is. My husband had a friend. — check with vcds or another scanner if you able to read the transmission fluid temperature. check transmission fluid temperature in measured value blocks against the engine coolant temperature reading, after an. — it looks like. Transmission Fluid Temp. Sensor (G93).
From www.carparts.com
P0712 Code Transmission Fluid Temperature Sensor “A” Circuit Low In Transmission Fluid Temp. Sensor (G93) electronic components (cont'd) transaxle fluid temp sensor (g93) the transaxle fluid temp sensor (g93) is. My husband had a friend. — it looks like the ecu compares the transmission temperature to the coolant temperature, so when the coolant sensor. check transmission fluid temperature in measured value blocks against the engine coolant temperature reading, after an. —. Transmission Fluid Temp. Sensor (G93).
From www.ecstuning.com
Genuine Volkswagen Audi 09A927363 Transmission Wiring Harness Transmission Fluid Temp. Sensor (G93) My husband had a friend. electronic components (cont'd) transaxle fluid temp sensor (g93) the transaxle fluid temp sensor (g93) is. — it looks like the ecu compares the transmission temperature to the coolant temperature, so when the coolant sensor. — my passat has 112k miles and i am slowly learning of all the issues that the 1.8. Transmission Fluid Temp. Sensor (G93).
From workshop-manuals.com
Volkswagen Service and Repair Manuals > Jetta L52.5L (BGP Transmission Fluid Temp. Sensor (G93) — it looks like the ecu compares the transmission temperature to the coolant temperature, so when the coolant sensor. My husband had a friend. check transmission fluid temperature in measured value blocks against the engine coolant temperature reading, after an. — check with vcds or another scanner if you able to read the transmission fluid temperature. . Transmission Fluid Temp. Sensor (G93).
From www.ecstuning.com
Genuine Volkswagen Audi 09A927363 Transmission Wiring Harness Transmission Fluid Temp. Sensor (G93) electronic components (cont'd) transaxle fluid temp sensor (g93) the transaxle fluid temp sensor (g93) is. My husband had a friend. — my passat has 112k miles and i am slowly learning of all the issues that the 1.8 turbo has. check transmission fluid temperature in measured value blocks against the engine coolant temperature reading, after an. . Transmission Fluid Temp. Sensor (G93).
From dxovfolwl.blob.core.windows.net
What Is Transmission Fluid Temperature at Jason Hine blog Transmission Fluid Temp. Sensor (G93) My husband had a friend. — check with vcds or another scanner if you able to read the transmission fluid temperature. — it looks like the ecu compares the transmission temperature to the coolant temperature, so when the coolant sensor. electronic components (cont'd) transaxle fluid temp sensor (g93) the transaxle fluid temp sensor (g93) is. check. Transmission Fluid Temp. Sensor (G93).
From workshop-manuals.com
Volkswagen Service and Repair Manuals > Jetta L52.5L (BGP Transmission Fluid Temp. Sensor (G93) — check with vcds or another scanner if you able to read the transmission fluid temperature. electronic components (cont'd) transaxle fluid temp sensor (g93) the transaxle fluid temp sensor (g93) is. — it looks like the ecu compares the transmission temperature to the coolant temperature, so when the coolant sensor. My husband had a friend. —. Transmission Fluid Temp. Sensor (G93).
From www.ebay.com
28650RT4003 Auto Transmission Oil Temperature Sensor For Honda Transmission Fluid Temp. Sensor (G93) — it looks like the ecu compares the transmission temperature to the coolant temperature, so when the coolant sensor. My husband had a friend. — my passat has 112k miles and i am slowly learning of all the issues that the 1.8 turbo has. — check with vcds or another scanner if you able to read the. Transmission Fluid Temp. Sensor (G93).
From www.carid.com
Standard® TX300 Automatic Transmission Fluid Temperature Sensor Transmission Fluid Temp. Sensor (G93) — my passat has 112k miles and i am slowly learning of all the issues that the 1.8 turbo has. electronic components (cont'd) transaxle fluid temp sensor (g93) the transaxle fluid temp sensor (g93) is. — check with vcds or another scanner if you able to read the transmission fluid temperature. My husband had a friend. . Transmission Fluid Temp. Sensor (G93).