Air Conditioning Honda Civic . The most common causes for ac blowing hot air in honda civic are low or overcharged refrigerant, compressor. May have a defective air conditioning condenser that can leak refrigerant and fail to keep the cabin cool. The most common causes that hinders normal operation of air conditioning system on your honda civic are dirty cabin air filter, refrigerant leak, dirty or clogged condenser, dirty or clogged evaporator, bad blower motor, defective compressor, faulty blend door actuator or any fault in the electrical system. Look for these if the vehicle’s air conditioner. Here are a few of the most common electrical problems that can keep your honda civic’s air conditioner from working correctly. Symptoms of a damaged condenser include warm air blowing out of the vents, strange noises coming from the ac system, and a leaking refrigerant. #hondacivic #civic #carmaintenance #airconditioning #carrepair this video is a detailed. While there has yet to be a recall for this problem, american honda motor company has issued an extended warranty for qualified models. If you’re experiencing issues with your honda civic’s air conditioning, it could be due to a broken condenser.
from repairfixsaburral.z5.web.core.windows.net
The most common causes for ac blowing hot air in honda civic are low or overcharged refrigerant, compressor. Here are a few of the most common electrical problems that can keep your honda civic’s air conditioner from working correctly. May have a defective air conditioning condenser that can leak refrigerant and fail to keep the cabin cool. The most common causes that hinders normal operation of air conditioning system on your honda civic are dirty cabin air filter, refrigerant leak, dirty or clogged condenser, dirty or clogged evaporator, bad blower motor, defective compressor, faulty blend door actuator or any fault in the electrical system. If you’re experiencing issues with your honda civic’s air conditioning, it could be due to a broken condenser. Symptoms of a damaged condenser include warm air blowing out of the vents, strange noises coming from the ac system, and a leaking refrigerant. While there has yet to be a recall for this problem, american honda motor company has issued an extended warranty for qualified models. Look for these if the vehicle’s air conditioner. #hondacivic #civic #carmaintenance #airconditioning #carrepair this video is a detailed.
Honda Civic Air Conditioning Compressor
Air Conditioning Honda Civic If you’re experiencing issues with your honda civic’s air conditioning, it could be due to a broken condenser. If you’re experiencing issues with your honda civic’s air conditioning, it could be due to a broken condenser. Here are a few of the most common electrical problems that can keep your honda civic’s air conditioner from working correctly. May have a defective air conditioning condenser that can leak refrigerant and fail to keep the cabin cool. Look for these if the vehicle’s air conditioner. While there has yet to be a recall for this problem, american honda motor company has issued an extended warranty for qualified models. The most common causes that hinders normal operation of air conditioning system on your honda civic are dirty cabin air filter, refrigerant leak, dirty or clogged condenser, dirty or clogged evaporator, bad blower motor, defective compressor, faulty blend door actuator or any fault in the electrical system. Symptoms of a damaged condenser include warm air blowing out of the vents, strange noises coming from the ac system, and a leaking refrigerant. The most common causes for ac blowing hot air in honda civic are low or overcharged refrigerant, compressor. #hondacivic #civic #carmaintenance #airconditioning #carrepair this video is a detailed.
From www.scribd.com
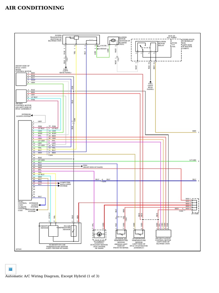
AIR CONDITIONING Honda Civic LX 2014 SYSTEM WIRING DIAGRAMS PDF Air Conditioning Honda Civic If you’re experiencing issues with your honda civic’s air conditioning, it could be due to a broken condenser. Here are a few of the most common electrical problems that can keep your honda civic’s air conditioner from working correctly. Look for these if the vehicle’s air conditioner. While there has yet to be a recall for this problem, american honda. Air Conditioning Honda Civic.
From www.motorverso.com
Honda Civic Air Conditioner Recall 🏎️ What Honda Owners Should Know Air Conditioning Honda Civic Symptoms of a damaged condenser include warm air blowing out of the vents, strange noises coming from the ac system, and a leaking refrigerant. #hondacivic #civic #carmaintenance #airconditioning #carrepair this video is a detailed. If you’re experiencing issues with your honda civic’s air conditioning, it could be due to a broken condenser. The most common causes for ac blowing hot. Air Conditioning Honda Civic.
From www.lazada.com.ph
Honda Civic (20162021) AC Evaporator Laminated Cooling Coil Auto Air Conditioning Honda Civic Symptoms of a damaged condenser include warm air blowing out of the vents, strange noises coming from the ac system, and a leaking refrigerant. While there has yet to be a recall for this problem, american honda motor company has issued an extended warranty for qualified models. Look for these if the vehicle’s air conditioner. #hondacivic #civic #carmaintenance #airconditioning #carrepair. Air Conditioning Honda Civic.
From wiredatabafachancay07jr.z14.web.core.windows.net
Installing Air Conditioning In Honda Civic Air Conditioning Honda Civic The most common causes for ac blowing hot air in honda civic are low or overcharged refrigerant, compressor. Look for these if the vehicle’s air conditioner. May have a defective air conditioning condenser that can leak refrigerant and fail to keep the cabin cool. Symptoms of a damaged condenser include warm air blowing out of the vents, strange noises coming. Air Conditioning Honda Civic.
From www.lazada.com.my
HONDA CIVIC 19921993 AIR COND CONDENSER R12 Lazada Air Conditioning Honda Civic May have a defective air conditioning condenser that can leak refrigerant and fail to keep the cabin cool. Symptoms of a damaged condenser include warm air blowing out of the vents, strange noises coming from the ac system, and a leaking refrigerant. #hondacivic #civic #carmaintenance #airconditioning #carrepair this video is a detailed. The most common causes that hinders normal operation. Air Conditioning Honda Civic.
From www.youtube.com
Budget EK Civic Build [Part 4] Installing AC on our Civic YouTube Air Conditioning Honda Civic Symptoms of a damaged condenser include warm air blowing out of the vents, strange noises coming from the ac system, and a leaking refrigerant. If you’re experiencing issues with your honda civic’s air conditioning, it could be due to a broken condenser. While there has yet to be a recall for this problem, american honda motor company has issued an. Air Conditioning Honda Civic.
From repairkylee55.z19.web.core.windows.net
Honda Civic 2016 Air Conditioning Air Conditioning Honda Civic While there has yet to be a recall for this problem, american honda motor company has issued an extended warranty for qualified models. The most common causes for ac blowing hot air in honda civic are low or overcharged refrigerant, compressor. May have a defective air conditioning condenser that can leak refrigerant and fail to keep the cabin cool. The. Air Conditioning Honda Civic.
From workshoprepairfeiffer99.z19.web.core.windows.net
2017 Honda Civic Air Conditioning Air Conditioning Honda Civic Look for these if the vehicle’s air conditioner. #hondacivic #civic #carmaintenance #airconditioning #carrepair this video is a detailed. The most common causes for ac blowing hot air in honda civic are low or overcharged refrigerant, compressor. The most common causes that hinders normal operation of air conditioning system on your honda civic are dirty cabin air filter, refrigerant leak, dirty. Air Conditioning Honda Civic.
From www.coolcarairconditioning.com.au
Air Conditioning A/C Compressor Honda Civic LX EX DX 2.0L Petrol 2016 Air Conditioning Honda Civic While there has yet to be a recall for this problem, american honda motor company has issued an extended warranty for qualified models. The most common causes for ac blowing hot air in honda civic are low or overcharged refrigerant, compressor. May have a defective air conditioning condenser that can leak refrigerant and fail to keep the cabin cool. Symptoms. Air Conditioning Honda Civic.
From enginepraetorial.z14.web.core.windows.net
Honda Civic Air Conditioning Compressor Air Conditioning Honda Civic The most common causes that hinders normal operation of air conditioning system on your honda civic are dirty cabin air filter, refrigerant leak, dirty or clogged condenser, dirty or clogged evaporator, bad blower motor, defective compressor, faulty blend door actuator or any fault in the electrical system. May have a defective air conditioning condenser that can leak refrigerant and fail. Air Conditioning Honda Civic.
From repairfixsaburral.z5.web.core.windows.net
Honda Civic Air Conditioning Compressor Air Conditioning Honda Civic The most common causes for ac blowing hot air in honda civic are low or overcharged refrigerant, compressor. If you’re experiencing issues with your honda civic’s air conditioning, it could be due to a broken condenser. Look for these if the vehicle’s air conditioner. #hondacivic #civic #carmaintenance #airconditioning #carrepair this video is a detailed. The most common causes that hinders. Air Conditioning Honda Civic.
From mechanicclarkmillers.z21.web.core.windows.net
Honda Civic Air Intake Air Conditioning Honda Civic May have a defective air conditioning condenser that can leak refrigerant and fail to keep the cabin cool. If you’re experiencing issues with your honda civic’s air conditioning, it could be due to a broken condenser. Here are a few of the most common electrical problems that can keep your honda civic’s air conditioner from working correctly. While there has. Air Conditioning Honda Civic.
From machineunger77.z19.web.core.windows.net
2016 Honda Civic Air Conditioning Recharge Air Conditioning Honda Civic The most common causes for ac blowing hot air in honda civic are low or overcharged refrigerant, compressor. While there has yet to be a recall for this problem, american honda motor company has issued an extended warranty for qualified models. Symptoms of a damaged condenser include warm air blowing out of the vents, strange noises coming from the ac. Air Conditioning Honda Civic.
From repairkylee55.z19.web.core.windows.net
Honda Civic 2016 Air Conditioning Air Conditioning Honda Civic While there has yet to be a recall for this problem, american honda motor company has issued an extended warranty for qualified models. Look for these if the vehicle’s air conditioner. #hondacivic #civic #carmaintenance #airconditioning #carrepair this video is a detailed. If you’re experiencing issues with your honda civic’s air conditioning, it could be due to a broken condenser. May. Air Conditioning Honda Civic.
From repairmachinefaerber88.z13.web.core.windows.net
Air Conditioner In Honda Civic Air Conditioning Honda Civic Symptoms of a damaged condenser include warm air blowing out of the vents, strange noises coming from the ac system, and a leaking refrigerant. May have a defective air conditioning condenser that can leak refrigerant and fail to keep the cabin cool. The most common causes for ac blowing hot air in honda civic are low or overcharged refrigerant, compressor.. Air Conditioning Honda Civic.
From www.lazada.com.my
HONDA CIVIC FC 2016 YEAR ORIGINAL COOLING COIL/ EVAPORATOR (CAR AIRCOND Air Conditioning Honda Civic May have a defective air conditioning condenser that can leak refrigerant and fail to keep the cabin cool. #hondacivic #civic #carmaintenance #airconditioning #carrepair this video is a detailed. Look for these if the vehicle’s air conditioner. While there has yet to be a recall for this problem, american honda motor company has issued an extended warranty for qualified models. Here. Air Conditioning Honda Civic.
From fixenginestephanie99.z19.web.core.windows.net
Honda Civic 2014 Ac Recharge Air Conditioning Honda Civic #hondacivic #civic #carmaintenance #airconditioning #carrepair this video is a detailed. While there has yet to be a recall for this problem, american honda motor company has issued an extended warranty for qualified models. The most common causes for ac blowing hot air in honda civic are low or overcharged refrigerant, compressor. The most common causes that hinders normal operation of. Air Conditioning Honda Civic.
From www.coolcarairconditioning.com.au
Genuine Air Conditioning A/C Compressor Honda Civic FD 2.0L 20062012 Air Conditioning Honda Civic While there has yet to be a recall for this problem, american honda motor company has issued an extended warranty for qualified models. The most common causes for ac blowing hot air in honda civic are low or overcharged refrigerant, compressor. Look for these if the vehicle’s air conditioner. The most common causes that hinders normal operation of air conditioning. Air Conditioning Honda Civic.
From www.youtube.com
HEATER AIR CONDITIONER CONTROL IN HONDA CIVIC HOW TO YouTube Air Conditioning Honda Civic Look for these if the vehicle’s air conditioner. Here are a few of the most common electrical problems that can keep your honda civic’s air conditioner from working correctly. Symptoms of a damaged condenser include warm air blowing out of the vents, strange noises coming from the ac system, and a leaking refrigerant. #hondacivic #civic #carmaintenance #airconditioning #carrepair this video. Air Conditioning Honda Civic.
From www.lazada.com.my
HONDA CIVIC FN2 '06 (IMPORT) (OVL) COOLING COIL EV1144 Evaporator AIR Air Conditioning Honda Civic May have a defective air conditioning condenser that can leak refrigerant and fail to keep the cabin cool. #hondacivic #civic #carmaintenance #airconditioning #carrepair this video is a detailed. The most common causes that hinders normal operation of air conditioning system on your honda civic are dirty cabin air filter, refrigerant leak, dirty or clogged condenser, dirty or clogged evaporator, bad. Air Conditioning Honda Civic.
From honda-tech.com
Honda Civic How to Replace Air Intake Hondatech Air Conditioning Honda Civic Look for these if the vehicle’s air conditioner. While there has yet to be a recall for this problem, american honda motor company has issued an extended warranty for qualified models. Here are a few of the most common electrical problems that can keep your honda civic’s air conditioner from working correctly. If you’re experiencing issues with your honda civic’s. Air Conditioning Honda Civic.
From workshoprepairtissen77.z19.web.core.windows.net
2016 Honda Civic Air Conditioning Recharge Air Conditioning Honda Civic Look for these if the vehicle’s air conditioner. Here are a few of the most common electrical problems that can keep your honda civic’s air conditioner from working correctly. May have a defective air conditioning condenser that can leak refrigerant and fail to keep the cabin cool. While there has yet to be a recall for this problem, american honda. Air Conditioning Honda Civic.
From www.youtube.com
HOW TO FIX Honda Civic, Accord, Acura Air Conditioning Clutch in FIVE Air Conditioning Honda Civic Look for these if the vehicle’s air conditioner. Symptoms of a damaged condenser include warm air blowing out of the vents, strange noises coming from the ac system, and a leaking refrigerant. If you’re experiencing issues with your honda civic’s air conditioning, it could be due to a broken condenser. The most common causes for ac blowing hot air in. Air Conditioning Honda Civic.
From garagejager88.z19.web.core.windows.net
2017 Honda Civic Air Conditioning Refrigerant Air Conditioning Honda Civic The most common causes for ac blowing hot air in honda civic are low or overcharged refrigerant, compressor. The most common causes that hinders normal operation of air conditioning system on your honda civic are dirty cabin air filter, refrigerant leak, dirty or clogged condenser, dirty or clogged evaporator, bad blower motor, defective compressor, faulty blend door actuator or any. Air Conditioning Honda Civic.
From repairfixmoise55.z13.web.core.windows.net
2016 Honda Civic Air Conditioning Recharge Air Conditioning Honda Civic The most common causes for ac blowing hot air in honda civic are low or overcharged refrigerant, compressor. Symptoms of a damaged condenser include warm air blowing out of the vents, strange noises coming from the ac system, and a leaking refrigerant. The most common causes that hinders normal operation of air conditioning system on your honda civic are dirty. Air Conditioning Honda Civic.
From www.aluminiumcarradiators.com
Car Air Conditioning Honda Civic Condenser 4 Doors 2012 OEM 80110TR0A01 Air Conditioning Honda Civic The most common causes for ac blowing hot air in honda civic are low or overcharged refrigerant, compressor. Symptoms of a damaged condenser include warm air blowing out of the vents, strange noises coming from the ac system, and a leaking refrigerant. Look for these if the vehicle’s air conditioner. While there has yet to be a recall for this. Air Conditioning Honda Civic.
From enginenavigates.z13.web.core.windows.net
How To Fix Ac In Honda Civic Air Conditioning Honda Civic Symptoms of a damaged condenser include warm air blowing out of the vents, strange noises coming from the ac system, and a leaking refrigerant. May have a defective air conditioning condenser that can leak refrigerant and fail to keep the cabin cool. Look for these if the vehicle’s air conditioner. While there has yet to be a recall for this. Air Conditioning Honda Civic.
From www.coolcarairconditioning.com.au
Air Conditioning A/C Compressor Honda Civic LX EX DX 2.0L Petrol 2016 Air Conditioning Honda Civic May have a defective air conditioning condenser that can leak refrigerant and fail to keep the cabin cool. Symptoms of a damaged condenser include warm air blowing out of the vents, strange noises coming from the ac system, and a leaking refrigerant. #hondacivic #civic #carmaintenance #airconditioning #carrepair this video is a detailed. The most common causes that hinders normal operation. Air Conditioning Honda Civic.
From hp-performances.com
Genuine Honda Air Conditioning Condenser Civic Type R EP3 Air Conditioning Honda Civic Symptoms of a damaged condenser include warm air blowing out of the vents, strange noises coming from the ac system, and a leaking refrigerant. Look for these if the vehicle’s air conditioner. Here are a few of the most common electrical problems that can keep your honda civic’s air conditioner from working correctly. While there has yet to be a. Air Conditioning Honda Civic.
From www.scribd.com
Air Conditioning Honda Civic Hybrid 2005 System Wiring Diagrams Air Conditioning Honda Civic May have a defective air conditioning condenser that can leak refrigerant and fail to keep the cabin cool. Symptoms of a damaged condenser include warm air blowing out of the vents, strange noises coming from the ac system, and a leaking refrigerant. While there has yet to be a recall for this problem, american honda motor company has issued an. Air Conditioning Honda Civic.
From hp-performances.com
Genuine Honda Air Conditioning Condenser Civic Type R FK2 1517 Air Conditioning Honda Civic May have a defective air conditioning condenser that can leak refrigerant and fail to keep the cabin cool. Here are a few of the most common electrical problems that can keep your honda civic’s air conditioner from working correctly. Symptoms of a damaged condenser include warm air blowing out of the vents, strange noises coming from the ac system, and. Air Conditioning Honda Civic.
From malaysiaminilover.com
Honda Civic Air Conditioning Problems, Symptoms and Solutions Air Conditioning Honda Civic If you’re experiencing issues with your honda civic’s air conditioning, it could be due to a broken condenser. The most common causes that hinders normal operation of air conditioning system on your honda civic are dirty cabin air filter, refrigerant leak, dirty or clogged condenser, dirty or clogged evaporator, bad blower motor, defective compressor, faulty blend door actuator or any. Air Conditioning Honda Civic.
From garagesatnicamayji.z22.web.core.windows.net
Honda Civic Recall Air Conditioning Air Conditioning Honda Civic The most common causes that hinders normal operation of air conditioning system on your honda civic are dirty cabin air filter, refrigerant leak, dirty or clogged condenser, dirty or clogged evaporator, bad blower motor, defective compressor, faulty blend door actuator or any fault in the electrical system. May have a defective air conditioning condenser that can leak refrigerant and fail. Air Conditioning Honda Civic.
From enginesankt77.z21.web.core.windows.net
Honda Civic 2017 Air Conditioning Air Conditioning Honda Civic Symptoms of a damaged condenser include warm air blowing out of the vents, strange noises coming from the ac system, and a leaking refrigerant. Here are a few of the most common electrical problems that can keep your honda civic’s air conditioner from working correctly. The most common causes for ac blowing hot air in honda civic are low or. Air Conditioning Honda Civic.
From fixenginebridemaid.z21.web.core.windows.net
Honda Civic 2017 Air Conditioner Air Conditioning Honda Civic While there has yet to be a recall for this problem, american honda motor company has issued an extended warranty for qualified models. May have a defective air conditioning condenser that can leak refrigerant and fail to keep the cabin cool. Here are a few of the most common electrical problems that can keep your honda civic’s air conditioner from. Air Conditioning Honda Civic.