Electronic Speed Controller Simulink . The control subsystem uses a pi. A common actuator in control. An ideal torque source provides the load. This example shows how to control the rotor speed in a bldc based electrical drive. Building the model with simulink. Use these steps to design a speed control algorithm: Create a speed controller subsystem. The current controller subsystem that you. This paper describes the matlab/simulink realization of the dc motor speed control methods, namely field resistance, armature voltage and armature resistance control methods,. Building the model with simscape. This article delves into the complexities of bldc motor control, focusing on how simulink, a powerful simulation tool from mathworks, can.
from www.chegg.com
An ideal torque source provides the load. Building the model with simscape. This article delves into the complexities of bldc motor control, focusing on how simulink, a powerful simulation tool from mathworks, can. Building the model with simulink. The current controller subsystem that you. Use these steps to design a speed control algorithm: Create a speed controller subsystem. The control subsystem uses a pi. A common actuator in control. This example shows how to control the rotor speed in a bldc based electrical drive.
Solved Closed Loop DC Motor Speed control opamp PID Simulink
Electronic Speed Controller Simulink This example shows how to control the rotor speed in a bldc based electrical drive. This paper describes the matlab/simulink realization of the dc motor speed control methods, namely field resistance, armature voltage and armature resistance control methods,. The current controller subsystem that you. A common actuator in control. Building the model with simscape. This example shows how to control the rotor speed in a bldc based electrical drive. Use these steps to design a speed control algorithm: Create a speed controller subsystem. Building the model with simulink. An ideal torque source provides the load. The control subsystem uses a pi. This article delves into the complexities of bldc motor control, focusing on how simulink, a powerful simulation tool from mathworks, can.
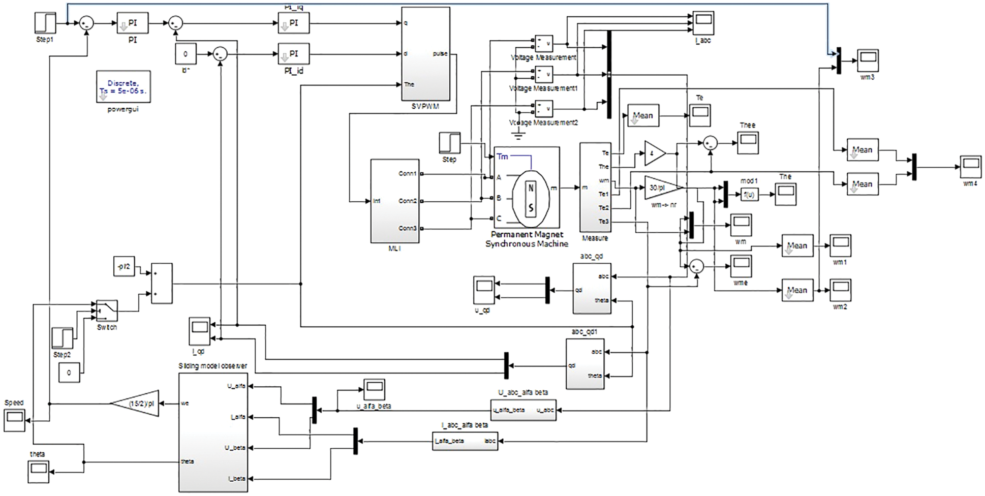
From www.researchgate.net
The Simulink model of the PMSM speed controller. Download Scientific Electronic Speed Controller Simulink An ideal torque source provides the load. Use these steps to design a speed control algorithm: This article delves into the complexities of bldc motor control, focusing on how simulink, a powerful simulation tool from mathworks, can. Building the model with simulink. This example shows how to control the rotor speed in a bldc based electrical drive. The current controller. Electronic Speed Controller Simulink.
From www.mathworks.com
BLDC Motor Speed Control with Cascade PI Controllers MATLAB & Simulink Electronic Speed Controller Simulink An ideal torque source provides the load. This article delves into the complexities of bldc motor control, focusing on how simulink, a powerful simulation tool from mathworks, can. This example shows how to control the rotor speed in a bldc based electrical drive. Building the model with simscape. The current controller subsystem that you. This paper describes the matlab/simulink realization. Electronic Speed Controller Simulink.
From 1ohm.in
Simonk 30A ESC Brushless BLDC Motor Electronic Speed Controller for Electronic Speed Controller Simulink This article delves into the complexities of bldc motor control, focusing on how simulink, a powerful simulation tool from mathworks, can. A common actuator in control. Building the model with simulink. Building the model with simscape. This paper describes the matlab/simulink realization of the dc motor speed control methods, namely field resistance, armature voltage and armature resistance control methods,. This. Electronic Speed Controller Simulink.
From simple-circuit.com
BLDC Motor control using Arduino Speed control with potentiometer Electronic Speed Controller Simulink Building the model with simscape. A common actuator in control. Use these steps to design a speed control algorithm: An ideal torque source provides the load. Create a speed controller subsystem. This paper describes the matlab/simulink realization of the dc motor speed control methods, namely field resistance, armature voltage and armature resistance control methods,. The current controller subsystem that you.. Electronic Speed Controller Simulink.
From www.youtube.com
Speed control of dc motor using MATLAB Simulink MATLAB TUTORIAL Electronic Speed Controller Simulink A common actuator in control. Create a speed controller subsystem. This article delves into the complexities of bldc motor control, focusing on how simulink, a powerful simulation tool from mathworks, can. An ideal torque source provides the load. This paper describes the matlab/simulink realization of the dc motor speed control methods, namely field resistance, armature voltage and armature resistance control. Electronic Speed Controller Simulink.
From www.eeweb.com
Electronic Speed Controller (ESC) with Arduino EE Electronic Speed Controller Simulink This example shows how to control the rotor speed in a bldc based electrical drive. The control subsystem uses a pi. Use these steps to design a speed control algorithm: An ideal torque source provides the load. Create a speed controller subsystem. Building the model with simulink. Building the model with simscape. The current controller subsystem that you. A common. Electronic Speed Controller Simulink.
From www.researchgate.net
(PDF) An antiwindup selftuning fuzzy PID controller for speed control Electronic Speed Controller Simulink An ideal torque source provides the load. Building the model with simulink. A common actuator in control. The current controller subsystem that you. This article delves into the complexities of bldc motor control, focusing on how simulink, a powerful simulation tool from mathworks, can. Use these steps to design a speed control algorithm: The control subsystem uses a pi. This. Electronic Speed Controller Simulink.
From electronics.stackexchange.com
How to control position and speed of a motor in Simulink? Electrical Electronic Speed Controller Simulink This article delves into the complexities of bldc motor control, focusing on how simulink, a powerful simulation tool from mathworks, can. An ideal torque source provides the load. Use these steps to design a speed control algorithm: Building the model with simscape. This example shows how to control the rotor speed in a bldc based electrical drive. Create a speed. Electronic Speed Controller Simulink.
From howtomechatronics.com
How Brushless DC Motor Works? BLDC and ESC Explained Electronic Speed Controller Simulink A common actuator in control. This paper describes the matlab/simulink realization of the dc motor speed control methods, namely field resistance, armature voltage and armature resistance control methods,. The control subsystem uses a pi. Use these steps to design a speed control algorithm: Create a speed controller subsystem. Building the model with simscape. This example shows how to control the. Electronic Speed Controller Simulink.
From www.slideserve.com
PPT SPEED CONTROL OF DC MOTOR USING FUZZY LOGIC CONTROLLER PowerPoint Electronic Speed Controller Simulink This article delves into the complexities of bldc motor control, focusing on how simulink, a powerful simulation tool from mathworks, can. Building the model with simscape. A common actuator in control. The control subsystem uses a pi. Create a speed controller subsystem. This example shows how to control the rotor speed in a bldc based electrical drive. An ideal torque. Electronic Speed Controller Simulink.
From www.researchgate.net
(PDF) Simulink/ModelSim cosimulation of sensorless PMSM speed controller Electronic Speed Controller Simulink Building the model with simscape. Use these steps to design a speed control algorithm: This article delves into the complexities of bldc motor control, focusing on how simulink, a powerful simulation tool from mathworks, can. This paper describes the matlab/simulink realization of the dc motor speed control methods, namely field resistance, armature voltage and armature resistance control methods,. Create a. Electronic Speed Controller Simulink.
From www.youtube.com
Design BLDC Motor Speed Controller in Simulink MATLABHelper Blog Electronic Speed Controller Simulink Create a speed controller subsystem. The control subsystem uses a pi. Use these steps to design a speed control algorithm: The current controller subsystem that you. Building the model with simscape. This article delves into the complexities of bldc motor control, focusing on how simulink, a powerful simulation tool from mathworks, can. A common actuator in control. This paper describes. Electronic Speed Controller Simulink.
From www.researchgate.net
Real time simulink model for the fast output feedback controller Electronic Speed Controller Simulink An ideal torque source provides the load. Use these steps to design a speed control algorithm: Create a speed controller subsystem. A common actuator in control. Building the model with simscape. Building the model with simulink. The current controller subsystem that you. This paper describes the matlab/simulink realization of the dc motor speed control methods, namely field resistance, armature voltage. Electronic Speed Controller Simulink.
From www.semanticscholar.org
Figure 1 from Design and Simulation of Speed Control of DC Motor by Electronic Speed Controller Simulink Create a speed controller subsystem. An ideal torque source provides the load. This paper describes the matlab/simulink realization of the dc motor speed control methods, namely field resistance, armature voltage and armature resistance control methods,. This example shows how to control the rotor speed in a bldc based electrical drive. Building the model with simulink. The control subsystem uses a. Electronic Speed Controller Simulink.
From www.slideserve.com
PPT SPEED CONTROL OF DC MOTOR USING FUZZY LOGIC CONTROLLER PowerPoint Electronic Speed Controller Simulink This paper describes the matlab/simulink realization of the dc motor speed control methods, namely field resistance, armature voltage and armature resistance control methods,. An ideal torque source provides the load. A common actuator in control. The control subsystem uses a pi. The current controller subsystem that you. Building the model with simulink. This example shows how to control the rotor. Electronic Speed Controller Simulink.
From www.techscience.com
IASC Free FullText A Sensorless Surface Mounted PMSM for Electronic Speed Controller Simulink Building the model with simulink. This article delves into the complexities of bldc motor control, focusing on how simulink, a powerful simulation tool from mathworks, can. Use these steps to design a speed control algorithm: This paper describes the matlab/simulink realization of the dc motor speed control methods, namely field resistance, armature voltage and armature resistance control methods,. This example. Electronic Speed Controller Simulink.
From reefwing.medium.com
An Arduino Nano Electronic Speed Controller (ESC) — Part 1 by David Electronic Speed Controller Simulink Use these steps to design a speed control algorithm: An ideal torque source provides the load. The current controller subsystem that you. The control subsystem uses a pi. A common actuator in control. This article delves into the complexities of bldc motor control, focusing on how simulink, a powerful simulation tool from mathworks, can. Building the model with simscape. This. Electronic Speed Controller Simulink.
From www.reddit.com
Simulink/simscape speed control of a DC motor using PWM and PID Electronic Speed Controller Simulink An ideal torque source provides the load. Create a speed controller subsystem. Building the model with simulink. A common actuator in control. The control subsystem uses a pi. Use these steps to design a speed control algorithm: This paper describes the matlab/simulink realization of the dc motor speed control methods, namely field resistance, armature voltage and armature resistance control methods,.. Electronic Speed Controller Simulink.
From www.researchgate.net
SRM simulink model with PI controller Download Scientific Diagram Electronic Speed Controller Simulink An ideal torque source provides the load. Building the model with simulink. Building the model with simscape. A common actuator in control. Create a speed controller subsystem. The control subsystem uses a pi. Use these steps to design a speed control algorithm: This example shows how to control the rotor speed in a bldc based electrical drive. This article delves. Electronic Speed Controller Simulink.
From www.chegg.com
Solved Closed Loop DC Motor Speed control opamp PID Simulink Electronic Speed Controller Simulink An ideal torque source provides the load. Building the model with simscape. Use these steps to design a speed control algorithm: Create a speed controller subsystem. This paper describes the matlab/simulink realization of the dc motor speed control methods, namely field resistance, armature voltage and armature resistance control methods,. This example shows how to control the rotor speed in a. Electronic Speed Controller Simulink.
From itecnotes.com
Electronic Correct version of PWM speed control of BLDC Valuable Electronic Speed Controller Simulink This example shows how to control the rotor speed in a bldc based electrical drive. Building the model with simulink. An ideal torque source provides the load. The control subsystem uses a pi. A common actuator in control. This paper describes the matlab/simulink realization of the dc motor speed control methods, namely field resistance, armature voltage and armature resistance control. Electronic Speed Controller Simulink.
From lasopatc659.weebly.com
Speed control of induction motor using matlab simulink lasopatc Electronic Speed Controller Simulink Building the model with simscape. Create a speed controller subsystem. Use these steps to design a speed control algorithm: A common actuator in control. This paper describes the matlab/simulink realization of the dc motor speed control methods, namely field resistance, armature voltage and armature resistance control methods,. An ideal torque source provides the load. The current controller subsystem that you.. Electronic Speed Controller Simulink.
From www.solomotorcontrollers.com
Torque and Speed Controlling of a PMSM/BLDC using Simulink and SOLO Electronic Speed Controller Simulink The control subsystem uses a pi. This paper describes the matlab/simulink realization of the dc motor speed control methods, namely field resistance, armature voltage and armature resistance control methods,. Use these steps to design a speed control algorithm: Create a speed controller subsystem. The current controller subsystem that you. This example shows how to control the rotor speed in a. Electronic Speed Controller Simulink.
From journals.sagepub.com
LQR optimized BP neural network PI controller for speed control of Electronic Speed Controller Simulink Create a speed controller subsystem. Building the model with simscape. Use these steps to design a speed control algorithm: This article delves into the complexities of bldc motor control, focusing on how simulink, a powerful simulation tool from mathworks, can. The current controller subsystem that you. This paper describes the matlab/simulink realization of the dc motor speed control methods, namely. Electronic Speed Controller Simulink.
From www.mathworks.com
Simulate Variable Speed Motor Control MATLAB & Simulink Electronic Speed Controller Simulink An ideal torque source provides the load. This example shows how to control the rotor speed in a bldc based electrical drive. Create a speed controller subsystem. A common actuator in control. Building the model with simulink. The control subsystem uses a pi. Building the model with simscape. This paper describes the matlab/simulink realization of the dc motor speed control. Electronic Speed Controller Simulink.
From en.wikipedia.org
Electronic speed control Wikipedia Electronic Speed Controller Simulink A common actuator in control. The control subsystem uses a pi. The current controller subsystem that you. Use these steps to design a speed control algorithm: This example shows how to control the rotor speed in a bldc based electrical drive. An ideal torque source provides the load. Create a speed controller subsystem. Building the model with simulink. Building the. Electronic Speed Controller Simulink.
From www.mathworks.com
OpenLoop and ClosedLoop Control MATLAB & Simulink Electronic Speed Controller Simulink Create a speed controller subsystem. Use these steps to design a speed control algorithm: This example shows how to control the rotor speed in a bldc based electrical drive. Building the model with simscape. A common actuator in control. This article delves into the complexities of bldc motor control, focusing on how simulink, a powerful simulation tool from mathworks, can.. Electronic Speed Controller Simulink.
From cselectricalandelectronics.com
Closed Loop Speed Control Of BLDC Motor MATLAB Simulink File Electronic Speed Controller Simulink Building the model with simulink. The current controller subsystem that you. An ideal torque source provides the load. Create a speed controller subsystem. Use these steps to design a speed control algorithm: The control subsystem uses a pi. This paper describes the matlab/simulink realization of the dc motor speed control methods, namely field resistance, armature voltage and armature resistance control. Electronic Speed Controller Simulink.
From www.researchgate.net
MATLAB/Simulink implementation block diagram for sensorless control of Electronic Speed Controller Simulink Create a speed controller subsystem. This example shows how to control the rotor speed in a bldc based electrical drive. An ideal torque source provides the load. This article delves into the complexities of bldc motor control, focusing on how simulink, a powerful simulation tool from mathworks, can. Use these steps to design a speed control algorithm: The current controller. Electronic Speed Controller Simulink.
From www.add2.co.uk
Modelbased Design of Control Systems Using Simulink Electronic Speed Controller Simulink A common actuator in control. Use these steps to design a speed control algorithm: Building the model with simulink. The current controller subsystem that you. This paper describes the matlab/simulink realization of the dc motor speed control methods, namely field resistance, armature voltage and armature resistance control methods,. Create a speed controller subsystem. The control subsystem uses a pi. This. Electronic Speed Controller Simulink.
From studylib.net
DC motor speed control methods using MATLAB/Simulink and their Electronic Speed Controller Simulink The current controller subsystem that you. Building the model with simscape. The control subsystem uses a pi. Building the model with simulink. This paper describes the matlab/simulink realization of the dc motor speed control methods, namely field resistance, armature voltage and armature resistance control methods,. Create a speed controller subsystem. An ideal torque source provides the load. A common actuator. Electronic Speed Controller Simulink.
From www.researchgate.net
(PDF) PI controller for DC motor speed realized with Arduino and Simulink Electronic Speed Controller Simulink This paper describes the matlab/simulink realization of the dc motor speed control methods, namely field resistance, armature voltage and armature resistance control methods,. A common actuator in control. Use these steps to design a speed control algorithm: An ideal torque source provides the load. Create a speed controller subsystem. The control subsystem uses a pi. Building the model with simulink.. Electronic Speed Controller Simulink.
From powersimtech.com
PSIM SimCoupler CoSimulate with Simulink Powersim, Inc Electronic Speed Controller Simulink The current controller subsystem that you. Building the model with simscape. The control subsystem uses a pi. A common actuator in control. An ideal torque source provides the load. This paper describes the matlab/simulink realization of the dc motor speed control methods, namely field resistance, armature voltage and armature resistance control methods,. This article delves into the complexities of bldc. Electronic Speed Controller Simulink.
From www.mathworks.com
Design Active Disturbance Rejection Control for BLDC Speed Control Electronic Speed Controller Simulink The current controller subsystem that you. A common actuator in control. Create a speed controller subsystem. Building the model with simscape. The control subsystem uses a pi. Building the model with simulink. This paper describes the matlab/simulink realization of the dc motor speed control methods, namely field resistance, armature voltage and armature resistance control methods,. Use these steps to design. Electronic Speed Controller Simulink.
From www.slideserve.com
PPT SPEED CONTROL OF DC MOTOR USING FUZZY LOGIC CONTROLLER PowerPoint Electronic Speed Controller Simulink A common actuator in control. The control subsystem uses a pi. Building the model with simulink. Building the model with simscape. This example shows how to control the rotor speed in a bldc based electrical drive. This paper describes the matlab/simulink realization of the dc motor speed control methods, namely field resistance, armature voltage and armature resistance control methods,. This. Electronic Speed Controller Simulink.