Whirlpool Side By Side Refrigerator Ice Maker Repair . Need help replacing the ice maker (part # 2198597) in your whirlpool refrigerator? Is the refrigerator making ice? To reset the ice maker, unplug the refrigerator for 1. Ice maker is making ice,. If the dispenser is dispensing water but not ice, check if the ice maker is making ice. It can be incredibly frustrating when your ice maker stops working, especially when you want to. Is your whirlpool ice maker not making ice, leaking, or otherwise not working? If the ice maker is making ice, but not dumping it into the ice bin try resetting the ice maker.
from www.justanswer.com
Ice maker is making ice,. If the dispenser is dispensing water but not ice, check if the ice maker is making ice. Is your whirlpool ice maker not making ice, leaking, or otherwise not working? Is the refrigerator making ice? To reset the ice maker, unplug the refrigerator for 1. If the ice maker is making ice, but not dumping it into the ice bin try resetting the ice maker. It can be incredibly frustrating when your ice maker stops working, especially when you want to. Need help replacing the ice maker (part # 2198597) in your whirlpool refrigerator?
On a whirlpool side by side refrigerator, with ice maker in door, the dispenser will not work
Whirlpool Side By Side Refrigerator Ice Maker Repair If the dispenser is dispensing water but not ice, check if the ice maker is making ice. Ice maker is making ice,. If the ice maker is making ice, but not dumping it into the ice bin try resetting the ice maker. Need help replacing the ice maker (part # 2198597) in your whirlpool refrigerator? If the dispenser is dispensing water but not ice, check if the ice maker is making ice. Is the refrigerator making ice? To reset the ice maker, unplug the refrigerator for 1. Is your whirlpool ice maker not making ice, leaking, or otherwise not working? It can be incredibly frustrating when your ice maker stops working, especially when you want to.
From assistdliver.blogspot.com
Why Is My Whirlpool Refrigerator Not Making Ice Whirlpool Side By Side Refrigerator Not Making Whirlpool Side By Side Refrigerator Ice Maker Repair Is the refrigerator making ice? If the ice maker is making ice, but not dumping it into the ice bin try resetting the ice maker. Ice maker is making ice,. Need help replacing the ice maker (part # 2198597) in your whirlpool refrigerator? To reset the ice maker, unplug the refrigerator for 1. It can be incredibly frustrating when your. Whirlpool Side By Side Refrigerator Ice Maker Repair.
From removeandreplace.com
Whirlpool Gold Series Refrigerator User Manual Whirlpool Side By Side Refrigerator Ice Maker Repair Is the refrigerator making ice? If the ice maker is making ice, but not dumping it into the ice bin try resetting the ice maker. If the dispenser is dispensing water but not ice, check if the ice maker is making ice. Need help replacing the ice maker (part # 2198597) in your whirlpool refrigerator? Is your whirlpool ice maker. Whirlpool Side By Side Refrigerator Ice Maker Repair.
From www.justanswer.com
My whirlpool side by side refrigerator leaks water into the freezer compartment... I assume it Whirlpool Side By Side Refrigerator Ice Maker Repair Ice maker is making ice,. If the dispenser is dispensing water but not ice, check if the ice maker is making ice. It can be incredibly frustrating when your ice maker stops working, especially when you want to. To reset the ice maker, unplug the refrigerator for 1. Need help replacing the ice maker (part # 2198597) in your whirlpool. Whirlpool Side By Side Refrigerator Ice Maker Repair.
From storables.com
How To Repair Ice Maker In Whirlpool Refrigerator Storables Whirlpool Side By Side Refrigerator Ice Maker Repair Is your whirlpool ice maker not making ice, leaking, or otherwise not working? Ice maker is making ice,. If the ice maker is making ice, but not dumping it into the ice bin try resetting the ice maker. To reset the ice maker, unplug the refrigerator for 1. Is the refrigerator making ice? If the dispenser is dispensing water but. Whirlpool Side By Side Refrigerator Ice Maker Repair.
From www.youtube.com
Whirlpool Side by Side Refrigerator Not Cooling at all How to Troubleshoot YouTube Whirlpool Side By Side Refrigerator Ice Maker Repair Is your whirlpool ice maker not making ice, leaking, or otherwise not working? It can be incredibly frustrating when your ice maker stops working, especially when you want to. To reset the ice maker, unplug the refrigerator for 1. Ice maker is making ice,. Is the refrigerator making ice? Need help replacing the ice maker (part # 2198597) in your. Whirlpool Side By Side Refrigerator Ice Maker Repair.
From www.searspartsdirect.com
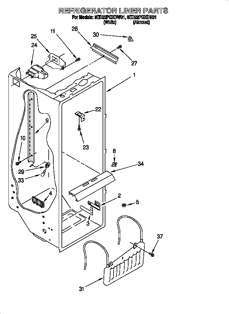
Whirlpool 8ED22PQXDN01 sidebyside refrigerator parts Sears PartsDirect Whirlpool Side By Side Refrigerator Ice Maker Repair Need help replacing the ice maker (part # 2198597) in your whirlpool refrigerator? If the ice maker is making ice, but not dumping it into the ice bin try resetting the ice maker. To reset the ice maker, unplug the refrigerator for 1. Is your whirlpool ice maker not making ice, leaking, or otherwise not working? Is the refrigerator making. Whirlpool Side By Side Refrigerator Ice Maker Repair.
From www.bestbuy.com
Best Buy Whirlpool Icemaker Kit for Most Whirlpool, Amana and JennAir SidebySide Whirlpool Side By Side Refrigerator Ice Maker Repair It can be incredibly frustrating when your ice maker stops working, especially when you want to. Need help replacing the ice maker (part # 2198597) in your whirlpool refrigerator? Is the refrigerator making ice? Ice maker is making ice,. If the dispenser is dispensing water but not ice, check if the ice maker is making ice. If the ice maker. Whirlpool Side By Side Refrigerator Ice Maker Repair.
From www.youtube.com
Refrigerator Ice Maker Not Working Top 3 Reasons & Fixes Kenmore, Whirlpool, Frigidaire Whirlpool Side By Side Refrigerator Ice Maker Repair To reset the ice maker, unplug the refrigerator for 1. Need help replacing the ice maker (part # 2198597) in your whirlpool refrigerator? If the ice maker is making ice, but not dumping it into the ice bin try resetting the ice maker. It can be incredibly frustrating when your ice maker stops working, especially when you want to. Ice. Whirlpool Side By Side Refrigerator Ice Maker Repair.
From farmfoodfamily.com
Whirlpool Refrigerator Ice Maker Not Working? {How To Fix} Whirlpool Side By Side Refrigerator Ice Maker Repair If the dispenser is dispensing water but not ice, check if the ice maker is making ice. Is the refrigerator making ice? Is your whirlpool ice maker not making ice, leaking, or otherwise not working? Need help replacing the ice maker (part # 2198597) in your whirlpool refrigerator? Ice maker is making ice,. To reset the ice maker, unplug the. Whirlpool Side By Side Refrigerator Ice Maker Repair.
From www.youtube.com
Refrigerator Repair Replacing the Ice Guide (Whirlpool Part 2180224) YouTube Whirlpool Side By Side Refrigerator Ice Maker Repair If the ice maker is making ice, but not dumping it into the ice bin try resetting the ice maker. To reset the ice maker, unplug the refrigerator for 1. Ice maker is making ice,. Need help replacing the ice maker (part # 2198597) in your whirlpool refrigerator? If the dispenser is dispensing water but not ice, check if the. Whirlpool Side By Side Refrigerator Ice Maker Repair.
From www.youtube.com
How to fix whirlpool Ice Maker (PART 1) YouTube Whirlpool Side By Side Refrigerator Ice Maker Repair It can be incredibly frustrating when your ice maker stops working, especially when you want to. If the dispenser is dispensing water but not ice, check if the ice maker is making ice. Ice maker is making ice,. Is your whirlpool ice maker not making ice, leaking, or otherwise not working? If the ice maker is making ice, but not. Whirlpool Side By Side Refrigerator Ice Maker Repair.
From whirlpoolpartsenko.blogspot.com
Whirlpool Parts Whirlpool Refrigerator Ice Maker Parts Diagram Whirlpool Side By Side Refrigerator Ice Maker Repair If the dispenser is dispensing water but not ice, check if the ice maker is making ice. Ice maker is making ice,. If the ice maker is making ice, but not dumping it into the ice bin try resetting the ice maker. It can be incredibly frustrating when your ice maker stops working, especially when you want to. Is the. Whirlpool Side By Side Refrigerator Ice Maker Repair.
From storables.com
How To Fix A Ice Maker On A Whirlpool Refrigerator Storables Whirlpool Side By Side Refrigerator Ice Maker Repair To reset the ice maker, unplug the refrigerator for 1. Is your whirlpool ice maker not making ice, leaking, or otherwise not working? Is the refrigerator making ice? If the ice maker is making ice, but not dumping it into the ice bin try resetting the ice maker. Need help replacing the ice maker (part # 2198597) in your whirlpool. Whirlpool Side By Side Refrigerator Ice Maker Repair.
From hxezamfdf.blob.core.windows.net
Whirlpool Refrigerator Side By Side Ice Maker Troubleshooting at Charles Curtis blog Whirlpool Side By Side Refrigerator Ice Maker Repair Is the refrigerator making ice? Ice maker is making ice,. Need help replacing the ice maker (part # 2198597) in your whirlpool refrigerator? To reset the ice maker, unplug the refrigerator for 1. It can be incredibly frustrating when your ice maker stops working, especially when you want to. Is your whirlpool ice maker not making ice, leaking, or otherwise. Whirlpool Side By Side Refrigerator Ice Maker Repair.
From fyoccccwl.blob.core.windows.net
Whirlpool Side By Side Refrigerator Ice Maker Replacement at Dennis Andrews blog Whirlpool Side By Side Refrigerator Ice Maker Repair Ice maker is making ice,. To reset the ice maker, unplug the refrigerator for 1. It can be incredibly frustrating when your ice maker stops working, especially when you want to. If the dispenser is dispensing water but not ice, check if the ice maker is making ice. If the ice maker is making ice, but not dumping it into. Whirlpool Side By Side Refrigerator Ice Maker Repair.
From www.youtube.com
How To Replace A Leaking Refrigerator Ice Maker Water Line Whirpool Refrigerator Ice Maker Whirlpool Side By Side Refrigerator Ice Maker Repair Need help replacing the ice maker (part # 2198597) in your whirlpool refrigerator? To reset the ice maker, unplug the refrigerator for 1. Is your whirlpool ice maker not making ice, leaking, or otherwise not working? It can be incredibly frustrating when your ice maker stops working, especially when you want to. Is the refrigerator making ice? If the ice. Whirlpool Side By Side Refrigerator Ice Maker Repair.
From circuitxxslayerlayxxl4.z13.web.core.windows.net
Whirlpool Refrigerators Ice Maker Diagram Whirlpool Side By Side Refrigerator Ice Maker Repair Ice maker is making ice,. Is your whirlpool ice maker not making ice, leaking, or otherwise not working? To reset the ice maker, unplug the refrigerator for 1. If the dispenser is dispensing water but not ice, check if the ice maker is making ice. Is the refrigerator making ice? If the ice maker is making ice, but not dumping. Whirlpool Side By Side Refrigerator Ice Maker Repair.
From circuitxxslayerlayxxl4.z13.web.core.windows.net
Whirlpool Refrigerators Ice Maker Diagram Whirlpool Side By Side Refrigerator Ice Maker Repair To reset the ice maker, unplug the refrigerator for 1. It can be incredibly frustrating when your ice maker stops working, especially when you want to. Is the refrigerator making ice? If the dispenser is dispensing water but not ice, check if the ice maker is making ice. If the ice maker is making ice, but not dumping it into. Whirlpool Side By Side Refrigerator Ice Maker Repair.
From www.justanswer.com
On a whirlpool side by side refrigerator, with ice maker in door, the dispenser will not work Whirlpool Side By Side Refrigerator Ice Maker Repair Need help replacing the ice maker (part # 2198597) in your whirlpool refrigerator? If the ice maker is making ice, but not dumping it into the ice bin try resetting the ice maker. Ice maker is making ice,. If the dispenser is dispensing water but not ice, check if the ice maker is making ice. Is the refrigerator making ice?. Whirlpool Side By Side Refrigerator Ice Maker Repair.
From www.youtube.com
How to Troubleshoot and Replace Whirlpool SidebySide Refrigerator Ice maker YouTube Whirlpool Side By Side Refrigerator Ice Maker Repair Is your whirlpool ice maker not making ice, leaking, or otherwise not working? Is the refrigerator making ice? If the dispenser is dispensing water but not ice, check if the ice maker is making ice. To reset the ice maker, unplug the refrigerator for 1. If the ice maker is making ice, but not dumping it into the ice bin. Whirlpool Side By Side Refrigerator Ice Maker Repair.
From www.youtube.com
Ice maker repair How to remove Whirlpool Kitchenaid Kenmore YouTube Whirlpool Side By Side Refrigerator Ice Maker Repair If the dispenser is dispensing water but not ice, check if the ice maker is making ice. Is your whirlpool ice maker not making ice, leaking, or otherwise not working? It can be incredibly frustrating when your ice maker stops working, especially when you want to. To reset the ice maker, unplug the refrigerator for 1. If the ice maker. Whirlpool Side By Side Refrigerator Ice Maker Repair.
From www.youtube.com
Whirlpool Side by Side Ice Maker Reset YouTube Whirlpool Side By Side Refrigerator Ice Maker Repair Is the refrigerator making ice? Is your whirlpool ice maker not making ice, leaking, or otherwise not working? If the dispenser is dispensing water but not ice, check if the ice maker is making ice. Need help replacing the ice maker (part # 2198597) in your whirlpool refrigerator? To reset the ice maker, unplug the refrigerator for 1. Ice maker. Whirlpool Side By Side Refrigerator Ice Maker Repair.
From www.youtube.com
Refrigerator Repair Replacing the Ice Maker Assembly (Whirlpool Part 2198597) YouTube Whirlpool Side By Side Refrigerator Ice Maker Repair To reset the ice maker, unplug the refrigerator for 1. Is the refrigerator making ice? It can be incredibly frustrating when your ice maker stops working, especially when you want to. Ice maker is making ice,. If the dispenser is dispensing water but not ice, check if the ice maker is making ice. Is your whirlpool ice maker not making. Whirlpool Side By Side Refrigerator Ice Maker Repair.
From www.filtersbest.com
Whirlpool W11115534 Refrigerator Ice Maker Assembly at Whirlpool Side By Side Refrigerator Ice Maker Repair If the dispenser is dispensing water but not ice, check if the ice maker is making ice. If the ice maker is making ice, but not dumping it into the ice bin try resetting the ice maker. To reset the ice maker, unplug the refrigerator for 1. Need help replacing the ice maker (part # 2198597) in your whirlpool refrigerator?. Whirlpool Side By Side Refrigerator Ice Maker Repair.
From reviewmotors.co
Whirlpool Refrigerator Ice Maker Parts Diagram Reviewmotors.co Whirlpool Side By Side Refrigerator Ice Maker Repair If the dispenser is dispensing water but not ice, check if the ice maker is making ice. Is your whirlpool ice maker not making ice, leaking, or otherwise not working? Ice maker is making ice,. Is the refrigerator making ice? Need help replacing the ice maker (part # 2198597) in your whirlpool refrigerator? It can be incredibly frustrating when your. Whirlpool Side By Side Refrigerator Ice Maker Repair.
From assistdliver.blogspot.com
Why Is My Whirlpool Refrigerator Not Making Ice Whirlpool Side By Side Refrigerator Not Making Whirlpool Side By Side Refrigerator Ice Maker Repair It can be incredibly frustrating when your ice maker stops working, especially when you want to. To reset the ice maker, unplug the refrigerator for 1. Is your whirlpool ice maker not making ice, leaking, or otherwise not working? Ice maker is making ice,. Is the refrigerator making ice? If the dispenser is dispensing water but not ice, check if. Whirlpool Side By Side Refrigerator Ice Maker Repair.
From www.youtube.com
Whirlpool Refrigerator Repair How to Replace the Ice Maker Shutoff Arm YouTube Whirlpool Side By Side Refrigerator Ice Maker Repair Is the refrigerator making ice? Is your whirlpool ice maker not making ice, leaking, or otherwise not working? It can be incredibly frustrating when your ice maker stops working, especially when you want to. If the dispenser is dispensing water but not ice, check if the ice maker is making ice. To reset the ice maker, unplug the refrigerator for. Whirlpool Side By Side Refrigerator Ice Maker Repair.
From poolchoices.blogspot.com
How To Fix Ice Maker On Whirlpool Refrigerator Pool Choices Whirlpool Side By Side Refrigerator Ice Maker Repair Ice maker is making ice,. To reset the ice maker, unplug the refrigerator for 1. If the dispenser is dispensing water but not ice, check if the ice maker is making ice. It can be incredibly frustrating when your ice maker stops working, especially when you want to. Is your whirlpool ice maker not making ice, leaking, or otherwise not. Whirlpool Side By Side Refrigerator Ice Maker Repair.
From www.funktionalhome.com
Whirlpool Ice Maker Not Working 7 Easy Ways to Fix It Now Whirlpool Side By Side Refrigerator Ice Maker Repair Is your whirlpool ice maker not making ice, leaking, or otherwise not working? It can be incredibly frustrating when your ice maker stops working, especially when you want to. If the ice maker is making ice, but not dumping it into the ice bin try resetting the ice maker. Is the refrigerator making ice? Need help replacing the ice maker. Whirlpool Side By Side Refrigerator Ice Maker Repair.
From www.youtube.com
Ice Maker not Making Ice on a Whirlpool SidebySide Refrigerator Diagnosis and Repair Whirlpool Side By Side Refrigerator Ice Maker Repair Is the refrigerator making ice? Ice maker is making ice,. Need help replacing the ice maker (part # 2198597) in your whirlpool refrigerator? Is your whirlpool ice maker not making ice, leaking, or otherwise not working? To reset the ice maker, unplug the refrigerator for 1. If the ice maker is making ice, but not dumping it into the ice. Whirlpool Side By Side Refrigerator Ice Maker Repair.
From www.fix.com
OEM Whirlpool 2198597 Ice Maker Assembly 8 Cube Whirlpool Side By Side Refrigerator Ice Maker Repair It can be incredibly frustrating when your ice maker stops working, especially when you want to. To reset the ice maker, unplug the refrigerator for 1. Need help replacing the ice maker (part # 2198597) in your whirlpool refrigerator? If the ice maker is making ice, but not dumping it into the ice bin try resetting the ice maker. Ice. Whirlpool Side By Side Refrigerator Ice Maker Repair.
From www.youtube.com
Turn Ice Maker On/Off Whirlpool SidebySide Refrigerator YouTube Whirlpool Side By Side Refrigerator Ice Maker Repair To reset the ice maker, unplug the refrigerator for 1. Need help replacing the ice maker (part # 2198597) in your whirlpool refrigerator? If the ice maker is making ice, but not dumping it into the ice bin try resetting the ice maker. Is your whirlpool ice maker not making ice, leaking, or otherwise not working? Is the refrigerator making. Whirlpool Side By Side Refrigerator Ice Maker Repair.
From fyoccccwl.blob.core.windows.net
Whirlpool Side By Side Refrigerator Ice Maker Replacement at Dennis Andrews blog Whirlpool Side By Side Refrigerator Ice Maker Repair If the dispenser is dispensing water but not ice, check if the ice maker is making ice. Ice maker is making ice,. Need help replacing the ice maker (part # 2198597) in your whirlpool refrigerator? It can be incredibly frustrating when your ice maker stops working, especially when you want to. If the ice maker is making ice, but not. Whirlpool Side By Side Refrigerator Ice Maker Repair.
From www.bestbuy.com
Whirlpool 24.6 Cu. Ft. SidebySide Refrigerator Stainless Steel WRS325SDHZ Best Buy Whirlpool Side By Side Refrigerator Ice Maker Repair It can be incredibly frustrating when your ice maker stops working, especially when you want to. Need help replacing the ice maker (part # 2198597) in your whirlpool refrigerator? Ice maker is making ice,. If the ice maker is making ice, but not dumping it into the ice bin try resetting the ice maker. Is your whirlpool ice maker not. Whirlpool Side By Side Refrigerator Ice Maker Repair.
From www.youtube.com
Whirlpool Refrigerator Repair Ice Buildup in the Bottom Freezer Water Leaking Grommet Kit Whirlpool Side By Side Refrigerator Ice Maker Repair If the ice maker is making ice, but not dumping it into the ice bin try resetting the ice maker. Need help replacing the ice maker (part # 2198597) in your whirlpool refrigerator? Is the refrigerator making ice? To reset the ice maker, unplug the refrigerator for 1. Ice maker is making ice,. Is your whirlpool ice maker not making. Whirlpool Side By Side Refrigerator Ice Maker Repair.