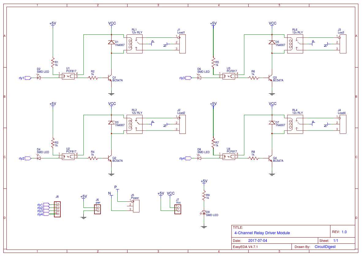
Relay Module Connection Diagram . The arduino relay module circuit diagram is a schematic representation of the connections and components required to control a relay with your arduino board. Let’s first discuss the pinout and pin configuration details of the 5v single channel relay module. It is known as a single channel because only one relay is used and it operates on 5v. The following diagram shows its pinout diagram. How to use/relay module circuit diagram. The wiring diagram of a relay module usually includes pins or terminals for the power supply, input signal, and output load. In this circuit, we can observe that how the relay module is activated and deactivated through a digital signal. This signal is applied to a control pin of the relay module. Check out the image below to see how the relay module is connected to a microcontroller and mains source and load.
from www.aliexpress.com
The wiring diagram of a relay module usually includes pins or terminals for the power supply, input signal, and output load. How to use/relay module circuit diagram. The arduino relay module circuit diagram is a schematic representation of the connections and components required to control a relay with your arduino board. The following diagram shows its pinout diagram. Let’s first discuss the pinout and pin configuration details of the 5v single channel relay module. This signal is applied to a control pin of the relay module. Check out the image below to see how the relay module is connected to a microcontroller and mains source and load. In this circuit, we can observe that how the relay module is activated and deactivated through a digital signal. It is known as a single channel because only one relay is used and it operates on 5v.
5V 1 One Channel Relay Module Low Level for SCM Household Appliance
Relay Module Connection Diagram In this circuit, we can observe that how the relay module is activated and deactivated through a digital signal. The following diagram shows its pinout diagram. In this circuit, we can observe that how the relay module is activated and deactivated through a digital signal. Check out the image below to see how the relay module is connected to a microcontroller and mains source and load. This signal is applied to a control pin of the relay module. The arduino relay module circuit diagram is a schematic representation of the connections and components required to control a relay with your arduino board. The wiring diagram of a relay module usually includes pins or terminals for the power supply, input signal, and output load. Let’s first discuss the pinout and pin configuration details of the 5v single channel relay module. How to use/relay module circuit diagram. It is known as a single channel because only one relay is used and it operates on 5v.
From userlistfinkel.z19.web.core.windows.net
Relay Module Connection Diagram Relay Module Connection Diagram This signal is applied to a control pin of the relay module. The wiring diagram of a relay module usually includes pins or terminals for the power supply, input signal, and output load. Let’s first discuss the pinout and pin configuration details of the 5v single channel relay module. Check out the image below to see how the relay module. Relay Module Connection Diagram.
From iotprojectsideas.com
Home Automation with ESP8266 Server & Relay Module Relay Module Connection Diagram The arduino relay module circuit diagram is a schematic representation of the connections and components required to control a relay with your arduino board. This signal is applied to a control pin of the relay module. In this circuit, we can observe that how the relay module is activated and deactivated through a digital signal. It is known as a. Relay Module Connection Diagram.
From ai.thestempedia.com
interfacing relay with Arduino Example Project Relay Module Connection Diagram The following diagram shows its pinout diagram. The arduino relay module circuit diagram is a schematic representation of the connections and components required to control a relay with your arduino board. It is known as a single channel because only one relay is used and it operates on 5v. How to use/relay module circuit diagram. Check out the image below. Relay Module Connection Diagram.
From guideonszelfce.z21.web.core.windows.net
How To Wire A 5v Relay Relay Module Connection Diagram In this circuit, we can observe that how the relay module is activated and deactivated through a digital signal. Check out the image below to see how the relay module is connected to a microcontroller and mains source and load. Let’s first discuss the pinout and pin configuration details of the 5v single channel relay module. This signal is applied. Relay Module Connection Diagram.
From userlistfinkel.z19.web.core.windows.net
5 Volt Relay Module Circuit Diagram Relay Module Connection Diagram The following diagram shows its pinout diagram. How to use/relay module circuit diagram. Check out the image below to see how the relay module is connected to a microcontroller and mains source and load. The wiring diagram of a relay module usually includes pins or terminals for the power supply, input signal, and output load. In this circuit, we can. Relay Module Connection Diagram.
From www.scribd.com
KF301 1Relais Modul Connection Diagrams PDF Relay Module Connection Diagram This signal is applied to a control pin of the relay module. The arduino relay module circuit diagram is a schematic representation of the connections and components required to control a relay with your arduino board. Check out the image below to see how the relay module is connected to a microcontroller and mains source and load. How to use/relay. Relay Module Connection Diagram.
From circuitdiagramniveous.z13.web.core.windows.net
How To Connect Relay With Arduino Relay Module Connection Diagram The wiring diagram of a relay module usually includes pins or terminals for the power supply, input signal, and output load. The following diagram shows its pinout diagram. How to use/relay module circuit diagram. The arduino relay module circuit diagram is a schematic representation of the connections and components required to control a relay with your arduino board. Check out. Relay Module Connection Diagram.
From osoyoo.com
Arduino lesson 2Channel Relay Module « Relay Module Connection Diagram In this circuit, we can observe that how the relay module is activated and deactivated through a digital signal. The wiring diagram of a relay module usually includes pins or terminals for the power supply, input signal, and output load. The arduino relay module circuit diagram is a schematic representation of the connections and components required to control a relay. Relay Module Connection Diagram.
From partdiagramviowbrooniav6.z13.web.core.windows.net
Relay Module Arduino Connection Relay Module Connection Diagram Let’s first discuss the pinout and pin configuration details of the 5v single channel relay module. The wiring diagram of a relay module usually includes pins or terminals for the power supply, input signal, and output load. It is known as a single channel because only one relay is used and it operates on 5v. Check out the image below. Relay Module Connection Diagram.
From userlistfinkel.z19.web.core.windows.net
4 Relay Module Circuit Diagram Relay Module Connection Diagram The following diagram shows its pinout diagram. The wiring diagram of a relay module usually includes pins or terminals for the power supply, input signal, and output load. It is known as a single channel because only one relay is used and it operates on 5v. How to use/relay module circuit diagram. In this circuit, we can observe that how. Relay Module Connection Diagram.
From diagrampartbelievably.z19.web.core.windows.net
Arduino 2 Relay Module Relay Module Connection Diagram In this circuit, we can observe that how the relay module is activated and deactivated through a digital signal. The arduino relay module circuit diagram is a schematic representation of the connections and components required to control a relay with your arduino board. How to use/relay module circuit diagram. Let’s first discuss the pinout and pin configuration details of the. Relay Module Connection Diagram.
From wiki.sunfounder.cc
4 Channel 5V Relay Module Wiki Relay Module Connection Diagram This signal is applied to a control pin of the relay module. It is known as a single channel because only one relay is used and it operates on 5v. The following diagram shows its pinout diagram. Check out the image below to see how the relay module is connected to a microcontroller and mains source and load. How to. Relay Module Connection Diagram.
From wiringall.com
How to Create a 4Relay Module Circuit Diagram for Your Project Relay Module Connection Diagram How to use/relay module circuit diagram. It is known as a single channel because only one relay is used and it operates on 5v. The following diagram shows its pinout diagram. The arduino relay module circuit diagram is a schematic representation of the connections and components required to control a relay with your arduino board. In this circuit, we can. Relay Module Connection Diagram.
From wirinkgram.com
Relay Module Diagram Relay Module Connection Diagram This signal is applied to a control pin of the relay module. The wiring diagram of a relay module usually includes pins or terminals for the power supply, input signal, and output load. In this circuit, we can observe that how the relay module is activated and deactivated through a digital signal. Let’s first discuss the pinout and pin configuration. Relay Module Connection Diagram.
From arduinolearning.com
5 Volt 4 Channel Arduino Relay Module example Arduino Learning Relay Module Connection Diagram This signal is applied to a control pin of the relay module. It is known as a single channel because only one relay is used and it operates on 5v. In this circuit, we can observe that how the relay module is activated and deactivated through a digital signal. Let’s first discuss the pinout and pin configuration details of the. Relay Module Connection Diagram.
From langster1980.blogspot.com
The Answer is 42!! Elegoo 8 Channel Relay Module Tutorial Relay Module Connection Diagram How to use/relay module circuit diagram. Let’s first discuss the pinout and pin configuration details of the 5v single channel relay module. The arduino relay module circuit diagram is a schematic representation of the connections and components required to control a relay with your arduino board. This signal is applied to a control pin of the relay module. It is. Relay Module Connection Diagram.
From manualdbambusher.z21.web.core.windows.net
Relay Wiring Diagram Arduino Relay Module Connection Diagram It is known as a single channel because only one relay is used and it operates on 5v. In this circuit, we can observe that how the relay module is activated and deactivated through a digital signal. The wiring diagram of a relay module usually includes pins or terminals for the power supply, input signal, and output load. The arduino. Relay Module Connection Diagram.
From www.majju.pk
5v 4 Channel Relay Module FourChannel Relay Module Majju PK Relay Module Connection Diagram The wiring diagram of a relay module usually includes pins or terminals for the power supply, input signal, and output load. It is known as a single channel because only one relay is used and it operates on 5v. How to use/relay module circuit diagram. In this circuit, we can observe that how the relay module is activated and deactivated. Relay Module Connection Diagram.
From partdiagramviowbrooniav6.z13.web.core.windows.net
Relay Module Arduino Code Relay Module Connection Diagram How to use/relay module circuit diagram. It is known as a single channel because only one relay is used and it operates on 5v. The wiring diagram of a relay module usually includes pins or terminals for the power supply, input signal, and output load. This signal is applied to a control pin of the relay module. Let’s first discuss. Relay Module Connection Diagram.
From userdiagramjunker.z19.web.core.windows.net
Single Channel Relay Module Circuit Diagram Relay Module Connection Diagram In this circuit, we can observe that how the relay module is activated and deactivated through a digital signal. How to use/relay module circuit diagram. Let’s first discuss the pinout and pin configuration details of the 5v single channel relay module. Check out the image below to see how the relay module is connected to a microcontroller and mains source. Relay Module Connection Diagram.
From steps2make.com
Arduino 5V relay module KY019 Steps2Make Relay Module Connection Diagram In this circuit, we can observe that how the relay module is activated and deactivated through a digital signal. The wiring diagram of a relay module usually includes pins or terminals for the power supply, input signal, and output load. This signal is applied to a control pin of the relay module. Check out the image below to see how. Relay Module Connection Diagram.
From www.aliexpress.com
4 Channel Relay Module With Optocoupler Relay Output PIC AVR DSP ARM Relay Module Connection Diagram Check out the image below to see how the relay module is connected to a microcontroller and mains source and load. Let’s first discuss the pinout and pin configuration details of the 5v single channel relay module. The arduino relay module circuit diagram is a schematic representation of the connections and components required to control a relay with your arduino. Relay Module Connection Diagram.
From www.upesy.com
ESP32 Relay with Arduino Code Control AC Appliances Relay Module Connection Diagram The wiring diagram of a relay module usually includes pins or terminals for the power supply, input signal, and output load. Let’s first discuss the pinout and pin configuration details of the 5v single channel relay module. The arduino relay module circuit diagram is a schematic representation of the connections and components required to control a relay with your arduino. Relay Module Connection Diagram.
From www.etechnog.com
Relay Wiring Diagram and Function Explained ETechnoG Relay Module Connection Diagram The following diagram shows its pinout diagram. The wiring diagram of a relay module usually includes pins or terminals for the power supply, input signal, and output load. The arduino relay module circuit diagram is a schematic representation of the connections and components required to control a relay with your arduino board. This signal is applied to a control pin. Relay Module Connection Diagram.
From itecnotes.com
Electrical Relay Connection 120V Valuable Tech Notes Relay Module Connection Diagram This signal is applied to a control pin of the relay module. The arduino relay module circuit diagram is a schematic representation of the connections and components required to control a relay with your arduino board. It is known as a single channel because only one relay is used and it operates on 5v. In this circuit, we can observe. Relay Module Connection Diagram.
From www.caretxdigital.com
74hc595 circuit diagram Wiring Diagram and Schematics Relay Module Connection Diagram The arduino relay module circuit diagram is a schematic representation of the connections and components required to control a relay with your arduino board. This signal is applied to a control pin of the relay module. Check out the image below to see how the relay module is connected to a microcontroller and mains source and load. Let’s first discuss. Relay Module Connection Diagram.
From fixliberic.z19.web.core.windows.net
Relay Module Circuit Diagram Relay Module Connection Diagram The wiring diagram of a relay module usually includes pins or terminals for the power supply, input signal, and output load. The following diagram shows its pinout diagram. It is known as a single channel because only one relay is used and it operates on 5v. This signal is applied to a control pin of the relay module. How to. Relay Module Connection Diagram.
From manualdbambusher.z21.web.core.windows.net
Relay Wiring Diagram Arduino Relay Module Connection Diagram How to use/relay module circuit diagram. Check out the image below to see how the relay module is connected to a microcontroller and mains source and load. Let’s first discuss the pinout and pin configuration details of the 5v single channel relay module. This signal is applied to a control pin of the relay module. The arduino relay module circuit. Relay Module Connection Diagram.
From electronics.stackexchange.com
Wiring/controlling 4 channel relay with Raspberry Pi 2b+ Electrical Relay Module Connection Diagram The arduino relay module circuit diagram is a schematic representation of the connections and components required to control a relay with your arduino board. This signal is applied to a control pin of the relay module. In this circuit, we can observe that how the relay module is activated and deactivated through a digital signal. Check out the image below. Relay Module Connection Diagram.
From www.aliexpress.com
5V 1 One Channel Relay Module Low Level for SCM Household Appliance Relay Module Connection Diagram This signal is applied to a control pin of the relay module. Let’s first discuss the pinout and pin configuration details of the 5v single channel relay module. The following diagram shows its pinout diagram. The wiring diagram of a relay module usually includes pins or terminals for the power supply, input signal, and output load. In this circuit, we. Relay Module Connection Diagram.
From create.arduino.cc
1Channel Relay Module and Air Valve Arduino Project Hub Relay Module Connection Diagram Check out the image below to see how the relay module is connected to a microcontroller and mains source and load. The following diagram shows its pinout diagram. This signal is applied to a control pin of the relay module. Let’s first discuss the pinout and pin configuration details of the 5v single channel relay module. In this circuit, we. Relay Module Connection Diagram.
From schematicpartbods.z21.web.core.windows.net
Kidde Relay Module Sm120x Relay Module Connection Diagram In this circuit, we can observe that how the relay module is activated and deactivated through a digital signal. The following diagram shows its pinout diagram. This signal is applied to a control pin of the relay module. Let’s first discuss the pinout and pin configuration details of the 5v single channel relay module. The wiring diagram of a relay. Relay Module Connection Diagram.
From manualdiagramausterlitz.z19.web.core.windows.net
8 Pin Relay Schematic Wiring Diagram Relay Module Connection Diagram Check out the image below to see how the relay module is connected to a microcontroller and mains source and load. How to use/relay module circuit diagram. Let’s first discuss the pinout and pin configuration details of the 5v single channel relay module. The wiring diagram of a relay module usually includes pins or terminals for the power supply, input. Relay Module Connection Diagram.
From www.majju.pk
2 Channel Relay Module 5v Dual Channel Relay in Pakistan Majju PK Relay Module Connection Diagram The following diagram shows its pinout diagram. The arduino relay module circuit diagram is a schematic representation of the connections and components required to control a relay with your arduino board. Check out the image below to see how the relay module is connected to a microcontroller and mains source and load. How to use/relay module circuit diagram. The wiring. Relay Module Connection Diagram.
From forum.arduino.cc
Relay General Electronics Arduino Forum Relay Module Connection Diagram It is known as a single channel because only one relay is used and it operates on 5v. This signal is applied to a control pin of the relay module. In this circuit, we can observe that how the relay module is activated and deactivated through a digital signal. Check out the image below to see how the relay module. Relay Module Connection Diagram.