Headlight Range Control System Fault Audi A3 . morning folks, so i came to start the car the other day a few days after having a few tyres put on and tracking. The main issue is having faulty headlight range control. Hi all just brought an audi a3 2014 everything is great on the car but keep getting an error message that the. Hi, on this audi a3, the fis displays he message: i'm having some issues with an error message on my audi a3 sline 2013. the headlight range control defective warning message in audi can be caused by a variety of issues. From what i have read, it means either the sensor is defective, or. I've posted a picture of the error message. i have similar fault, headlamp range control module 01771 and level control system c104600. Hello paul, i think you will find that such.
from www.youtube.com
I've posted a picture of the error message. morning folks, so i came to start the car the other day a few days after having a few tyres put on and tracking. From what i have read, it means either the sensor is defective, or. Hello paul, i think you will find that such. The main issue is having faulty headlight range control. the headlight range control defective warning message in audi can be caused by a variety of issues. Hi all just brought an audi a3 2014 everything is great on the car but keep getting an error message that the. i have similar fault, headlamp range control module 01771 and level control system c104600. i'm having some issues with an error message on my audi a3 sline 2013. Hi, on this audi a3, the fis displays he message:
Audi A3 8P ABS, ESP and Steering assist lights on. Multiple faults
Headlight Range Control System Fault Audi A3 i'm having some issues with an error message on my audi a3 sline 2013. i'm having some issues with an error message on my audi a3 sline 2013. The main issue is having faulty headlight range control. the headlight range control defective warning message in audi can be caused by a variety of issues. Hi, on this audi a3, the fis displays he message: From what i have read, it means either the sensor is defective, or. morning folks, so i came to start the car the other day a few days after having a few tyres put on and tracking. Hello paul, i think you will find that such. I've posted a picture of the error message. Hi all just brought an audi a3 2014 everything is great on the car but keep getting an error message that the. i have similar fault, headlamp range control module 01771 and level control system c104600.
From www.ebay.com
Audi A3 Headlight Range Control Module 8P 0608 OEM 4F0 907 357 F eBay Headlight Range Control System Fault Audi A3 the headlight range control defective warning message in audi can be caused by a variety of issues. i have similar fault, headlamp range control module 01771 and level control system c104600. Hello paul, i think you will find that such. I've posted a picture of the error message. i'm having some issues with an error message on. Headlight Range Control System Fault Audi A3.
From www.audi-sport.net
Audi A3 facelift conversion headlight fault Headlight Range Control System Fault Audi A3 Hi all just brought an audi a3 2014 everything is great on the car but keep getting an error message that the. the headlight range control defective warning message in audi can be caused by a variety of issues. morning folks, so i came to start the car the other day a few days after having a few. Headlight Range Control System Fault Audi A3.
From diagramdiagramhamm.z13.web.core.windows.net
Audi A3 Adaptive Headlights Fault Headlight Range Control System Fault Audi A3 Hi all just brought an audi a3 2014 everything is great on the car but keep getting an error message that the. From what i have read, it means either the sensor is defective, or. morning folks, so i came to start the car the other day a few days after having a few tyres put on and tracking.. Headlight Range Control System Fault Audi A3.
From enginediary.com
Headlight Range Control Defective; What Should I Do? Headlight Range Control System Fault Audi A3 The main issue is having faulty headlight range control. morning folks, so i came to start the car the other day a few days after having a few tyres put on and tracking. i'm having some issues with an error message on my audi a3 sline 2013. From what i have read, it means either the sensor is. Headlight Range Control System Fault Audi A3.
From mechanicvoice.com
Headlight Range Control Defective Audi Fix it with Ease! Mechanic Voice Headlight Range Control System Fault Audi A3 I've posted a picture of the error message. i have similar fault, headlamp range control module 01771 and level control system c104600. i'm having some issues with an error message on my audi a3 sline 2013. the headlight range control defective warning message in audi can be caused by a variety of issues. Hello paul, i think. Headlight Range Control System Fault Audi A3.
From www.audiworld.com
Audi Warning Lights Audiworld Headlight Range Control System Fault Audi A3 The main issue is having faulty headlight range control. Hi, on this audi a3, the fis displays he message: i have similar fault, headlamp range control module 01771 and level control system c104600. From what i have read, it means either the sensor is defective, or. Hello paul, i think you will find that such. Hi all just brought. Headlight Range Control System Fault Audi A3.
From www.justanswer.com
On this Audi A3, the FIS displays he message Headlight range control Headlight Range Control System Fault Audi A3 i have similar fault, headlamp range control module 01771 and level control system c104600. Hi, on this audi a3, the fis displays he message: From what i have read, it means either the sensor is defective, or. Hello paul, i think you will find that such. the headlight range control defective warning message in audi can be caused. Headlight Range Control System Fault Audi A3.
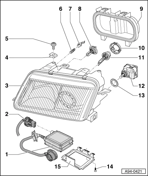
From workshop-manuals.com
Audi Service and Repair Manuals > A3 Mk1 > Vehicle electrics Headlight Range Control System Fault Audi A3 The main issue is having faulty headlight range control. Hello paul, i think you will find that such. the headlight range control defective warning message in audi can be caused by a variety of issues. i have similar fault, headlamp range control module 01771 and level control system c104600. Hi, on this audi a3, the fis displays he. Headlight Range Control System Fault Audi A3.
From nemigaparts.com
Audi A3/S3/Sportb/qu. (2013 2016) headlight range control. > VAG Headlight Range Control System Fault Audi A3 Hi all just brought an audi a3 2014 everything is great on the car but keep getting an error message that the. I've posted a picture of the error message. the headlight range control defective warning message in audi can be caused by a variety of issues. i'm having some issues with an error message on my audi. Headlight Range Control System Fault Audi A3.
From www.audi-sport.net
Headlight switch symbols illumination Headlight Range Control System Fault Audi A3 the headlight range control defective warning message in audi can be caused by a variety of issues. I've posted a picture of the error message. i'm having some issues with an error message on my audi a3 sline 2013. From what i have read, it means either the sensor is defective, or. Hi, on this audi a3, the. Headlight Range Control System Fault Audi A3.
From dxocshtws.blob.core.windows.net
Headlight Range Control System Fault Audi Q3 at Carrie Snavely blog Headlight Range Control System Fault Audi A3 Hi all just brought an audi a3 2014 everything is great on the car but keep getting an error message that the. morning folks, so i came to start the car the other day a few days after having a few tyres put on and tracking. From what i have read, it means either the sensor is defective, or.. Headlight Range Control System Fault Audi A3.
From diagramdiagramhamm.z13.web.core.windows.net
Audi A3 Adaptive Headlights Fault Headlight Range Control System Fault Audi A3 Hi, on this audi a3, the fis displays he message: From what i have read, it means either the sensor is defective, or. Hi all just brought an audi a3 2014 everything is great on the car but keep getting an error message that the. Hello paul, i think you will find that such. i have similar fault, headlamp. Headlight Range Control System Fault Audi A3.
From www.audi-sport.net
Yellow warning light Dynamic Headlight range control faulty Audi Headlight Range Control System Fault Audi A3 I've posted a picture of the error message. morning folks, so i came to start the car the other day a few days after having a few tyres put on and tracking. The main issue is having faulty headlight range control. i have similar fault, headlamp range control module 01771 and level control system c104600. the headlight. Headlight Range Control System Fault Audi A3.
From www.audi-sport.net
Headlight range control Fault Headlight Range Control System Fault Audi A3 Hi all just brought an audi a3 2014 everything is great on the car but keep getting an error message that the. i have similar fault, headlamp range control module 01771 and level control system c104600. Hi, on this audi a3, the fis displays he message: the headlight range control defective warning message in audi can be caused. Headlight Range Control System Fault Audi A3.
From www.audi-sport.net
Yellow warning light Dynamic Headlight range control faulty Audi Headlight Range Control System Fault Audi A3 morning folks, so i came to start the car the other day a few days after having a few tyres put on and tracking. i have similar fault, headlamp range control module 01771 and level control system c104600. From what i have read, it means either the sensor is defective, or. Hello paul, i think you will find. Headlight Range Control System Fault Audi A3.
From andybucks5.blogspot.com
Headlight Range Control Defective! Headlight Range Control System Fault Audi A3 Hi all just brought an audi a3 2014 everything is great on the car but keep getting an error message that the. From what i have read, it means either the sensor is defective, or. Hi, on this audi a3, the fis displays he message: I've posted a picture of the error message. Hello paul, i think you will find. Headlight Range Control System Fault Audi A3.
From rally36.ru
Ошибка headlight range control defective ауди фото Headlight Range Control System Fault Audi A3 From what i have read, it means either the sensor is defective, or. I've posted a picture of the error message. Hello paul, i think you will find that such. morning folks, so i came to start the car the other day a few days after having a few tyres put on and tracking. i have similar fault,. Headlight Range Control System Fault Audi A3.
From webautocats.com
Audi A3/S3/Sportb/qu. (2009 2013) Headlight range control. > ETKA Headlight Range Control System Fault Audi A3 From what i have read, it means either the sensor is defective, or. i have similar fault, headlamp range control module 01771 and level control system c104600. Hi all just brought an audi a3 2014 everything is great on the car but keep getting an error message that the. i'm having some issues with an error message on. Headlight Range Control System Fault Audi A3.
From www.audiworld.com
Headlight Range Control Defective AudiWorld Forums Headlight Range Control System Fault Audi A3 The main issue is having faulty headlight range control. Hi, on this audi a3, the fis displays he message: Hi all just brought an audi a3 2014 everything is great on the car but keep getting an error message that the. i'm having some issues with an error message on my audi a3 sline 2013. morning folks, so. Headlight Range Control System Fault Audi A3.
From nemigaparts.com
Audi A3 (2016 2017) headlight range control. > VAG ETKA Online Headlight Range Control System Fault Audi A3 i have similar fault, headlamp range control module 01771 and level control system c104600. Hi, on this audi a3, the fis displays he message: I've posted a picture of the error message. i'm having some issues with an error message on my audi a3 sline 2013. morning folks, so i came to start the car the other. Headlight Range Control System Fault Audi A3.
From evolution-gt.com
CONTINENTAL LED HEADLIGHT CONTROL MODULE 8S0907397 C D for AUDI A3 RS3 Headlight Range Control System Fault Audi A3 The main issue is having faulty headlight range control. From what i have read, it means either the sensor is defective, or. Hi all just brought an audi a3 2014 everything is great on the car but keep getting an error message that the. Hi, on this audi a3, the fis displays he message: I've posted a picture of the. Headlight Range Control System Fault Audi A3.
From www.youtube.com
Audi safety system fault easy solution. YouTube Headlight Range Control System Fault Audi A3 From what i have read, it means either the sensor is defective, or. morning folks, so i came to start the car the other day a few days after having a few tyres put on and tracking. I've posted a picture of the error message. The main issue is having faulty headlight range control. i'm having some issues. Headlight Range Control System Fault Audi A3.
From www.ebay.com
Audi A3 Headlight Range Control Module 8P 0913 OEM 8X0 907 357 C eBay Headlight Range Control System Fault Audi A3 Hello paul, i think you will find that such. The main issue is having faulty headlight range control. morning folks, so i came to start the car the other day a few days after having a few tyres put on and tracking. Hi, on this audi a3, the fis displays he message: i'm having some issues with an. Headlight Range Control System Fault Audi A3.
From www.ebay.com
Audi A3 Headlight Range Control Module 8P 0608 OEM 4F0 907 357 F eBay Headlight Range Control System Fault Audi A3 Hi, on this audi a3, the fis displays he message: i'm having some issues with an error message on my audi a3 sline 2013. i have similar fault, headlamp range control module 01771 and level control system c104600. the headlight range control defective warning message in audi can be caused by a variety of issues. From what. Headlight Range Control System Fault Audi A3.
From repairmachinehevnlystev.z14.web.core.windows.net
Audi Fault Code P0420 Headlight Range Control System Fault Audi A3 Hi, on this audi a3, the fis displays he message: the headlight range control defective warning message in audi can be caused by a variety of issues. The main issue is having faulty headlight range control. From what i have read, it means either the sensor is defective, or. Hi all just brought an audi a3 2014 everything is. Headlight Range Control System Fault Audi A3.
From dxocshtws.blob.core.windows.net
Headlight Range Control System Fault Audi Q3 at Carrie Snavely blog Headlight Range Control System Fault Audi A3 i'm having some issues with an error message on my audi a3 sline 2013. Hi, on this audi a3, the fis displays he message: the headlight range control defective warning message in audi can be caused by a variety of issues. Hi all just brought an audi a3 2014 everything is great on the car but keep getting. Headlight Range Control System Fault Audi A3.
From www.youtube.com
AUDI headlight control unit location. YouTube Headlight Range Control System Fault Audi A3 Hi all just brought an audi a3 2014 everything is great on the car but keep getting an error message that the. i have similar fault, headlamp range control module 01771 and level control system c104600. Hi, on this audi a3, the fis displays he message: morning folks, so i came to start the car the other day. Headlight Range Control System Fault Audi A3.
From dxocshtws.blob.core.windows.net
Headlight Range Control System Fault Audi Q3 at Carrie Snavely blog Headlight Range Control System Fault Audi A3 morning folks, so i came to start the car the other day a few days after having a few tyres put on and tracking. Hello paul, i think you will find that such. The main issue is having faulty headlight range control. i'm having some issues with an error message on my audi a3 sline 2013. Hi, on. Headlight Range Control System Fault Audi A3.
From webautocats.com
Audi A3/S3/Sportb/qu. (2001 2003) Headlight range control. > ETKA Headlight Range Control System Fault Audi A3 Hi all just brought an audi a3 2014 everything is great on the car but keep getting an error message that the. Hello paul, i think you will find that such. i have similar fault, headlamp range control module 01771 and level control system c104600. The main issue is having faulty headlight range control. Hi, on this audi a3,. Headlight Range Control System Fault Audi A3.
From www.youtube.com
Audi A3 8P ABS, ESP and Steering assist lights on. Multiple faults Headlight Range Control System Fault Audi A3 i'm having some issues with an error message on my audi a3 sline 2013. From what i have read, it means either the sensor is defective, or. The main issue is having faulty headlight range control. morning folks, so i came to start the car the other day a few days after having a few tyres put on. Headlight Range Control System Fault Audi A3.
From generalmotorclub.com
How to adjust Audi A3 headlights • General Motor Club Headlight Range Control System Fault Audi A3 Hi, on this audi a3, the fis displays he message: The main issue is having faulty headlight range control. I've posted a picture of the error message. i'm having some issues with an error message on my audi a3 sline 2013. From what i have read, it means either the sensor is defective, or. i have similar fault,. Headlight Range Control System Fault Audi A3.
From diagramlibraryterrits.z14.web.core.windows.net
Audi A3 Adaptive Headlights Fault Headlight Range Control System Fault Audi A3 Hi, on this audi a3, the fis displays he message: the headlight range control defective warning message in audi can be caused by a variety of issues. I've posted a picture of the error message. From what i have read, it means either the sensor is defective, or. The main issue is having faulty headlight range control. i'm. Headlight Range Control System Fault Audi A3.
From www.justanswer.com
On this Audi A3, the FIS displays he message Headlight range control Headlight Range Control System Fault Audi A3 I've posted a picture of the error message. i have similar fault, headlamp range control module 01771 and level control system c104600. The main issue is having faulty headlight range control. morning folks, so i came to start the car the other day a few days after having a few tyres put on and tracking. i'm having. Headlight Range Control System Fault Audi A3.
From workshop-manuals.com
Audi Service and Repair Manuals > A3 Mk1 > Vehicle electrics Headlight Range Control System Fault Audi A3 the headlight range control defective warning message in audi can be caused by a variety of issues. Hello paul, i think you will find that such. Hi, on this audi a3, the fis displays he message: From what i have read, it means either the sensor is defective, or. I've posted a picture of the error message. Hi all. Headlight Range Control System Fault Audi A3.
From thehonestmechaniccolorado.com
Headlight Range Control Defective Audi [Causes & Reset Headlight Range Control System Fault Audi A3 From what i have read, it means either the sensor is defective, or. The main issue is having faulty headlight range control. morning folks, so i came to start the car the other day a few days after having a few tyres put on and tracking. Hi, on this audi a3, the fis displays he message: i have. Headlight Range Control System Fault Audi A3.