Fuel Pump Relay 2003 Yamaha R1 . Fuel pump runs when connected directly to a power supply. What fuse is operating the fuel. It is known in the manual as a starter cut out. Just installed the fuel pump, and it still wont start. Checked the actuation and operation of the sidestand. Additionally the ecm monitors the status of the clutch and neutral switches. Checked and replaced the engine cutoff/fuel pump relay. I have covered everything, besides relays etc. Fuel pump relay a yamaha yzf r1 rn01 / rn04condition of the component: It is an eleven pin relay located right down behind the battery tray. The starting cutoff relay also holds the fuel pump relay.
from www.ebay.com
Checked and replaced the engine cutoff/fuel pump relay. Checked the actuation and operation of the sidestand. Fuel pump runs when connected directly to a power supply. It is known in the manual as a starter cut out. It is an eleven pin relay located right down behind the battery tray. Additionally the ecm monitors the status of the clutch and neutral switches. Just installed the fuel pump, and it still wont start. I have covered everything, besides relays etc. What fuse is operating the fuel. The starting cutoff relay also holds the fuel pump relay.
2004 YAMAHA YZF R1 FUEL PUMPS RELAY 5VY8195040 eBay
Fuel Pump Relay 2003 Yamaha R1 The starting cutoff relay also holds the fuel pump relay. Checked the actuation and operation of the sidestand. Fuel pump relay a yamaha yzf r1 rn01 / rn04condition of the component: Just installed the fuel pump, and it still wont start. It is an eleven pin relay located right down behind the battery tray. What fuse is operating the fuel. The starting cutoff relay also holds the fuel pump relay. Additionally the ecm monitors the status of the clutch and neutral switches. Checked and replaced the engine cutoff/fuel pump relay. I have covered everything, besides relays etc. Fuel pump runs when connected directly to a power supply. It is known in the manual as a starter cut out.
From ecampus.egerton.ac.ke
2003 Yamaha R1 Fuel Pump Relay ecampus.egerton.ac.ke Fuel Pump Relay 2003 Yamaha R1 Checked the actuation and operation of the sidestand. The starting cutoff relay also holds the fuel pump relay. What fuse is operating the fuel. Fuel pump runs when connected directly to a power supply. Fuel pump relay a yamaha yzf r1 rn01 / rn04condition of the component: Additionally the ecm monitors the status of the clutch and neutral switches. It. Fuel Pump Relay 2003 Yamaha R1.
From diagramfixkappel.z19.web.core.windows.net
2003 Yamaha R1 Wiring Diagram Fuel Pump Relay 2003 Yamaha R1 The starting cutoff relay also holds the fuel pump relay. Additionally the ecm monitors the status of the clutch and neutral switches. I have covered everything, besides relays etc. It is known in the manual as a starter cut out. It is an eleven pin relay located right down behind the battery tray. Checked and replaced the engine cutoff/fuel pump. Fuel Pump Relay 2003 Yamaha R1.
From visitaguada.com
Fuel Pumps Fuel Pump for Yamaha FJR1300 YZFR1 YZFR6 YZF750R XV1700 VMX1700 FZ1 FZ6 FZ8 Air Fuel Pump Relay 2003 Yamaha R1 Checked and replaced the engine cutoff/fuel pump relay. I have covered everything, besides relays etc. The starting cutoff relay also holds the fuel pump relay. It is known in the manual as a starter cut out. It is an eleven pin relay located right down behind the battery tray. Checked the actuation and operation of the sidestand. Fuel pump runs. Fuel Pump Relay 2003 Yamaha R1.
From www.aliexpress.com
Fuel Pump Filter Strainer Yzfr6 Yzfr1 20032016 Yamaha R1 AliExpress Fuel Pump Relay 2003 Yamaha R1 Additionally the ecm monitors the status of the clutch and neutral switches. The starting cutoff relay also holds the fuel pump relay. Just installed the fuel pump, and it still wont start. Checked and replaced the engine cutoff/fuel pump relay. It is known in the manual as a starter cut out. It is an eleven pin relay located right down. Fuel Pump Relay 2003 Yamaha R1.
From www.youtube.com
Yamaha outboard HPDI blown fuses & relays in fuse box.Tilt trim, fuel pump, injector, 02 sensor Fuel Pump Relay 2003 Yamaha R1 Just installed the fuel pump, and it still wont start. Fuel pump relay a yamaha yzf r1 rn01 / rn04condition of the component: Checked and replaced the engine cutoff/fuel pump relay. Fuel pump runs when connected directly to a power supply. Checked the actuation and operation of the sidestand. What fuse is operating the fuel. It is known in the. Fuel Pump Relay 2003 Yamaha R1.
From www.ricepaddy.com
Yamaha FJR1300 YZF R1 R6 Fuel Pump Relay 02 05 Fuel Pump Relay 2003 Yamaha R1 What fuse is operating the fuel. I have covered everything, besides relays etc. Checked and replaced the engine cutoff/fuel pump relay. The starting cutoff relay also holds the fuel pump relay. It is an eleven pin relay located right down behind the battery tray. Additionally the ecm monitors the status of the clutch and neutral switches. Just installed the fuel. Fuel Pump Relay 2003 Yamaha R1.
From visitaguada.com
Fuel Pumps Fuel Pump for Yamaha FJR1300 YZFR1 YZFR6 YZF750R XV1700 VMX1700 FZ1 FZ6 FZ8 Air Fuel Pump Relay 2003 Yamaha R1 Checked the actuation and operation of the sidestand. Just installed the fuel pump, and it still wont start. What fuse is operating the fuel. It is an eleven pin relay located right down behind the battery tray. Fuel pump relay a yamaha yzf r1 rn01 / rn04condition of the component: The starting cutoff relay also holds the fuel pump relay.. Fuel Pump Relay 2003 Yamaha R1.
From ecampus.egerton.ac.ke
2003 Yamaha R1 Fuel Pump Relay ecampus.egerton.ac.ke Fuel Pump Relay 2003 Yamaha R1 Fuel pump relay a yamaha yzf r1 rn01 / rn04condition of the component: Additionally the ecm monitors the status of the clutch and neutral switches. I have covered everything, besides relays etc. It is known in the manual as a starter cut out. Checked the actuation and operation of the sidestand. Just installed the fuel pump, and it still wont. Fuel Pump Relay 2003 Yamaha R1.
From ecampus.egerton.ac.ke
2003 Yamaha R1 Fuel Pump Relay ecampus.egerton.ac.ke Fuel Pump Relay 2003 Yamaha R1 Fuel pump relay a yamaha yzf r1 rn01 / rn04condition of the component: Fuel pump runs when connected directly to a power supply. It is known in the manual as a starter cut out. I have covered everything, besides relays etc. It is an eleven pin relay located right down behind the battery tray. What fuse is operating the fuel.. Fuel Pump Relay 2003 Yamaha R1.
From www.ebay.com
2004 YAMAHA YZF R1 FUEL PUMPS RELAY 5VY8195040 eBay Fuel Pump Relay 2003 Yamaha R1 Just installed the fuel pump, and it still wont start. The starting cutoff relay also holds the fuel pump relay. It is known in the manual as a starter cut out. Checked and replaced the engine cutoff/fuel pump relay. It is an eleven pin relay located right down behind the battery tray. Fuel pump relay a yamaha yzf r1 rn01. Fuel Pump Relay 2003 Yamaha R1.
From www.ebay.com
Yamaha YZFR1 Main Fuel Pump Relay 0708 OEM 5VK8195030 457 eBay Fuel Pump Relay 2003 Yamaha R1 It is known in the manual as a starter cut out. It is an eleven pin relay located right down behind the battery tray. The starting cutoff relay also holds the fuel pump relay. Additionally the ecm monitors the status of the clutch and neutral switches. What fuse is operating the fuel. I have covered everything, besides relays etc. Fuel. Fuel Pump Relay 2003 Yamaha R1.
From kojaycat.co.uk
Yamaha R1 14B FZ1N Fuel Pump Safety Relay 5VK8195040 Fuel Pump Relay 2003 Yamaha R1 Fuel pump relay a yamaha yzf r1 rn01 / rn04condition of the component: Just installed the fuel pump, and it still wont start. Checked the actuation and operation of the sidestand. It is known in the manual as a starter cut out. Additionally the ecm monitors the status of the clutch and neutral switches. Fuel pump runs when connected directly. Fuel Pump Relay 2003 Yamaha R1.
From www.ricepaddy.com
Yamaha FJR1300 YZF R1 R6 Fuel Pump Relay 02 05 Fuel Pump Relay 2003 Yamaha R1 What fuse is operating the fuel. Fuel pump relay a yamaha yzf r1 rn01 / rn04condition of the component: Checked the actuation and operation of the sidestand. It is an eleven pin relay located right down behind the battery tray. Additionally the ecm monitors the status of the clutch and neutral switches. It is known in the manual as a. Fuel Pump Relay 2003 Yamaha R1.
From www.motorparts-online.com
Fuel pump Yamaha YZF R1 20072008 201364079 Fuel Pump Relay 2003 Yamaha R1 I have covered everything, besides relays etc. Additionally the ecm monitors the status of the clutch and neutral switches. What fuse is operating the fuel. Checked the actuation and operation of the sidestand. Fuel pump relay a yamaha yzf r1 rn01 / rn04condition of the component: It is an eleven pin relay located right down behind the battery tray. It. Fuel Pump Relay 2003 Yamaha R1.
From www.ebay.com
Fuel Pump Fuse Relay For YAMAHA YZF R1 20002001 YZF R6 20002002 5EB8195020 eBay Fuel Pump Relay 2003 Yamaha R1 I have covered everything, besides relays etc. It is an eleven pin relay located right down behind the battery tray. What fuse is operating the fuel. The starting cutoff relay also holds the fuel pump relay. Checked and replaced the engine cutoff/fuel pump relay. Additionally the ecm monitors the status of the clutch and neutral switches. Checked the actuation and. Fuel Pump Relay 2003 Yamaha R1.
From www.ebay.com
2004 YAMAHA YZF R1 FUEL PUMPS RELAY 5VY8195040 eBay Fuel Pump Relay 2003 Yamaha R1 Checked the actuation and operation of the sidestand. Fuel pump runs when connected directly to a power supply. The starting cutoff relay also holds the fuel pump relay. Additionally the ecm monitors the status of the clutch and neutral switches. It is an eleven pin relay located right down behind the battery tray. Just installed the fuel pump, and it. Fuel Pump Relay 2003 Yamaha R1.
From www.ebay.com
NEW 2002 2006 YAMAHA YZFR1 YZFR1 YZF R1 OEM FUEL PUMP ASSEMBLY W/ ORING eBay Fuel Pump Relay 2003 Yamaha R1 It is an eleven pin relay located right down behind the battery tray. Checked and replaced the engine cutoff/fuel pump relay. The starting cutoff relay also holds the fuel pump relay. What fuse is operating the fuel. I have covered everything, besides relays etc. Fuel pump runs when connected directly to a power supply. Checked the actuation and operation of. Fuel Pump Relay 2003 Yamaha R1.
From picclick.fr
INTERRUPTEUR RELAIS POMPE à Carburant Relais Relay Fuel Pump YZF r1 04 06v EUR 49,59 PicClick FR Fuel Pump Relay 2003 Yamaha R1 Fuel pump runs when connected directly to a power supply. I have covered everything, besides relays etc. Fuel pump relay a yamaha yzf r1 rn01 / rn04condition of the component: It is known in the manual as a starter cut out. Checked and replaced the engine cutoff/fuel pump relay. Additionally the ecm monitors the status of the clutch and neutral. Fuel Pump Relay 2003 Yamaha R1.
From racesparesuk.com
r1 multi relay 2002 RacesparesUK Fuel Pump Relay 2003 Yamaha R1 Fuel pump relay a yamaha yzf r1 rn01 / rn04condition of the component: Checked and replaced the engine cutoff/fuel pump relay. It is known in the manual as a starter cut out. Fuel pump runs when connected directly to a power supply. Checked the actuation and operation of the sidestand. I have covered everything, besides relays etc. What fuse is. Fuel Pump Relay 2003 Yamaha R1.
From design1systems.com
Complete Guide to Understanding the 2000 Yamaha R1 Wiring Diagram Fuel Pump Relay 2003 Yamaha R1 Additionally the ecm monitors the status of the clutch and neutral switches. Checked and replaced the engine cutoff/fuel pump relay. Checked the actuation and operation of the sidestand. It is an eleven pin relay located right down behind the battery tray. The starting cutoff relay also holds the fuel pump relay. What fuse is operating the fuel. Just installed the. Fuel Pump Relay 2003 Yamaha R1.
From www.aliexpress.com
Fuel Pump For Yamaha Yzf R1 Yzf R6 Vmax12 Vmax Vmx12 V Max Fzs1000 Fz1 Yzf1000r Thunderace 4sv Fuel Pump Relay 2003 Yamaha R1 Fuel pump runs when connected directly to a power supply. I have covered everything, besides relays etc. Checked the actuation and operation of the sidestand. What fuse is operating the fuel. It is known in the manual as a starter cut out. Additionally the ecm monitors the status of the clutch and neutral switches. Just installed the fuel pump, and. Fuel Pump Relay 2003 Yamaha R1.
From ecampus.egerton.ac.ke
2003 Yamaha R1 Fuel Pump Relay ecampus.egerton.ac.ke Fuel Pump Relay 2003 Yamaha R1 What fuse is operating the fuel. The starting cutoff relay also holds the fuel pump relay. Checked and replaced the engine cutoff/fuel pump relay. It is known in the manual as a starter cut out. Checked the actuation and operation of the sidestand. I have covered everything, besides relays etc. Additionally the ecm monitors the status of the clutch and. Fuel Pump Relay 2003 Yamaha R1.
From picclick.it
RELÈ RELAIS POMPA benzina Fuel pump relay Yamaha YZF R1 07 08 EUR 43,40 PicClick IT Fuel Pump Relay 2003 Yamaha R1 The starting cutoff relay also holds the fuel pump relay. What fuse is operating the fuel. It is an eleven pin relay located right down behind the battery tray. Checked the actuation and operation of the sidestand. Just installed the fuel pump, and it still wont start. Additionally the ecm monitors the status of the clutch and neutral switches. It. Fuel Pump Relay 2003 Yamaha R1.
From visitaguada.com
Fuel Pumps Fuel Pump for Yamaha FJR1300 YZFR1 YZFR6 YZF750R XV1700 VMX1700 FZ1 FZ6 FZ8 Air Fuel Pump Relay 2003 Yamaha R1 What fuse is operating the fuel. I have covered everything, besides relays etc. Just installed the fuel pump, and it still wont start. Checked the actuation and operation of the sidestand. The starting cutoff relay also holds the fuel pump relay. It is an eleven pin relay located right down behind the battery tray. Checked and replaced the engine cutoff/fuel. Fuel Pump Relay 2003 Yamaha R1.
From www.wiringdraw.com
Complete Electrical Wiring Diagram Of Yamaha Yzf R1 Fuel Pump Relay 2003 Yamaha R1 Just installed the fuel pump, and it still wont start. Fuel pump runs when connected directly to a power supply. The starting cutoff relay also holds the fuel pump relay. Checked the actuation and operation of the sidestand. Fuel pump relay a yamaha yzf r1 rn01 / rn04condition of the component: What fuse is operating the fuel. I have covered. Fuel Pump Relay 2003 Yamaha R1.
From kojaycat.co.uk
USED Yamaha R1 4C8 2007/08 Fuel Pump Safety Relay 5VK8195030 Fuel Pump Relay 2003 Yamaha R1 Additionally the ecm monitors the status of the clutch and neutral switches. It is an eleven pin relay located right down behind the battery tray. The starting cutoff relay also holds the fuel pump relay. What fuse is operating the fuel. Checked and replaced the engine cutoff/fuel pump relay. I have covered everything, besides relays etc. Fuel pump runs when. Fuel Pump Relay 2003 Yamaha R1.
From diagram.tntuservices.com
Yamaha R1 Wiring Diagram 2003 Wiring Diagram and Schematic Role Fuel Pump Relay 2003 Yamaha R1 The starting cutoff relay also holds the fuel pump relay. Checked and replaced the engine cutoff/fuel pump relay. I have covered everything, besides relays etc. Additionally the ecm monitors the status of the clutch and neutral switches. Checked the actuation and operation of the sidestand. What fuse is operating the fuel. It is an eleven pin relay located right down. Fuel Pump Relay 2003 Yamaha R1.
From flavored.ph
Air Intake & Fuel Delivery Fuel Pumps Motorcycle Parts 02 03 Yamaha YZF R1 Gas Fuel Pump 5PW Fuel Pump Relay 2003 Yamaha R1 The starting cutoff relay also holds the fuel pump relay. What fuse is operating the fuel. Fuel pump runs when connected directly to a power supply. Checked and replaced the engine cutoff/fuel pump relay. Additionally the ecm monitors the status of the clutch and neutral switches. It is an eleven pin relay located right down behind the battery tray. Just. Fuel Pump Relay 2003 Yamaha R1.
From ecampus.egerton.ac.ke
2003 Yamaha R1 Fuel Pump Relay ecampus.egerton.ac.ke Fuel Pump Relay 2003 Yamaha R1 Fuel pump relay a yamaha yzf r1 rn01 / rn04condition of the component: What fuse is operating the fuel. Additionally the ecm monitors the status of the clutch and neutral switches. Fuel pump runs when connected directly to a power supply. Checked and replaced the engine cutoff/fuel pump relay. It is known in the manual as a starter cut out.. Fuel Pump Relay 2003 Yamaha R1.
From www.ebay.com
Voltage Intank Fuel Pump For Yamaha YZFR1 YZF R1 YZFR1 20022014 2003 2004 2005 eBay Fuel Pump Relay 2003 Yamaha R1 Checked the actuation and operation of the sidestand. It is known in the manual as a starter cut out. Fuel pump runs when connected directly to a power supply. It is an eleven pin relay located right down behind the battery tray. Checked and replaced the engine cutoff/fuel pump relay. Fuel pump relay a yamaha yzf r1 rn01 / rn04condition. Fuel Pump Relay 2003 Yamaha R1.
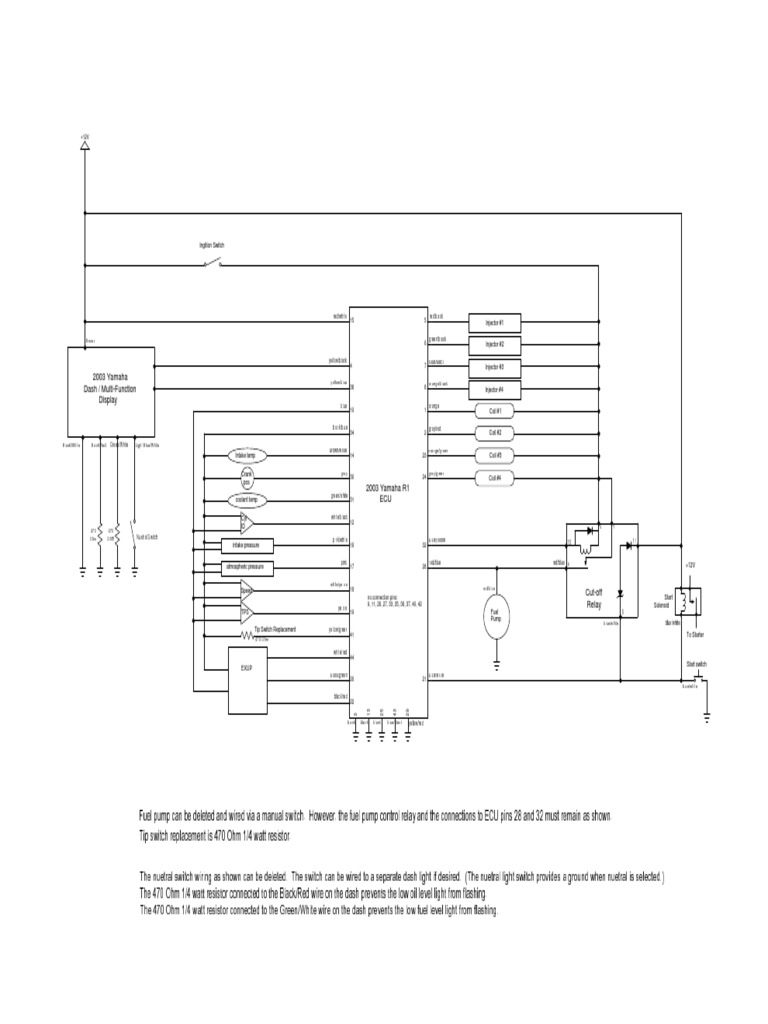
From www.scribd.com
2003 2003 Yzfr1 Ecu Wiring Fuel Injection Switch Fuel Pump Relay 2003 Yamaha R1 Checked and replaced the engine cutoff/fuel pump relay. The starting cutoff relay also holds the fuel pump relay. Just installed the fuel pump, and it still wont start. What fuse is operating the fuel. I have covered everything, besides relays etc. Fuel pump relay a yamaha yzf r1 rn01 / rn04condition of the component: It is an eleven pin relay. Fuel Pump Relay 2003 Yamaha R1.
From www.r1-forum.com
Fuel Pump Wiring Yamaha R1 Forum YZFR1 Forums Fuel Pump Relay 2003 Yamaha R1 Checked and replaced the engine cutoff/fuel pump relay. Additionally the ecm monitors the status of the clutch and neutral switches. The starting cutoff relay also holds the fuel pump relay. Just installed the fuel pump, and it still wont start. It is known in the manual as a starter cut out. Fuel pump runs when connected directly to a power. Fuel Pump Relay 2003 Yamaha R1.
From www.ebay.com
2004 YAMAHA YZF R1 FUEL PUMPS RELAY 5VY8195040 eBay Fuel Pump Relay 2003 Yamaha R1 Fuel pump runs when connected directly to a power supply. Checked and replaced the engine cutoff/fuel pump relay. It is known in the manual as a starter cut out. Additionally the ecm monitors the status of the clutch and neutral switches. Checked the actuation and operation of the sidestand. Just installed the fuel pump, and it still wont start. Fuel. Fuel Pump Relay 2003 Yamaha R1.
From diagram.tntuservices.com
Yamaha R1 Wiring Diagram 2003 Wiring Diagram and Schematic Role Fuel Pump Relay 2003 Yamaha R1 The starting cutoff relay also holds the fuel pump relay. Checked and replaced the engine cutoff/fuel pump relay. Fuel pump relay a yamaha yzf r1 rn01 / rn04condition of the component: It is an eleven pin relay located right down behind the battery tray. Fuel pump runs when connected directly to a power supply. Checked the actuation and operation of. Fuel Pump Relay 2003 Yamaha R1.
From www.r1-forum.com
Fuel pump assembly help Yamaha R1 Forum YZFR1 Forums Fuel Pump Relay 2003 Yamaha R1 Additionally the ecm monitors the status of the clutch and neutral switches. Fuel pump relay a yamaha yzf r1 rn01 / rn04condition of the component: It is an eleven pin relay located right down behind the battery tray. Checked the actuation and operation of the sidestand. I have covered everything, besides relays etc. Checked and replaced the engine cutoff/fuel pump. Fuel Pump Relay 2003 Yamaha R1.