Differential Relay Wiring Diagram . differential relay is a protection device which is used for special selected zone. It works on the principle of comparison between the phase angle and the magnitude of the same electrical quantities. These could result due to. A differential relay is defined as a device that responds to the difference between two or more similar electrical quantities, such as currents or voltages, to detect faults. According principle of dr if a fault is occurred in a selected zone than input and output. a schematic diagram showing one bus with five different feeds reveals how differential current protection may be used to protect a bus with any number of lines. role of differential relays: In reality provision has to be made for nonzero differential quantities under normal, healthy conditions. Differential relays are more sensitive. Cts are crucial for differential protection, transforming primary and secondary currents to levels suitable for comparison by. Differential relays activate to disconnect the transformer when they detect an imbalance between the primary and secondary currents, preventing further damage. differential relay definition: The relay whose operation depends on the phase difference of two or more electrical quantities is known as the differential protection relay.
from electrical-engineering-portal.com
These could result due to. It works on the principle of comparison between the phase angle and the magnitude of the same electrical quantities. According principle of dr if a fault is occurred in a selected zone than input and output. A differential relay is defined as a device that responds to the difference between two or more similar electrical quantities, such as currents or voltages, to detect faults. role of differential relays: Cts are crucial for differential protection, transforming primary and secondary currents to levels suitable for comparison by. Differential relays activate to disconnect the transformer when they detect an imbalance between the primary and secondary currents, preventing further damage. differential relay is a protection device which is used for special selected zone. In reality provision has to be made for nonzero differential quantities under normal, healthy conditions. a schematic diagram showing one bus with five different feeds reveals how differential current protection may be used to protect a bus with any number of lines.
Six differential statorphasefault protection (87) for all size
Differential Relay Wiring Diagram Differential relays activate to disconnect the transformer when they detect an imbalance between the primary and secondary currents, preventing further damage. These could result due to. A differential relay is defined as a device that responds to the difference between two or more similar electrical quantities, such as currents or voltages, to detect faults. Cts are crucial for differential protection, transforming primary and secondary currents to levels suitable for comparison by. differential relay is a protection device which is used for special selected zone. It works on the principle of comparison between the phase angle and the magnitude of the same electrical quantities. role of differential relays: a schematic diagram showing one bus with five different feeds reveals how differential current protection may be used to protect a bus with any number of lines. According principle of dr if a fault is occurred in a selected zone than input and output. The relay whose operation depends on the phase difference of two or more electrical quantities is known as the differential protection relay. Differential relays are more sensitive. differential relay definition: In reality provision has to be made for nonzero differential quantities under normal, healthy conditions. Differential relays activate to disconnect the transformer when they detect an imbalance between the primary and secondary currents, preventing further damage.
From goodimg.co
️Restricted Earth Fault Relay Wiring Diagram Free Download Goodimg.co Differential Relay Wiring Diagram differential relay definition: In reality provision has to be made for nonzero differential quantities under normal, healthy conditions. Differential relays activate to disconnect the transformer when they detect an imbalance between the primary and secondary currents, preventing further damage. differential relay is a protection device which is used for special selected zone. Cts are crucial for differential protection,. Differential Relay Wiring Diagram.
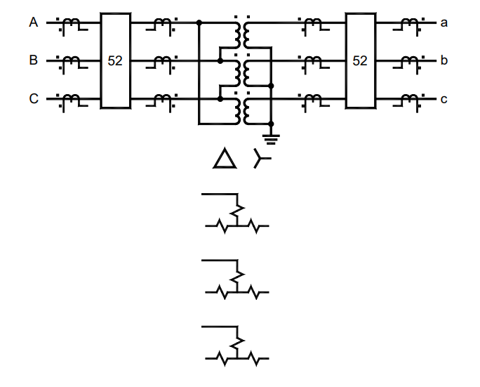
From www.researchgate.net
CT connections to differential relays on wyewyedelta transformer bank Differential Relay Wiring Diagram differential relay is a protection device which is used for special selected zone. differential relay definition: According principle of dr if a fault is occurred in a selected zone than input and output. Cts are crucial for differential protection, transforming primary and secondary currents to levels suitable for comparison by. role of differential relays: It works on. Differential Relay Wiring Diagram.
From www.chegg.com
Solved Then wire the transformer differential relays in the Differential Relay Wiring Diagram Differential relays activate to disconnect the transformer when they detect an imbalance between the primary and secondary currents, preventing further damage. These could result due to. Cts are crucial for differential protection, transforming primary and secondary currents to levels suitable for comparison by. In reality provision has to be made for nonzero differential quantities under normal, healthy conditions. A differential. Differential Relay Wiring Diagram.
From manualengineschweitzer.z19.web.core.windows.net
Wiring Diagram For 5 Pin Relay Differential Relay Wiring Diagram In reality provision has to be made for nonzero differential quantities under normal, healthy conditions. differential relay definition: Differential relays are more sensitive. Differential relays activate to disconnect the transformer when they detect an imbalance between the primary and secondary currents, preventing further damage. differential relay is a protection device which is used for special selected zone. . Differential Relay Wiring Diagram.
From www.jackssmallengines.com
Troy Bilt 42039 8HP 26" SelfPropelled Differential (S/N 420391100101 Differential Relay Wiring Diagram differential relay definition: It works on the principle of comparison between the phase angle and the magnitude of the same electrical quantities. a schematic diagram showing one bus with five different feeds reveals how differential current protection may be used to protect a bus with any number of lines. A differential relay is defined as a device that. Differential Relay Wiring Diagram.
From www.etechnog.com
Relay Wiring Diagram and Connection Procedure ETechnoG Differential Relay Wiring Diagram Differential relays are more sensitive. role of differential relays: These could result due to. The relay whose operation depends on the phase difference of two or more electrical quantities is known as the differential protection relay. differential relay is a protection device which is used for special selected zone. Differential relays activate to disconnect the transformer when they. Differential Relay Wiring Diagram.
From 2020cadillac.com
Automotive Relay Wiring Diagram Cadician's Blog Differential Relay Wiring Diagram role of differential relays: It works on the principle of comparison between the phase angle and the magnitude of the same electrical quantities. differential relay definition: In reality provision has to be made for nonzero differential quantities under normal, healthy conditions. The relay whose operation depends on the phase difference of two or more electrical quantities is known. Differential Relay Wiring Diagram.
From install.verizonconnect.com
Guía de descripción general Relés Ayuda del dispositivo Differential Relay Wiring Diagram role of differential relays: According principle of dr if a fault is occurred in a selected zone than input and output. Differential relays are more sensitive. These could result due to. It works on the principle of comparison between the phase angle and the magnitude of the same electrical quantities. a schematic diagram showing one bus with five. Differential Relay Wiring Diagram.
From www.electricalmcqs.com
Electrical Engineering MCQ Questions and Answers Electrical Mcq Differential Relay Wiring Diagram These could result due to. A differential relay is defined as a device that responds to the difference between two or more similar electrical quantities, such as currents or voltages, to detect faults. differential relay is a protection device which is used for special selected zone. In reality provision has to be made for nonzero differential quantities under normal,. Differential Relay Wiring Diagram.
From theinstrumentguru.com
Relay wiring diagram What is Relay? THE INSTRUMENT GURU Differential Relay Wiring Diagram differential relay definition: Cts are crucial for differential protection, transforming primary and secondary currents to levels suitable for comparison by. differential relay is a protection device which is used for special selected zone. In reality provision has to be made for nonzero differential quantities under normal, healthy conditions. role of differential relays: Differential relays are more sensitive.. Differential Relay Wiring Diagram.
From enginedbtersanctus.z22.web.core.windows.net
Relay Wiring Diagram 4 Pin Differential Relay Wiring Diagram It works on the principle of comparison between the phase angle and the magnitude of the same electrical quantities. A differential relay is defined as a device that responds to the difference between two or more similar electrical quantities, such as currents or voltages, to detect faults. The relay whose operation depends on the phase difference of two or more. Differential Relay Wiring Diagram.
From schematicdeputacek1.z22.web.core.windows.net
Relay Wiring Diagram Explained Differential Relay Wiring Diagram Cts are crucial for differential protection, transforming primary and secondary currents to levels suitable for comparison by. A differential relay is defined as a device that responds to the difference between two or more similar electrical quantities, such as currents or voltages, to detect faults. In reality provision has to be made for nonzero differential quantities under normal, healthy conditions.. Differential Relay Wiring Diagram.
From lunfardo.com.ar
Differential Protection Relay [87] Numerical Relays, 53 OFF Differential Relay Wiring Diagram Differential relays activate to disconnect the transformer when they detect an imbalance between the primary and secondary currents, preventing further damage. differential relay definition: According principle of dr if a fault is occurred in a selected zone than input and output. differential relay is a protection device which is used for special selected zone. Cts are crucial for. Differential Relay Wiring Diagram.
From schematron.org
Understanding the Five Pin Relay Diagram Differential Relay Wiring Diagram It works on the principle of comparison between the phase angle and the magnitude of the same electrical quantities. Differential relays activate to disconnect the transformer when they detect an imbalance between the primary and secondary currents, preventing further damage. Cts are crucial for differential protection, transforming primary and secondary currents to levels suitable for comparison by. role of. Differential Relay Wiring Diagram.
From www.youtube.com
How to Make Connect in Assemble Using 2 Relay Wiring Diagram 8 pin Differential Relay Wiring Diagram Cts are crucial for differential protection, transforming primary and secondary currents to levels suitable for comparison by. a schematic diagram showing one bus with five different feeds reveals how differential current protection may be used to protect a bus with any number of lines. differential relay is a protection device which is used for special selected zone. These. Differential Relay Wiring Diagram.
From www.dsmtuners.com
Simple 4 Pin Relay Diagram DSMtuners Differential Relay Wiring Diagram A differential relay is defined as a device that responds to the difference between two or more similar electrical quantities, such as currents or voltages, to detect faults. Differential relays activate to disconnect the transformer when they detect an imbalance between the primary and secondary currents, preventing further damage. differential relay definition: According principle of dr if a fault. Differential Relay Wiring Diagram.
From www.youtube.com
8 Pin Relay Wiring Connection Diagram YouTube Differential Relay Wiring Diagram These could result due to. In reality provision has to be made for nonzero differential quantities under normal, healthy conditions. differential relay is a protection device which is used for special selected zone. The relay whose operation depends on the phase difference of two or more electrical quantities is known as the differential protection relay. a schematic diagram. Differential Relay Wiring Diagram.
From arifmehmudtech.blogspot.com
Basic differential relay working function Differential Relay Wiring Diagram The relay whose operation depends on the phase difference of two or more electrical quantities is known as the differential protection relay. These could result due to. a schematic diagram showing one bus with five different feeds reveals how differential current protection may be used to protect a bus with any number of lines. A differential relay is defined. Differential Relay Wiring Diagram.
From www.vrogue.co
Connection Diagram Differential Relay Brand Direction vrogue.co Differential Relay Wiring Diagram Differential relays are more sensitive. According principle of dr if a fault is occurred in a selected zone than input and output. a schematic diagram showing one bus with five different feeds reveals how differential current protection may be used to protect a bus with any number of lines. differential relay is a protection device which is used. Differential Relay Wiring Diagram.
From 2020cadillac.com
12V Relay Wiring Diagram 5 Pin Cadician's Blog Differential Relay Wiring Diagram A differential relay is defined as a device that responds to the difference between two or more similar electrical quantities, such as currents or voltages, to detect faults. Cts are crucial for differential protection, transforming primary and secondary currents to levels suitable for comparison by. role of differential relays: It works on the principle of comparison between the phase. Differential Relay Wiring Diagram.
From schematicelikusasakl.z22.web.core.windows.net
Ford Relays Wiring Diagrams Differential Relay Wiring Diagram It works on the principle of comparison between the phase angle and the magnitude of the same electrical quantities. In reality provision has to be made for nonzero differential quantities under normal, healthy conditions. Differential relays are more sensitive. The relay whose operation depends on the phase difference of two or more electrical quantities is known as the differential protection. Differential Relay Wiring Diagram.
From garagefixtromledx.z22.web.core.windows.net
How To Wire A 4 Pin Automotive Relay Differential Relay Wiring Diagram Cts are crucial for differential protection, transforming primary and secondary currents to levels suitable for comparison by. These could result due to. In reality provision has to be made for nonzero differential quantities under normal, healthy conditions. Differential relays activate to disconnect the transformer when they detect an imbalance between the primary and secondary currents, preventing further damage. According principle. Differential Relay Wiring Diagram.
From electrical-engineering-portal.com
Six differential statorphasefault protection (87) for all size Differential Relay Wiring Diagram Differential relays activate to disconnect the transformer when they detect an imbalance between the primary and secondary currents, preventing further damage. These could result due to. A differential relay is defined as a device that responds to the difference between two or more similar electrical quantities, such as currents or voltages, to detect faults. Differential relays are more sensitive. . Differential Relay Wiring Diagram.
From www.caretxdigital.com
relay wiring numbers Wiring Diagram and Schematics Differential Relay Wiring Diagram Differential relays are more sensitive. A differential relay is defined as a device that responds to the difference between two or more similar electrical quantities, such as currents or voltages, to detect faults. Differential relays activate to disconnect the transformer when they detect an imbalance between the primary and secondary currents, preventing further damage. According principle of dr if a. Differential Relay Wiring Diagram.
From www.chanish.org
How To Wire A 5 Prong Relay Differential Relay Wiring Diagram differential relay definition: According principle of dr if a fault is occurred in a selected zone than input and output. Differential relays activate to disconnect the transformer when they detect an imbalance between the primary and secondary currents, preventing further damage. These could result due to. In reality provision has to be made for nonzero differential quantities under normal,. Differential Relay Wiring Diagram.
From worldofelectricalengineering21.blogspot.com
Percentage Differential Relay and Protection for Power Transformer Differential Relay Wiring Diagram Differential relays activate to disconnect the transformer when they detect an imbalance between the primary and secondary currents, preventing further damage. Cts are crucial for differential protection, transforming primary and secondary currents to levels suitable for comparison by. In reality provision has to be made for nonzero differential quantities under normal, healthy conditions. differential relay is a protection device. Differential Relay Wiring Diagram.
From kdi-ppi.com
Pam1 Relay Wiring Diagram A Comprehensive Guide for Beginners Differential Relay Wiring Diagram According principle of dr if a fault is occurred in a selected zone than input and output. In reality provision has to be made for nonzero differential quantities under normal, healthy conditions. Differential relays activate to disconnect the transformer when they detect an imbalance between the primary and secondary currents, preventing further damage. A differential relay is defined as a. Differential Relay Wiring Diagram.
From voltage-disturbance.com
MOTOR DIFFERENTIAL PROTECTION Voltage Disturbance Differential Relay Wiring Diagram According principle of dr if a fault is occurred in a selected zone than input and output. Differential relays are more sensitive. a schematic diagram showing one bus with five different feeds reveals how differential current protection may be used to protect a bus with any number of lines. differential relay definition: Cts are crucial for differential protection,. Differential Relay Wiring Diagram.
From www.edrawsoft.com
Relay Wiring Diagram A Complete Tutorial EdrawMax Differential Relay Wiring Diagram It works on the principle of comparison between the phase angle and the magnitude of the same electrical quantities. differential relay is a protection device which is used for special selected zone. a schematic diagram showing one bus with five different feeds reveals how differential current protection may be used to protect a bus with any number of. Differential Relay Wiring Diagram.
From www.electricalonline4u.com
5 Pin Relay Wiring Diagram Use Of Relay Differential Relay Wiring Diagram These could result due to. a schematic diagram showing one bus with five different feeds reveals how differential current protection may be used to protect a bus with any number of lines. differential relay definition: According principle of dr if a fault is occurred in a selected zone than input and output. role of differential relays: It. Differential Relay Wiring Diagram.
From electrical-engineering-portal.com
Transformer Differential Protection Scheme Differential Relay Wiring Diagram In reality provision has to be made for nonzero differential quantities under normal, healthy conditions. Differential relays are more sensitive. A differential relay is defined as a device that responds to the difference between two or more similar electrical quantities, such as currents or voltages, to detect faults. role of differential relays: According principle of dr if a fault. Differential Relay Wiring Diagram.
From autoctrls.com
Understanding Auto Relay Wiring An InDepth Diagram Guide Differential Relay Wiring Diagram a schematic diagram showing one bus with five different feeds reveals how differential current protection may be used to protect a bus with any number of lines. differential relay is a protection device which is used for special selected zone. role of differential relays: Differential relays are more sensitive. These could result due to. The relay whose. Differential Relay Wiring Diagram.
From www.etechnog.com
Relay Wiring Diagram and Function Explained ETechnoG Differential Relay Wiring Diagram role of differential relays: differential relay is a protection device which is used for special selected zone. a schematic diagram showing one bus with five different feeds reveals how differential current protection may be used to protect a bus with any number of lines. Differential relays activate to disconnect the transformer when they detect an imbalance between. Differential Relay Wiring Diagram.
From partdiagramtarpangiss2.z19.web.core.windows.net
Relay Wiring Diagram Explained Differential Relay Wiring Diagram In reality provision has to be made for nonzero differential quantities under normal, healthy conditions. a schematic diagram showing one bus with five different feeds reveals how differential current protection may be used to protect a bus with any number of lines. According principle of dr if a fault is occurred in a selected zone than input and output.. Differential Relay Wiring Diagram.
From diagramdiagrampapst.z19.web.core.windows.net
Simple Car Wiring Diagrams With Relays Differential Relay Wiring Diagram differential relay is a protection device which is used for special selected zone. These could result due to. According principle of dr if a fault is occurred in a selected zone than input and output. A differential relay is defined as a device that responds to the difference between two or more similar electrical quantities, such as currents or. Differential Relay Wiring Diagram.