Automatic Light Control Function . It comes in either static or dynamic versions. Automatic headlights are hooked up to a sensor system that can detect when it’s dawn, dusk, or dark outside, and turn on the headlights for the driver when the key is turned on. • turn the lights on and off. They shut off the brighter lights as needed to avoid blinding occupants of oncoming vehicles. Lighting controls play a critical role in lighting systems, enabling users manually or automatically to: Automatic headlamp dial the following image shows what the different icons on your headlamp dial mean *. In most škoda cars you activate the automatic regime by turning the lights control switch to auto. The term lighting control system refers to an intelligent networked system of devices related to lighting control. Watch the video below to learn how to use your vehicle's automatic headlamps. Static systems adjust to compensate for the extra weight. The control function automatically adjusts the headlights' angle, depending on the load in your car.
from technoreview85.com
The term lighting control system refers to an intelligent networked system of devices related to lighting control. They shut off the brighter lights as needed to avoid blinding occupants of oncoming vehicles. Static systems adjust to compensate for the extra weight. Lighting controls play a critical role in lighting systems, enabling users manually or automatically to: Automatic headlamp dial the following image shows what the different icons on your headlamp dial mean *. Automatic headlights are hooked up to a sensor system that can detect when it’s dawn, dusk, or dark outside, and turn on the headlights for the driver when the key is turned on. Watch the video below to learn how to use your vehicle's automatic headlamps. The control function automatically adjusts the headlights' angle, depending on the load in your car. • turn the lights on and off. In most škoda cars you activate the automatic regime by turning the lights control switch to auto.
Automatic light on off system using motion sensor
Automatic Light Control Function In most škoda cars you activate the automatic regime by turning the lights control switch to auto. Lighting controls play a critical role in lighting systems, enabling users manually or automatically to: Automatic headlights are hooked up to a sensor system that can detect when it’s dawn, dusk, or dark outside, and turn on the headlights for the driver when the key is turned on. They shut off the brighter lights as needed to avoid blinding occupants of oncoming vehicles. Static systems adjust to compensate for the extra weight. Automatic headlamp dial the following image shows what the different icons on your headlamp dial mean *. In most škoda cars you activate the automatic regime by turning the lights control switch to auto. Watch the video below to learn how to use your vehicle's automatic headlamps. The control function automatically adjusts the headlights' angle, depending on the load in your car. The term lighting control system refers to an intelligent networked system of devices related to lighting control. It comes in either static or dynamic versions. • turn the lights on and off.
From create.arduino.cc
Automatic Light Control Arduino Project Hub Automatic Light Control Function • turn the lights on and off. It comes in either static or dynamic versions. The control function automatically adjusts the headlights' angle, depending on the load in your car. Automatic headlights are hooked up to a sensor system that can detect when it’s dawn, dusk, or dark outside, and turn on the headlights for the driver when the key. Automatic Light Control Function.
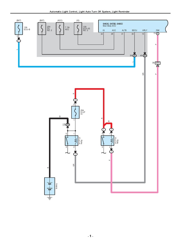
From microcontrollerslab.com
Automatic street light control circuit diagram Automatic Light Control Function They shut off the brighter lights as needed to avoid blinding occupants of oncoming vehicles. • turn the lights on and off. Watch the video below to learn how to use your vehicle's automatic headlamps. The control function automatically adjusts the headlights' angle, depending on the load in your car. Automatic headlamp dial the following image shows what the different. Automatic Light Control Function.
From studylib.net
Automatic Lighting Controls Automatic Light Control Function Automatic headlights are hooked up to a sensor system that can detect when it’s dawn, dusk, or dark outside, and turn on the headlights for the driver when the key is turned on. Lighting controls play a critical role in lighting systems, enabling users manually or automatically to: The control function automatically adjusts the headlights' angle, depending on the load. Automatic Light Control Function.
From www.caretxdigital.com
automatic street light control system circuit diagram Wiring Diagram Automatic Light Control Function They shut off the brighter lights as needed to avoid blinding occupants of oncoming vehicles. Automatic headlights are hooked up to a sensor system that can detect when it’s dawn, dusk, or dark outside, and turn on the headlights for the driver when the key is turned on. Static systems adjust to compensate for the extra weight. Automatic headlamp dial. Automatic Light Control Function.
From www.elprocus.com
Automatic Room Light Controller Circuit and Applications Automatic Light Control Function Lighting controls play a critical role in lighting systems, enabling users manually or automatically to: Automatic headlights are hooked up to a sensor system that can detect when it’s dawn, dusk, or dark outside, and turn on the headlights for the driver when the key is turned on. Automatic headlamp dial the following image shows what the different icons on. Automatic Light Control Function.
From microcontrollerslab.com
Automatic Street Lights Control with Microcontroller Automatic Light Control Function It comes in either static or dynamic versions. • turn the lights on and off. The term lighting control system refers to an intelligent networked system of devices related to lighting control. Automatic headlamp dial the following image shows what the different icons on your headlamp dial mean *. In most škoda cars you activate the automatic regime by turning. Automatic Light Control Function.
From hdhtech.com
What Are The Advantages of Installing Home Lighting Control Systems Automatic Light Control Function • turn the lights on and off. It comes in either static or dynamic versions. In most škoda cars you activate the automatic regime by turning the lights control switch to auto. Lighting controls play a critical role in lighting systems, enabling users manually or automatically to: Watch the video below to learn how to use your vehicle's automatic headlamps.. Automatic Light Control Function.
From modernautomation.ca
Lighting Control Systems Modern Automation Automatic Light Control Function They shut off the brighter lights as needed to avoid blinding occupants of oncoming vehicles. In most škoda cars you activate the automatic regime by turning the lights control switch to auto. Static systems adjust to compensate for the extra weight. Automatic headlamp dial the following image shows what the different icons on your headlamp dial mean *. Watch the. Automatic Light Control Function.
From leapinfosys.com
Understanding What A Lighting Control System Brings To The Table Leap Automatic Light Control Function The term lighting control system refers to an intelligent networked system of devices related to lighting control. It comes in either static or dynamic versions. Automatic headlights are hooked up to a sensor system that can detect when it’s dawn, dusk, or dark outside, and turn on the headlights for the driver when the key is turned on. • turn. Automatic Light Control Function.
From manualmanualgiuseppe.z19.web.core.windows.net
Automatic Room Lighting System Using Arduino Automatic Light Control Function Automatic headlamp dial the following image shows what the different icons on your headlamp dial mean *. Watch the video below to learn how to use your vehicle's automatic headlamps. Lighting controls play a critical role in lighting systems, enabling users manually or automatically to: Automatic headlights are hooked up to a sensor system that can detect when it’s dawn,. Automatic Light Control Function.
From techatronic.com
automatic street light Project using Arduino Arduino street light Automatic Light Control Function The term lighting control system refers to an intelligent networked system of devices related to lighting control. It comes in either static or dynamic versions. They shut off the brighter lights as needed to avoid blinding occupants of oncoming vehicles. Automatic headlamp dial the following image shows what the different icons on your headlamp dial mean *. • turn the. Automatic Light Control Function.
From hdhtech.com
Automated Lighting Control System for Your Commercial Space Smart Automatic Light Control Function The term lighting control system refers to an intelligent networked system of devices related to lighting control. Automatic headlights are hooked up to a sensor system that can detect when it’s dawn, dusk, or dark outside, and turn on the headlights for the driver when the key is turned on. The control function automatically adjusts the headlights' angle, depending on. Automatic Light Control Function.
From www.ford.com
How do I use Automatic Headlights? Automatic Light Control Function Lighting controls play a critical role in lighting systems, enabling users manually or automatically to: It comes in either static or dynamic versions. Automatic headlights are hooked up to a sensor system that can detect when it’s dawn, dusk, or dark outside, and turn on the headlights for the driver when the key is turned on. They shut off the. Automatic Light Control Function.
From hdhtech.com
Automatic Lighting Control Systems and its benefits Smart Home Automatic Light Control Function Automatic headlights are hooked up to a sensor system that can detect when it’s dawn, dusk, or dark outside, and turn on the headlights for the driver when the key is turned on. Watch the video below to learn how to use your vehicle's automatic headlamps. Static systems adjust to compensate for the extra weight. In most škoda cars you. Automatic Light Control Function.
From create.arduino.cc
Automatic Light Control Arduino Project Hub Automatic Light Control Function Automatic headlamp dial the following image shows what the different icons on your headlamp dial mean *. It comes in either static or dynamic versions. Automatic headlights are hooked up to a sensor system that can detect when it’s dawn, dusk, or dark outside, and turn on the headlights for the driver when the key is turned on. • turn. Automatic Light Control Function.
From www.researchgate.net
Automatic lighting system schematic. Download Scientific Diagram Automatic Light Control Function Automatic headlights are hooked up to a sensor system that can detect when it’s dawn, dusk, or dark outside, and turn on the headlights for the driver when the key is turned on. The control function automatically adjusts the headlights' angle, depending on the load in your car. In most škoda cars you activate the automatic regime by turning the. Automatic Light Control Function.
From www.electricaltechnology.org
Automatic Street Light Control Circuit using LDR & Transistor Automatic Light Control Function Static systems adjust to compensate for the extra weight. The control function automatically adjusts the headlights' angle, depending on the load in your car. It comes in either static or dynamic versions. Automatic headlamp dial the following image shows what the different icons on your headlamp dial mean *. They shut off the brighter lights as needed to avoid blinding. Automatic Light Control Function.
From www.hackatronic.com
Automatic Night Lamp Circuit Diagram using LDR and LM358 OPAMP Automatic Light Control Function Watch the video below to learn how to use your vehicle's automatic headlamps. Lighting controls play a critical role in lighting systems, enabling users manually or automatically to: The term lighting control system refers to an intelligent networked system of devices related to lighting control. It comes in either static or dynamic versions. They shut off the brighter lights as. Automatic Light Control Function.
From usermanualcommoner.z21.web.core.windows.net
Automatic Switch On And Off Light Automatic Light Control Function The term lighting control system refers to an intelligent networked system of devices related to lighting control. Automatic headlamp dial the following image shows what the different icons on your headlamp dial mean *. The control function automatically adjusts the headlights' angle, depending on the load in your car. • turn the lights on and off. They shut off the. Automatic Light Control Function.
From hdhtech.com
What is an Automatic Lighting Control System? Smart Home Automation Automatic Light Control Function Watch the video below to learn how to use your vehicle's automatic headlamps. In most škoda cars you activate the automatic regime by turning the lights control switch to auto. • turn the lights on and off. It comes in either static or dynamic versions. Automatic headlights are hooked up to a sensor system that can detect when it’s dawn,. Automatic Light Control Function.
From www.evitech.com.au
Automatic LED Lighting Controls Evitech Automatic Light Control Function Lighting controls play a critical role in lighting systems, enabling users manually or automatically to: Watch the video below to learn how to use your vehicle's automatic headlamps. Static systems adjust to compensate for the extra weight. Automatic headlamp dial the following image shows what the different icons on your headlamp dial mean *. They shut off the brighter lights. Automatic Light Control Function.
From www.youtube.com
Motion control automatic light at home YouTube Automatic Light Control Function Watch the video below to learn how to use your vehicle's automatic headlamps. Static systems adjust to compensate for the extra weight. The term lighting control system refers to an intelligent networked system of devices related to lighting control. • turn the lights on and off. The control function automatically adjusts the headlights' angle, depending on the load in your. Automatic Light Control Function.
From www.youtube.com
Automatic Light Control System Panel Wiring Diagram for Parking Area Automatic Light Control Function Automatic headlamp dial the following image shows what the different icons on your headlamp dial mean *. It comes in either static or dynamic versions. • turn the lights on and off. Static systems adjust to compensate for the extra weight. They shut off the brighter lights as needed to avoid blinding occupants of oncoming vehicles. In most škoda cars. Automatic Light Control Function.
From www.hackster.io
Motion Sensor based Light Control Hackster.io Automatic Light Control Function They shut off the brighter lights as needed to avoid blinding occupants of oncoming vehicles. Watch the video below to learn how to use your vehicle's automatic headlamps. Automatic headlamp dial the following image shows what the different icons on your headlamp dial mean *. Lighting controls play a critical role in lighting systems, enabling users manually or automatically to:. Automatic Light Control Function.
From wiringfixryan.z21.web.core.windows.net
Automatic Night Lighting System Project Automatic Light Control Function Automatic headlamp dial the following image shows what the different icons on your headlamp dial mean *. Static systems adjust to compensate for the extra weight. It comes in either static or dynamic versions. The term lighting control system refers to an intelligent networked system of devices related to lighting control. Lighting controls play a critical role in lighting systems,. Automatic Light Control Function.
From www.scribd.com
Automatic Light Control System Diagram and Operation of an Automatic Automatic Light Control Function It comes in either static or dynamic versions. Automatic headlamp dial the following image shows what the different icons on your headlamp dial mean *. Automatic headlights are hooked up to a sensor system that can detect when it’s dawn, dusk, or dark outside, and turn on the headlights for the driver when the key is turned on. The control. Automatic Light Control Function.
From www.youtube.com
How to make Power Saving Automatic Room Light Control Automatic Room Automatic Light Control Function The term lighting control system refers to an intelligent networked system of devices related to lighting control. Static systems adjust to compensate for the extra weight. Watch the video below to learn how to use your vehicle's automatic headlamps. In most škoda cars you activate the automatic regime by turning the lights control switch to auto. Automatic headlamp dial the. Automatic Light Control Function.
From www.caretxdigital.com
automatic street light control system circuit diagram Wiring Diagram Automatic Light Control Function The control function automatically adjusts the headlights' angle, depending on the load in your car. • turn the lights on and off. It comes in either static or dynamic versions. Automatic headlamp dial the following image shows what the different icons on your headlamp dial mean *. In most škoda cars you activate the automatic regime by turning the lights. Automatic Light Control Function.
From www.youtube.com
How to make an automatic light control system YouTube Automatic Light Control Function Automatic headlights are hooked up to a sensor system that can detect when it’s dawn, dusk, or dark outside, and turn on the headlights for the driver when the key is turned on. Watch the video below to learn how to use your vehicle's automatic headlamps. Lighting controls play a critical role in lighting systems, enabling users manually or automatically. Automatic Light Control Function.
From www.circuitdiagram.co
Simple Circuit Diagram Of Automatic Street Light Circuit Diagram Automatic Light Control Function The term lighting control system refers to an intelligent networked system of devices related to lighting control. Automatic headlights are hooked up to a sensor system that can detect when it’s dawn, dusk, or dark outside, and turn on the headlights for the driver when the key is turned on. They shut off the brighter lights as needed to avoid. Automatic Light Control Function.
From hdhtech.com
How automatic Lighting Controls Can Improve Energy Efficiency Smart Automatic Light Control Function Watch the video below to learn how to use your vehicle's automatic headlamps. Automatic headlights are hooked up to a sensor system that can detect when it’s dawn, dusk, or dark outside, and turn on the headlights for the driver when the key is turned on. They shut off the brighter lights as needed to avoid blinding occupants of oncoming. Automatic Light Control Function.
From www.youtube.com
pir automatic light on off at home automatic light control system Automatic Light Control Function They shut off the brighter lights as needed to avoid blinding occupants of oncoming vehicles. Watch the video below to learn how to use your vehicle's automatic headlamps. • turn the lights on and off. Static systems adjust to compensate for the extra weight. Automatic headlights are hooked up to a sensor system that can detect when it’s dawn, dusk,. Automatic Light Control Function.
From technoreview85.com
Automatic light on off system using motion sensor Automatic Light Control Function • turn the lights on and off. Lighting controls play a critical role in lighting systems, enabling users manually or automatically to: Automatic headlights are hooked up to a sensor system that can detect when it’s dawn, dusk, or dark outside, and turn on the headlights for the driver when the key is turned on. Watch the video below to. Automatic Light Control Function.
From www.electroschematics.com
Automatic Light Switch Circuit Automatic Light Control Function • turn the lights on and off. Lighting controls play a critical role in lighting systems, enabling users manually or automatically to: Automatic headlamp dial the following image shows what the different icons on your headlamp dial mean *. Automatic headlights are hooked up to a sensor system that can detect when it’s dawn, dusk, or dark outside, and turn. Automatic Light Control Function.
From www.caretxdigital.com
automatic street light control system circuit diagram Wiring Diagram Automatic Light Control Function The term lighting control system refers to an intelligent networked system of devices related to lighting control. Automatic headlights are hooked up to a sensor system that can detect when it’s dawn, dusk, or dark outside, and turn on the headlights for the driver when the key is turned on. • turn the lights on and off. Automatic headlamp dial. Automatic Light Control Function.