Power Supply For Voltage Drop . voltage drop is defined as the decrease in electrical potential along a current’s path within an electrical circuit—simply put, a “drop in voltage.” it. voltage drop refers to the decrease in electrical potential (voltage) in an electrical circuit as current flows through it. in electronics, voltage drop is the decrease of electric potential along the path of a current flowing in a circuit. Any length or size of wires will have some resistance,. exact method #1. voltage drop (vd) occurs when the voltage at the end of a run of cable is lower than at the beginning. If sending end voltage and load pf are known. excessive voltage drop can occur due to a variety of reasons such as undersized wires, long wire runs, poor. from resistance in power lines, impedance in power supply components, load fluctuations,.
from electronics.stackexchange.com
voltage drop (vd) occurs when the voltage at the end of a run of cable is lower than at the beginning. from resistance in power lines, impedance in power supply components, load fluctuations,. exact method #1. Any length or size of wires will have some resistance,. If sending end voltage and load pf are known. voltage drop refers to the decrease in electrical potential (voltage) in an electrical circuit as current flows through it. in electronics, voltage drop is the decrease of electric potential along the path of a current flowing in a circuit. voltage drop is defined as the decrease in electrical potential along a current’s path within an electrical circuit—simply put, a “drop in voltage.” it. excessive voltage drop can occur due to a variety of reasons such as undersized wires, long wire runs, poor.
Power supply voltage drop with load Electrical Engineering Stack Exchange
Power Supply For Voltage Drop from resistance in power lines, impedance in power supply components, load fluctuations,. voltage drop is defined as the decrease in electrical potential along a current’s path within an electrical circuit—simply put, a “drop in voltage.” it. voltage drop (vd) occurs when the voltage at the end of a run of cable is lower than at the beginning. voltage drop refers to the decrease in electrical potential (voltage) in an electrical circuit as current flows through it. in electronics, voltage drop is the decrease of electric potential along the path of a current flowing in a circuit. exact method #1. Any length or size of wires will have some resistance,. excessive voltage drop can occur due to a variety of reasons such as undersized wires, long wire runs, poor. from resistance in power lines, impedance in power supply components, load fluctuations,. If sending end voltage and load pf are known.
From www.electricalengineering.xyz
LED Voltage Drop by Color [Chart by Electrical Engineering XYZ] Power Supply For Voltage Drop from resistance in power lines, impedance in power supply components, load fluctuations,. voltage drop is defined as the decrease in electrical potential along a current’s path within an electrical circuit—simply put, a “drop in voltage.” it. exact method #1. If sending end voltage and load pf are known. Any length or size of wires will have some. Power Supply For Voltage Drop.
From in.cdgdbentre.com
Update 58+ tattoo power supply voltage drop latest in.cdgdbentre Power Supply For Voltage Drop voltage drop refers to the decrease in electrical potential (voltage) in an electrical circuit as current flows through it. from resistance in power lines, impedance in power supply components, load fluctuations,. excessive voltage drop can occur due to a variety of reasons such as undersized wires, long wire runs, poor. If sending end voltage and load pf. Power Supply For Voltage Drop.
From electronics.stackexchange.com
Power supply voltage drop with load Electrical Engineering Stack Exchange Power Supply For Voltage Drop from resistance in power lines, impedance in power supply components, load fluctuations,. exact method #1. excessive voltage drop can occur due to a variety of reasons such as undersized wires, long wire runs, poor. in electronics, voltage drop is the decrease of electric potential along the path of a current flowing in a circuit. If sending. Power Supply For Voltage Drop.
From www.youtube.com
Determine the voltage drop across the resistor `R_1` in the circuit Power Supply For Voltage Drop Any length or size of wires will have some resistance,. voltage drop is defined as the decrease in electrical potential along a current’s path within an electrical circuit—simply put, a “drop in voltage.” it. from resistance in power lines, impedance in power supply components, load fluctuations,. voltage drop refers to the decrease in electrical potential (voltage) in. Power Supply For Voltage Drop.
From eureka.patsnap.com
Method for resisting power supply voltage drop of cascaded four Power Supply For Voltage Drop voltage drop is defined as the decrease in electrical potential along a current’s path within an electrical circuit—simply put, a “drop in voltage.” it. exact method #1. in electronics, voltage drop is the decrease of electric potential along the path of a current flowing in a circuit. voltage drop (vd) occurs when the voltage at the. Power Supply For Voltage Drop.
From www.researchgate.net
What is "voltage drop" and what "voltage"? How are they related? What Power Supply For Voltage Drop If sending end voltage and load pf are known. from resistance in power lines, impedance in power supply components, load fluctuations,. voltage drop (vd) occurs when the voltage at the end of a run of cable is lower than at the beginning. Any length or size of wires will have some resistance,. exact method #1. in. Power Supply For Voltage Drop.
From in.thtantai2.edu.vn
Update 77+ tattoo power supply voltage drop super hot thtantai2 Power Supply For Voltage Drop Any length or size of wires will have some resistance,. voltage drop refers to the decrease in electrical potential (voltage) in an electrical circuit as current flows through it. in electronics, voltage drop is the decrease of electric potential along the path of a current flowing in a circuit. voltage drop is defined as the decrease in. Power Supply For Voltage Drop.
From itecnotes.com
Electronic Voltage drops are greater than source voltage. How is it Power Supply For Voltage Drop excessive voltage drop can occur due to a variety of reasons such as undersized wires, long wire runs, poor. Any length or size of wires will have some resistance,. from resistance in power lines, impedance in power supply components, load fluctuations,. voltage drop refers to the decrease in electrical potential (voltage) in an electrical circuit as current. Power Supply For Voltage Drop.
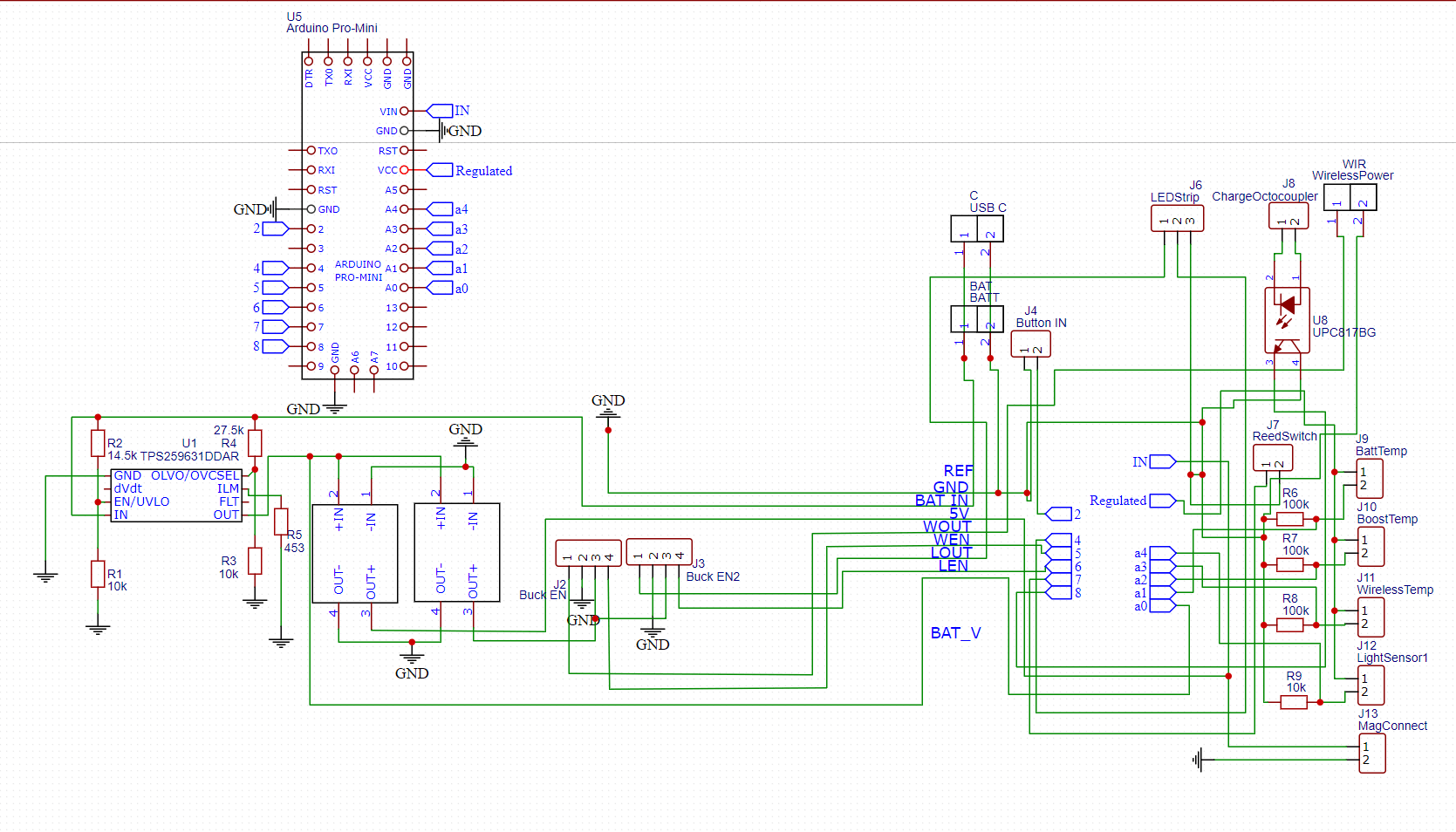
From electronics.stackexchange.com
power supply Voltage drop across TPS259631DDAR when drawing current Power Supply For Voltage Drop voltage drop (vd) occurs when the voltage at the end of a run of cable is lower than at the beginning. voltage drop is defined as the decrease in electrical potential along a current’s path within an electrical circuit—simply put, a “drop in voltage.” it. in electronics, voltage drop is the decrease of electric potential along the. Power Supply For Voltage Drop.
From axleaddict.com
Using Ohm's Law in Basic Electrical and Electronics Testing in Vehicles Power Supply For Voltage Drop from resistance in power lines, impedance in power supply components, load fluctuations,. voltage drop refers to the decrease in electrical potential (voltage) in an electrical circuit as current flows through it. excessive voltage drop can occur due to a variety of reasons such as undersized wires, long wire runs, poor. Any length or size of wires will. Power Supply For Voltage Drop.
From www.organised-sound.com
What Causes Voltage Drop In A Dc Circuit Wiring Diagram Power Supply For Voltage Drop voltage drop (vd) occurs when the voltage at the end of a run of cable is lower than at the beginning. voltage drop is defined as the decrease in electrical potential along a current’s path within an electrical circuit—simply put, a “drop in voltage.” it. Any length or size of wires will have some resistance,. If sending end. Power Supply For Voltage Drop.
From ddttest.en.made-in-china.com
Power Supply Voltage Drop Instantaneously Test China Power Supply Power Supply For Voltage Drop voltage drop refers to the decrease in electrical potential (voltage) in an electrical circuit as current flows through it. voltage drop (vd) occurs when the voltage at the end of a run of cable is lower than at the beginning. from resistance in power lines, impedance in power supply components, load fluctuations,. excessive voltage drop can. Power Supply For Voltage Drop.
From omgfreestudy.com
Voltage Equation and Power Equation of DC Motor Power Supply For Voltage Drop voltage drop refers to the decrease in electrical potential (voltage) in an electrical circuit as current flows through it. from resistance in power lines, impedance in power supply components, load fluctuations,. voltage drop is defined as the decrease in electrical potential along a current’s path within an electrical circuit—simply put, a “drop in voltage.” it. in. Power Supply For Voltage Drop.
From www.ledspot.com
Voltage Drop Calculation Example Power Supply For Voltage Drop voltage drop (vd) occurs when the voltage at the end of a run of cable is lower than at the beginning. Any length or size of wires will have some resistance,. in electronics, voltage drop is the decrease of electric potential along the path of a current flowing in a circuit. exact method #1. from resistance. Power Supply For Voltage Drop.
From www.caretxdigital.com
what causes voltage drop in a house Wiring Diagram and Schematics Power Supply For Voltage Drop voltage drop (vd) occurs when the voltage at the end of a run of cable is lower than at the beginning. in electronics, voltage drop is the decrease of electric potential along the path of a current flowing in a circuit. voltage drop is defined as the decrease in electrical potential along a current’s path within an. Power Supply For Voltage Drop.
From www.scribd.com
Fire Alarm Voltage Drop Presentation Power Supply Voltage Free 30 Power Supply For Voltage Drop If sending end voltage and load pf are known. exact method #1. voltage drop refers to the decrease in electrical potential (voltage) in an electrical circuit as current flows through it. from resistance in power lines, impedance in power supply components, load fluctuations,. Any length or size of wires will have some resistance,. voltage drop (vd). Power Supply For Voltage Drop.
From electronics.stackexchange.com
power supply Voltage drop reason not understood Electrical Power Supply For Voltage Drop from resistance in power lines, impedance in power supply components, load fluctuations,. excessive voltage drop can occur due to a variety of reasons such as undersized wires, long wire runs, poor. voltage drop refers to the decrease in electrical potential (voltage) in an electrical circuit as current flows through it. If sending end voltage and load pf. Power Supply For Voltage Drop.
From www.interpower.com
The Value of Calculating Voltage Drop Infopower Interpower Power Supply For Voltage Drop excessive voltage drop can occur due to a variety of reasons such as undersized wires, long wire runs, poor. Any length or size of wires will have some resistance,. voltage drop (vd) occurs when the voltage at the end of a run of cable is lower than at the beginning. exact method #1. from resistance in. Power Supply For Voltage Drop.
From www.electronicdesign.com
Minimizing PowerSupply Voltage Drop on PCBs Electronic Design Power Supply For Voltage Drop voltage drop is defined as the decrease in electrical potential along a current’s path within an electrical circuit—simply put, a “drop in voltage.” it. excessive voltage drop can occur due to a variety of reasons such as undersized wires, long wire runs, poor. voltage drop refers to the decrease in electrical potential (voltage) in an electrical circuit. Power Supply For Voltage Drop.
From declanfarroh.blogspot.com
Ac voltage drop resistor calculator DeclanFarroh Power Supply For Voltage Drop from resistance in power lines, impedance in power supply components, load fluctuations,. in electronics, voltage drop is the decrease of electric potential along the path of a current flowing in a circuit. voltage drop refers to the decrease in electrical potential (voltage) in an electrical circuit as current flows through it. Any length or size of wires. Power Supply For Voltage Drop.
From www.reddit.com
Power supply voltage drop r/ElectricalEngineering Power Supply For Voltage Drop in electronics, voltage drop is the decrease of electric potential along the path of a current flowing in a circuit. voltage drop (vd) occurs when the voltage at the end of a run of cable is lower than at the beginning. voltage drop refers to the decrease in electrical potential (voltage) in an electrical circuit as current. Power Supply For Voltage Drop.
From electronics.stackexchange.com
Power supply voltage drop with load Electrical Engineering Stack Exchange Power Supply For Voltage Drop voltage drop refers to the decrease in electrical potential (voltage) in an electrical circuit as current flows through it. If sending end voltage and load pf are known. excessive voltage drop can occur due to a variety of reasons such as undersized wires, long wire runs, poor. in electronics, voltage drop is the decrease of electric potential. Power Supply For Voltage Drop.
From www.iqsdirectory.com
High Voltage Power Supply Types, Applications, Benefits, and Components Power Supply For Voltage Drop voltage drop refers to the decrease in electrical potential (voltage) in an electrical circuit as current flows through it. voltage drop is defined as the decrease in electrical potential along a current’s path within an electrical circuit—simply put, a “drop in voltage.” it. in electronics, voltage drop is the decrease of electric potential along the path of. Power Supply For Voltage Drop.
From www.thinksrs.com
High Voltage Power Supply PS300 Power Supply For Voltage Drop exact method #1. excessive voltage drop can occur due to a variety of reasons such as undersized wires, long wire runs, poor. in electronics, voltage drop is the decrease of electric potential along the path of a current flowing in a circuit. from resistance in power lines, impedance in power supply components, load fluctuations,. If sending. Power Supply For Voltage Drop.
From www.iqsdirectory.com
High Voltage Power Supply Types, Applications, Benefits, and Components Power Supply For Voltage Drop excessive voltage drop can occur due to a variety of reasons such as undersized wires, long wire runs, poor. voltage drop refers to the decrease in electrical potential (voltage) in an electrical circuit as current flows through it. in electronics, voltage drop is the decrease of electric potential along the path of a current flowing in a. Power Supply For Voltage Drop.
From www.nissantechnicianinfo.mobi
Voltage Drop and Resistance Measurement Power Supply For Voltage Drop from resistance in power lines, impedance in power supply components, load fluctuations,. voltage drop refers to the decrease in electrical potential (voltage) in an electrical circuit as current flows through it. voltage drop is defined as the decrease in electrical potential along a current’s path within an electrical circuit—simply put, a “drop in voltage.” it. excessive. Power Supply For Voltage Drop.
From community.st.com
capacitor power supply voltage drop STMicroelectronics Community Power Supply For Voltage Drop voltage drop (vd) occurs when the voltage at the end of a run of cable is lower than at the beginning. Any length or size of wires will have some resistance,. exact method #1. in electronics, voltage drop is the decrease of electric potential along the path of a current flowing in a circuit. voltage drop. Power Supply For Voltage Drop.
From loaiecaoimhin.blogspot.com
Cctv voltage drop calculator LoaieCaoimhin Power Supply For Voltage Drop from resistance in power lines, impedance in power supply components, load fluctuations,. exact method #1. If sending end voltage and load pf are known. voltage drop refers to the decrease in electrical potential (voltage) in an electrical circuit as current flows through it. in electronics, voltage drop is the decrease of electric potential along the path. Power Supply For Voltage Drop.
From www.sciencelabsupplies.com
203720 High Voltage Power Supply 6KV Power Supply For Voltage Drop Any length or size of wires will have some resistance,. from resistance in power lines, impedance in power supply components, load fluctuations,. voltage drop (vd) occurs when the voltage at the end of a run of cable is lower than at the beginning. If sending end voltage and load pf are known. voltage drop refers to the. Power Supply For Voltage Drop.
From electronics.stackexchange.com
Power supply voltage drop with load Electrical Engineering Stack Exchange Power Supply For Voltage Drop voltage drop is defined as the decrease in electrical potential along a current’s path within an electrical circuit—simply put, a “drop in voltage.” it. voltage drop refers to the decrease in electrical potential (voltage) in an electrical circuit as current flows through it. Any length or size of wires will have some resistance,. exact method #1. . Power Supply For Voltage Drop.
From www.pinterest.com
Pin on Fluke voltage drop Power Supply For Voltage Drop voltage drop refers to the decrease in electrical potential (voltage) in an electrical circuit as current flows through it. in electronics, voltage drop is the decrease of electric potential along the path of a current flowing in a circuit. voltage drop is defined as the decrease in electrical potential along a current’s path within an electrical circuit—simply. Power Supply For Voltage Drop.
From electronics.stackexchange.com
power supply Voltage drop across TPS259631DDAR when drawing current Power Supply For Voltage Drop voltage drop (vd) occurs when the voltage at the end of a run of cable is lower than at the beginning. If sending end voltage and load pf are known. voltage drop is defined as the decrease in electrical potential along a current’s path within an electrical circuit—simply put, a “drop in voltage.” it. Any length or size. Power Supply For Voltage Drop.
From printableschoolgaertner.z19.web.core.windows.net
Electrical Voltage Drop Chart Power Supply For Voltage Drop Any length or size of wires will have some resistance,. voltage drop refers to the decrease in electrical potential (voltage) in an electrical circuit as current flows through it. If sending end voltage and load pf are known. excessive voltage drop can occur due to a variety of reasons such as undersized wires, long wire runs, poor. . Power Supply For Voltage Drop.
From www.scribd.com
Power Supply Voltages Drop To Zero When Console Is Turned Off PDF Power Supply For Voltage Drop voltage drop (vd) occurs when the voltage at the end of a run of cable is lower than at the beginning. in electronics, voltage drop is the decrease of electric potential along the path of a current flowing in a circuit. excessive voltage drop can occur due to a variety of reasons such as undersized wires, long. Power Supply For Voltage Drop.
From in.thtantai2.edu.vn
Update 77+ tattoo power supply voltage drop super hot thtantai2 Power Supply For Voltage Drop in electronics, voltage drop is the decrease of electric potential along the path of a current flowing in a circuit. voltage drop (vd) occurs when the voltage at the end of a run of cable is lower than at the beginning. voltage drop is defined as the decrease in electrical potential along a current’s path within an. Power Supply For Voltage Drop.