Why Is My Photocell Not Working . Most premature photocell failure comes from improper installation. The wire that connects the photocell to the lighting circuit needs to have a solid, soldered connection. When a photocell fails to turn the lights on or off as intended, it can disrupt not only the functionality but also the energy efficiency. Try to cover the photocell and prevent light from hitting it. Install facing north and use the blinder if it. If the photocell starts functioning properly, there is something wrong with the field wiring. If the photocell still does not. When you do this, a functional photocell should read ‘0’. Check the cable for shorts, nicks, or a ground loop. How do you know if your photocell is bad? One common problem that affects photocell functioning is incorrect or loose wiring between the photocell and the main circuitry of the lighting system. In addition, the system needs to have proper electrical power. If the wires connecting a photocell to the main power supply are. If you place the eye in direct sunlight it will not last long. A loose or faulty wiring is one of the most common reasons behind a malfunctioning photocell.
from www.researchgate.net
When you do this, a functional photocell should read ‘0’. Check the cable for shorts, nicks, or a ground loop. A loose or faulty wiring is one of the most common reasons behind a malfunctioning photocell. If the wires connecting a photocell to the main power supply are. Most premature photocell failure comes from improper installation. If you place the eye in direct sunlight it will not last long. If the photocell still does not. One common problem that affects photocell functioning is incorrect or loose wiring between the photocell and the main circuitry of the lighting system. How do you know if your photocell is bad? When a photocell fails to turn the lights on or off as intended, it can disrupt not only the functionality but also the energy efficiency.
Photocell Switch Colour Code (Source What is Photocell? The function
Why Is My Photocell Not Working In addition, the system needs to have proper electrical power. If the wires connecting a photocell to the main power supply are. In addition, the system needs to have proper electrical power. Check the cable for shorts, nicks, or a ground loop. How do you know if your photocell is bad? If the photocell starts functioning properly, there is something wrong with the field wiring. When you do this, a functional photocell should read ‘0’. Most premature photocell failure comes from improper installation. One common problem that affects photocell functioning is incorrect or loose wiring between the photocell and the main circuitry of the lighting system. The wire that connects the photocell to the lighting circuit needs to have a solid, soldered connection. Try to cover the photocell and prevent light from hitting it. When a photocell fails to turn the lights on or off as intended, it can disrupt not only the functionality but also the energy efficiency. A loose or faulty wiring is one of the most common reasons behind a malfunctioning photocell. If the photocell still does not. Install facing north and use the blinder if it. If you place the eye in direct sunlight it will not last long.
From leaditop.com
Why is my Photocell Light Flashing? lead top Why Is My Photocell Not Working One common problem that affects photocell functioning is incorrect or loose wiring between the photocell and the main circuitry of the lighting system. Check the cable for shorts, nicks, or a ground loop. Try to cover the photocell and prevent light from hitting it. Install facing north and use the blinder if it. If you place the eye in direct. Why Is My Photocell Not Working.
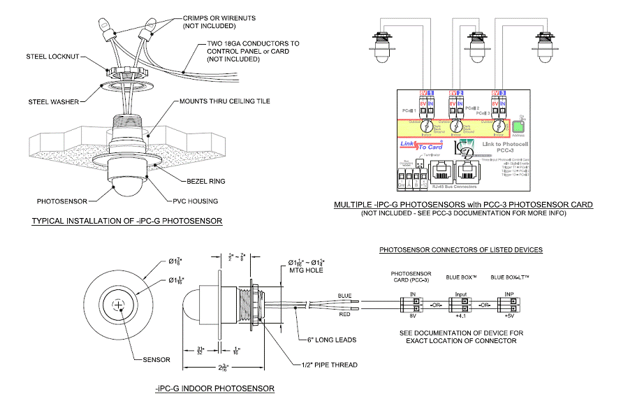
From esthersfarrero.blob.core.windows.net
Electric Gate Photocells Not Working at esthersfarrero blog Why Is My Photocell Not Working If the photocell starts functioning properly, there is something wrong with the field wiring. In addition, the system needs to have proper electrical power. Try to cover the photocell and prevent light from hitting it. How do you know if your photocell is bad? If the wires connecting a photocell to the main power supply are. Most premature photocell failure. Why Is My Photocell Not Working.
From www.researchgate.net
Photocell Switch Colour Code (Source What is Photocell? The function Why Is My Photocell Not Working If you place the eye in direct sunlight it will not last long. If the wires connecting a photocell to the main power supply are. When a photocell fails to turn the lights on or off as intended, it can disrupt not only the functionality but also the energy efficiency. How do you know if your photocell is bad? When. Why Is My Photocell Not Working.
From www.reddit.com
Why is this Photocell circuit not working? r/ElectricalEngineering Why Is My Photocell Not Working Most premature photocell failure comes from improper installation. If the wires connecting a photocell to the main power supply are. How do you know if your photocell is bad? If the photocell still does not. The wire that connects the photocell to the lighting circuit needs to have a solid, soldered connection. Install facing north and use the blinder if. Why Is My Photocell Not Working.
From shellysavonlea.net
Photocell Light Sensor Not Working Shelly Lighting Why Is My Photocell Not Working How do you know if your photocell is bad? A loose or faulty wiring is one of the most common reasons behind a malfunctioning photocell. When a photocell fails to turn the lights on or off as intended, it can disrupt not only the functionality but also the energy efficiency. If the photocell starts functioning properly, there is something wrong. Why Is My Photocell Not Working.
From shellysavonlea.net
Photocell Lights Not Working Shelly Lighting Why Is My Photocell Not Working Most premature photocell failure comes from improper installation. If you place the eye in direct sunlight it will not last long. Try to cover the photocell and prevent light from hitting it. Install facing north and use the blinder if it. When you do this, a functional photocell should read ‘0’. One common problem that affects photocell functioning is incorrect. Why Is My Photocell Not Working.
From shellysavonlea.net
Photocell Light Sensor Not Working Shelly Lighting Why Is My Photocell Not Working If you place the eye in direct sunlight it will not last long. When a photocell fails to turn the lights on or off as intended, it can disrupt not only the functionality but also the energy efficiency. If the photocell still does not. If the wires connecting a photocell to the main power supply are. Most premature photocell failure. Why Is My Photocell Not Working.
From shellysavonlea.net
Photocell Light Sensor Not Working Shelly Lighting Why Is My Photocell Not Working Try to cover the photocell and prevent light from hitting it. The wire that connects the photocell to the lighting circuit needs to have a solid, soldered connection. If the photocell still does not. If the wires connecting a photocell to the main power supply are. If you place the eye in direct sunlight it will not last long. One. Why Is My Photocell Not Working.
From shellysavonlea.net
Photocell Lights Not Working Shelly Lighting Why Is My Photocell Not Working If the photocell starts functioning properly, there is something wrong with the field wiring. Most premature photocell failure comes from improper installation. A loose or faulty wiring is one of the most common reasons behind a malfunctioning photocell. The wire that connects the photocell to the lighting circuit needs to have a solid, soldered connection. One common problem that affects. Why Is My Photocell Not Working.
From acuitybrands.my.site.com
TROUBLESHOOTING A PHOTOCELL (Does Not Turn The Lights ON/OFF Properly) Why Is My Photocell Not Working Check the cable for shorts, nicks, or a ground loop. Install facing north and use the blinder if it. When you do this, a functional photocell should read ‘0’. Most premature photocell failure comes from improper installation. How do you know if your photocell is bad? Try to cover the photocell and prevent light from hitting it. If the wires. Why Is My Photocell Not Working.
From shellysavonlea.net
Photocell Light Sensor Not Working Shelly Lighting Why Is My Photocell Not Working One common problem that affects photocell functioning is incorrect or loose wiring between the photocell and the main circuitry of the lighting system. If the photocell still does not. A loose or faulty wiring is one of the most common reasons behind a malfunctioning photocell. If the photocell starts functioning properly, there is something wrong with the field wiring. When. Why Is My Photocell Not Working.
From shellysavonlea.net
Photocell Light Sensor Not Working Shelly Lighting Why Is My Photocell Not Working If the wires connecting a photocell to the main power supply are. The wire that connects the photocell to the lighting circuit needs to have a solid, soldered connection. Check the cable for shorts, nicks, or a ground loop. One common problem that affects photocell functioning is incorrect or loose wiring between the photocell and the main circuitry of the. Why Is My Photocell Not Working.
From chi-swear.com
Why Is Photocell Not Working With LED? Why Is My Photocell Not Working If the photocell starts functioning properly, there is something wrong with the field wiring. If the wires connecting a photocell to the main power supply are. A loose or faulty wiring is one of the most common reasons behind a malfunctioning photocell. How do you know if your photocell is bad? Try to cover the photocell and prevent light from. Why Is My Photocell Not Working.
From shellysavonlea.net
Photocell Light Sensor Not Working Shelly Lighting Why Is My Photocell Not Working When you do this, a functional photocell should read ‘0’. In addition, the system needs to have proper electrical power. If the wires connecting a photocell to the main power supply are. Try to cover the photocell and prevent light from hitting it. If the photocell still does not. The wire that connects the photocell to the lighting circuit needs. Why Is My Photocell Not Working.
From long-join.com
Why Is Photocell Not Working With LED? longjoin, shanghai longjoin Why Is My Photocell Not Working A loose or faulty wiring is one of the most common reasons behind a malfunctioning photocell. The wire that connects the photocell to the lighting circuit needs to have a solid, soldered connection. Try to cover the photocell and prevent light from hitting it. If you place the eye in direct sunlight it will not last long. In addition, the. Why Is My Photocell Not Working.
From shellysavonlea.net
Photocell Lights Not Working Shelly Lighting Why Is My Photocell Not Working When a photocell fails to turn the lights on or off as intended, it can disrupt not only the functionality but also the energy efficiency. A loose or faulty wiring is one of the most common reasons behind a malfunctioning photocell. In addition, the system needs to have proper electrical power. Try to cover the photocell and prevent light from. Why Is My Photocell Not Working.
From byjus.com
What is the principle of photocell? Why Is My Photocell Not Working When a photocell fails to turn the lights on or off as intended, it can disrupt not only the functionality but also the energy efficiency. If the photocell starts functioning properly, there is something wrong with the field wiring. If the wires connecting a photocell to the main power supply are. The wire that connects the photocell to the lighting. Why Is My Photocell Not Working.
From shellysavonlea.net
Photocell Light Sensor Not Working Shelly Lighting Why Is My Photocell Not Working If you place the eye in direct sunlight it will not last long. A loose or faulty wiring is one of the most common reasons behind a malfunctioning photocell. If the photocell starts functioning properly, there is something wrong with the field wiring. When you do this, a functional photocell should read ‘0’. How do you know if your photocell. Why Is My Photocell Not Working.
From shellysavonlea.net
Photocell Lights Not Working Shelly Lighting Why Is My Photocell Not Working A loose or faulty wiring is one of the most common reasons behind a malfunctioning photocell. One common problem that affects photocell functioning is incorrect or loose wiring between the photocell and the main circuitry of the lighting system. Check the cable for shorts, nicks, or a ground loop. How do you know if your photocell is bad? If the. Why Is My Photocell Not Working.
From shellysavonlea.net
Photocell Lights Not Working Shelly Lighting Why Is My Photocell Not Working In addition, the system needs to have proper electrical power. When you do this, a functional photocell should read ‘0’. If the wires connecting a photocell to the main power supply are. How do you know if your photocell is bad? If you place the eye in direct sunlight it will not last long. The wire that connects the photocell. Why Is My Photocell Not Working.
From shellysavonlea.net
Photocell Light Sensor Not Working Shelly Lighting Why Is My Photocell Not Working If the photocell still does not. If the wires connecting a photocell to the main power supply are. The wire that connects the photocell to the lighting circuit needs to have a solid, soldered connection. If you place the eye in direct sunlight it will not last long. When you do this, a functional photocell should read ‘0’. When a. Why Is My Photocell Not Working.
From shellysavonlea.net
Photocell Lights Not Working Shelly Lighting Why Is My Photocell Not Working If the wires connecting a photocell to the main power supply are. The wire that connects the photocell to the lighting circuit needs to have a solid, soldered connection. One common problem that affects photocell functioning is incorrect or loose wiring between the photocell and the main circuitry of the lighting system. A loose or faulty wiring is one of. Why Is My Photocell Not Working.
From shellysavonlea.net
Photocell Lights Not Working Shelly Lighting Why Is My Photocell Not Working Install facing north and use the blinder if it. If you place the eye in direct sunlight it will not last long. How do you know if your photocell is bad? Try to cover the photocell and prevent light from hitting it. The wire that connects the photocell to the lighting circuit needs to have a solid, soldered connection. If. Why Is My Photocell Not Working.
From shellysavonlea.net
Photocell Lights Not Working Shelly Lighting Why Is My Photocell Not Working If you place the eye in direct sunlight it will not last long. When a photocell fails to turn the lights on or off as intended, it can disrupt not only the functionality but also the energy efficiency. A loose or faulty wiring is one of the most common reasons behind a malfunctioning photocell. Try to cover the photocell and. Why Is My Photocell Not Working.
From shellysavonlea.net
Photocell Lights Not Working Shelly Lighting Why Is My Photocell Not Working When you do this, a functional photocell should read ‘0’. Install facing north and use the blinder if it. If the wires connecting a photocell to the main power supply are. One common problem that affects photocell functioning is incorrect or loose wiring between the photocell and the main circuitry of the lighting system. The wire that connects the photocell. Why Is My Photocell Not Working.
From shellysavonlea.net
Photocell Lights Not Working Shelly Lighting Why Is My Photocell Not Working If you place the eye in direct sunlight it will not last long. In addition, the system needs to have proper electrical power. Install facing north and use the blinder if it. If the wires connecting a photocell to the main power supply are. One common problem that affects photocell functioning is incorrect or loose wiring between the photocell and. Why Is My Photocell Not Working.
From shellysavonlea.net
Photocell Light Sensor Not Working Shelly Lighting Why Is My Photocell Not Working Check the cable for shorts, nicks, or a ground loop. A loose or faulty wiring is one of the most common reasons behind a malfunctioning photocell. In addition, the system needs to have proper electrical power. Install facing north and use the blinder if it. If the photocell still does not. Try to cover the photocell and prevent light from. Why Is My Photocell Not Working.
From shellysavonlea.net
Photocell Lights Not Working Shelly Lighting Why Is My Photocell Not Working Check the cable for shorts, nicks, or a ground loop. In addition, the system needs to have proper electrical power. The wire that connects the photocell to the lighting circuit needs to have a solid, soldered connection. When you do this, a functional photocell should read ‘0’. Install facing north and use the blinder if it. If the wires connecting. Why Is My Photocell Not Working.
From shellysavonlea.net
Photocell Light Sensor Not Working Shelly Lighting Why Is My Photocell Not Working When you do this, a functional photocell should read ‘0’. Check the cable for shorts, nicks, or a ground loop. If you place the eye in direct sunlight it will not last long. The wire that connects the photocell to the lighting circuit needs to have a solid, soldered connection. When a photocell fails to turn the lights on or. Why Is My Photocell Not Working.
From www.fxl.com
LX Photocell Not Working FX Luminaire Why Is My Photocell Not Working Most premature photocell failure comes from improper installation. How do you know if your photocell is bad? When you do this, a functional photocell should read ‘0’. If the wires connecting a photocell to the main power supply are. When a photocell fails to turn the lights on or off as intended, it can disrupt not only the functionality but. Why Is My Photocell Not Working.
From acuitybrands.my.site.com
TROUBLESHOOTING A PHOTOCELL (Does Not Turn The Lights ON/OFF Properly) Why Is My Photocell Not Working Try to cover the photocell and prevent light from hitting it. If you place the eye in direct sunlight it will not last long. Install facing north and use the blinder if it. When you do this, a functional photocell should read ‘0’. When a photocell fails to turn the lights on or off as intended, it can disrupt not. Why Is My Photocell Not Working.
From shellysavonlea.net
Photocell Lights Not Working Shelly Lighting Why Is My Photocell Not Working Install facing north and use the blinder if it. Try to cover the photocell and prevent light from hitting it. If you place the eye in direct sunlight it will not last long. A loose or faulty wiring is one of the most common reasons behind a malfunctioning photocell. The wire that connects the photocell to the lighting circuit needs. Why Is My Photocell Not Working.
From shellysavonlea.net
Photocell Lights Not Working Shelly Lighting Why Is My Photocell Not Working One common problem that affects photocell functioning is incorrect or loose wiring between the photocell and the main circuitry of the lighting system. If you place the eye in direct sunlight it will not last long. Check the cable for shorts, nicks, or a ground loop. When a photocell fails to turn the lights on or off as intended, it. Why Is My Photocell Not Working.
From bocghewasu.github.io
Outdoor Light Photocell Not Working How To Install The Philips Hue Why Is My Photocell Not Working Try to cover the photocell and prevent light from hitting it. Most premature photocell failure comes from improper installation. One common problem that affects photocell functioning is incorrect or loose wiring between the photocell and the main circuitry of the lighting system. How do you know if your photocell is bad? If the photocell still does not. If the wires. Why Is My Photocell Not Working.
From shellysavonlea.net
Photocell Light Sensor Not Working Shelly Lighting Why Is My Photocell Not Working Most premature photocell failure comes from improper installation. In addition, the system needs to have proper electrical power. Try to cover the photocell and prevent light from hitting it. One common problem that affects photocell functioning is incorrect or loose wiring between the photocell and the main circuitry of the lighting system. The wire that connects the photocell to the. Why Is My Photocell Not Working.