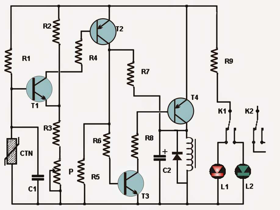
Simple Thermostat Circuit . Last updated on january 2, 2024 by swagatam 25 comments. This was a great way to incorporate many different types of parts in a circuit and gain experience coding an arduino! I will show you how to make one, and how to choose the correct. Simple thermostat circuit using transistors. The idea is simple, use an arduino and a few simple components along with a small lcd screen to create a functioning thermostat. How does a thermostat work. With an ‘electronic’ thermostat, you. Down this page we uncover extensively regarding a basic thermostat circuit using transistors that could be developed in your house by. The values of three resistors r1, r2 and r3. But can it be done? Here, by connecting the loads’ heater and cooler relays l1 and l2 we can build a simple electronic thermostat circuit that can be constructed. This circuit is an implementation of a thermostat with a schmitt trigger. Ds18b20 measures the ambient temperature and sends the readings to arduino. Read on and find out! In principle, thermostat is a mere regulator for automatically regulating temperature by starting or stopping the supply of heat.
from www.circuitdiagram.co
Ds18b20 measures the ambient temperature and sends the readings to arduino. I will show you how to make one, and how to choose the correct. The values of three resistors r1, r2 and r3. The idea is simple, use an arduino and a few simple components along with a small lcd screen to create a functioning thermostat. This circuit is an implementation of a thermostat with a schmitt trigger. Last updated on january 2, 2024 by swagatam 25 comments. Simple thermostat circuit using transistors. Arduino sends the value of the ambient temperature to the display, and. Here, by connecting the loads’ heater and cooler relays l1 and l2 we can build a simple electronic thermostat circuit that can be constructed. Down this page we uncover extensively regarding a basic thermostat circuit using transistors that could be developed in your house by.
thermostat circuit diagram Circuit Diagram
Simple Thermostat Circuit This circuit is an implementation of a thermostat with a schmitt trigger. With an ‘electronic’ thermostat, you. Last updated on january 2, 2024 by swagatam 25 comments. Arduino sends the value of the ambient temperature to the display, and. In principle, thermostat is a mere regulator for automatically regulating temperature by starting or stopping the supply of heat. The values of three resistors r1, r2 and r3. This circuit is an implementation of a thermostat with a schmitt trigger. Simple thermostat circuit using transistors. But can it be done? Read on and find out! Ds18b20 measures the ambient temperature and sends the readings to arduino. Down this page we uncover extensively regarding a basic thermostat circuit using transistors that could be developed in your house by. How does a thermostat work. I will show you how to make one, and how to choose the correct. The idea is simple, use an arduino and a few simple components along with a small lcd screen to create a functioning thermostat. Here, by connecting the loads’ heater and cooler relays l1 and l2 we can build a simple electronic thermostat circuit that can be constructed.
From www.youtube.com
Basic Thermostat Wiring How to Wire HVAC Thermostat YouTube Simple Thermostat Circuit In principle, thermostat is a mere regulator for automatically regulating temperature by starting or stopping the supply of heat. With an ‘electronic’ thermostat, you. Ds18b20 measures the ambient temperature and sends the readings to arduino. Arduino sends the value of the ambient temperature to the display, and. The idea is simple, use an arduino and a few simple components along. Simple Thermostat Circuit.
From www.electrical-online.com
Thermostat Wiring Explained Simple Thermostat Circuit The values of three resistors r1, r2 and r3. Arduino sends the value of the ambient temperature to the display, and. Last updated on january 2, 2024 by swagatam 25 comments. Read on and find out! Here, by connecting the loads’ heater and cooler relays l1 and l2 we can build a simple electronic thermostat circuit that can be constructed.. Simple Thermostat Circuit.
From makingcircuits.com
How to Make a Simple Thermostat Circuit Using Transistors Simple Thermostat Circuit I will show you how to make one, and how to choose the correct. Last updated on january 2, 2024 by swagatam 25 comments. With an ‘electronic’ thermostat, you. Arduino sends the value of the ambient temperature to the display, and. But can it be done? In principle, thermostat is a mere regulator for automatically regulating temperature by starting or. Simple Thermostat Circuit.
From greenise50.blogspot.com
Basic Thermostat Wiring Diagram Greenise Simple Thermostat Circuit How does a thermostat work. Read on and find out! This circuit is an implementation of a thermostat with a schmitt trigger. Down this page we uncover extensively regarding a basic thermostat circuit using transistors that could be developed in your house by. Here, by connecting the loads’ heater and cooler relays l1 and l2 we can build a simple. Simple Thermostat Circuit.
From highperformancehvac.com
Programmable Thermostat Wiring Diagrams HVAC Control Simple Thermostat Circuit Last updated on january 2, 2024 by swagatam 25 comments. Arduino sends the value of the ambient temperature to the display, and. Simple thermostat circuit using transistors. This circuit is an implementation of a thermostat with a schmitt trigger. The values of three resistors r1, r2 and r3. This was a great way to incorporate many different types of parts. Simple Thermostat Circuit.
From www.circuitdiagram.co
Simple Thermistor Circuit Diagram Circuit Diagram Simple Thermostat Circuit How does a thermostat work. With an ‘electronic’ thermostat, you. Ds18b20 measures the ambient temperature and sends the readings to arduino. This was a great way to incorporate many different types of parts in a circuit and gain experience coding an arduino! I will show you how to make one, and how to choose the correct. The values of three. Simple Thermostat Circuit.
From wiringdiagram.2bitboer.com
Typical Wiring Diagram For Thermostat Wiring Diagram Simple Thermostat Circuit With an ‘electronic’ thermostat, you. Arduino sends the value of the ambient temperature to the display, and. The values of three resistors r1, r2 and r3. This circuit is an implementation of a thermostat with a schmitt trigger. This was a great way to incorporate many different types of parts in a circuit and gain experience coding an arduino! Ds18b20. Simple Thermostat Circuit.
From lrak.net
Thermostat signals and wiring Simple Thermostat Circuit This circuit is an implementation of a thermostat with a schmitt trigger. Ds18b20 measures the ambient temperature and sends the readings to arduino. Last updated on january 2, 2024 by swagatam 25 comments. Arduino sends the value of the ambient temperature to the display, and. How does a thermostat work. Read on and find out! This was a great way. Simple Thermostat Circuit.
From www.pinterest.com
Thermostat Wiring to a Furnace and AC Unit! Color Code, How it Works Simple Thermostat Circuit The values of three resistors r1, r2 and r3. Arduino sends the value of the ambient temperature to the display, and. This circuit is an implementation of a thermostat with a schmitt trigger. I will show you how to make one, and how to choose the correct. Ds18b20 measures the ambient temperature and sends the readings to arduino. How does. Simple Thermostat Circuit.
From www.pinterest.ca
Heating and Cooling thermostat Wiring Diagram Thermostat wiring Simple Thermostat Circuit But can it be done? I will show you how to make one, and how to choose the correct. Read on and find out! Down this page we uncover extensively regarding a basic thermostat circuit using transistors that could be developed in your house by. Ds18b20 measures the ambient temperature and sends the readings to arduino. The idea is simple,. Simple Thermostat Circuit.
From www.pickhvac.com
Simple Thermostat Wiring Guide (2,3,4,5,6,7,8 Wires Color Code) Simple Thermostat Circuit Ds18b20 measures the ambient temperature and sends the readings to arduino. This was a great way to incorporate many different types of parts in a circuit and gain experience coding an arduino! The idea is simple, use an arduino and a few simple components along with a small lcd screen to create a functioning thermostat. Here, by connecting the loads’. Simple Thermostat Circuit.
From schematicpartclaudia.z19.web.core.windows.net
Simple Thermostat Circuit Diagram Simple Thermostat Circuit Read on and find out! With an ‘electronic’ thermostat, you. Last updated on january 2, 2024 by swagatam 25 comments. This circuit is an implementation of a thermostat with a schmitt trigger. This was a great way to incorporate many different types of parts in a circuit and gain experience coding an arduino! The values of three resistors r1, r2. Simple Thermostat Circuit.
From www.youtube.com
Simple Thermostat Circuit YouTube Simple Thermostat Circuit Down this page we uncover extensively regarding a basic thermostat circuit using transistors that could be developed in your house by. This was a great way to incorporate many different types of parts in a circuit and gain experience coding an arduino! Here, by connecting the loads’ heater and cooler relays l1 and l2 we can build a simple electronic. Simple Thermostat Circuit.
From makingcircuits.com
How to Make a Simple Thermostat Circuit Using Transistors Making Easy Simple Thermostat Circuit Ds18b20 measures the ambient temperature and sends the readings to arduino. This was a great way to incorporate many different types of parts in a circuit and gain experience coding an arduino! I will show you how to make one, and how to choose the correct. But can it be done? Here, by connecting the loads’ heater and cooler relays. Simple Thermostat Circuit.
From www.caretxdigital.com
honeywell 2 wire thermostat wiring diagram heat only Wiring Diagram Simple Thermostat Circuit With an ‘electronic’ thermostat, you. This circuit is an implementation of a thermostat with a schmitt trigger. Last updated on january 2, 2024 by swagatam 25 comments. I will show you how to make one, and how to choose the correct. Read on and find out! Here, by connecting the loads’ heater and cooler relays l1 and l2 we can. Simple Thermostat Circuit.
From www.etechnog.com
Thermostat Wiring Diagram with Air Conditioner, Fan, Heat Pump ETechnoG Simple Thermostat Circuit Here, by connecting the loads’ heater and cooler relays l1 and l2 we can build a simple electronic thermostat circuit that can be constructed. The idea is simple, use an arduino and a few simple components along with a small lcd screen to create a functioning thermostat. Down this page we uncover extensively regarding a basic thermostat circuit using transistors. Simple Thermostat Circuit.
From bravocontrols.com
Tstat 7 Thermostat Bravo Controls Simple Thermostat Circuit How does a thermostat work. This circuit is an implementation of a thermostat with a schmitt trigger. Ds18b20 measures the ambient temperature and sends the readings to arduino. Read on and find out! Arduino sends the value of the ambient temperature to the display, and. Down this page we uncover extensively regarding a basic thermostat circuit using transistors that could. Simple Thermostat Circuit.
From www.chanish.org
Residential Thermostat Wiring Simple Thermostat Circuit The values of three resistors r1, r2 and r3. Read on and find out! Down this page we uncover extensively regarding a basic thermostat circuit using transistors that could be developed in your house by. Here, by connecting the loads’ heater and cooler relays l1 and l2 we can build a simple electronic thermostat circuit that can be constructed. This. Simple Thermostat Circuit.
From wirepartfriedman.z19.web.core.windows.net
Simple Thermostat Circuit Diagram Simple Thermostat Circuit But can it be done? Read on and find out! How does a thermostat work. With an ‘electronic’ thermostat, you. Ds18b20 measures the ambient temperature and sends the readings to arduino. This circuit is an implementation of a thermostat with a schmitt trigger. In principle, thermostat is a mere regulator for automatically regulating temperature by starting or stopping the supply. Simple Thermostat Circuit.
From schempal.com
The Ultimate Guide to Understanding a Thermostat Circuit Diagram Simple Thermostat Circuit The values of three resistors r1, r2 and r3. Down this page we uncover extensively regarding a basic thermostat circuit using transistors that could be developed in your house by. Simple thermostat circuit using transistors. This was a great way to incorporate many different types of parts in a circuit and gain experience coding an arduino! The idea is simple,. Simple Thermostat Circuit.
From www.homemade-circuits.com
3 Accurate Refrigerator Thermostat Circuits Electronic SolidState Simple Thermostat Circuit How does a thermostat work. But can it be done? In principle, thermostat is a mere regulator for automatically regulating temperature by starting or stopping the supply of heat. With an ‘electronic’ thermostat, you. I will show you how to make one, and how to choose the correct. Here, by connecting the loads’ heater and cooler relays l1 and l2. Simple Thermostat Circuit.
From www.electricalonline4u.com
Refrigerator Fridge Thermostat Wiring Diagram Guide Simple Thermostat Circuit Last updated on january 2, 2024 by swagatam 25 comments. How does a thermostat work. Arduino sends the value of the ambient temperature to the display, and. The idea is simple, use an arduino and a few simple components along with a small lcd screen to create a functioning thermostat. Down this page we uncover extensively regarding a basic thermostat. Simple Thermostat Circuit.
From intertherm-wiring-diagram.blogspot.com
4 Wire Thermostat Wiring Thermostat Wiring Diagrams Wire Installation Simple Thermostat Circuit Here, by connecting the loads’ heater and cooler relays l1 and l2 we can build a simple electronic thermostat circuit that can be constructed. This circuit is an implementation of a thermostat with a schmitt trigger. Last updated on january 2, 2024 by swagatam 25 comments. I will show you how to make one, and how to choose the correct.. Simple Thermostat Circuit.
From www.caretxdigital.com
Home Heating Thermostat Wiring Diagram Wiring Diagram and Schematics Simple Thermostat Circuit This was a great way to incorporate many different types of parts in a circuit and gain experience coding an arduino! How does a thermostat work. This circuit is an implementation of a thermostat with a schmitt trigger. The idea is simple, use an arduino and a few simple components along with a small lcd screen to create a functioning. Simple Thermostat Circuit.
From www.homemade-circuits.com
How to Build a Simple Egg Incubator Thermostat Circuit Simple Thermostat Circuit This was a great way to incorporate many different types of parts in a circuit and gain experience coding an arduino! This circuit is an implementation of a thermostat with a schmitt trigger. Last updated on january 2, 2024 by swagatam 25 comments. Simple thermostat circuit using transistors. Read on and find out! The idea is simple, use an arduino. Simple Thermostat Circuit.
From www.circuitdiagram.co
thermostat diagram circuit Circuit Diagram Simple Thermostat Circuit With an ‘electronic’ thermostat, you. In principle, thermostat is a mere regulator for automatically regulating temperature by starting or stopping the supply of heat. This was a great way to incorporate many different types of parts in a circuit and gain experience coding an arduino! How does a thermostat work. I will show you how to make one, and how. Simple Thermostat Circuit.
From wiring07.blogspot.com
Thermostat Circuit Diagram / Esp8266 Thermostat First Esp 12e Circuit Simple Thermostat Circuit Read on and find out! I will show you how to make one, and how to choose the correct. Down this page we uncover extensively regarding a basic thermostat circuit using transistors that could be developed in your house by. But can it be done? Ds18b20 measures the ambient temperature and sends the readings to arduino. Simple thermostat circuit using. Simple Thermostat Circuit.
From www.circuitdiagram.co
thermostat circuit diagram Circuit Diagram Simple Thermostat Circuit Read on and find out! Ds18b20 measures the ambient temperature and sends the readings to arduino. Arduino sends the value of the ambient temperature to the display, and. The values of three resistors r1, r2 and r3. I will show you how to make one, and how to choose the correct. This circuit is an implementation of a thermostat with. Simple Thermostat Circuit.
From www.electrical-online.com
Thermostat Wiring Explained Simple Thermostat Circuit The values of three resistors r1, r2 and r3. I will show you how to make one, and how to choose the correct. Read on and find out! How does a thermostat work. Down this page we uncover extensively regarding a basic thermostat circuit using transistors that could be developed in your house by. Arduino sends the value of the. Simple Thermostat Circuit.
From diagramweb.net
Simple Comfort 2200 Thermostat Wiring Diagram Simple Thermostat Circuit This was a great way to incorporate many different types of parts in a circuit and gain experience coding an arduino! Down this page we uncover extensively regarding a basic thermostat circuit using transistors that could be developed in your house by. In principle, thermostat is a mere regulator for automatically regulating temperature by starting or stopping the supply of. Simple Thermostat Circuit.
From wirepartrecaptions.z21.web.core.windows.net
Simple Thermostat Diagram Simple Thermostat Circuit This circuit is an implementation of a thermostat with a schmitt trigger. This was a great way to incorporate many different types of parts in a circuit and gain experience coding an arduino! Down this page we uncover extensively regarding a basic thermostat circuit using transistors that could be developed in your house by. Last updated on january 2, 2024. Simple Thermostat Circuit.
From wiring07.blogspot.com
Thermostat Circuit Diagram / Esp8266 Thermostat First Esp 12e Circuit Simple Thermostat Circuit Ds18b20 measures the ambient temperature and sends the readings to arduino. Here, by connecting the loads’ heater and cooler relays l1 and l2 we can build a simple electronic thermostat circuit that can be constructed. How does a thermostat work. I will show you how to make one, and how to choose the correct. In principle, thermostat is a mere. Simple Thermostat Circuit.
From schematron.org
Honeywell Ct87n4450 Thermostat Wiring Diagram Simple Thermostat Circuit I will show you how to make one, and how to choose the correct. How does a thermostat work. The values of three resistors r1, r2 and r3. Last updated on january 2, 2024 by swagatam 25 comments. But can it be done? Down this page we uncover extensively regarding a basic thermostat circuit using transistors that could be developed. Simple Thermostat Circuit.
From www.circuitstoday.com
How a Thermostat Works Tutorial Simple Thermostat Circuit The idea is simple, use an arduino and a few simple components along with a small lcd screen to create a functioning thermostat. Here, by connecting the loads’ heater and cooler relays l1 and l2 we can build a simple electronic thermostat circuit that can be constructed. Down this page we uncover extensively regarding a basic thermostat circuit using transistors. Simple Thermostat Circuit.
From wiringdiagram.2bitboer.com
240v Single Pole Thermostat Wiring Diagram Wiring Diagram Simple Thermostat Circuit In principle, thermostat is a mere regulator for automatically regulating temperature by starting or stopping the supply of heat. Last updated on january 2, 2024 by swagatam 25 comments. The idea is simple, use an arduino and a few simple components along with a small lcd screen to create a functioning thermostat. Arduino sends the value of the ambient temperature. Simple Thermostat Circuit.