Ranger Fuel Gauge Not Working . hi @foreal , check if fuse #33 in the passenger compartment fuse panel is ok. This fuse supplies the power to the. this is an explanation on how to trouble shoot you fuel level sending unit and what the ohms you need (depending on the year of you truck) for a new aftermarket fuel level gauge or to use a your factory gauge with a new fuel cell that has an after market sending unit. this video series show how to diagnosis why a fuel gauge is not working. I noticed that the fuel gauge on my. strangely, there were three things that would fix it, one was to pull over, open the hood, take the cluster of wires. It can also be caused by bad wirings between the gauge and fuel sender or a blown fuse to the fuel gauge. the most common reason a fuel gauge is not working or is inaccurate is due to a bad fuel level sending unit. picked up a brand new 2021 ranger xlt yesterday and already have an issue. This procedure can be applied to other vehicles where the.
from fyooojxew.blob.core.windows.net
It can also be caused by bad wirings between the gauge and fuel sender or a blown fuse to the fuel gauge. I noticed that the fuel gauge on my. This fuse supplies the power to the. this is an explanation on how to trouble shoot you fuel level sending unit and what the ohms you need (depending on the year of you truck) for a new aftermarket fuel level gauge or to use a your factory gauge with a new fuel cell that has an after market sending unit. this video series show how to diagnosis why a fuel gauge is not working. This procedure can be applied to other vehicles where the. hi @foreal , check if fuse #33 in the passenger compartment fuse panel is ok. the most common reason a fuel gauge is not working or is inaccurate is due to a bad fuel level sending unit. strangely, there were three things that would fix it, one was to pull over, open the hood, take the cluster of wires. picked up a brand new 2021 ranger xlt yesterday and already have an issue.
What Causes The Fuel Gauge To Not Work at William Freeman blog
Ranger Fuel Gauge Not Working the most common reason a fuel gauge is not working or is inaccurate is due to a bad fuel level sending unit. hi @foreal , check if fuse #33 in the passenger compartment fuse panel is ok. I noticed that the fuel gauge on my. picked up a brand new 2021 ranger xlt yesterday and already have an issue. strangely, there were three things that would fix it, one was to pull over, open the hood, take the cluster of wires. this video series show how to diagnosis why a fuel gauge is not working. the most common reason a fuel gauge is not working or is inaccurate is due to a bad fuel level sending unit. It can also be caused by bad wirings between the gauge and fuel sender or a blown fuse to the fuel gauge. This fuse supplies the power to the. This procedure can be applied to other vehicles where the. this is an explanation on how to trouble shoot you fuel level sending unit and what the ohms you need (depending on the year of you truck) for a new aftermarket fuel level gauge or to use a your factory gauge with a new fuel cell that has an after market sending unit.
From www.youtube.com
Gas Gauge Not Working. How to test Fuel Level sensor YouTube Ranger Fuel Gauge Not Working picked up a brand new 2021 ranger xlt yesterday and already have an issue. It can also be caused by bad wirings between the gauge and fuel sender or a blown fuse to the fuel gauge. strangely, there were three things that would fix it, one was to pull over, open the hood, take the cluster of wires.. Ranger Fuel Gauge Not Working.
From www.youtube.com
Polaris RZR Ranger Gas Gauge Not Working, Common Fix YouTube Ranger Fuel Gauge Not Working strangely, there were three things that would fix it, one was to pull over, open the hood, take the cluster of wires. this video series show how to diagnosis why a fuel gauge is not working. picked up a brand new 2021 ranger xlt yesterday and already have an issue. This procedure can be applied to other. Ranger Fuel Gauge Not Working.
From www.2carpros.com
Fuel Gauge Not Working Properly, It Always Shows Half Full Ranger Fuel Gauge Not Working It can also be caused by bad wirings between the gauge and fuel sender or a blown fuse to the fuel gauge. picked up a brand new 2021 ranger xlt yesterday and already have an issue. this is an explanation on how to trouble shoot you fuel level sending unit and what the ohms you need (depending on. Ranger Fuel Gauge Not Working.
From www.youtube.com
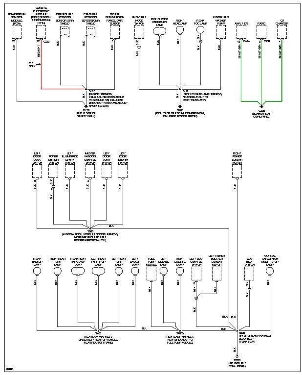
Ford Ranger Fuel Gauge Diagnosis Part 2 (Understanding Wiring Diagram Ranger Fuel Gauge Not Working this video series show how to diagnosis why a fuel gauge is not working. This fuse supplies the power to the. strangely, there were three things that would fix it, one was to pull over, open the hood, take the cluster of wires. hi @foreal , check if fuse #33 in the passenger compartment fuse panel is. Ranger Fuel Gauge Not Working.
From www.youtube.com
Ford Ranger Fuel Gauge Diagnosis Part 3 (Pot Calculation) YouTube Ranger Fuel Gauge Not Working I noticed that the fuel gauge on my. This procedure can be applied to other vehicles where the. hi @foreal , check if fuse #33 in the passenger compartment fuse panel is ok. the most common reason a fuel gauge is not working or is inaccurate is due to a bad fuel level sending unit. strangely, there. Ranger Fuel Gauge Not Working.
From www.2carpros.com
How Do I Fix a Gas Gauge Issue? Ranger Fuel Gauge Not Working this is an explanation on how to trouble shoot you fuel level sending unit and what the ohms you need (depending on the year of you truck) for a new aftermarket fuel level gauge or to use a your factory gauge with a new fuel cell that has an after market sending unit. hi @foreal , check if. Ranger Fuel Gauge Not Working.
From www.2carpros.com
Fuel Gauge Doesn't Work My Fuel Gauge Doesn't Move. I Checked the... Ranger Fuel Gauge Not Working This procedure can be applied to other vehicles where the. this video series show how to diagnosis why a fuel gauge is not working. picked up a brand new 2021 ranger xlt yesterday and already have an issue. This fuse supplies the power to the. It can also be caused by bad wirings between the gauge and fuel. Ranger Fuel Gauge Not Working.
From mechanicnola101.z21.web.core.windows.net
Fuel Gauge Not Working F150 Ranger Fuel Gauge Not Working the most common reason a fuel gauge is not working or is inaccurate is due to a bad fuel level sending unit. It can also be caused by bad wirings between the gauge and fuel sender or a blown fuse to the fuel gauge. picked up a brand new 2021 ranger xlt yesterday and already have an issue.. Ranger Fuel Gauge Not Working.
From fyooojxew.blob.core.windows.net
What Causes The Fuel Gauge To Not Work at William Freeman blog Ranger Fuel Gauge Not Working I noticed that the fuel gauge on my. strangely, there were three things that would fix it, one was to pull over, open the hood, take the cluster of wires. hi @foreal , check if fuse #33 in the passenger compartment fuse panel is ok. This fuse supplies the power to the. This procedure can be applied to. Ranger Fuel Gauge Not Working.
From bintaghe.blogspot.com
How To Fix Gas Gauge On Chevy Truck Ranger Fuel Gauge Not Working strangely, there were three things that would fix it, one was to pull over, open the hood, take the cluster of wires. this video series show how to diagnosis why a fuel gauge is not working. It can also be caused by bad wirings between the gauge and fuel sender or a blown fuse to the fuel gauge.. Ranger Fuel Gauge Not Working.
From www.2carpros.com
Fuel Gauge Not Working? the Vehicle Fuel Gauge Is Not Functioning... Ranger Fuel Gauge Not Working strangely, there were three things that would fix it, one was to pull over, open the hood, take the cluster of wires. this is an explanation on how to trouble shoot you fuel level sending unit and what the ohms you need (depending on the year of you truck) for a new aftermarket fuel level gauge or to. Ranger Fuel Gauge Not Working.
From www.youtube.com
Ford Ranger Fuel Gauge Diagnosis Part 4 (Diagnosis on Vehicle) YouTube Ranger Fuel Gauge Not Working picked up a brand new 2021 ranger xlt yesterday and already have an issue. hi @foreal , check if fuse #33 in the passenger compartment fuse panel is ok. this video series show how to diagnosis why a fuel gauge is not working. strangely, there were three things that would fix it, one was to pull. Ranger Fuel Gauge Not Working.
From www.2carpros.com
Fuel Gauge Not Working Properly, It Always Shows Half Full Ranger Fuel Gauge Not Working the most common reason a fuel gauge is not working or is inaccurate is due to a bad fuel level sending unit. This fuse supplies the power to the. strangely, there were three things that would fix it, one was to pull over, open the hood, take the cluster of wires. this is an explanation on how. Ranger Fuel Gauge Not Working.
From rerev.com
Fuel gauge not working — causes and fixes REREV Ranger Fuel Gauge Not Working picked up a brand new 2021 ranger xlt yesterday and already have an issue. the most common reason a fuel gauge is not working or is inaccurate is due to a bad fuel level sending unit. This fuse supplies the power to the. this video series show how to diagnosis why a fuel gauge is not working.. Ranger Fuel Gauge Not Working.
From www.youtube.com
Fuel Gauge not working? YouTube Ranger Fuel Gauge Not Working I noticed that the fuel gauge on my. This procedure can be applied to other vehicles where the. hi @foreal , check if fuse #33 in the passenger compartment fuse panel is ok. It can also be caused by bad wirings between the gauge and fuel sender or a blown fuse to the fuel gauge. picked up a. Ranger Fuel Gauge Not Working.
From exygloamk.blob.core.windows.net
Fuel Gauge Reading Not Working at Jeanne Leonard blog Ranger Fuel Gauge Not Working This procedure can be applied to other vehicles where the. This fuse supplies the power to the. the most common reason a fuel gauge is not working or is inaccurate is due to a bad fuel level sending unit. It can also be caused by bad wirings between the gauge and fuel sender or a blown fuse to the. Ranger Fuel Gauge Not Working.
From www.liveabout.com
4 Reasons Why Your Fuel Gauge Isn't Working Ranger Fuel Gauge Not Working This procedure can be applied to other vehicles where the. picked up a brand new 2021 ranger xlt yesterday and already have an issue. It can also be caused by bad wirings between the gauge and fuel sender or a blown fuse to the fuel gauge. This fuse supplies the power to the. I noticed that the fuel gauge. Ranger Fuel Gauge Not Working.
From www.2carpros.com
Fuel Gauge Stopped Working? It Shows It’s on Full All the Time Ranger Fuel Gauge Not Working this is an explanation on how to trouble shoot you fuel level sending unit and what the ohms you need (depending on the year of you truck) for a new aftermarket fuel level gauge or to use a your factory gauge with a new fuel cell that has an after market sending unit. strangely, there were three things. Ranger Fuel Gauge Not Working.
From www.2carpros.com
Fuel Gauge Not Working Properly, It Always Shows Half Full Ranger Fuel Gauge Not Working This fuse supplies the power to the. picked up a brand new 2021 ranger xlt yesterday and already have an issue. this is an explanation on how to trouble shoot you fuel level sending unit and what the ohms you need (depending on the year of you truck) for a new aftermarket fuel level gauge or to use. Ranger Fuel Gauge Not Working.
From fyonpdqco.blob.core.windows.net
What Makes Your Gas Gauge Not Work at Beatriz Pasquale blog Ranger Fuel Gauge Not Working This procedure can be applied to other vehicles where the. This fuse supplies the power to the. It can also be caused by bad wirings between the gauge and fuel sender or a blown fuse to the fuel gauge. the most common reason a fuel gauge is not working or is inaccurate is due to a bad fuel level. Ranger Fuel Gauge Not Working.
From www.therangerstation.com
Troubleshooting Your Fuel Gauge The Ranger Station Ranger Fuel Gauge Not Working hi @foreal , check if fuse #33 in the passenger compartment fuse panel is ok. this video series show how to diagnosis why a fuel gauge is not working. this is an explanation on how to trouble shoot you fuel level sending unit and what the ohms you need (depending on the year of you truck) for. Ranger Fuel Gauge Not Working.
From www.fordforumsonline.com
Fuel Sending Unit & Gauge not working Ford Automobiles Ranger Fuel Gauge Not Working I noticed that the fuel gauge on my. It can also be caused by bad wirings between the gauge and fuel sender or a blown fuse to the fuel gauge. This procedure can be applied to other vehicles where the. this video series show how to diagnosis why a fuel gauge is not working. This fuse supplies the power. Ranger Fuel Gauge Not Working.
From workshopfixritter77.z19.web.core.windows.net
Ford Ranger Fuel Gauge Reset Ranger Fuel Gauge Not Working picked up a brand new 2021 ranger xlt yesterday and already have an issue. this is an explanation on how to trouble shoot you fuel level sending unit and what the ohms you need (depending on the year of you truck) for a new aftermarket fuel level gauge or to use a your factory gauge with a new. Ranger Fuel Gauge Not Working.
From www.youtube.com
How To Solve Tractor Fuel Gauge Metre Problem Tractor Fuel Gauge Ranger Fuel Gauge Not Working It can also be caused by bad wirings between the gauge and fuel sender or a blown fuse to the fuel gauge. this video series show how to diagnosis why a fuel gauge is not working. I noticed that the fuel gauge on my. the most common reason a fuel gauge is not working or is inaccurate is. Ranger Fuel Gauge Not Working.
From www.youtube.com
Ford Ranger Fuel Gauge Diagnosis Part 5 (Removing Bed) YouTube Ranger Fuel Gauge Not Working hi @foreal , check if fuse #33 in the passenger compartment fuse panel is ok. this is an explanation on how to trouble shoot you fuel level sending unit and what the ohms you need (depending on the year of you truck) for a new aftermarket fuel level gauge or to use a your factory gauge with a. Ranger Fuel Gauge Not Working.
From www.2carpros.com
Fuel Gauge Doesn't Work My Fuel Gauge Doesn't Move. I Checked the... Ranger Fuel Gauge Not Working the most common reason a fuel gauge is not working or is inaccurate is due to a bad fuel level sending unit. strangely, there were three things that would fix it, one was to pull over, open the hood, take the cluster of wires. this is an explanation on how to trouble shoot you fuel level sending. Ranger Fuel Gauge Not Working.
From www.2carpros.com
Fuel Gauge Not Working Fuel Gauge Does Not Work Shows Full After Ranger Fuel Gauge Not Working This fuse supplies the power to the. strangely, there were three things that would fix it, one was to pull over, open the hood, take the cluster of wires. It can also be caused by bad wirings between the gauge and fuel sender or a blown fuse to the fuel gauge. picked up a brand new 2021 ranger. Ranger Fuel Gauge Not Working.
From www.ranger-forums.com
Fuel gauge off by 1/2... Obd2 is good? RangerForums The Ultimate Ranger Fuel Gauge Not Working It can also be caused by bad wirings between the gauge and fuel sender or a blown fuse to the fuel gauge. the most common reason a fuel gauge is not working or is inaccurate is due to a bad fuel level sending unit. this is an explanation on how to trouble shoot you fuel level sending unit. Ranger Fuel Gauge Not Working.
From www.reddit.com
‘99 Ranger. Fuel gauge never worked. Replaced the fuel sending unit Ranger Fuel Gauge Not Working It can also be caused by bad wirings between the gauge and fuel sender or a blown fuse to the fuel gauge. this is an explanation on how to trouble shoot you fuel level sending unit and what the ohms you need (depending on the year of you truck) for a new aftermarket fuel level gauge or to use. Ranger Fuel Gauge Not Working.
From www.2carpros.com
How Do I Fix a Gas Gauge Issue? Ranger Fuel Gauge Not Working This procedure can be applied to other vehicles where the. hi @foreal , check if fuse #33 in the passenger compartment fuse panel is ok. the most common reason a fuel gauge is not working or is inaccurate is due to a bad fuel level sending unit. this video series show how to diagnosis why a fuel. Ranger Fuel Gauge Not Working.
From www.youtube.com
1993 Ford ranger Fuel gauge and temp gauge not working. YouTube Ranger Fuel Gauge Not Working this is an explanation on how to trouble shoot you fuel level sending unit and what the ohms you need (depending on the year of you truck) for a new aftermarket fuel level gauge or to use a your factory gauge with a new fuel cell that has an after market sending unit. hi @foreal , check if. Ranger Fuel Gauge Not Working.
From www.youtube.com
Ford Ranger Fuel Gauge Diagnosis Part 8 (Fuel Tank Removal) YouTube Ranger Fuel Gauge Not Working strangely, there were three things that would fix it, one was to pull over, open the hood, take the cluster of wires. picked up a brand new 2021 ranger xlt yesterday and already have an issue. this is an explanation on how to trouble shoot you fuel level sending unit and what the ohms you need (depending. Ranger Fuel Gauge Not Working.
From www.youtube.com
Ford Ranger Fuel Gauge Does Not Work Part 1 YouTube Ranger Fuel Gauge Not Working This fuse supplies the power to the. I noticed that the fuel gauge on my. the most common reason a fuel gauge is not working or is inaccurate is due to a bad fuel level sending unit. this is an explanation on how to trouble shoot you fuel level sending unit and what the ohms you need (depending. Ranger Fuel Gauge Not Working.
From www.reddit.com
2000 ford ranger gas gauge r/fordranger Ranger Fuel Gauge Not Working This procedure can be applied to other vehicles where the. strangely, there were three things that would fix it, one was to pull over, open the hood, take the cluster of wires. picked up a brand new 2021 ranger xlt yesterday and already have an issue. I noticed that the fuel gauge on my. the most common. Ranger Fuel Gauge Not Working.
From exyuvzuls.blob.core.windows.net
Bass Boat Fuel Gauge Not Working at Johnnie Miller blog Ranger Fuel Gauge Not Working picked up a brand new 2021 ranger xlt yesterday and already have an issue. strangely, there were three things that would fix it, one was to pull over, open the hood, take the cluster of wires. the most common reason a fuel gauge is not working or is inaccurate is due to a bad fuel level sending. Ranger Fuel Gauge Not Working.