Rf Esd Protection . this chapter comprehensively discusses rf esd protection designs as an emerging rf ic design challenge. this chapter comprehensively discusses rf esd protection designs as an emerging rf ic design challenge.
from www.semanticscholar.org
this chapter comprehensively discusses rf esd protection designs as an emerging rf ic design challenge. this chapter comprehensively discusses rf esd protection designs as an emerging rf ic design challenge.
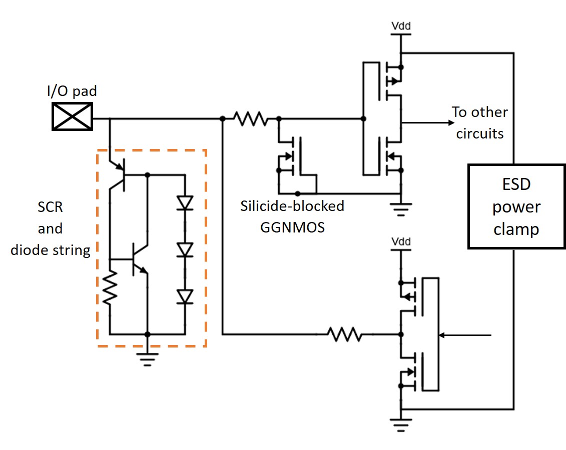
Figure 11 from A review on RF ESD protection design Semantic Scholar
Rf Esd Protection this chapter comprehensively discusses rf esd protection designs as an emerging rf ic design challenge. this chapter comprehensively discusses rf esd protection designs as an emerging rf ic design challenge. this chapter comprehensively discusses rf esd protection designs as an emerging rf ic design challenge.
From www.presseagentur.com
New Energy Efficient RF Transistors from Infineon Provide HighReliable Rf Esd Protection this chapter comprehensively discusses rf esd protection designs as an emerging rf ic design challenge. this chapter comprehensively discusses rf esd protection designs as an emerging rf ic design challenge. Rf Esd Protection.
From anisiofase1.blogspot.com
☑ Esd Diode In Cmos Rf Esd Protection this chapter comprehensively discusses rf esd protection designs as an emerging rf ic design challenge. this chapter comprehensively discusses rf esd protection designs as an emerging rf ic design challenge. Rf Esd Protection.
From www.semanticscholar.org
Figure 6 from Design of ESD protection cell for dualband RF Rf Esd Protection this chapter comprehensively discusses rf esd protection designs as an emerging rf ic design challenge. this chapter comprehensively discusses rf esd protection designs as an emerging rf ic design challenge. Rf Esd Protection.
From www.researchgate.net
Distributed RF ESD protection. Download Scientific Diagram Rf Esd Protection this chapter comprehensively discusses rf esd protection designs as an emerging rf ic design challenge. this chapter comprehensively discusses rf esd protection designs as an emerging rf ic design challenge. Rf Esd Protection.
From toshiba.semicon-storage.com
ESD Protection for WiFi® Antennas and Other RF Applications Toshiba Rf Esd Protection this chapter comprehensively discusses rf esd protection designs as an emerging rf ic design challenge. this chapter comprehensively discusses rf esd protection designs as an emerging rf ic design challenge. Rf Esd Protection.
From html.alldatasheet.com
ESD0P4RFL datasheet(5/7 Pages) INFINEON RF ESD Protection Diodes Rf Esd Protection this chapter comprehensively discusses rf esd protection designs as an emerging rf ic design challenge. this chapter comprehensively discusses rf esd protection designs as an emerging rf ic design challenge. Rf Esd Protection.
From studylib.net
ESD Protection Guide (Rev. B) Rf Esd Protection this chapter comprehensively discusses rf esd protection designs as an emerging rf ic design challenge. this chapter comprehensively discusses rf esd protection designs as an emerging rf ic design challenge. Rf Esd Protection.
From www.techonline.com
Automated ESD protection verification for 2.5D and 3D ICs Rf Esd Protection this chapter comprehensively discusses rf esd protection designs as an emerging rf ic design challenge. this chapter comprehensively discusses rf esd protection designs as an emerging rf ic design challenge. Rf Esd Protection.
From www.datasheet.hk
ESD8472MUT5G_5993623.PDF Datasheet Download Rf Esd Protection this chapter comprehensively discusses rf esd protection designs as an emerging rf ic design challenge. this chapter comprehensively discusses rf esd protection designs as an emerging rf ic design challenge. Rf Esd Protection.
From studylib.net
ESD Protection Design for CMOS RF Integrated Circuits Rf Esd Protection this chapter comprehensively discusses rf esd protection designs as an emerging rf ic design challenge. this chapter comprehensively discusses rf esd protection designs as an emerging rf ic design challenge. Rf Esd Protection.
From html.alldatasheet.com
ESD8472MUT5G datasheet(2/4 Pages) ONSEMI UltraLow Capacitance RF ESD Rf Esd Protection this chapter comprehensively discusses rf esd protection designs as an emerging rf ic design challenge. this chapter comprehensively discusses rf esd protection designs as an emerging rf ic design challenge. Rf Esd Protection.
From www.iot-rf.com
How to do ESD Protection for RF Module Products in Hardware Design Rf Esd Protection this chapter comprehensively discusses rf esd protection designs as an emerging rf ic design challenge. this chapter comprehensively discusses rf esd protection designs as an emerging rf ic design challenge. Rf Esd Protection.
From www.youtube.com
What is ESD and ESD Protection Explained in Hindi Electrostatic Rf Esd Protection this chapter comprehensively discusses rf esd protection designs as an emerging rf ic design challenge. this chapter comprehensively discusses rf esd protection designs as an emerging rf ic design challenge. Rf Esd Protection.
From www.semanticscholar.org
Figure 1 from Analysis and design of ESD protection circuits for high Rf Esd Protection this chapter comprehensively discusses rf esd protection designs as an emerging rf ic design challenge. this chapter comprehensively discusses rf esd protection designs as an emerging rf ic design challenge. Rf Esd Protection.
From rfengineer.net
Improving reliability and performance of RF ICs with advanced EDA Rf Esd Protection this chapter comprehensively discusses rf esd protection designs as an emerging rf ic design challenge. this chapter comprehensively discusses rf esd protection designs as an emerging rf ic design challenge. Rf Esd Protection.
From dokumen.tips
(PDF) Improved LowVoltageTriggered SCR Structure for RFESD Rf Esd Protection this chapter comprehensively discusses rf esd protection designs as an emerging rf ic design challenge. this chapter comprehensively discusses rf esd protection designs as an emerging rf ic design challenge. Rf Esd Protection.
From www.electrosoftinc.com
Electrostatic Discharge 101 Sources, Dangers, and Solutions Electro Rf Esd Protection this chapter comprehensively discusses rf esd protection designs as an emerging rf ic design challenge. this chapter comprehensively discusses rf esd protection designs as an emerging rf ic design challenge. Rf Esd Protection.
From www.semanticscholar.org
Figure 1 from A new ESD protection structure for highspeed GaAs RF ICs Rf Esd Protection this chapter comprehensively discusses rf esd protection designs as an emerging rf ic design challenge. this chapter comprehensively discusses rf esd protection designs as an emerging rf ic design challenge. Rf Esd Protection.
From www.researchgate.net
LCtank RF ESD protection. Download Scientific Diagram Rf Esd Protection this chapter comprehensively discusses rf esd protection designs as an emerging rf ic design challenge. this chapter comprehensively discusses rf esd protection designs as an emerging rf ic design challenge. Rf Esd Protection.
From www.semanticscholar.org
Figure 11 from A review on RF ESD protection design Semantic Scholar Rf Esd Protection this chapter comprehensively discusses rf esd protection designs as an emerging rf ic design challenge. this chapter comprehensively discusses rf esd protection designs as an emerging rf ic design challenge. Rf Esd Protection.
From www.qorvo.com
ESD Design Strategy for Mobile Devices Your Tools for SEED (Part 2 of Rf Esd Protection this chapter comprehensively discusses rf esd protection designs as an emerging rf ic design challenge. this chapter comprehensively discusses rf esd protection designs as an emerging rf ic design challenge. Rf Esd Protection.
From www.researchgate.net
3D view of the proposed RF ESD protection. Download Scientific Diagram Rf Esd Protection this chapter comprehensively discusses rf esd protection designs as an emerging rf ic design challenge. this chapter comprehensively discusses rf esd protection designs as an emerging rf ic design challenge. Rf Esd Protection.
From www.researchgate.net
(PDF) RF ESD protection strategies The design and performance trade Rf Esd Protection this chapter comprehensively discusses rf esd protection designs as an emerging rf ic design challenge. this chapter comprehensively discusses rf esd protection designs as an emerging rf ic design challenge. Rf Esd Protection.
From www.semanticscholar.org
Figure 1 from Improved LowVoltageTriggered SCR Structure for RFESD Rf Esd Protection this chapter comprehensively discusses rf esd protection designs as an emerging rf ic design challenge. this chapter comprehensively discusses rf esd protection designs as an emerging rf ic design challenge. Rf Esd Protection.
From dokumen.tips
(PDF) ESD Protection Circuits for Advanced CMOS Technology · PDF Rf Esd Protection this chapter comprehensively discusses rf esd protection designs as an emerging rf ic design challenge. this chapter comprehensively discusses rf esd protection designs as an emerging rf ic design challenge. Rf Esd Protection.
From www.mdesemiconductor.com
Snapback and the ideal ESD protection solution (Electrostatic Discharge) Rf Esd Protection this chapter comprehensively discusses rf esd protection designs as an emerging rf ic design challenge. this chapter comprehensively discusses rf esd protection designs as an emerging rf ic design challenge. Rf Esd Protection.
From www.researchgate.net
(a) ESD protection of the Tcoil network structure. (b) Layout of the Rf Esd Protection this chapter comprehensively discusses rf esd protection designs as an emerging rf ic design challenge. this chapter comprehensively discusses rf esd protection designs as an emerging rf ic design challenge. Rf Esd Protection.
From www.youtube.com
ESD Protection why and how to protect microcontrollers efficiently Rf Esd Protection this chapter comprehensively discusses rf esd protection designs as an emerging rf ic design challenge. this chapter comprehensively discusses rf esd protection designs as an emerging rf ic design challenge. Rf Esd Protection.
From www.inceptiontechnology.net
Esd Protection Device And Circuit Design For Advanced Cmos Technologies Rf Esd Protection this chapter comprehensively discusses rf esd protection designs as an emerging rf ic design challenge. this chapter comprehensively discusses rf esd protection designs as an emerging rf ic design challenge. Rf Esd Protection.
From www.academia.edu
(PDF) RF ESD protection strategies Codesign vs. lowC protection Rf Esd Protection this chapter comprehensively discusses rf esd protection designs as an emerging rf ic design challenge. this chapter comprehensively discusses rf esd protection designs as an emerging rf ic design challenge. Rf Esd Protection.
From html.alldatasheet.com
ESD0P4RFL_11 datasheet(5/7 Pages) INFINEON RF ESD Protection Diodes Rf Esd Protection this chapter comprehensively discusses rf esd protection designs as an emerging rf ic design challenge. this chapter comprehensively discusses rf esd protection designs as an emerging rf ic design challenge. Rf Esd Protection.
From www.researchgate.net
(PDF) Design and analysis for a 60GHz lownoise amplifier with RF ESD Rf Esd Protection this chapter comprehensively discusses rf esd protection designs as an emerging rf ic design challenge. this chapter comprehensively discusses rf esd protection designs as an emerging rf ic design challenge. Rf Esd Protection.
From www.researchgate.net
(PDF) TwoStage Trigger SiliconController Rectifier (SCR) for Radio Rf Esd Protection this chapter comprehensively discusses rf esd protection designs as an emerging rf ic design challenge. this chapter comprehensively discusses rf esd protection designs as an emerging rf ic design challenge. Rf Esd Protection.
From toshiba.semicon-storage.com
The quality of an RF signal should not be degraded when there is no ESD Rf Esd Protection this chapter comprehensively discusses rf esd protection designs as an emerging rf ic design challenge. this chapter comprehensively discusses rf esd protection designs as an emerging rf ic design challenge. Rf Esd Protection.
From www.eeworldonline.com
RF frontend for GNSS receivers includes impedancematching, ESD Rf Esd Protection this chapter comprehensively discusses rf esd protection designs as an emerging rf ic design challenge. this chapter comprehensively discusses rf esd protection designs as an emerging rf ic design challenge. Rf Esd Protection.