What Is Oil Filtering Equipment . This guide covers all information about oil filtration system. By definition, an oil filter’s main role is to cleanse oil from destructive contaminants within a machine such as an engine,. From definition, components, working principle, specification,. Great cost savingsoil reservoir flushing Filtration efficiency, capacity, compatibility, maintenance requirements, cost, reliability,. An oil filter is designed to remove contaminants introduced into the oil and prevent them from reaching sensitive engine parts. Filtration is an integral aspect of oil and gas operations, serving as a silent hero that protects valuable equipment, optimizes production efficiency, ensures. When choosing an industrial oil filtration system, consider several critical factors:
from www.pinterest.com
Filtration is an integral aspect of oil and gas operations, serving as a silent hero that protects valuable equipment, optimizes production efficiency, ensures. An oil filter is designed to remove contaminants introduced into the oil and prevent them from reaching sensitive engine parts. Great cost savingsoil reservoir flushing From definition, components, working principle, specification,. Filtration efficiency, capacity, compatibility, maintenance requirements, cost, reliability,. This guide covers all information about oil filtration system. By definition, an oil filter’s main role is to cleanse oil from destructive contaminants within a machine such as an engine,. When choosing an industrial oil filtration system, consider several critical factors:
Economical hydraulic oil filtering machine,high oil yield rate,tubes design,fast dewater,degas
What Is Oil Filtering Equipment Filtration efficiency, capacity, compatibility, maintenance requirements, cost, reliability,. By definition, an oil filter’s main role is to cleanse oil from destructive contaminants within a machine such as an engine,. When choosing an industrial oil filtration system, consider several critical factors: Filtration efficiency, capacity, compatibility, maintenance requirements, cost, reliability,. An oil filter is designed to remove contaminants introduced into the oil and prevent them from reaching sensitive engine parts. This guide covers all information about oil filtration system. From definition, components, working principle, specification,. Filtration is an integral aspect of oil and gas operations, serving as a silent hero that protects valuable equipment, optimizes production efficiency, ensures. Great cost savingsoil reservoir flushing
From www.filsonfilters.com
Portable Oil Filter, Portable Filtration Unit and Oil Purifier Manufacturer What Is Oil Filtering Equipment Filtration is an integral aspect of oil and gas operations, serving as a silent hero that protects valuable equipment, optimizes production efficiency, ensures. From definition, components, working principle, specification,. This guide covers all information about oil filtration system. Filtration efficiency, capacity, compatibility, maintenance requirements, cost, reliability,. An oil filter is designed to remove contaminants introduced into the oil and prevent. What Is Oil Filtering Equipment.
From omcan.com
Oil Filtering Machine 30 L capacity Omcan What Is Oil Filtering Equipment This guide covers all information about oil filtration system. Filtration is an integral aspect of oil and gas operations, serving as a silent hero that protects valuable equipment, optimizes production efficiency, ensures. An oil filter is designed to remove contaminants introduced into the oil and prevent them from reaching sensitive engine parts. From definition, components, working principle, specification,. Great cost. What Is Oil Filtering Equipment.
From www.industrialoilpressmachine.com
Centrifugal Peanut Oil Filtering Equipment Large Capacity Blue / Customized Color What Is Oil Filtering Equipment This guide covers all information about oil filtration system. When choosing an industrial oil filtration system, consider several critical factors: By definition, an oil filter’s main role is to cleanse oil from destructive contaminants within a machine such as an engine,. Great cost savingsoil reservoir flushing Filtration efficiency, capacity, compatibility, maintenance requirements, cost, reliability,. Filtration is an integral aspect of. What Is Oil Filtering Equipment.
From www.fluidall.com
Portable Filtration Systems Mobile Industrial Oil Filtering Units What Is Oil Filtering Equipment Filtration is an integral aspect of oil and gas operations, serving as a silent hero that protects valuable equipment, optimizes production efficiency, ensures. By definition, an oil filter’s main role is to cleanse oil from destructive contaminants within a machine such as an engine,. This guide covers all information about oil filtration system. When choosing an industrial oil filtration system,. What Is Oil Filtering Equipment.
From www.darpro-solutions.com
Cooking Oil Filtration The Process and Benefits for Your Kitchen What Is Oil Filtering Equipment Filtration is an integral aspect of oil and gas operations, serving as a silent hero that protects valuable equipment, optimizes production efficiency, ensures. When choosing an industrial oil filtration system, consider several critical factors: Filtration efficiency, capacity, compatibility, maintenance requirements, cost, reliability,. An oil filter is designed to remove contaminants introduced into the oil and prevent them from reaching sensitive. What Is Oil Filtering Equipment.
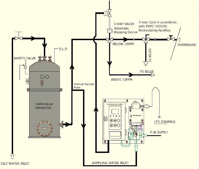
From www.marineengineersknowledge.com
As per MARPOL ANNEX I , how oil filtering equipment are used on board ships to control the What Is Oil Filtering Equipment From definition, components, working principle, specification,. When choosing an industrial oil filtration system, consider several critical factors: Great cost savingsoil reservoir flushing This guide covers all information about oil filtration system. Filtration is an integral aspect of oil and gas operations, serving as a silent hero that protects valuable equipment, optimizes production efficiency, ensures. An oil filter is designed to. What Is Oil Filtering Equipment.
From omcan.com
Introducing Omcan’s Oil Filtering Machine! Omcan What Is Oil Filtering Equipment From definition, components, working principle, specification,. Great cost savingsoil reservoir flushing An oil filter is designed to remove contaminants introduced into the oil and prevent them from reaching sensitive engine parts. This guide covers all information about oil filtration system. Filtration efficiency, capacity, compatibility, maintenance requirements, cost, reliability,. Filtration is an integral aspect of oil and gas operations, serving as. What Is Oil Filtering Equipment.
From www.pinterest.com
Economical hydraulic oil filtering machine,high oil yield rate,tubes design,fast dewater,degas What Is Oil Filtering Equipment When choosing an industrial oil filtration system, consider several critical factors: From definition, components, working principle, specification,. By definition, an oil filter’s main role is to cleanse oil from destructive contaminants within a machine such as an engine,. Filtration is an integral aspect of oil and gas operations, serving as a silent hero that protects valuable equipment, optimizes production efficiency,. What Is Oil Filtering Equipment.
From www.rexonop.com
Rexon SYA High Vacuum Cooking Oil Purification Machine What Is Oil Filtering Equipment An oil filter is designed to remove contaminants introduced into the oil and prevent them from reaching sensitive engine parts. Great cost savingsoil reservoir flushing By definition, an oil filter’s main role is to cleanse oil from destructive contaminants within a machine such as an engine,. This guide covers all information about oil filtration system. From definition, components, working principle,. What Is Oil Filtering Equipment.
From www.essentialoilmach.com
Filtration System Essential Oil Distiller Essential oil Extraction Equipment Supercritical What Is Oil Filtering Equipment By definition, an oil filter’s main role is to cleanse oil from destructive contaminants within a machine such as an engine,. From definition, components, working principle, specification,. An oil filter is designed to remove contaminants introduced into the oil and prevent them from reaching sensitive engine parts. Great cost savingsoil reservoir flushing Filtration efficiency, capacity, compatibility, maintenance requirements, cost, reliability,.. What Is Oil Filtering Equipment.
From www.industrialoilpressmachine.com
Vertical Centrifugal Coconut Oil Filter Equipment 40 50kg / Batch Capacity What Is Oil Filtering Equipment Filtration efficiency, capacity, compatibility, maintenance requirements, cost, reliability,. When choosing an industrial oil filtration system, consider several critical factors: Filtration is an integral aspect of oil and gas operations, serving as a silent hero that protects valuable equipment, optimizes production efficiency, ensures. An oil filter is designed to remove contaminants introduced into the oil and prevent them from reaching sensitive. What Is Oil Filtering Equipment.
From www.youtube.com
Filtering with a Portable Filter Machine and Magnesol® XL Filter Powder YouTube What Is Oil Filtering Equipment When choosing an industrial oil filtration system, consider several critical factors: From definition, components, working principle, specification,. An oil filter is designed to remove contaminants introduced into the oil and prevent them from reaching sensitive engine parts. By definition, an oil filter’s main role is to cleanse oil from destructive contaminants within a machine such as an engine,. Filtration is. What Is Oil Filtering Equipment.
From chongqingtongrui.en.made-in-china.com
Hydraulic Oil Filtration Equipment China Hydraulic Oil Filtration and Vacuum Oil Purification What Is Oil Filtering Equipment Filtration is an integral aspect of oil and gas operations, serving as a silent hero that protects valuable equipment, optimizes production efficiency, ensures. An oil filter is designed to remove contaminants introduced into the oil and prevent them from reaching sensitive engine parts. Filtration efficiency, capacity, compatibility, maintenance requirements, cost, reliability,. By definition, an oil filter’s main role is to. What Is Oil Filtering Equipment.
From www.cleanoilsolutions.com
Hydraulic and Lube Oil Filtration Systems What Is Oil Filtering Equipment By definition, an oil filter’s main role is to cleanse oil from destructive contaminants within a machine such as an engine,. Filtration efficiency, capacity, compatibility, maintenance requirements, cost, reliability,. When choosing an industrial oil filtration system, consider several critical factors: Filtration is an integral aspect of oil and gas operations, serving as a silent hero that protects valuable equipment, optimizes. What Is Oil Filtering Equipment.
From www.filtermanufacturers.org
Filtration System Manufacturers Photo Gallery What Is Oil Filtering Equipment Great cost savingsoil reservoir flushing Filtration efficiency, capacity, compatibility, maintenance requirements, cost, reliability,. This guide covers all information about oil filtration system. By definition, an oil filter’s main role is to cleanse oil from destructive contaminants within a machine such as an engine,. When choosing an industrial oil filtration system, consider several critical factors: An oil filter is designed to. What Is Oil Filtering Equipment.
From foodtechprocess.com
Oil filtering machine / oil filter system What Is Oil Filtering Equipment From definition, components, working principle, specification,. When choosing an industrial oil filtration system, consider several critical factors: Filtration efficiency, capacity, compatibility, maintenance requirements, cost, reliability,. Great cost savingsoil reservoir flushing This guide covers all information about oil filtration system. An oil filter is designed to remove contaminants introduced into the oil and prevent them from reaching sensitive engine parts. Filtration. What Is Oil Filtering Equipment.
From www.fluidall.com
Fluid Handling Equipment Automotive Style Fluids & Oil Fluidall What Is Oil Filtering Equipment An oil filter is designed to remove contaminants introduced into the oil and prevent them from reaching sensitive engine parts. By definition, an oil filter’s main role is to cleanse oil from destructive contaminants within a machine such as an engine,. Filtration is an integral aspect of oil and gas operations, serving as a silent hero that protects valuable equipment,. What Is Oil Filtering Equipment.
From www.alibaba.com
Advanced Oil Filtering Equipment For Industrial Oil Filtration Buy Waste Motor Oil Recycling What Is Oil Filtering Equipment By definition, an oil filter’s main role is to cleanse oil from destructive contaminants within a machine such as an engine,. Great cost savingsoil reservoir flushing An oil filter is designed to remove contaminants introduced into the oil and prevent them from reaching sensitive engine parts. From definition, components, working principle, specification,. When choosing an industrial oil filtration system, consider. What Is Oil Filtering Equipment.
From www.petrogas.nl
Oil filtering system Petrogas What Is Oil Filtering Equipment Great cost savingsoil reservoir flushing When choosing an industrial oil filtration system, consider several critical factors: This guide covers all information about oil filtration system. By definition, an oil filter’s main role is to cleanse oil from destructive contaminants within a machine such as an engine,. An oil filter is designed to remove contaminants introduced into the oil and prevent. What Is Oil Filtering Equipment.
From www.jdiinc.com
Quench Oil Filtration Systems What Is Oil Filtering Equipment Great cost savingsoil reservoir flushing By definition, an oil filter’s main role is to cleanse oil from destructive contaminants within a machine such as an engine,. When choosing an industrial oil filtration system, consider several critical factors: Filtration is an integral aspect of oil and gas operations, serving as a silent hero that protects valuable equipment, optimizes production efficiency, ensures.. What Is Oil Filtering Equipment.
From www.diytrade.com
TYA Vacuum Hydraulic Oil Filtering Machine Nakin (China Manufacturer) Other Industrial What Is Oil Filtering Equipment From definition, components, working principle, specification,. This guide covers all information about oil filtration system. When choosing an industrial oil filtration system, consider several critical factors: Filtration is an integral aspect of oil and gas operations, serving as a silent hero that protects valuable equipment, optimizes production efficiency, ensures. Great cost savingsoil reservoir flushing By definition, an oil filter’s main. What Is Oil Filtering Equipment.
From www.oilpurifiermachine.com
4000L/Hour Power Transformer Oil Purifier Machine Electric Oil Filtering Equipment What Is Oil Filtering Equipment Great cost savingsoil reservoir flushing When choosing an industrial oil filtration system, consider several critical factors: This guide covers all information about oil filtration system. An oil filter is designed to remove contaminants introduced into the oil and prevent them from reaching sensitive engine parts. Filtration is an integral aspect of oil and gas operations, serving as a silent hero. What Is Oil Filtering Equipment.
From aidafilter.com
Oil purifier machine,oil filtration unitAIDA FILTER What Is Oil Filtering Equipment Filtration efficiency, capacity, compatibility, maintenance requirements, cost, reliability,. Filtration is an integral aspect of oil and gas operations, serving as a silent hero that protects valuable equipment, optimizes production efficiency, ensures. An oil filter is designed to remove contaminants introduced into the oil and prevent them from reaching sensitive engine parts. This guide covers all information about oil filtration system.. What Is Oil Filtering Equipment.
From www.oilpurifiermachine.com
DK Automatic Controlled Portable Oil Filtering System Stainless Steel What Is Oil Filtering Equipment Filtration efficiency, capacity, compatibility, maintenance requirements, cost, reliability,. An oil filter is designed to remove contaminants introduced into the oil and prevent them from reaching sensitive engine parts. Great cost savingsoil reservoir flushing By definition, an oil filter’s main role is to cleanse oil from destructive contaminants within a machine such as an engine,. Filtration is an integral aspect of. What Is Oil Filtering Equipment.
From www.diytrade.com
Industrial filtering equipment oil filtration VFD SERIES NSH (China Manufacturer) Other What Is Oil Filtering Equipment This guide covers all information about oil filtration system. An oil filter is designed to remove contaminants introduced into the oil and prevent them from reaching sensitive engine parts. Filtration is an integral aspect of oil and gas operations, serving as a silent hero that protects valuable equipment, optimizes production efficiency, ensures. Great cost savingsoil reservoir flushing From definition, components,. What Is Oil Filtering Equipment.
From www.diytrade.com
Portable Oil Purifier JL332 REXON (China Manufacturer) Pumps Vacuum Equipment What Is Oil Filtering Equipment Filtration is an integral aspect of oil and gas operations, serving as a silent hero that protects valuable equipment, optimizes production efficiency, ensures. Filtration efficiency, capacity, compatibility, maintenance requirements, cost, reliability,. From definition, components, working principle, specification,. By definition, an oil filter’s main role is to cleanse oil from destructive contaminants within a machine such as an engine,. Great cost. What Is Oil Filtering Equipment.
From vishipcorp.com
Oil filter equipment VISHIP MARINE DEVELOPMENT What Is Oil Filtering Equipment Great cost savingsoil reservoir flushing Filtration is an integral aspect of oil and gas operations, serving as a silent hero that protects valuable equipment, optimizes production efficiency, ensures. This guide covers all information about oil filtration system. An oil filter is designed to remove contaminants introduced into the oil and prevent them from reaching sensitive engine parts. Filtration efficiency, capacity,. What Is Oil Filtering Equipment.
From omcan.com
Oil Filtering Machine 50 L capacity Omcan What Is Oil Filtering Equipment Great cost savingsoil reservoir flushing Filtration efficiency, capacity, compatibility, maintenance requirements, cost, reliability,. From definition, components, working principle, specification,. By definition, an oil filter’s main role is to cleanse oil from destructive contaminants within a machine such as an engine,. Filtration is an integral aspect of oil and gas operations, serving as a silent hero that protects valuable equipment, optimizes. What Is Oil Filtering Equipment.
From www.hopufiltration.com
Stainless Steel Mini Oil Filtration Unit, Oil Filtering Device, Portable Oil Purifier, Oil What Is Oil Filtering Equipment An oil filter is designed to remove contaminants introduced into the oil and prevent them from reaching sensitive engine parts. Great cost savingsoil reservoir flushing This guide covers all information about oil filtration system. By definition, an oil filter’s main role is to cleanse oil from destructive contaminants within a machine such as an engine,. Filtration is an integral aspect. What Is Oil Filtering Equipment.
From www.tradeindia.com
Hydraulic Oil Filtration Equipment at 65000.00 INR in Delhi Universal Oil Company What Is Oil Filtering Equipment From definition, components, working principle, specification,. Filtration is an integral aspect of oil and gas operations, serving as a silent hero that protects valuable equipment, optimizes production efficiency, ensures. Great cost savingsoil reservoir flushing An oil filter is designed to remove contaminants introduced into the oil and prevent them from reaching sensitive engine parts. This guide covers all information about. What Is Oil Filtering Equipment.
From taizyfoodmachinery.com
Oil Filter Centrifugal Oil Filter Cooking Oil Filtering Taizy What Is Oil Filtering Equipment Filtration is an integral aspect of oil and gas operations, serving as a silent hero that protects valuable equipment, optimizes production efficiency, ensures. By definition, an oil filter’s main role is to cleanse oil from destructive contaminants within a machine such as an engine,. From definition, components, working principle, specification,. Great cost savingsoil reservoir flushing When choosing an industrial oil. What Is Oil Filtering Equipment.
From www.oilpurifiermachine.com
DSF Stainless Steel Cooking Oil Purifier Machine Edible Oil Filtering Equipment What Is Oil Filtering Equipment This guide covers all information about oil filtration system. By definition, an oil filter’s main role is to cleanse oil from destructive contaminants within a machine such as an engine,. Filtration efficiency, capacity, compatibility, maintenance requirements, cost, reliability,. An oil filter is designed to remove contaminants introduced into the oil and prevent them from reaching sensitive engine parts. From definition,. What Is Oil Filtering Equipment.
From www.oilpresses.net
The advantages of oil filtration systems Oil Presses Machine What Is Oil Filtering Equipment Filtration efficiency, capacity, compatibility, maintenance requirements, cost, reliability,. An oil filter is designed to remove contaminants introduced into the oil and prevent them from reaching sensitive engine parts. Great cost savingsoil reservoir flushing From definition, components, working principle, specification,. By definition, an oil filter’s main role is to cleanse oil from destructive contaminants within a machine such as an engine,.. What Is Oil Filtering Equipment.
From www.industrialoilpressmachine.com
Large Capacity Oil Filtering Equipment Centrifugal Type For Coconut Oil What Is Oil Filtering Equipment By definition, an oil filter’s main role is to cleanse oil from destructive contaminants within a machine such as an engine,. When choosing an industrial oil filtration system, consider several critical factors: Filtration efficiency, capacity, compatibility, maintenance requirements, cost, reliability,. Great cost savingsoil reservoir flushing From definition, components, working principle, specification,. An oil filter is designed to remove contaminants introduced. What Is Oil Filtering Equipment.
From omcan.com
Oil Filtering Machine 50 L capacity Omcan What Is Oil Filtering Equipment From definition, components, working principle, specification,. Great cost savingsoil reservoir flushing This guide covers all information about oil filtration system. By definition, an oil filter’s main role is to cleanse oil from destructive contaminants within a machine such as an engine,. Filtration is an integral aspect of oil and gas operations, serving as a silent hero that protects valuable equipment,. What Is Oil Filtering Equipment.