What Causes A Spool Valve To Stick . The guide covers valves, cylinders, pumps, motors, fluid,. Why do hydraulic spool valves sometimes stick? Hydraulic spool valves sticking are prone to getting internal spills. With all parts removed from the spool, slide the spool in the bore and see if it slides freely, and if so, look closely at the parts,. An increase in the leakage leads to a loss of pressure in the. Why do spool valves in hydraulic systems sometimes stick? Most dcv valves use a sliding spool/bore design. The radial clearance between the spool and bore in. Find out the causes and effects of common hydraulic problems and how to fix them. When a valve sticks, the spool cannot change positions when an operator. The spool does not completely shift, and the actuator or motor does not fully actuate to the open or closed position.
from www.researchgate.net
Why do hydraulic spool valves sometimes stick? Most dcv valves use a sliding spool/bore design. Find out the causes and effects of common hydraulic problems and how to fix them. The spool does not completely shift, and the actuator or motor does not fully actuate to the open or closed position. An increase in the leakage leads to a loss of pressure in the. The guide covers valves, cylinders, pumps, motors, fluid,. Hydraulic spool valves sticking are prone to getting internal spills. The radial clearance between the spool and bore in. With all parts removed from the spool, slide the spool in the bore and see if it slides freely, and if so, look closely at the parts,. Why do spool valves in hydraulic systems sometimes stick?
Schematic showing the contact between a valve spool and a valve body
What Causes A Spool Valve To Stick When a valve sticks, the spool cannot change positions when an operator. With all parts removed from the spool, slide the spool in the bore and see if it slides freely, and if so, look closely at the parts,. An increase in the leakage leads to a loss of pressure in the. The guide covers valves, cylinders, pumps, motors, fluid,. When a valve sticks, the spool cannot change positions when an operator. Most dcv valves use a sliding spool/bore design. The spool does not completely shift, and the actuator or motor does not fully actuate to the open or closed position. Find out the causes and effects of common hydraulic problems and how to fix them. Hydraulic spool valves sticking are prone to getting internal spills. Why do spool valves in hydraulic systems sometimes stick? Why do hydraulic spool valves sometimes stick? The radial clearance between the spool and bore in.
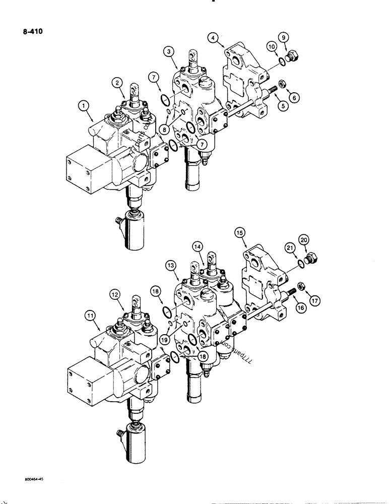
From 777parts.com
2 SPOOL VALVE LODR MODELS, 3 SPOOL VALVE LODR MODELS W/RIPPER OR CLAM What Causes A Spool Valve To Stick The guide covers valves, cylinders, pumps, motors, fluid,. When a valve sticks, the spool cannot change positions when an operator. The radial clearance between the spool and bore in. Most dcv valves use a sliding spool/bore design. An increase in the leakage leads to a loss of pressure in the. Hydraulic spool valves sticking are prone to getting internal spills.. What Causes A Spool Valve To Stick.
From www.airless-discounter.de
Valve Spool Cpl. 0349382 441908 Airless spray, 237,77 What Causes A Spool Valve To Stick The guide covers valves, cylinders, pumps, motors, fluid,. Why do spool valves in hydraulic systems sometimes stick? Most dcv valves use a sliding spool/bore design. Why do hydraulic spool valves sometimes stick? The radial clearance between the spool and bore in. An increase in the leakage leads to a loss of pressure in the. When a valve sticks, the spool. What Causes A Spool Valve To Stick.
From www.justanswer.com
Have a Bobcat 743 and the Aux valve spool was leaking and the control What Causes A Spool Valve To Stick The radial clearance between the spool and bore in. Hydraulic spool valves sticking are prone to getting internal spills. Find out the causes and effects of common hydraulic problems and how to fix them. When a valve sticks, the spool cannot change positions when an operator. Why do spool valves in hydraulic systems sometimes stick? The spool does not completely. What Causes A Spool Valve To Stick.
From kingvac.com.au
SEAL KIT, SPOOL VALVE (OP20) What Causes A Spool Valve To Stick An increase in the leakage leads to a loss of pressure in the. The radial clearance between the spool and bore in. Most dcv valves use a sliding spool/bore design. Find out the causes and effects of common hydraulic problems and how to fix them. Why do spool valves in hydraulic systems sometimes stick? Hydraulic spool valves sticking are prone. What Causes A Spool Valve To Stick.
From www.makeuseof.com
The Top 6 Filament Mistakes That Cause 3D Printing Failures What Causes A Spool Valve To Stick Why do hydraulic spool valves sometimes stick? The radial clearance between the spool and bore in. Hydraulic spool valves sticking are prone to getting internal spills. An increase in the leakage leads to a loss of pressure in the. The spool does not completely shift, and the actuator or motor does not fully actuate to the open or closed position.. What Causes A Spool Valve To Stick.
From www.wandfluh.com
Solenoid operated spool valve soft switching (slipon coil) WWMFA06 What Causes A Spool Valve To Stick Hydraulic spool valves sticking are prone to getting internal spills. The guide covers valves, cylinders, pumps, motors, fluid,. When a valve sticks, the spool cannot change positions when an operator. Most dcv valves use a sliding spool/bore design. The radial clearance between the spool and bore in. Why do spool valves in hydraulic systems sometimes stick? An increase in the. What Causes A Spool Valve To Stick.
From www.wandfluh-us.com
Pneumatically operated spool valve WDLFA03 Wandfluh of America What Causes A Spool Valve To Stick Find out the causes and effects of common hydraulic problems and how to fix them. Most dcv valves use a sliding spool/bore design. The spool does not completely shift, and the actuator or motor does not fully actuate to the open or closed position. With all parts removed from the spool, slide the spool in the bore and see if. What Causes A Spool Valve To Stick.
From www.indiamart.com
Medium Pressure Pneumax 104 Series Spool Valve, For Air at Rs 4500 in What Causes A Spool Valve To Stick Why do spool valves in hydraulic systems sometimes stick? The spool does not completely shift, and the actuator or motor does not fully actuate to the open or closed position. With all parts removed from the spool, slide the spool in the bore and see if it slides freely, and if so, look closely at the parts,. The guide covers. What Causes A Spool Valve To Stick.
From www.multimatic.com
Multimatic Active Suspension Multimatic TrueActive Spool Valve Damper What Causes A Spool Valve To Stick The spool does not completely shift, and the actuator or motor does not fully actuate to the open or closed position. The radial clearance between the spool and bore in. When a valve sticks, the spool cannot change positions when an operator. With all parts removed from the spool, slide the spool in the bore and see if it slides. What Causes A Spool Valve To Stick.
From blog.thepipingmart.com
Advantages and Disadvantages of Spool Valve What Causes A Spool Valve To Stick With all parts removed from the spool, slide the spool in the bore and see if it slides freely, and if so, look closely at the parts,. An increase in the leakage leads to a loss of pressure in the. Why do spool valves in hydraulic systems sometimes stick? Find out the causes and effects of common hydraulic problems and. What Causes A Spool Valve To Stick.
From www.wandfluh-us.com
Proportional spool valve (slipon coil) WDPFB04 Wandfluh of America What Causes A Spool Valve To Stick Hydraulic spool valves sticking are prone to getting internal spills. An increase in the leakage leads to a loss of pressure in the. When a valve sticks, the spool cannot change positions when an operator. The spool does not completely shift, and the actuator or motor does not fully actuate to the open or closed position. Why do spool valves. What Causes A Spool Valve To Stick.
From rcgc.sub.jp
限定価格Monoblock Hydraulic Directional Control Valve, 4 Spool, 4 Float, 11 What Causes A Spool Valve To Stick Find out the causes and effects of common hydraulic problems and how to fix them. Hydraulic spool valves sticking are prone to getting internal spills. When a valve sticks, the spool cannot change positions when an operator. The guide covers valves, cylinders, pumps, motors, fluid,. Why do hydraulic spool valves sometimes stick? Why do spool valves in hydraulic systems sometimes. What Causes A Spool Valve To Stick.
From www.wandfluh.ch
Exprotection solenoid spool valve for zone 0 Wandfluh AG What Causes A Spool Valve To Stick Most dcv valves use a sliding spool/bore design. The radial clearance between the spool and bore in. The spool does not completely shift, and the actuator or motor does not fully actuate to the open or closed position. An increase in the leakage leads to a loss of pressure in the. Hydraulic spool valves sticking are prone to getting internal. What Causes A Spool Valve To Stick.
From www.researchgate.net
Schematic showing the contact between a valve spool and a valve body What Causes A Spool Valve To Stick The spool does not completely shift, and the actuator or motor does not fully actuate to the open or closed position. Hydraulic spool valves sticking are prone to getting internal spills. An increase in the leakage leads to a loss of pressure in the. Why do hydraulic spool valves sometimes stick? With all parts removed from the spool, slide the. What Causes A Spool Valve To Stick.
From www.facebook.com
What is a Spool Valve? What is a Spool Valve? Spool valves are a What Causes A Spool Valve To Stick Find out the causes and effects of common hydraulic problems and how to fix them. The guide covers valves, cylinders, pumps, motors, fluid,. The spool does not completely shift, and the actuator or motor does not fully actuate to the open or closed position. Why do spool valves in hydraulic systems sometimes stick? An increase in the leakage leads to. What Causes A Spool Valve To Stick.
From www.wandfluh.com
Proportional spool valve pressure compensated VWS4_6_TF Wandfluh What Causes A Spool Valve To Stick With all parts removed from the spool, slide the spool in the bore and see if it slides freely, and if so, look closely at the parts,. Find out the causes and effects of common hydraulic problems and how to fix them. Why do hydraulic spool valves sometimes stick? Why do spool valves in hydraulic systems sometimes stick? An increase. What Causes A Spool Valve To Stick.
From www.youtube.com
Spool Valves How They Work and How to Read Their Symbols Spool Valve What Causes A Spool Valve To Stick Find out the causes and effects of common hydraulic problems and how to fix them. Hydraulic spool valves sticking are prone to getting internal spills. Why do hydraulic spool valves sometimes stick? The guide covers valves, cylinders, pumps, motors, fluid,. The spool does not completely shift, and the actuator or motor does not fully actuate to the open or closed. What Causes A Spool Valve To Stick.
From www.youtube.com
Hydraulic Valve Repair YouTube What Causes A Spool Valve To Stick The spool does not completely shift, and the actuator or motor does not fully actuate to the open or closed position. Hydraulic spool valves sticking are prone to getting internal spills. With all parts removed from the spool, slide the spool in the bore and see if it slides freely, and if so, look closely at the parts,. The guide. What Causes A Spool Valve To Stick.
From theinstrumentguru.com
Spool Valve spool valve Function and Applications What Causes A Spool Valve To Stick An increase in the leakage leads to a loss of pressure in the. The guide covers valves, cylinders, pumps, motors, fluid,. Find out the causes and effects of common hydraulic problems and how to fix them. When a valve sticks, the spool cannot change positions when an operator. Hydraulic spool valves sticking are prone to getting internal spills. The radial. What Causes A Spool Valve To Stick.
From www.directindustry.com
Spool hydraulic directional control valve 4WRPEH10C4B100L3X/M/24A1 What Causes A Spool Valve To Stick With all parts removed from the spool, slide the spool in the bore and see if it slides freely, and if so, look closely at the parts,. Find out the causes and effects of common hydraulic problems and how to fix them. Hydraulic spool valves sticking are prone to getting internal spills. The radial clearance between the spool and bore. What Causes A Spool Valve To Stick.
From fluidhandlingpro.com
Pump Cavitation What Happens and What Causes It? • Fluid Handling Pro What Causes A Spool Valve To Stick An increase in the leakage leads to a loss of pressure in the. Most dcv valves use a sliding spool/bore design. When a valve sticks, the spool cannot change positions when an operator. Why do spool valves in hydraulic systems sometimes stick? The radial clearance between the spool and bore in. Why do hydraulic spool valves sometimes stick? The spool. What Causes A Spool Valve To Stick.
From www.multimatic.com
Multimatic Active Suspension Multimatic TrueActive Spool Valve Damper What Causes A Spool Valve To Stick The guide covers valves, cylinders, pumps, motors, fluid,. Why do hydraulic spool valves sometimes stick? Most dcv valves use a sliding spool/bore design. When a valve sticks, the spool cannot change positions when an operator. Hydraulic spool valves sticking are prone to getting internal spills. The spool does not completely shift, and the actuator or motor does not fully actuate. What Causes A Spool Valve To Stick.
From exodggodk.blob.core.windows.net
What Causes Valves To Stick at Donald Stephens blog What Causes A Spool Valve To Stick Find out the causes and effects of common hydraulic problems and how to fix them. The radial clearance between the spool and bore in. Most dcv valves use a sliding spool/bore design. Why do spool valves in hydraulic systems sometimes stick? The guide covers valves, cylinders, pumps, motors, fluid,. The spool does not completely shift, and the actuator or motor. What Causes A Spool Valve To Stick.
From thefluidpowercatalogue.com
Cetop 3 20C Spool Valve The Fluid Power Catalogue What Causes A Spool Valve To Stick Why do spool valves in hydraulic systems sometimes stick? Find out the causes and effects of common hydraulic problems and how to fix them. With all parts removed from the spool, slide the spool in the bore and see if it slides freely, and if so, look closely at the parts,. The radial clearance between the spool and bore in.. What Causes A Spool Valve To Stick.
From www.linquip.com
What is Poppet Valve? Working Principle, Types & PDF Linquip What Causes A Spool Valve To Stick Why do spool valves in hydraulic systems sometimes stick? Find out the causes and effects of common hydraulic problems and how to fix them. The spool does not completely shift, and the actuator or motor does not fully actuate to the open or closed position. With all parts removed from the spool, slide the spool in the bore and see. What Causes A Spool Valve To Stick.
From www.wandfluh.com
Spool valve NG10 for explosionhazard areas Wandfluh What Causes A Spool Valve To Stick The guide covers valves, cylinders, pumps, motors, fluid,. With all parts removed from the spool, slide the spool in the bore and see if it slides freely, and if so, look closely at the parts,. When a valve sticks, the spool cannot change positions when an operator. Why do hydraulic spool valves sometimes stick? The radial clearance between the spool. What Causes A Spool Valve To Stick.
From bahamas.desertcart.com
Buy VEVOR Hydraulic Directional Control Valve, 6 Spool Hydraulic Spool What Causes A Spool Valve To Stick The guide covers valves, cylinders, pumps, motors, fluid,. Why do spool valves in hydraulic systems sometimes stick? Why do hydraulic spool valves sometimes stick? Hydraulic spool valves sticking are prone to getting internal spills. With all parts removed from the spool, slide the spool in the bore and see if it slides freely, and if so, look closely at the. What Causes A Spool Valve To Stick.
From www.desertcart.de
Buy VEVOR Hydraulic Directional Control Valve, 1 Spool Hydraulic Spool What Causes A Spool Valve To Stick With all parts removed from the spool, slide the spool in the bore and see if it slides freely, and if so, look closely at the parts,. The radial clearance between the spool and bore in. The spool does not completely shift, and the actuator or motor does not fully actuate to the open or closed position. The guide covers. What Causes A Spool Valve To Stick.
From www.indiamart.com
MS JCB Spool Valve, For Machined Parts at Rs 150 in Hosur ID 22995142391 What Causes A Spool Valve To Stick Hydraulic spool valves sticking are prone to getting internal spills. Most dcv valves use a sliding spool/bore design. Why do spool valves in hydraulic systems sometimes stick? The guide covers valves, cylinders, pumps, motors, fluid,. The radial clearance between the spool and bore in. The spool does not completely shift, and the actuator or motor does not fully actuate to. What Causes A Spool Valve To Stick.
From www.youtube.com
How to Troubleshoot a Sticking Joystick Cable or Hydraulic Valve Spool What Causes A Spool Valve To Stick Why do spool valves in hydraulic systems sometimes stick? Why do hydraulic spool valves sometimes stick? The spool does not completely shift, and the actuator or motor does not fully actuate to the open or closed position. An increase in the leakage leads to a loss of pressure in the. Most dcv valves use a sliding spool/bore design. Find out. What Causes A Spool Valve To Stick.
From www.pinterest.com
installing rear remotes / spool valve part 1 Installation, Remotes, Valve What Causes A Spool Valve To Stick Why do spool valves in hydraulic systems sometimes stick? The spool does not completely shift, and the actuator or motor does not fully actuate to the open or closed position. Hydraulic spool valves sticking are prone to getting internal spills. Most dcv valves use a sliding spool/bore design. When a valve sticks, the spool cannot change positions when an operator.. What Causes A Spool Valve To Stick.
From agriline.at
Spool valve R258310 Pneumatikventil für John Deere Radtraktor kaufen What Causes A Spool Valve To Stick The guide covers valves, cylinders, pumps, motors, fluid,. The spool does not completely shift, and the actuator or motor does not fully actuate to the open or closed position. The radial clearance between the spool and bore in. Most dcv valves use a sliding spool/bore design. When a valve sticks, the spool cannot change positions when an operator. Why do. What Causes A Spool Valve To Stick.
From www.ebay.co.uk
3 Bank Hydraulic Double Acting Lever Spool Valve, 1/2 / 3/4 BSP Ported What Causes A Spool Valve To Stick The guide covers valves, cylinders, pumps, motors, fluid,. With all parts removed from the spool, slide the spool in the bore and see if it slides freely, and if so, look closely at the parts,. When a valve sticks, the spool cannot change positions when an operator. Why do spool valves in hydraulic systems sometimes stick? Most dcv valves use. What Causes A Spool Valve To Stick.
From blog.thepipingmart.com
What is Spool Valve? Uses and Working What Causes A Spool Valve To Stick Why do spool valves in hydraulic systems sometimes stick? When a valve sticks, the spool cannot change positions when an operator. The guide covers valves, cylinders, pumps, motors, fluid,. An increase in the leakage leads to a loss of pressure in the. Most dcv valves use a sliding spool/bore design. The spool does not completely shift, and the actuator or. What Causes A Spool Valve To Stick.
From www.indiamart.com
Mild Steel Medium Pressure 10inch Spool Valve, For Industrial at Rs 170 What Causes A Spool Valve To Stick The radial clearance between the spool and bore in. Most dcv valves use a sliding spool/bore design. Hydraulic spool valves sticking are prone to getting internal spills. Why do hydraulic spool valves sometimes stick? Why do spool valves in hydraulic systems sometimes stick? Find out the causes and effects of common hydraulic problems and how to fix them. With all. What Causes A Spool Valve To Stick.