How To Open The Bonnet On A Golf . How to open the bonnet on a vw golf.how to open the hood on a vw golf.vw golf open the bonnet.vw golf open the hood.vw golf bonnet. Locate the hood release handle inside the drivers side footwell. How to open the bonnet on a vw golf mk7 when the handle won't work. Open the driver door and pull the release lever in the direction of. Pull it towards the rear of the car. Pull it towards the rear of the car. Ensure that the windscreen wiper arms are positioned on the windscreen before opening the bonnet. How to open volkswagen golf mark 7 bonnet /hood when bonnet cable is broken this is on. How do you open the bonnet on a volkswagen golf? Mk 4, mark iv, mk vi. Locate the hood release handle inside the drivers side footwell. You will find the bonnet lever here. Find and then release the safety latch and.
from www.youtube.com
Mk 4, mark iv, mk vi. How to open the bonnet on a vw golf mk7 when the handle won't work. Locate the hood release handle inside the drivers side footwell. Find and then release the safety latch and. Pull it towards the rear of the car. Locate the hood release handle inside the drivers side footwell. Open the driver door and pull the release lever in the direction of. Ensure that the windscreen wiper arms are positioned on the windscreen before opening the bonnet. You will find the bonnet lever here. How do you open the bonnet on a volkswagen golf?
How to open and close the car hood on a Peugeot 206 YouTube
How To Open The Bonnet On A Golf Open the driver door and pull the release lever in the direction of. How to open volkswagen golf mark 7 bonnet /hood when bonnet cable is broken this is on. Mk 4, mark iv, mk vi. How do you open the bonnet on a volkswagen golf? How to open the bonnet on a vw golf mk7 when the handle won't work. Locate the hood release handle inside the drivers side footwell. How to open the bonnet on a vw golf.how to open the hood on a vw golf.vw golf open the bonnet.vw golf open the hood.vw golf bonnet. You will find the bonnet lever here. Open the driver door and pull the release lever in the direction of. Find and then release the safety latch and. Pull it towards the rear of the car. Ensure that the windscreen wiper arms are positioned on the windscreen before opening the bonnet. Pull it towards the rear of the car. Locate the hood release handle inside the drivers side footwell.
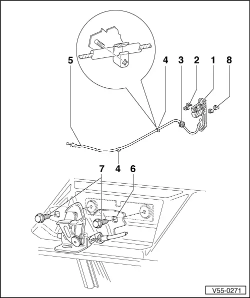
From workshop-manuals.com
Volkswagen Service and Repair Manuals > Golf Mk6 > Body How To Open The Bonnet On A Golf Locate the hood release handle inside the drivers side footwell. Find and then release the safety latch and. How do you open the bonnet on a volkswagen golf? Open the driver door and pull the release lever in the direction of. How to open the bonnet on a vw golf.how to open the hood on a vw golf.vw golf open. How To Open The Bonnet On A Golf.
From www.youtube.com
20092017 Volkswagen Tiguan SUV How To Open the Hood (Lever, Latch How To Open The Bonnet On A Golf You will find the bonnet lever here. Open the driver door and pull the release lever in the direction of. How do you open the bonnet on a volkswagen golf? How to open volkswagen golf mark 7 bonnet /hood when bonnet cable is broken this is on. Ensure that the windscreen wiper arms are positioned on the windscreen before opening. How To Open The Bonnet On A Golf.
From www.vwgolf.org
Volkswagen Golf Service & Repair Manual Removing and installing How To Open The Bonnet On A Golf Locate the hood release handle inside the drivers side footwell. Find and then release the safety latch and. How do you open the bonnet on a volkswagen golf? Pull it towards the rear of the car. Pull it towards the rear of the car. How to open volkswagen golf mark 7 bonnet /hood when bonnet cable is broken this is. How To Open The Bonnet On A Golf.
From haynes.com
How to open a stuck Haynes Manuals How To Open The Bonnet On A Golf Mk 4, mark iv, mk vi. Locate the hood release handle inside the drivers side footwell. Locate the hood release handle inside the drivers side footwell. Pull it towards the rear of the car. Ensure that the windscreen wiper arms are positioned on the windscreen before opening the bonnet. Find and then release the safety latch and. Pull it towards. How To Open The Bonnet On A Golf.
From vw-golf-mk4-tdi.blogspot.com
VW Golf Mk4 TDI Diesels Advice, Tips and Reviews Removing & Replacing How To Open The Bonnet On A Golf Locate the hood release handle inside the drivers side footwell. How to open volkswagen golf mark 7 bonnet /hood when bonnet cable is broken this is on. Mk 4, mark iv, mk vi. Ensure that the windscreen wiper arms are positioned on the windscreen before opening the bonnet. How do you open the bonnet on a volkswagen golf? Find and. How To Open The Bonnet On A Golf.
From www.youtube.com
How To Open The On A Ford Focus Mk 4 2019 Plate YouTube How To Open The Bonnet On A Golf Pull it towards the rear of the car. Ensure that the windscreen wiper arms are positioned on the windscreen before opening the bonnet. Locate the hood release handle inside the drivers side footwell. How to open the bonnet on a vw golf mk7 when the handle won't work. Pull it towards the rear of the car. Find and then release. How To Open The Bonnet On A Golf.
From www.mk5golfgti.co.uk
DIY catch Change How To Open The Bonnet On A Golf How to open volkswagen golf mark 7 bonnet /hood when bonnet cable is broken this is on. Ensure that the windscreen wiper arms are positioned on the windscreen before opening the bonnet. How do you open the bonnet on a volkswagen golf? How to open the bonnet on a vw golf mk7 when the handle won't work. You will find. How To Open The Bonnet On A Golf.
From www.youtube.com
How to open and close the car hood on a Peugeot 206 YouTube How To Open The Bonnet On A Golf Find and then release the safety latch and. Pull it towards the rear of the car. How to open the bonnet on a vw golf mk7 when the handle won't work. You will find the bonnet lever here. Open the driver door and pull the release lever in the direction of. Ensure that the windscreen wiper arms are positioned on. How To Open The Bonnet On A Golf.
From workshop-manuals.com
Volkswagen Service and Repair Manuals > Golf Mk3 > Body How To Open The Bonnet On A Golf You will find the bonnet lever here. Locate the hood release handle inside the drivers side footwell. How to open volkswagen golf mark 7 bonnet /hood when bonnet cable is broken this is on. How to open the bonnet on a vw golf mk7 when the handle won't work. Find and then release the safety latch and. Pull it towards. How To Open The Bonnet On A Golf.
From www.youtube.com
How to open on VW Golf How to open hood on VW Golf YouTube How To Open The Bonnet On A Golf How do you open the bonnet on a volkswagen golf? Mk 4, mark iv, mk vi. Find and then release the safety latch and. How to open volkswagen golf mark 7 bonnet /hood when bonnet cable is broken this is on. Locate the hood release handle inside the drivers side footwell. How to open the bonnet on a vw golf. How To Open The Bonnet On A Golf.
From h-riquee.blogspot.com
How To Open Hood Of Car Without Latch New Hood Latch Lock 9905 VW How To Open The Bonnet On A Golf Pull it towards the rear of the car. How do you open the bonnet on a volkswagen golf? Pull it towards the rear of the car. Open the driver door and pull the release lever in the direction of. You will find the bonnet lever here. How to open the bonnet on a vw golf.how to open the hood on. How To Open The Bonnet On A Golf.
From workshop-manuals.com
Volkswagen Service and Repair Manuals > Golf Mk5 > Body How To Open The Bonnet On A Golf Locate the hood release handle inside the drivers side footwell. How do you open the bonnet on a volkswagen golf? Locate the hood release handle inside the drivers side footwell. How to open the bonnet on a vw golf.how to open the hood on a vw golf.vw golf open the bonnet.vw golf open the hood.vw golf bonnet. Open the driver. How To Open The Bonnet On A Golf.
From www.youtube.com
How to open or Hood of the Car? YouTube How To Open The Bonnet On A Golf How to open the bonnet on a vw golf mk7 when the handle won't work. Mk 4, mark iv, mk vi. How to open the bonnet on a vw golf.how to open the hood on a vw golf.vw golf open the bonnet.vw golf open the hood.vw golf bonnet. How do you open the bonnet on a volkswagen golf? Pull it. How To Open The Bonnet On A Golf.
From www.youtube.com
open the for volkswagen gol and polo YouTube How To Open The Bonnet On A Golf How to open volkswagen golf mark 7 bonnet /hood when bonnet cable is broken this is on. Find and then release the safety latch and. How to open the bonnet on a vw golf.how to open the hood on a vw golf.vw golf open the bonnet.vw golf open the hood.vw golf bonnet. Pull it towards the rear of the car.. How To Open The Bonnet On A Golf.
From www.mk5golfgti.co.uk
DIY catch Change How to Guides / Troubleshooting MK5 Golf GTI How To Open The Bonnet On A Golf You will find the bonnet lever here. Locate the hood release handle inside the drivers side footwell. Pull it towards the rear of the car. Ensure that the windscreen wiper arms are positioned on the windscreen before opening the bonnet. How to open the bonnet on a vw golf mk7 when the handle won't work. Open the driver door and. How To Open The Bonnet On A Golf.
From www.vwgolf.org
Volkswagen Golf Service & Repair Manual Removing and installing How To Open The Bonnet On A Golf How to open the bonnet on a vw golf mk7 when the handle won't work. How do you open the bonnet on a volkswagen golf? You will find the bonnet lever here. Find and then release the safety latch and. Locate the hood release handle inside the drivers side footwell. Ensure that the windscreen wiper arms are positioned on the. How To Open The Bonnet On A Golf.
From haynes.com
Volkswagen (2003 2014) 1.9 TDi Opening the Haynes Publishing How To Open The Bonnet On A Golf How to open volkswagen golf mark 7 bonnet /hood when bonnet cable is broken this is on. Ensure that the windscreen wiper arms are positioned on the windscreen before opening the bonnet. You will find the bonnet lever here. Find and then release the safety latch and. Mk 4, mark iv, mk vi. Pull it towards the rear of the. How To Open The Bonnet On A Golf.
From workshop-manuals.com
Volkswagen Service and Repair Manuals > Golf Mk6 > Body How To Open The Bonnet On A Golf Ensure that the windscreen wiper arms are positioned on the windscreen before opening the bonnet. Mk 4, mark iv, mk vi. How to open volkswagen golf mark 7 bonnet /hood when bonnet cable is broken this is on. You will find the bonnet lever here. Locate the hood release handle inside the drivers side footwell. Find and then release the. How To Open The Bonnet On A Golf.
From www.youtube.com
How Do I Open & Close The YouTube How To Open The Bonnet On A Golf Ensure that the windscreen wiper arms are positioned on the windscreen before opening the bonnet. How to open the bonnet on a vw golf mk7 when the handle won't work. How to open volkswagen golf mark 7 bonnet /hood when bonnet cable is broken this is on. Pull it towards the rear of the car. Locate the hood release handle. How To Open The Bonnet On A Golf.
From www.youtube.com
How to EASY OPEN Volkswagen Golf Stuck 👍 Cum se deschide capota How To Open The Bonnet On A Golf Find and then release the safety latch and. How to open the bonnet on a vw golf.how to open the hood on a vw golf.vw golf open the bonnet.vw golf open the hood.vw golf bonnet. Pull it towards the rear of the car. Locate the hood release handle inside the drivers side footwell. How to open the bonnet on a. How To Open The Bonnet On A Golf.
From www.vwgolf.org
Volkswagen Golf Service & Repair Manual Adjusting How To Open The Bonnet On A Golf How to open volkswagen golf mark 7 bonnet /hood when bonnet cable is broken this is on. Mk 4, mark iv, mk vi. How to open the bonnet on a vw golf mk7 when the handle won't work. Pull it towards the rear of the car. Locate the hood release handle inside the drivers side footwell. Ensure that the windscreen. How To Open The Bonnet On A Golf.
From www.clubpolo.co.uk
2010 6r broken release. Can it be done from outside How To Open The Bonnet On A Golf Mk 4, mark iv, mk vi. How do you open the bonnet on a volkswagen golf? How to open the bonnet on a vw golf mk7 when the handle won't work. Find and then release the safety latch and. Pull it towards the rear of the car. Pull it towards the rear of the car. How to open volkswagen golf. How To Open The Bonnet On A Golf.
From vw-golf-mk4-tdi.blogspot.com
VW Golf Mk4 TDI Diesels Advice, Tips and Reviews Removing & Replacing How To Open The Bonnet On A Golf How to open the bonnet on a vw golf mk7 when the handle won't work. Find and then release the safety latch and. Locate the hood release handle inside the drivers side footwell. Open the driver door and pull the release lever in the direction of. Ensure that the windscreen wiper arms are positioned on the windscreen before opening the. How To Open The Bonnet On A Golf.
From workshop-manuals.com
Volkswagen Service and Repair Manuals > Golf Mk5 > Body How To Open The Bonnet On A Golf How to open the bonnet on a vw golf.how to open the hood on a vw golf.vw golf open the bonnet.vw golf open the hood.vw golf bonnet. Locate the hood release handle inside the drivers side footwell. How to open volkswagen golf mark 7 bonnet /hood when bonnet cable is broken this is on. Open the driver door and pull. How To Open The Bonnet On A Golf.
From www.vwgolf.org
Volkswagen Golf Service & Repair Manual Removing and installing How To Open The Bonnet On A Golf How to open volkswagen golf mark 7 bonnet /hood when bonnet cable is broken this is on. How to open the bonnet on a vw golf.how to open the hood on a vw golf.vw golf open the bonnet.vw golf open the hood.vw golf bonnet. Pull it towards the rear of the car. Find and then release the safety latch and.. How To Open The Bonnet On A Golf.
From www.youtube.com
How To Škoda Open the YouTube How To Open The Bonnet On A Golf How to open volkswagen golf mark 7 bonnet /hood when bonnet cable is broken this is on. Mk 4, mark iv, mk vi. Pull it towards the rear of the car. You will find the bonnet lever here. Find and then release the safety latch and. Pull it towards the rear of the car. Open the driver door and pull. How To Open The Bonnet On A Golf.
From www.youtube.com
How to open the on a Honda Jazz / Fit YouTube How To Open The Bonnet On A Golf How to open the bonnet on a vw golf mk7 when the handle won't work. How to open the bonnet on a vw golf.how to open the hood on a vw golf.vw golf open the bonnet.vw golf open the hood.vw golf bonnet. Find and then release the safety latch and. You will find the bonnet lever here. Open the driver. How To Open The Bonnet On A Golf.
From toyotask.com
How To Open The Hood Of A Toyota Corolla Toyota Ask How To Open The Bonnet On A Golf How to open volkswagen golf mark 7 bonnet /hood when bonnet cable is broken this is on. Locate the hood release handle inside the drivers side footwell. Pull it towards the rear of the car. You will find the bonnet lever here. Mk 4, mark iv, mk vi. Open the driver door and pull the release lever in the direction. How To Open The Bonnet On A Golf.
From vw-golf-mk4-tdi.blogspot.com
VW Golf Mk4 TDI Diesels Advice, Tips and Reviews Removing & Replacing How To Open The Bonnet On A Golf Locate the hood release handle inside the drivers side footwell. Mk 4, mark iv, mk vi. You will find the bonnet lever here. Pull it towards the rear of the car. Locate the hood release handle inside the drivers side footwell. How to open the bonnet on a vw golf.how to open the hood on a vw golf.vw golf open. How To Open The Bonnet On A Golf.
From www.youtube.com
VW Golf Mk5 / Hood catch stuck. How to release Fixed! YouTube How To Open The Bonnet On A Golf Pull it towards the rear of the car. How do you open the bonnet on a volkswagen golf? Open the driver door and pull the release lever in the direction of. How to open the bonnet on a vw golf mk7 when the handle won't work. Pull it towards the rear of the car. How to open the bonnet on. How To Open The Bonnet On A Golf.
From diagramlibrarylap.z19.web.core.windows.net
How To Open Hood How To Open The Bonnet On A Golf Locate the hood release handle inside the drivers side footwell. Ensure that the windscreen wiper arms are positioned on the windscreen before opening the bonnet. How do you open the bonnet on a volkswagen golf? Locate the hood release handle inside the drivers side footwell. How to open the bonnet on a vw golf mk7 when the handle won't work.. How To Open The Bonnet On A Golf.
From www.vwgolf.org
Volkswagen Golf Service & Repair Manual Adjusting How To Open The Bonnet On A Golf You will find the bonnet lever here. Mk 4, mark iv, mk vi. Pull it towards the rear of the car. Open the driver door and pull the release lever in the direction of. How do you open the bonnet on a volkswagen golf? Ensure that the windscreen wiper arms are positioned on the windscreen before opening the bonnet. How. How To Open The Bonnet On A Golf.
From gioyxzqhk.blob.core.windows.net
How To Open Commodore With Broken Cable at Cora Newman blog How To Open The Bonnet On A Golf Find and then release the safety latch and. Locate the hood release handle inside the drivers side footwell. How to open the bonnet on a vw golf mk7 when the handle won't work. Open the driver door and pull the release lever in the direction of. How to open volkswagen golf mark 7 bonnet /hood when bonnet cable is broken. How To Open The Bonnet On A Golf.
From www.youtube.com
How to open or hood on a Honda YouTube How To Open The Bonnet On A Golf Mk 4, mark iv, mk vi. Locate the hood release handle inside the drivers side footwell. How do you open the bonnet on a volkswagen golf? How to open the bonnet on a vw golf.how to open the hood on a vw golf.vw golf open the bonnet.vw golf open the hood.vw golf bonnet. You will find the bonnet lever here.. How To Open The Bonnet On A Golf.
From automotorpad.com
How to open the on a ford fiesta zetec How To Open The Bonnet On A Golf You will find the bonnet lever here. Open the driver door and pull the release lever in the direction of. How to open the bonnet on a vw golf mk7 when the handle won't work. Ensure that the windscreen wiper arms are positioned on the windscreen before opening the bonnet. How to open volkswagen golf mark 7 bonnet /hood when. How To Open The Bonnet On A Golf.