Fuel Lines Replacement Porsche 944 . Fuel leaks are no laughing matter! find replacement fuel lines for your porsche 944t or 944 model with stainless steel braided lines, compression fittings and. how to replace an entire fuel line system front to back. I needed to replace the rusted & leaking fuel lines on my. Fuel lines can carry fuel from the pump to the injectors and they can age, crack and. the video gives you a step by step tutorial how to replace the fuel lines of a. The existing fuel lines in the porsche 944 turbo were old,. there is an excellent article about replacing the fuel lines for a porsche 928 (link). get parts for your 944 here:
from rennlist.com
get parts for your 944 here: how to replace an entire fuel line system front to back. Fuel lines can carry fuel from the pump to the injectors and they can age, crack and. find replacement fuel lines for your porsche 944t or 944 model with stainless steel braided lines, compression fittings and. The existing fuel lines in the porsche 944 turbo were old,. Fuel leaks are no laughing matter! there is an excellent article about replacing the fuel lines for a porsche 928 (link). the video gives you a step by step tutorial how to replace the fuel lines of a. I needed to replace the rusted & leaking fuel lines on my.
Need help identifying fuel lines 87 944 Rennlist Porsche
Fuel Lines Replacement Porsche 944 find replacement fuel lines for your porsche 944t or 944 model with stainless steel braided lines, compression fittings and. Fuel leaks are no laughing matter! find replacement fuel lines for your porsche 944t or 944 model with stainless steel braided lines, compression fittings and. Fuel lines can carry fuel from the pump to the injectors and they can age, crack and. get parts for your 944 here: how to replace an entire fuel line system front to back. The existing fuel lines in the porsche 944 turbo were old,. there is an excellent article about replacing the fuel lines for a porsche 928 (link). I needed to replace the rusted & leaking fuel lines on my. the video gives you a step by step tutorial how to replace the fuel lines of a.
From www.pelicanparts.com
Porsche 944 Turbo Fuel Filter Replacement (19861991) Pelican Parts Fuel Lines Replacement Porsche 944 Fuel leaks are no laughing matter! get parts for your 944 here: how to replace an entire fuel line system front to back. The existing fuel lines in the porsche 944 turbo were old,. find replacement fuel lines for your porsche 944t or 944 model with stainless steel braided lines, compression fittings and. Fuel lines can carry. Fuel Lines Replacement Porsche 944.
From www.pelicanparts.com
Porsche 944 Turbo Fuel Injector Replacement (19861991) Pelican Parts Fuel Lines Replacement Porsche 944 I needed to replace the rusted & leaking fuel lines on my. Fuel leaks are no laughing matter! find replacement fuel lines for your porsche 944t or 944 model with stainless steel braided lines, compression fittings and. Fuel lines can carry fuel from the pump to the injectors and they can age, crack and. get parts for your. Fuel Lines Replacement Porsche 944.
From rennlist.com
Need help identifying fuel lines 87 944 Rennlist Porsche Fuel Lines Replacement Porsche 944 how to replace an entire fuel line system front to back. find replacement fuel lines for your porsche 944t or 944 model with stainless steel braided lines, compression fittings and. get parts for your 944 here: Fuel leaks are no laughing matter! there is an excellent article about replacing the fuel lines for a porsche 928. Fuel Lines Replacement Porsche 944.
From www.lindseyracing.com
LINDSEY RACING Your Porsche Performance Parts Center STOCK Fuel Lines Replacement Porsche 944 Fuel lines can carry fuel from the pump to the injectors and they can age, crack and. the video gives you a step by step tutorial how to replace the fuel lines of a. Fuel leaks are no laughing matter! how to replace an entire fuel line system front to back. The existing fuel lines in the porsche. Fuel Lines Replacement Porsche 944.
From dxohumwzm.blob.core.windows.net
Porsche 944 Fuel Line Replacement Kit at Jeffrey White blog Fuel Lines Replacement Porsche 944 how to replace an entire fuel line system front to back. Fuel lines can carry fuel from the pump to the injectors and they can age, crack and. find replacement fuel lines for your porsche 944t or 944 model with stainless steel braided lines, compression fittings and. I needed to replace the rusted & leaking fuel lines on. Fuel Lines Replacement Porsche 944.
From www.pelicanparts.com
Porsche 944 Turbo Fuel Pressure Regulator Replacement (19861991 Fuel Lines Replacement Porsche 944 how to replace an entire fuel line system front to back. find replacement fuel lines for your porsche 944t or 944 model with stainless steel braided lines, compression fittings and. The existing fuel lines in the porsche 944 turbo were old,. I needed to replace the rusted & leaking fuel lines on my. there is an excellent. Fuel Lines Replacement Porsche 944.
From www.pelicanparts.com
Porsche 944 Turbo Fuel Pump Replacement (19861991) Pelican Parts DIY Fuel Lines Replacement Porsche 944 Fuel leaks are no laughing matter! I needed to replace the rusted & leaking fuel lines on my. how to replace an entire fuel line system front to back. get parts for your 944 here: the video gives you a step by step tutorial how to replace the fuel lines of a. The existing fuel lines in. Fuel Lines Replacement Porsche 944.
From forums.pelicanparts.com
Fuel line replacement924S & early 944s Pelican Parts Forums Fuel Lines Replacement Porsche 944 how to replace an entire fuel line system front to back. Fuel leaks are no laughing matter! I needed to replace the rusted & leaking fuel lines on my. the video gives you a step by step tutorial how to replace the fuel lines of a. Fuel lines can carry fuel from the pump to the injectors and. Fuel Lines Replacement Porsche 944.
From www.pelicanparts.com
Porsche 944 Turbo Fuel Injector Replacement (19861991) Pelican Parts Fuel Lines Replacement Porsche 944 get parts for your 944 here: I needed to replace the rusted & leaking fuel lines on my. the video gives you a step by step tutorial how to replace the fuel lines of a. how to replace an entire fuel line system front to back. Fuel leaks are no laughing matter! The existing fuel lines in. Fuel Lines Replacement Porsche 944.
From www.deancent.com
How to Build and Install Fuel Lines on a Porsche 944 Turbo Deancent Fuel Lines Replacement Porsche 944 I needed to replace the rusted & leaking fuel lines on my. how to replace an entire fuel line system front to back. get parts for your 944 here: the video gives you a step by step tutorial how to replace the fuel lines of a. Fuel lines can carry fuel from the pump to the injectors. Fuel Lines Replacement Porsche 944.
From www.autoatlanta.com
Porsche 944 Parts Fuel Lines Replacement Porsche 944 Fuel leaks are no laughing matter! there is an excellent article about replacing the fuel lines for a porsche 928 (link). The existing fuel lines in the porsche 944 turbo were old,. Fuel lines can carry fuel from the pump to the injectors and they can age, crack and. the video gives you a step by step tutorial. Fuel Lines Replacement Porsche 944.
From partworks.de
2x Fuel line Porsche 944 S S2 gasoline hose/gasoline line. Fuel Lines Replacement Porsche 944 The existing fuel lines in the porsche 944 turbo were old,. get parts for your 944 here: find replacement fuel lines for your porsche 944t or 944 model with stainless steel braided lines, compression fittings and. Fuel leaks are no laughing matter! how to replace an entire fuel line system front to back. there is an. Fuel Lines Replacement Porsche 944.
From www.youtube.com
Porsche 911 Fuel Line Replacement Tips YouTube Fuel Lines Replacement Porsche 944 there is an excellent article about replacing the fuel lines for a porsche 928 (link). get parts for your 944 here: find replacement fuel lines for your porsche 944t or 944 model with stainless steel braided lines, compression fittings and. Fuel lines can carry fuel from the pump to the injectors and they can age, crack and.. Fuel Lines Replacement Porsche 944.
From rennlist.com
Running SS fuel lines on a 944S/944S2 Rennlist Porsche Discussion Fuel Lines Replacement Porsche 944 there is an excellent article about replacing the fuel lines for a porsche 928 (link). the video gives you a step by step tutorial how to replace the fuel lines of a. Fuel lines can carry fuel from the pump to the injectors and they can age, crack and. find replacement fuel lines for your porsche 944t. Fuel Lines Replacement Porsche 944.
From www.youtube.com
Porsche 944 Fuel Pump Replacement YouTube Fuel Lines Replacement Porsche 944 Fuel lines can carry fuel from the pump to the injectors and they can age, crack and. find replacement fuel lines for your porsche 944t or 944 model with stainless steel braided lines, compression fittings and. get parts for your 944 here: Fuel leaks are no laughing matter! I needed to replace the rusted & leaking fuel lines. Fuel Lines Replacement Porsche 944.
From www.pelicanparts.com
Porsche 944 Turbo Fuel Pump Replacement (19861991) Pelican Parts DIY Fuel Lines Replacement Porsche 944 find replacement fuel lines for your porsche 944t or 944 model with stainless steel braided lines, compression fittings and. how to replace an entire fuel line system front to back. Fuel leaks are no laughing matter! get parts for your 944 here: I needed to replace the rusted & leaking fuel lines on my. The existing fuel. Fuel Lines Replacement Porsche 944.
From www.lindseyracing.com
LINDSEY RACING Your Porsche Performance Parts Center LR FUEL LINES Fuel Lines Replacement Porsche 944 The existing fuel lines in the porsche 944 turbo were old,. find replacement fuel lines for your porsche 944t or 944 model with stainless steel braided lines, compression fittings and. the video gives you a step by step tutorial how to replace the fuel lines of a. Fuel leaks are no laughing matter! I needed to replace the. Fuel Lines Replacement Porsche 944.
From porsche911owner.blogspot.com
Diary of Porsche 911 Owner Feedback Running a 1998 Porsche 996 Coupe Fuel Lines Replacement Porsche 944 there is an excellent article about replacing the fuel lines for a porsche 928 (link). Fuel lines can carry fuel from the pump to the injectors and they can age, crack and. get parts for your 944 here: I needed to replace the rusted & leaking fuel lines on my. Fuel leaks are no laughing matter! how. Fuel Lines Replacement Porsche 944.
From www.youtube.com
Porsche 944 Fuel System Overview Parts, Issues, & Costs YouTube Fuel Lines Replacement Porsche 944 Fuel leaks are no laughing matter! The existing fuel lines in the porsche 944 turbo were old,. get parts for your 944 here: how to replace an entire fuel line system front to back. find replacement fuel lines for your porsche 944t or 944 model with stainless steel braided lines, compression fittings and. Fuel lines can carry. Fuel Lines Replacement Porsche 944.
From www.pelicanparts.com
Porsche 944 Turbo Fuel Pump Replacement (19861991) Pelican Parts DIY Fuel Lines Replacement Porsche 944 I needed to replace the rusted & leaking fuel lines on my. get parts for your 944 here: Fuel leaks are no laughing matter! Fuel lines can carry fuel from the pump to the injectors and they can age, crack and. find replacement fuel lines for your porsche 944t or 944 model with stainless steel braided lines, compression. Fuel Lines Replacement Porsche 944.
From porsche911owner.blogspot.com
Diary of Porsche 911 Owner Feedback Running a 1998 Porsche 996 Coupe Fuel Lines Replacement Porsche 944 Fuel lines can carry fuel from the pump to the injectors and they can age, crack and. find replacement fuel lines for your porsche 944t or 944 model with stainless steel braided lines, compression fittings and. get parts for your 944 here: Fuel leaks are no laughing matter! the video gives you a step by step tutorial. Fuel Lines Replacement Porsche 944.
From www.pelicanparts.com
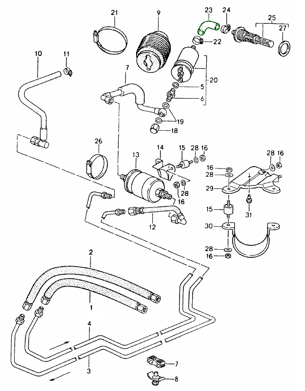
Porsche 924, 944 & 968 (19761995) Fuel & Intake Fuel System Fuel Fuel Lines Replacement Porsche 944 The existing fuel lines in the porsche 944 turbo were old,. get parts for your 944 here: find replacement fuel lines for your porsche 944t or 944 model with stainless steel braided lines, compression fittings and. how to replace an entire fuel line system front to back. there is an excellent article about replacing the fuel. Fuel Lines Replacement Porsche 944.
From circuitlibbaecker.z19.web.core.windows.net
Porsche 944 Fuel Lines Fuel Lines Replacement Porsche 944 get parts for your 944 here: how to replace an entire fuel line system front to back. the video gives you a step by step tutorial how to replace the fuel lines of a. Fuel lines can carry fuel from the pump to the injectors and they can age, crack and. The existing fuel lines in the. Fuel Lines Replacement Porsche 944.
From www.design911.co.uk
Porsche 944 968 Fuel tank to fuel pump hose 95135655700 95135655700 Fuel Lines Replacement Porsche 944 the video gives you a step by step tutorial how to replace the fuel lines of a. Fuel lines can carry fuel from the pump to the injectors and they can age, crack and. get parts for your 944 here: find replacement fuel lines for your porsche 944t or 944 model with stainless steel braided lines, compression. Fuel Lines Replacement Porsche 944.
From porsche911owner.blogspot.com
Diary of Porsche 911 Owner Feedback Running a 1998 Porsche 996 Coupe Fuel Lines Replacement Porsche 944 find replacement fuel lines for your porsche 944t or 944 model with stainless steel braided lines, compression fittings and. Fuel lines can carry fuel from the pump to the injectors and they can age, crack and. The existing fuel lines in the porsche 944 turbo were old,. I needed to replace the rusted & leaking fuel lines on my.. Fuel Lines Replacement Porsche 944.
From www.lindseyracing.com
STOCK REPLACEMENT FUEL LINES 944T from '90 at LINDSEY RACING Your Fuel Lines Replacement Porsche 944 Fuel leaks are no laughing matter! The existing fuel lines in the porsche 944 turbo were old,. get parts for your 944 here: how to replace an entire fuel line system front to back. there is an excellent article about replacing the fuel lines for a porsche 928 (link). I needed to replace the rusted & leaking. Fuel Lines Replacement Porsche 944.
From www.deancent.com
How to Build and Install Fuel Lines on a Porsche 944 Turbo Deancent Fuel Lines Replacement Porsche 944 Fuel leaks are no laughing matter! there is an excellent article about replacing the fuel lines for a porsche 928 (link). The existing fuel lines in the porsche 944 turbo were old,. find replacement fuel lines for your porsche 944t or 944 model with stainless steel braided lines, compression fittings and. I needed to replace the rusted &. Fuel Lines Replacement Porsche 944.
From wiringlibmessier.z21.web.core.windows.net
Porsche 944 Fuel Line Kit Fuel Lines Replacement Porsche 944 Fuel lines can carry fuel from the pump to the injectors and they can age, crack and. how to replace an entire fuel line system front to back. get parts for your 944 here: find replacement fuel lines for your porsche 944t or 944 model with stainless steel braided lines, compression fittings and. The existing fuel lines. Fuel Lines Replacement Porsche 944.
From www.paragon-products.com
Porsche 944 Fuel Line Kit Fuel Lines Replacement Porsche 944 find replacement fuel lines for your porsche 944t or 944 model with stainless steel braided lines, compression fittings and. the video gives you a step by step tutorial how to replace the fuel lines of a. Fuel lines can carry fuel from the pump to the injectors and they can age, crack and. there is an excellent. Fuel Lines Replacement Porsche 944.
From museumhead.com
Other Car Parts PORSCHE 944 fuel tank strap Vehicle Parts & Accessories Fuel Lines Replacement Porsche 944 the video gives you a step by step tutorial how to replace the fuel lines of a. I needed to replace the rusted & leaking fuel lines on my. Fuel lines can carry fuel from the pump to the injectors and they can age, crack and. find replacement fuel lines for your porsche 944t or 944 model with. Fuel Lines Replacement Porsche 944.
From www.pelicanparts.com
Porsche 944 Turbo Fuel Injector Replacement (19861991) Pelican Parts Fuel Lines Replacement Porsche 944 Fuel leaks are no laughing matter! Fuel lines can carry fuel from the pump to the injectors and they can age, crack and. how to replace an entire fuel line system front to back. the video gives you a step by step tutorial how to replace the fuel lines of a. find replacement fuel lines for your. Fuel Lines Replacement Porsche 944.
From www.vwvortex.com
More solutions for the Corrado from Porsche 944 AN Fuel lines VW Fuel Lines Replacement Porsche 944 get parts for your 944 here: there is an excellent article about replacing the fuel lines for a porsche 928 (link). Fuel leaks are no laughing matter! the video gives you a step by step tutorial how to replace the fuel lines of a. The existing fuel lines in the porsche 944 turbo were old,. Fuel lines. Fuel Lines Replacement Porsche 944.
From porsche911owner.blogspot.com
Diary of Porsche 911 Owner Feedback Running a 1998 Porsche 996 Coupe Fuel Lines Replacement Porsche 944 the video gives you a step by step tutorial how to replace the fuel lines of a. get parts for your 944 here: I needed to replace the rusted & leaking fuel lines on my. The existing fuel lines in the porsche 944 turbo were old,. Fuel leaks are no laughing matter! find replacement fuel lines for. Fuel Lines Replacement Porsche 944.
From www.pelicanparts.com
Porsche 944 Turbo Fuel Pressure Dampener Replacement (19861991 Fuel Lines Replacement Porsche 944 the video gives you a step by step tutorial how to replace the fuel lines of a. how to replace an entire fuel line system front to back. Fuel leaks are no laughing matter! The existing fuel lines in the porsche 944 turbo were old,. get parts for your 944 here: I needed to replace the rusted. Fuel Lines Replacement Porsche 944.
From www.youtube.com
How to Rebuild & Replace Fuel Lines in Porsche 944 Turbo Engine Bay Fuel Lines Replacement Porsche 944 the video gives you a step by step tutorial how to replace the fuel lines of a. find replacement fuel lines for your porsche 944t or 944 model with stainless steel braided lines, compression fittings and. Fuel lines can carry fuel from the pump to the injectors and they can age, crack and. get parts for your. Fuel Lines Replacement Porsche 944.