Marine Battery Isolator Switch Wiring Diagram . When installing a battery isolator the alternator positive is connected directly to the battery isolator. No other positive wires are connected to the alternator positive post. The 2 battery switch wiring diagram will vary depending on the specific switch model, but generally follows a similar logic to the perko. The following basic wiring diagrams show how batteries, battery switches, and automatic charging relays are wired together from a. This video will show you how to properly wire a perko battery switch with battery one, battery. Ensure proper power distribution and protection for your dual battery setup. Learn how to wire a perko battery switch for different engine and battery configurations. The wiring diagram for a marine dual battery isolator can be quite complex, but understanding it is essential for a safe and effective electrical system on your boat. This guide covers the basics of boat battery wiring, including a boat battery switch wiring diagram and dual battery wiring diagram. Using a boat battery wiring schematic can. See diagrams for single engine, single battery, two. Learn how to correctly wire a dual battery isolator switch with this helpful wiring diagram.
from enginediagrammart.z21.web.core.windows.net
Learn how to correctly wire a dual battery isolator switch with this helpful wiring diagram. The 2 battery switch wiring diagram will vary depending on the specific switch model, but generally follows a similar logic to the perko. Ensure proper power distribution and protection for your dual battery setup. This guide covers the basics of boat battery wiring, including a boat battery switch wiring diagram and dual battery wiring diagram. This video will show you how to properly wire a perko battery switch with battery one, battery. Learn how to wire a perko battery switch for different engine and battery configurations. See diagrams for single engine, single battery, two. Using a boat battery wiring schematic can. When installing a battery isolator the alternator positive is connected directly to the battery isolator. No other positive wires are connected to the alternator positive post.
Marine Battery Isolator Switch Wiring Diagram
Marine Battery Isolator Switch Wiring Diagram Learn how to correctly wire a dual battery isolator switch with this helpful wiring diagram. See diagrams for single engine, single battery, two. This video will show you how to properly wire a perko battery switch with battery one, battery. Ensure proper power distribution and protection for your dual battery setup. No other positive wires are connected to the alternator positive post. The wiring diagram for a marine dual battery isolator can be quite complex, but understanding it is essential for a safe and effective electrical system on your boat. The 2 battery switch wiring diagram will vary depending on the specific switch model, but generally follows a similar logic to the perko. Using a boat battery wiring schematic can. The following basic wiring diagrams show how batteries, battery switches, and automatic charging relays are wired together from a. When installing a battery isolator the alternator positive is connected directly to the battery isolator. Learn how to wire a perko battery switch for different engine and battery configurations. Learn how to correctly wire a dual battery isolator switch with this helpful wiring diagram. This guide covers the basics of boat battery wiring, including a boat battery switch wiring diagram and dual battery wiring diagram.
From schematicdiagram20.blogspot.com
Marine Battery Isolator Switch Wiring Rv Battery Isolator Wiring Marine Battery Isolator Switch Wiring Diagram No other positive wires are connected to the alternator positive post. When installing a battery isolator the alternator positive is connected directly to the battery isolator. This video will show you how to properly wire a perko battery switch with battery one, battery. The wiring diagram for a marine dual battery isolator can be quite complex, but understanding it is. Marine Battery Isolator Switch Wiring Diagram.
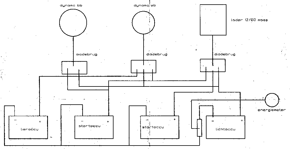
From 159.223.119.28
[DIAGRAM] 12v Battery Isolator Switch Wiring Diagram FULL Version HD Marine Battery Isolator Switch Wiring Diagram Learn how to wire a perko battery switch for different engine and battery configurations. Learn how to correctly wire a dual battery isolator switch with this helpful wiring diagram. When installing a battery isolator the alternator positive is connected directly to the battery isolator. This video will show you how to properly wire a perko battery switch with battery one,. Marine Battery Isolator Switch Wiring Diagram.
From enginediagrammart.z21.web.core.windows.net
Marine Battery Isolator Switch Wiring Diagram Marine Battery Isolator Switch Wiring Diagram See diagrams for single engine, single battery, two. The following basic wiring diagrams show how batteries, battery switches, and automatic charging relays are wired together from a. Learn how to correctly wire a dual battery isolator switch with this helpful wiring diagram. This video will show you how to properly wire a perko battery switch with battery one, battery. Using. Marine Battery Isolator Switch Wiring Diagram.
From circuitaspergiusyj.z4.web.core.windows.net
Marine Battery System Wiring Diagram Marine Battery Isolator Switch Wiring Diagram This guide covers the basics of boat battery wiring, including a boat battery switch wiring diagram and dual battery wiring diagram. The following basic wiring diagrams show how batteries, battery switches, and automatic charging relays are wired together from a. Using a boat battery wiring schematic can. When installing a battery isolator the alternator positive is connected directly to the. Marine Battery Isolator Switch Wiring Diagram.
From www.pinterest.ca
Sure Power Battery isolator Wiring Diagram Best Blue Sea Ml Acr Boat Marine Battery Isolator Switch Wiring Diagram The 2 battery switch wiring diagram will vary depending on the specific switch model, but generally follows a similar logic to the perko. This guide covers the basics of boat battery wiring, including a boat battery switch wiring diagram and dual battery wiring diagram. Using a boat battery wiring schematic can. This video will show you how to properly wire. Marine Battery Isolator Switch Wiring Diagram.
From annawiringdiagram.com
Dual Battery Isolator Wiring Diagram Wiring Diagram Marine Battery Isolator Switch Wiring Diagram Using a boat battery wiring schematic can. No other positive wires are connected to the alternator positive post. Learn how to correctly wire a dual battery isolator switch with this helpful wiring diagram. The following basic wiring diagrams show how batteries, battery switches, and automatic charging relays are wired together from a. The 2 battery switch wiring diagram will vary. Marine Battery Isolator Switch Wiring Diagram.
From circuitstylesbys.z19.web.core.windows.net
How To Wire A Battery Isolator In A Boat Marine Battery Isolator Switch Wiring Diagram This video will show you how to properly wire a perko battery switch with battery one, battery. Using a boat battery wiring schematic can. Learn how to correctly wire a dual battery isolator switch with this helpful wiring diagram. Learn how to wire a perko battery switch for different engine and battery configurations. The following basic wiring diagrams show how. Marine Battery Isolator Switch Wiring Diagram.
From wiringdiagram.2bitboer.com
Marine Battery Isolator Switch Wiring Diagram Wiring Diagram Marine Battery Isolator Switch Wiring Diagram Ensure proper power distribution and protection for your dual battery setup. No other positive wires are connected to the alternator positive post. The following basic wiring diagrams show how batteries, battery switches, and automatic charging relays are wired together from a. The wiring diagram for a marine dual battery isolator can be quite complex, but understanding it is essential for. Marine Battery Isolator Switch Wiring Diagram.
From enhandmade.blogspot.com
Boat Battery Wiring Diagram Enhandmade Marine Battery Isolator Switch Wiring Diagram No other positive wires are connected to the alternator positive post. See diagrams for single engine, single battery, two. This video will show you how to properly wire a perko battery switch with battery one, battery. Ensure proper power distribution and protection for your dual battery setup. The following basic wiring diagrams show how batteries, battery switches, and automatic charging. Marine Battery Isolator Switch Wiring Diagram.
From wiringdiagram.2bitboer.com
Marine Battery Isolator Switch Wiring Diagram Wiring Diagram Marine Battery Isolator Switch Wiring Diagram The wiring diagram for a marine dual battery isolator can be quite complex, but understanding it is essential for a safe and effective electrical system on your boat. Learn how to wire a perko battery switch for different engine and battery configurations. When installing a battery isolator the alternator positive is connected directly to the battery isolator. See diagrams for. Marine Battery Isolator Switch Wiring Diagram.
From circuitdatablockboard.z21.web.core.windows.net
How To Wire Battery Isolator Marine Battery Isolator Switch Wiring Diagram Using a boat battery wiring schematic can. When installing a battery isolator the alternator positive is connected directly to the battery isolator. Ensure proper power distribution and protection for your dual battery setup. Learn how to wire a perko battery switch for different engine and battery configurations. The following basic wiring diagrams show how batteries, battery switches, and automatic charging. Marine Battery Isolator Switch Wiring Diagram.
From circuitlibdunghill.z21.web.core.windows.net
12v Battery Isolator Switch Wiring Diagram Marine Battery Isolator Switch Wiring Diagram The wiring diagram for a marine dual battery isolator can be quite complex, but understanding it is essential for a safe and effective electrical system on your boat. This video will show you how to properly wire a perko battery switch with battery one, battery. Using a boat battery wiring schematic can. The following basic wiring diagrams show how batteries,. Marine Battery Isolator Switch Wiring Diagram.
From wiringdiagram.2bitboer.com
Marine Battery Isolator Switch Wiring Diagram Wiring Diagram Marine Battery Isolator Switch Wiring Diagram This video will show you how to properly wire a perko battery switch with battery one, battery. Ensure proper power distribution and protection for your dual battery setup. The following basic wiring diagrams show how batteries, battery switches, and automatic charging relays are wired together from a. Learn how to wire a perko battery switch for different engine and battery. Marine Battery Isolator Switch Wiring Diagram.
From enginelibstaurolite.z21.web.core.windows.net
Marine Battery Switch Wiring Diagram Marine Battery Isolator Switch Wiring Diagram No other positive wires are connected to the alternator positive post. This video will show you how to properly wire a perko battery switch with battery one, battery. When installing a battery isolator the alternator positive is connected directly to the battery isolator. This guide covers the basics of boat battery wiring, including a boat battery switch wiring diagram and. Marine Battery Isolator Switch Wiring Diagram.
From wiringdiagram.2bitboer.com
Marine Battery Isolator Switch Wiring Diagram Wiring Diagram Marine Battery Isolator Switch Wiring Diagram Ensure proper power distribution and protection for your dual battery setup. The following basic wiring diagrams show how batteries, battery switches, and automatic charging relays are wired together from a. Learn how to correctly wire a dual battery isolator switch with this helpful wiring diagram. This video will show you how to properly wire a perko battery switch with battery. Marine Battery Isolator Switch Wiring Diagram.
From banshee-wiring-diagram.blogspot.com
Marine Battery Isolator Switch Wiring Battery Isolators e Marine Marine Battery Isolator Switch Wiring Diagram Ensure proper power distribution and protection for your dual battery setup. When installing a battery isolator the alternator positive is connected directly to the battery isolator. See diagrams for single engine, single battery, two. The wiring diagram for a marine dual battery isolator can be quite complex, but understanding it is essential for a safe and effective electrical system on. Marine Battery Isolator Switch Wiring Diagram.
From thingsqas.weebly.com
Marine battery isolator switch wiring thingsQas Marine Battery Isolator Switch Wiring Diagram The following basic wiring diagrams show how batteries, battery switches, and automatic charging relays are wired together from a. No other positive wires are connected to the alternator positive post. This guide covers the basics of boat battery wiring, including a boat battery switch wiring diagram and dual battery wiring diagram. Learn how to correctly wire a dual battery isolator. Marine Battery Isolator Switch Wiring Diagram.
From www.got2bwireless.com
Marine Dual Battery Isolator Wiring Diagram For Your Needs Marine Battery Isolator Switch Wiring Diagram Learn how to wire a perko battery switch for different engine and battery configurations. Ensure proper power distribution and protection for your dual battery setup. See diagrams for single engine, single battery, two. No other positive wires are connected to the alternator positive post. Using a boat battery wiring schematic can. When installing a battery isolator the alternator positive is. Marine Battery Isolator Switch Wiring Diagram.
From 2020cadillac.com
Ship Shape Ii Boat Battery Switch Isolators Integrators Systems Marine Battery Isolator Switch Wiring Diagram Learn how to correctly wire a dual battery isolator switch with this helpful wiring diagram. This guide covers the basics of boat battery wiring, including a boat battery switch wiring diagram and dual battery wiring diagram. This video will show you how to properly wire a perko battery switch with battery one, battery. Using a boat battery wiring schematic can.. Marine Battery Isolator Switch Wiring Diagram.
From circuitlibrarywaals.z21.web.core.windows.net
Battery Isolator Wiring Marine Marine Battery Isolator Switch Wiring Diagram No other positive wires are connected to the alternator positive post. The following basic wiring diagrams show how batteries, battery switches, and automatic charging relays are wired together from a. When installing a battery isolator the alternator positive is connected directly to the battery isolator. The wiring diagram for a marine dual battery isolator can be quite complex, but understanding. Marine Battery Isolator Switch Wiring Diagram.
From kesilbase.weebly.com
Marine dual engine battery isolator relay wiring kesilbase Marine Battery Isolator Switch Wiring Diagram Learn how to correctly wire a dual battery isolator switch with this helpful wiring diagram. When installing a battery isolator the alternator positive is connected directly to the battery isolator. No other positive wires are connected to the alternator positive post. Learn how to wire a perko battery switch for different engine and battery configurations. This video will show you. Marine Battery Isolator Switch Wiring Diagram.
From wiringdiagram.2bitboer.com
Marine Battery Isolator Switch Wiring Diagram Wiring Diagram Marine Battery Isolator Switch Wiring Diagram This video will show you how to properly wire a perko battery switch with battery one, battery. Ensure proper power distribution and protection for your dual battery setup. See diagrams for single engine, single battery, two. This guide covers the basics of boat battery wiring, including a boat battery switch wiring diagram and dual battery wiring diagram. The 2 battery. Marine Battery Isolator Switch Wiring Diagram.
From cjruthan1ey.blogspot.com
Marine Battery Selector Switch Wiring Diagram Electrical Schematic Marine Battery Isolator Switch Wiring Diagram Learn how to wire a perko battery switch for different engine and battery configurations. Ensure proper power distribution and protection for your dual battery setup. The wiring diagram for a marine dual battery isolator can be quite complex, but understanding it is essential for a safe and effective electrical system on your boat. This guide covers the basics of boat. Marine Battery Isolator Switch Wiring Diagram.
From schematicwiringwarren.z19.web.core.windows.net
Marine Dual Battery Switch Wiring Diagram Marine Battery Isolator Switch Wiring Diagram The wiring diagram for a marine dual battery isolator can be quite complex, but understanding it is essential for a safe and effective electrical system on your boat. When installing a battery isolator the alternator positive is connected directly to the battery isolator. This video will show you how to properly wire a perko battery switch with battery one, battery.. Marine Battery Isolator Switch Wiring Diagram.
From mungfali.com
Marine Battery Isolator Wiring Diagram Marine Battery Isolator Switch Wiring Diagram The wiring diagram for a marine dual battery isolator can be quite complex, but understanding it is essential for a safe and effective electrical system on your boat. See diagrams for single engine, single battery, two. The following basic wiring diagrams show how batteries, battery switches, and automatic charging relays are wired together from a. The 2 battery switch wiring. Marine Battery Isolator Switch Wiring Diagram.
From www.got2bwireless.com
Bep Marine Dual Battery Switch Wiring Diagram Database Marine Battery Isolator Switch Wiring Diagram No other positive wires are connected to the alternator positive post. This guide covers the basics of boat battery wiring, including a boat battery switch wiring diagram and dual battery wiring diagram. The following basic wiring diagrams show how batteries, battery switches, and automatic charging relays are wired together from a. Using a boat battery wiring schematic can. This video. Marine Battery Isolator Switch Wiring Diagram.
From guidemanualimposthume.z21.web.core.windows.net
How To Wire A Battery Isolator Diagram Marine Battery Isolator Switch Wiring Diagram No other positive wires are connected to the alternator positive post. Ensure proper power distribution and protection for your dual battery setup. Learn how to correctly wire a dual battery isolator switch with this helpful wiring diagram. The following basic wiring diagrams show how batteries, battery switches, and automatic charging relays are wired together from a. The 2 battery switch. Marine Battery Isolator Switch Wiring Diagram.
From wiringdiagram.2bitboer.com
Marine Battery Isolator Switch Wiring Diagram Wiring Diagram Marine Battery Isolator Switch Wiring Diagram Using a boat battery wiring schematic can. See diagrams for single engine, single battery, two. Learn how to correctly wire a dual battery isolator switch with this helpful wiring diagram. When installing a battery isolator the alternator positive is connected directly to the battery isolator. No other positive wires are connected to the alternator positive post. The 2 battery switch. Marine Battery Isolator Switch Wiring Diagram.
From annawiringdiagram.com
Rv Battery Isolator Wiring Diagram Wiring Diagram Marine Battery Isolator Switch Wiring Diagram See diagrams for single engine, single battery, two. The 2 battery switch wiring diagram will vary depending on the specific switch model, but generally follows a similar logic to the perko. The wiring diagram for a marine dual battery isolator can be quite complex, but understanding it is essential for a safe and effective electrical system on your boat. No. Marine Battery Isolator Switch Wiring Diagram.
From wiringall.com
Bep Marine Battery Switch Wiring Diagram Marine Battery Isolator Switch Wiring Diagram When installing a battery isolator the alternator positive is connected directly to the battery isolator. Learn how to correctly wire a dual battery isolator switch with this helpful wiring diagram. Ensure proper power distribution and protection for your dual battery setup. The 2 battery switch wiring diagram will vary depending on the specific switch model, but generally follows a similar. Marine Battery Isolator Switch Wiring Diagram.
From www.got2bwireless.com
Marine Battery Isolator Switch Wiring Diagram For Your Needs Marine Battery Isolator Switch Wiring Diagram This guide covers the basics of boat battery wiring, including a boat battery switch wiring diagram and dual battery wiring diagram. See diagrams for single engine, single battery, two. The wiring diagram for a marine dual battery isolator can be quite complex, but understanding it is essential for a safe and effective electrical system on your boat. When installing a. Marine Battery Isolator Switch Wiring Diagram.
From enginelibmongolians.z21.web.core.windows.net
Boat Dual Battery Isolator Wiring Diagram Marine Battery Isolator Switch Wiring Diagram The wiring diagram for a marine dual battery isolator can be quite complex, but understanding it is essential for a safe and effective electrical system on your boat. The 2 battery switch wiring diagram will vary depending on the specific switch model, but generally follows a similar logic to the perko. Learn how to wire a perko battery switch for. Marine Battery Isolator Switch Wiring Diagram.
From wiringdiagram.2bitboer.com
Marine Battery Isolator Switch Wiring Diagram Wiring Diagram Marine Battery Isolator Switch Wiring Diagram Using a boat battery wiring schematic can. See diagrams for single engine, single battery, two. The 2 battery switch wiring diagram will vary depending on the specific switch model, but generally follows a similar logic to the perko. Learn how to wire a perko battery switch for different engine and battery configurations. No other positive wires are connected to the. Marine Battery Isolator Switch Wiring Diagram.
From www.wiringdigital.com
Boat Battery Selector Switch Wiring Diagram Wiring Digital and Schematic Marine Battery Isolator Switch Wiring Diagram Learn how to wire a perko battery switch for different engine and battery configurations. This guide covers the basics of boat battery wiring, including a boat battery switch wiring diagram and dual battery wiring diagram. Ensure proper power distribution and protection for your dual battery setup. The wiring diagram for a marine dual battery isolator can be quite complex, but. Marine Battery Isolator Switch Wiring Diagram.
From wireenginedeadenings.z21.web.core.windows.net
Wiring A Marine Battery Switch Marine Battery Isolator Switch Wiring Diagram The 2 battery switch wiring diagram will vary depending on the specific switch model, but generally follows a similar logic to the perko. The wiring diagram for a marine dual battery isolator can be quite complex, but understanding it is essential for a safe and effective electrical system on your boat. The following basic wiring diagrams show how batteries, battery. Marine Battery Isolator Switch Wiring Diagram.