Pressure Switch Wu7207 . Installation & user's instructions | brand: It is recommended that a surge damper, is fitted in conjunction. The pressure switch detects the opening or closing of any tap in the system and switches the pump on or off accordingly. Convenient way to install a pressure on a demand system in caravan or motorhome. The whale inline pressure switch switches the pump on or off by detecting the change in pressure in the water system. It is the ideal water pressure switch specifically designed for your. It is suitable for use with 12v. Whale inline water pressure switch wu7207 is ideal for simple fresh water pressure systems on boats, caravans and motorhomes. 5 this manual is also suitable for:.
from www.lincolnshiremarine.com
Whale inline water pressure switch wu7207 is ideal for simple fresh water pressure systems on boats, caravans and motorhomes. It is the ideal water pressure switch specifically designed for your. The whale inline pressure switch switches the pump on or off by detecting the change in pressure in the water system. 5 this manual is also suitable for:. It is suitable for use with 12v. Convenient way to install a pressure on a demand system in caravan or motorhome. The pressure switch detects the opening or closing of any tap in the system and switches the pump on or off accordingly. It is recommended that a surge damper, is fitted in conjunction. Installation & user's instructions | brand:
Whale Caravan Motorhome Campervan Grooved Inline Water Pressure Switch
Pressure Switch Wu7207 Installation & user's instructions | brand: It is suitable for use with 12v. The whale inline pressure switch switches the pump on or off by detecting the change in pressure in the water system. Installation & user's instructions | brand: It is recommended that a surge damper, is fitted in conjunction. Whale inline water pressure switch wu7207 is ideal for simple fresh water pressure systems on boats, caravans and motorhomes. 5 this manual is also suitable for:. It is the ideal water pressure switch specifically designed for your. The pressure switch detects the opening or closing of any tap in the system and switches the pump on or off accordingly. Convenient way to install a pressure on a demand system in caravan or motorhome.
From www.grasshopperleisure.co.uk
Whale WU7207 Inline Pressure Switch Leisure Pressure Switch Wu7207 It is suitable for use with 12v. Convenient way to install a pressure on a demand system in caravan or motorhome. It is recommended that a surge damper, is fitted in conjunction. Whale inline water pressure switch wu7207 is ideal for simple fresh water pressure systems on boats, caravans and motorhomes. It is the ideal water pressure switch specifically designed. Pressure Switch Wu7207.
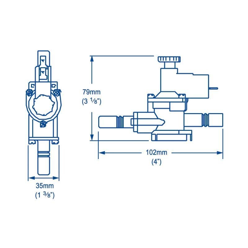
From www.lincolnshiremarine.com
Whale Caravan Motorhome Campervan Grooved Inline Water Pressure Switch Pressure Switch Wu7207 Convenient way to install a pressure on a demand system in caravan or motorhome. It is suitable for use with 12v. 5 this manual is also suitable for:. The whale inline pressure switch switches the pump on or off by detecting the change in pressure in the water system. It is recommended that a surge damper, is fitted in conjunction.. Pressure Switch Wu7207.
From sfmcaravans.co.uk
Whale Pressure Switch WU7207 SFM Caravans Pressure Switch Wu7207 Whale inline water pressure switch wu7207 is ideal for simple fresh water pressure systems on boats, caravans and motorhomes. The whale inline pressure switch switches the pump on or off by detecting the change in pressure in the water system. The pressure switch detects the opening or closing of any tap in the system and switches the pump on or. Pressure Switch Wu7207.
From www.caravanrvcamping.com.au
WHALE PRESSURE SWITCH PS7207 Buy Now Caravan RV Camping Pressure Switch Wu7207 Whale inline water pressure switch wu7207 is ideal for simple fresh water pressure systems on boats, caravans and motorhomes. The pressure switch detects the opening or closing of any tap in the system and switches the pump on or off accordingly. Convenient way to install a pressure on a demand system in caravan or motorhome. It is suitable for use. Pressure Switch Wu7207.
From www.aandlleisure.co.uk
WHALE Grooved Inline Water Pressure Switch 12mm Caravan Motorhome Boat Pressure Switch Wu7207 It is recommended that a surge damper, is fitted in conjunction. It is the ideal water pressure switch specifically designed for your. Installation & user's instructions | brand: The pressure switch detects the opening or closing of any tap in the system and switches the pump on or off accordingly. Convenient way to install a pressure on a demand system. Pressure Switch Wu7207.
From www.ebay.co.uk
WHALE Grooved Inline Water Pressure Switch 12mm Caravan Motorhome Boat Pressure Switch Wu7207 It is recommended that a surge damper, is fitted in conjunction. It is the ideal water pressure switch specifically designed for your. Whale inline water pressure switch wu7207 is ideal for simple fresh water pressure systems on boats, caravans and motorhomes. 5 this manual is also suitable for:. The whale inline pressure switch switches the pump on or off by. Pressure Switch Wu7207.
From www.ebay.co.uk
Whale Grooved Pressure Switch for 12V Pump Water System Caravan Pressure Switch Wu7207 5 this manual is also suitable for:. It is recommended that a surge damper, is fitted in conjunction. Convenient way to install a pressure on a demand system in caravan or motorhome. The pressure switch detects the opening or closing of any tap in the system and switches the pump on or off accordingly. Installation & user's instructions | brand:. Pressure Switch Wu7207.
From www.caravantalk.co.uk
Fitting Water Pressure Switch Water & Water Systems Caravan Talk Pressure Switch Wu7207 5 this manual is also suitable for:. It is the ideal water pressure switch specifically designed for your. Installation & user's instructions | brand: Convenient way to install a pressure on a demand system in caravan or motorhome. It is recommended that a surge damper, is fitted in conjunction. The pressure switch detects the opening or closing of any tap. Pressure Switch Wu7207.
From www.ebay.co.uk
WHALE Grooved Pressure Switch WU7207 Caravan / Motorhome 76647872706 Pressure Switch Wu7207 It is the ideal water pressure switch specifically designed for your. Whale inline water pressure switch wu7207 is ideal for simple fresh water pressure systems on boats, caravans and motorhomes. Installation & user's instructions | brand: The pressure switch detects the opening or closing of any tap in the system and switches the pump on or off accordingly. It is. Pressure Switch Wu7207.
From www.covercarrystore.co.uk
Whale Inline Pressure Switch CoverCarryStore Pressure Switch Wu7207 Installation & user's instructions | brand: It is recommended that a surge damper, is fitted in conjunction. The pressure switch detects the opening or closing of any tap in the system and switches the pump on or off accordingly. Whale inline water pressure switch wu7207 is ideal for simple fresh water pressure systems on boats, caravans and motorhomes. Convenient way. Pressure Switch Wu7207.
From www.sheridanmarine.com
Whale Inline Pressure Switch Sheridan Marine Pressure Switch Wu7207 The pressure switch detects the opening or closing of any tap in the system and switches the pump on or off accordingly. Installation & user's instructions | brand: It is suitable for use with 12v. Convenient way to install a pressure on a demand system in caravan or motorhome. Whale inline water pressure switch wu7207 is ideal for simple fresh. Pressure Switch Wu7207.
From www.aandlleisure.co.uk
WHALE Grooved Inline Water Pressure Switch 12mm Caravan Motorhome Boat Pressure Switch Wu7207 The pressure switch detects the opening or closing of any tap in the system and switches the pump on or off accordingly. Convenient way to install a pressure on a demand system in caravan or motorhome. It is suitable for use with 12v. Installation & user's instructions | brand: The whale inline pressure switch switches the pump on or off. Pressure Switch Wu7207.
From www.caravantalk.co.uk
Help Needed with Connecting Pressure Switch WU7207 to Bailey Pageant Pressure Switch Wu7207 It is suitable for use with 12v. The pressure switch detects the opening or closing of any tap in the system and switches the pump on or off accordingly. Convenient way to install a pressure on a demand system in caravan or motorhome. It is the ideal water pressure switch specifically designed for your. The whale inline pressure switch switches. Pressure Switch Wu7207.
From hvacseer.com
How To Adjust The Pressure Switch On A Well Pump [Step By Step Guide Pressure Switch Wu7207 It is the ideal water pressure switch specifically designed for your. It is recommended that a surge damper, is fitted in conjunction. Convenient way to install a pressure on a demand system in caravan or motorhome. It is suitable for use with 12v. The whale inline pressure switch switches the pump on or off by detecting the change in pressure. Pressure Switch Wu7207.
From www.caravantalk.co.uk
Fitting Water Pressure Switch Water & Water Systems Caravan Talk Pressure Switch Wu7207 The whale inline pressure switch switches the pump on or off by detecting the change in pressure in the water system. It is recommended that a surge damper, is fitted in conjunction. 5 this manual is also suitable for:. Whale inline water pressure switch wu7207 is ideal for simple fresh water pressure systems on boats, caravans and motorhomes. It is. Pressure Switch Wu7207.
From www.ebay.de
WHALE Inline Water Pressure Switch 12mm Caravan Motorhome Boat WU7207 Pressure Switch Wu7207 Convenient way to install a pressure on a demand system in caravan or motorhome. The whale inline pressure switch switches the pump on or off by detecting the change in pressure in the water system. The pressure switch detects the opening or closing of any tap in the system and switches the pump on or off accordingly. It is suitable. Pressure Switch Wu7207.
From www.ebay.co.uk
WHALE grooved inline water pressure switch motorhome caravan boat Pressure Switch Wu7207 It is the ideal water pressure switch specifically designed for your. The whale inline pressure switch switches the pump on or off by detecting the change in pressure in the water system. Whale inline water pressure switch wu7207 is ideal for simple fresh water pressure systems on boats, caravans and motorhomes. It is suitable for use with 12v. It is. Pressure Switch Wu7207.
From www.justboating.com.au
Switch Pressure Mk2 Wu7207 (133471) In Stock at Pressure Switch Wu7207 It is recommended that a surge damper, is fitted in conjunction. The pressure switch detects the opening or closing of any tap in the system and switches the pump on or off accordingly. Convenient way to install a pressure on a demand system in caravan or motorhome. Installation & user's instructions | brand: It is the ideal water pressure switch. Pressure Switch Wu7207.
From www.tcschandlery.co.uk
Whale WU7207 Inline Pressure Switch TCS Chandlery Pressure Switch Wu7207 The whale inline pressure switch switches the pump on or off by detecting the change in pressure in the water system. 5 this manual is also suitable for:. It is suitable for use with 12v. Installation & user's instructions | brand: The pressure switch detects the opening or closing of any tap in the system and switches the pump on. Pressure Switch Wu7207.
From www.ebay.co.uk
Whale Grooved Pressure Switch for 12V Pump Water System Caravan Pressure Switch Wu7207 It is recommended that a surge damper, is fitted in conjunction. Whale inline water pressure switch wu7207 is ideal for simple fresh water pressure systems on boats, caravans and motorhomes. 5 this manual is also suitable for:. It is suitable for use with 12v. The whale inline pressure switch switches the pump on or off by detecting the change in. Pressure Switch Wu7207.
From wiringdatabaseinfo.blogspot.com
Water Pump Pressure Switch Wiring Diagram Wiring Site Resource Pressure Switch Wu7207 The whale inline pressure switch switches the pump on or off by detecting the change in pressure in the water system. Installation & user's instructions | brand: The pressure switch detects the opening or closing of any tap in the system and switches the pump on or off accordingly. Whale inline water pressure switch wu7207 is ideal for simple fresh. Pressure Switch Wu7207.
From www.swordcrowncaravans.com
Whale Inline Pressure Switch Service Kit Mk2 AK7209 for WU7207 Pressure Switch Wu7207 It is the ideal water pressure switch specifically designed for your. It is recommended that a surge damper, is fitted in conjunction. Installation & user's instructions | brand: 5 this manual is also suitable for:. It is suitable for use with 12v. The whale inline pressure switch switches the pump on or off by detecting the change in pressure in. Pressure Switch Wu7207.
From www.caravantalk.co.uk
Help Needed with Connecting Pressure Switch WU7207 to Bailey Pageant Pressure Switch Wu7207 Installation & user's instructions | brand: It is recommended that a surge damper, is fitted in conjunction. It is suitable for use with 12v. It is the ideal water pressure switch specifically designed for your. The whale inline pressure switch switches the pump on or off by detecting the change in pressure in the water system. Convenient way to install. Pressure Switch Wu7207.
From www.ebay.co.uk
WHALE Grooved Inline Water Pressure Switch 12mm Caravan Motorhome Boat Pressure Switch Wu7207 It is the ideal water pressure switch specifically designed for your. The pressure switch detects the opening or closing of any tap in the system and switches the pump on or off accordingly. Convenient way to install a pressure on a demand system in caravan or motorhome. The whale inline pressure switch switches the pump on or off by detecting. Pressure Switch Wu7207.
From www.lazada.co.th
อะไหล่ Inntech สวิตช์แรงดัน Pressure Switch เพรสเชอร์สวิตช์ปั้มน้ำ Pressure Switch Wu7207 Installation & user's instructions | brand: It is suitable for use with 12v. It is recommended that a surge damper, is fitted in conjunction. Convenient way to install a pressure on a demand system in caravan or motorhome. The whale inline pressure switch switches the pump on or off by detecting the change in pressure in the water system. The. Pressure Switch Wu7207.
From www.thatleisureshop.com
Whale Pressure Switch WU7207 That Leisure Shop Pressure Switch Wu7207 Installation & user's instructions | brand: 5 this manual is also suitable for:. The pressure switch detects the opening or closing of any tap in the system and switches the pump on or off accordingly. It is suitable for use with 12v. Convenient way to install a pressure on a demand system in caravan or motorhome. It is recommended that. Pressure Switch Wu7207.
From www.lincolnshiremarine.com
Whale Caravan Motorhome Campervan Grooved Inline Water Pressure Switch Pressure Switch Wu7207 Convenient way to install a pressure on a demand system in caravan or motorhome. It is suitable for use with 12v. The pressure switch detects the opening or closing of any tap in the system and switches the pump on or off accordingly. 5 this manual is also suitable for:. Whale inline water pressure switch wu7207 is ideal for simple. Pressure Switch Wu7207.
From ottermobilecaravanservices.co.uk
Whale In Line Water Pump Pressure Switch WU7207 Otter Mobile Pressure Switch Wu7207 It is the ideal water pressure switch specifically designed for your. Installation & user's instructions | brand: The pressure switch detects the opening or closing of any tap in the system and switches the pump on or off accordingly. The whale inline pressure switch switches the pump on or off by detecting the change in pressure in the water system.. Pressure Switch Wu7207.
From sfmcaravans.co.uk
Whale Pressure Switch WU7207 SFM Caravans Pressure Switch Wu7207 It is recommended that a surge damper, is fitted in conjunction. The whale inline pressure switch switches the pump on or off by detecting the change in pressure in the water system. It is the ideal water pressure switch specifically designed for your. 5 this manual is also suitable for:. The pressure switch detects the opening or closing of any. Pressure Switch Wu7207.
From www.jacksonsleisure.com
Whale Grooved Pressure Switch Pressure Switch Wu7207 The whale inline pressure switch switches the pump on or off by detecting the change in pressure in the water system. Convenient way to install a pressure on a demand system in caravan or motorhome. It is the ideal water pressure switch specifically designed for your. Whale inline water pressure switch wu7207 is ideal for simple fresh water pressure systems. Pressure Switch Wu7207.
From www.aandlleisure.co.uk
WHALE Grooved Inline Water Pressure Switch 12mm Caravan Motorhome Boat Pressure Switch Wu7207 The pressure switch detects the opening or closing of any tap in the system and switches the pump on or off accordingly. Whale inline water pressure switch wu7207 is ideal for simple fresh water pressure systems on boats, caravans and motorhomes. 5 this manual is also suitable for:. It is suitable for use with 12v. Convenient way to install a. Pressure Switch Wu7207.
From www.marine-deals.com.au
Whale WU7207 Inline Pressure Switch Valves & Fittings Plumbing Pressure Switch Wu7207 It is the ideal water pressure switch specifically designed for your. The pressure switch detects the opening or closing of any tap in the system and switches the pump on or off accordingly. Convenient way to install a pressure on a demand system in caravan or motorhome. Whale inline water pressure switch wu7207 is ideal for simple fresh water pressure. Pressure Switch Wu7207.
From www.jasicamp.nl
Whale drukschakelaar wit Pressure Switch WU7207 Pressure Switch Wu7207 Convenient way to install a pressure on a demand system in caravan or motorhome. 5 this manual is also suitable for:. It is the ideal water pressure switch specifically designed for your. Whale inline water pressure switch wu7207 is ideal for simple fresh water pressure systems on boats, caravans and motorhomes. It is recommended that a surge damper, is fitted. Pressure Switch Wu7207.
From www.marine-deals.co.nz
Whale WU7207 Inline Pressure Switch Valves & Fittings Plumbing Pressure Switch Wu7207 It is suitable for use with 12v. The whale inline pressure switch switches the pump on or off by detecting the change in pressure in the water system. Convenient way to install a pressure on a demand system in caravan or motorhome. Installation & user's instructions | brand: The pressure switch detects the opening or closing of any tap in. Pressure Switch Wu7207.
From www.raecaravanparts.co.uk
Whale Grooved Inline Pressure Switch WU7207 — Rae Caravan Parts Pressure Switch Wu7207 It is recommended that a surge damper, is fitted in conjunction. Installation & user's instructions | brand: 5 this manual is also suitable for:. The whale inline pressure switch switches the pump on or off by detecting the change in pressure in the water system. It is suitable for use with 12v. The pressure switch detects the opening or closing. Pressure Switch Wu7207.