Transistor Amplifier Reason . A transistor can increase the strength of a weak signal and hence it can be used as an amplifier in a. The dc bias voltage applied to the emitter base junction, makes it remain in forward biased condition. Common emitter amplifier with electret microphone. Designing a transistor amplifier is not that difficult. The transistor raises the strength of a weak signal and hence acts an amplifier. The transistor amplifier circuit is shown in the figure below. There are just some assumptions that you’ll need and some data about the. The transistor as an amplifier means that a transistor can amplify the current or voltage of a signal. The transistor, as we have seen in the previous. A transistor acts as an amplifier by raising the strength of a weak signal. Amplifying current implies that the. An ideal amplifier has infinite input impedance (r in = ∞), zero output impedance (r out = 0) and infinite gain (a vo = ∞) and infinite bandwidth if desired.
from www.myelectrical2015.com
An ideal amplifier has infinite input impedance (r in = ∞), zero output impedance (r out = 0) and infinite gain (a vo = ∞) and infinite bandwidth if desired. The transistor as an amplifier means that a transistor can amplify the current or voltage of a signal. A transistor acts as an amplifier by raising the strength of a weak signal. The transistor raises the strength of a weak signal and hence acts an amplifier. Designing a transistor amplifier is not that difficult. Common emitter amplifier with electret microphone. The dc bias voltage applied to the emitter base junction, makes it remain in forward biased condition. There are just some assumptions that you’ll need and some data about the. A transistor can increase the strength of a weak signal and hence it can be used as an amplifier in a. The transistor amplifier circuit is shown in the figure below.
Electrical Revolution Common Emitter Transistor Amplifier
Transistor Amplifier Reason The transistor amplifier circuit is shown in the figure below. Common emitter amplifier with electret microphone. The transistor raises the strength of a weak signal and hence acts an amplifier. An ideal amplifier has infinite input impedance (r in = ∞), zero output impedance (r out = 0) and infinite gain (a vo = ∞) and infinite bandwidth if desired. A transistor can increase the strength of a weak signal and hence it can be used as an amplifier in a. A transistor acts as an amplifier by raising the strength of a weak signal. The transistor, as we have seen in the previous. Amplifying current implies that the. The transistor amplifier circuit is shown in the figure below. The dc bias voltage applied to the emitter base junction, makes it remain in forward biased condition. There are just some assumptions that you’ll need and some data about the. The transistor as an amplifier means that a transistor can amplify the current or voltage of a signal. Designing a transistor amplifier is not that difficult.
From www.wiringcore.com
Simple Transistor Amplifier Circuit Explained Pdf » Wiring Core Transistor Amplifier Reason Common emitter amplifier with electret microphone. A transistor can increase the strength of a weak signal and hence it can be used as an amplifier in a. Designing a transistor amplifier is not that difficult. An ideal amplifier has infinite input impedance (r in = ∞), zero output impedance (r out = 0) and infinite gain (a vo = ∞). Transistor Amplifier Reason.
From www.youtube.com
HOW TO MAKE AMPLIFIER USING A TRANSISTORAMPLIFIER USING C 828 Transistor Amplifier Reason An ideal amplifier has infinite input impedance (r in = ∞), zero output impedance (r out = 0) and infinite gain (a vo = ∞) and infinite bandwidth if desired. The transistor, as we have seen in the previous. The transistor as an amplifier means that a transistor can amplify the current or voltage of a signal. Amplifying current implies. Transistor Amplifier Reason.
From z21.uitgeverijdeduivelsberg.nl
Transistor Amplifiers Wiring Diagram Transistor Amplifier Reason The transistor, as we have seen in the previous. An ideal amplifier has infinite input impedance (r in = ∞), zero output impedance (r out = 0) and infinite gain (a vo = ∞) and infinite bandwidth if desired. A transistor acts as an amplifier by raising the strength of a weak signal. Common emitter amplifier with electret microphone. The. Transistor Amplifier Reason.
From www.doubtnut.com
[Tamil] Describe the function of a transistor as an amplifier with the Transistor Amplifier Reason Designing a transistor amplifier is not that difficult. Amplifying current implies that the. The transistor amplifier circuit is shown in the figure below. A transistor acts as an amplifier by raising the strength of a weak signal. The transistor raises the strength of a weak signal and hence acts an amplifier. There are just some assumptions that you’ll need and. Transistor Amplifier Reason.
From www.instructables.com
13002 Double Transistor Amplifier 9 Steps Instructables Transistor Amplifier Reason The transistor, as we have seen in the previous. The transistor raises the strength of a weak signal and hence acts an amplifier. Amplifying current implies that the. Designing a transistor amplifier is not that difficult. The transistor as an amplifier means that a transistor can amplify the current or voltage of a signal. A transistor can increase the strength. Transistor Amplifier Reason.
From www.wiringcore.com
Simple Transistor Amplifier Circuit Explained » Wiring Core Transistor Amplifier Reason Designing a transistor amplifier is not that difficult. The transistor as an amplifier means that a transistor can amplify the current or voltage of a signal. There are just some assumptions that you’ll need and some data about the. The transistor, as we have seen in the previous. The transistor raises the strength of a weak signal and hence acts. Transistor Amplifier Reason.
From www.circuits-diy.com
4 Transistor Audio Amplifier Circuit Transistor Amplifier Reason An ideal amplifier has infinite input impedance (r in = ∞), zero output impedance (r out = 0) and infinite gain (a vo = ∞) and infinite bandwidth if desired. A transistor can increase the strength of a weak signal and hence it can be used as an amplifier in a. The transistor, as we have seen in the previous.. Transistor Amplifier Reason.
From www.youtube.com
explain transistor connected as an amplifier in CE/Explain diagram of a Transistor Amplifier Reason A transistor acts as an amplifier by raising the strength of a weak signal. Designing a transistor amplifier is not that difficult. A transistor can increase the strength of a weak signal and hence it can be used as an amplifier in a. The dc bias voltage applied to the emitter base junction, makes it remain in forward biased condition.. Transistor Amplifier Reason.
From www.176iot.com
Single Transistor Amplifier Circuit Diagram IOT Wiring Diagram Transistor Amplifier Reason An ideal amplifier has infinite input impedance (r in = ∞), zero output impedance (r out = 0) and infinite gain (a vo = ∞) and infinite bandwidth if desired. Common emitter amplifier with electret microphone. A transistor acts as an amplifier by raising the strength of a weak signal. A transistor can increase the strength of a weak signal. Transistor Amplifier Reason.
From www.youtube.com
Amplifier transistor overheating problem reason and solutions YouTube Transistor Amplifier Reason A transistor can increase the strength of a weak signal and hence it can be used as an amplifier in a. The transistor amplifier circuit is shown in the figure below. The transistor as an amplifier means that a transistor can amplify the current or voltage of a signal. Amplifying current implies that the. There are just some assumptions that. Transistor Amplifier Reason.
From www.wiringcore.com
Simple Audio Amplifier Circuit Diagram Using Transistor » Wiring Core Transistor Amplifier Reason A transistor acts as an amplifier by raising the strength of a weak signal. Common emitter amplifier with electret microphone. The transistor, as we have seen in the previous. The transistor as an amplifier means that a transistor can amplify the current or voltage of a signal. An ideal amplifier has infinite input impedance (r in = ∞), zero output. Transistor Amplifier Reason.
From www.slideserve.com
PPT Electrical engineering PowerPoint Presentation, free download Transistor Amplifier Reason A transistor acts as an amplifier by raising the strength of a weak signal. Common emitter amplifier with electret microphone. Designing a transistor amplifier is not that difficult. Amplifying current implies that the. The transistor amplifier circuit is shown in the figure below. The transistor raises the strength of a weak signal and hence acts an amplifier. An ideal amplifier. Transistor Amplifier Reason.
From www.circuitdiagram.co
Circuit Diagram Of An Npn Transistor Amplifier Circuit Diagram Transistor Amplifier Reason The transistor amplifier circuit is shown in the figure below. The transistor raises the strength of a weak signal and hence acts an amplifier. There are just some assumptions that you’ll need and some data about the. The transistor, as we have seen in the previous. Common emitter amplifier with electret microphone. A transistor acts as an amplifier by raising. Transistor Amplifier Reason.
From www.circuits-diy.com
12 Watts Transistor Amplifier Circuit Transistor Amplifier Reason Designing a transistor amplifier is not that difficult. A transistor acts as an amplifier by raising the strength of a weak signal. There are just some assumptions that you’ll need and some data about the. The transistor as an amplifier means that a transistor can amplify the current or voltage of a signal. Common emitter amplifier with electret microphone. The. Transistor Amplifier Reason.
From www.176iot.com
Darlington Transistor Amplifier Circuit Diagram IOT Wiring Diagram Transistor Amplifier Reason The transistor, as we have seen in the previous. A transistor can increase the strength of a weak signal and hence it can be used as an amplifier in a. The dc bias voltage applied to the emitter base junction, makes it remain in forward biased condition. A transistor acts as an amplifier by raising the strength of a weak. Transistor Amplifier Reason.
From www.chegg.com
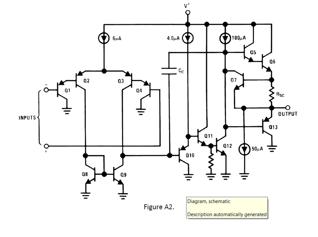
Solved explain the reason for implementing transistor Q7, to Transistor Amplifier Reason A transistor can increase the strength of a weak signal and hence it can be used as an amplifier in a. The transistor, as we have seen in the previous. The transistor as an amplifier means that a transistor can amplify the current or voltage of a signal. There are just some assumptions that you’ll need and some data about. Transistor Amplifier Reason.
From theorycircuit.com
Simple Single Transistor Audio Amplifier Circuit Transistor Amplifier Reason Common emitter amplifier with electret microphone. There are just some assumptions that you’ll need and some data about the. A transistor acts as an amplifier by raising the strength of a weak signal. The transistor, as we have seen in the previous. A transistor can increase the strength of a weak signal and hence it can be used as an. Transistor Amplifier Reason.
From schematiclibthermal77.z21.web.core.windows.net
Simple Amplifier Circuit Using Transistor Transistor Amplifier Reason The dc bias voltage applied to the emitter base junction, makes it remain in forward biased condition. The transistor raises the strength of a weak signal and hence acts an amplifier. There are just some assumptions that you’ll need and some data about the. Designing a transistor amplifier is not that difficult. An ideal amplifier has infinite input impedance (r. Transistor Amplifier Reason.
From www.wiringcore.com
Simple Transistor Amplifier Circuit Explained Pdf » Wiring Core Transistor Amplifier Reason The transistor, as we have seen in the previous. The transistor raises the strength of a weak signal and hence acts an amplifier. Amplifying current implies that the. There are just some assumptions that you’ll need and some data about the. A transistor can increase the strength of a weak signal and hence it can be used as an amplifier. Transistor Amplifier Reason.
From www.circuitstoday.com
Transistor Amplifier Circuit with Diagram for 12 Watts Transistor Amplifier Reason Designing a transistor amplifier is not that difficult. There are just some assumptions that you’ll need and some data about the. The transistor as an amplifier means that a transistor can amplify the current or voltage of a signal. The transistor, as we have seen in the previous. The dc bias voltage applied to the emitter base junction, makes it. Transistor Amplifier Reason.
From www.slideserve.com
PPT Transistor Amplifier Basics PowerPoint Presentation, free Transistor Amplifier Reason Amplifying current implies that the. The transistor raises the strength of a weak signal and hence acts an amplifier. Designing a transistor amplifier is not that difficult. A transistor acts as an amplifier by raising the strength of a weak signal. The dc bias voltage applied to the emitter base junction, makes it remain in forward biased condition. The transistor. Transistor Amplifier Reason.
From www.elprocus.com
Transistor as an Amplifier Common Emitter Amplifier Circuit & Its Working Transistor Amplifier Reason There are just some assumptions that you’ll need and some data about the. A transistor acts as an amplifier by raising the strength of a weak signal. Amplifying current implies that the. A transistor can increase the strength of a weak signal and hence it can be used as an amplifier in a. The transistor as an amplifier means that. Transistor Amplifier Reason.
From techschematic.com
Understanding Transistor Amplifiers A Comprehensive Guide with Circuit Transistor Amplifier Reason The transistor as an amplifier means that a transistor can amplify the current or voltage of a signal. The transistor, as we have seen in the previous. The dc bias voltage applied to the emitter base junction, makes it remain in forward biased condition. An ideal amplifier has infinite input impedance (r in = ∞), zero output impedance (r out. Transistor Amplifier Reason.
From www.circuits-diy.com
Simple Single Transistor Audio Amplifier Circuit Transistor Amplifier Reason There are just some assumptions that you’ll need and some data about the. An ideal amplifier has infinite input impedance (r in = ∞), zero output impedance (r out = 0) and infinite gain (a vo = ∞) and infinite bandwidth if desired. The transistor amplifier circuit is shown in the figure below. The transistor raises the strength of a. Transistor Amplifier Reason.
From www.numerade.com
SOLVED The transistor in the amplifier circuit shown below is biased Transistor Amplifier Reason The dc bias voltage applied to the emitter base junction, makes it remain in forward biased condition. The transistor raises the strength of a weak signal and hence acts an amplifier. There are just some assumptions that you’ll need and some data about the. An ideal amplifier has infinite input impedance (r in = ∞), zero output impedance (r out. Transistor Amplifier Reason.
From www.youtube.com
Signal Stage Transistor Amplifiers YouTube Transistor Amplifier Reason Amplifying current implies that the. A transistor can increase the strength of a weak signal and hence it can be used as an amplifier in a. Common emitter amplifier with electret microphone. The transistor raises the strength of a weak signal and hence acts an amplifier. The transistor amplifier circuit is shown in the figure below. There are just some. Transistor Amplifier Reason.
From www.circuits-diy.com
2N2222 Transistor Amplifier Circuit Transistor Amplifier Reason Designing a transistor amplifier is not that difficult. The transistor, as we have seen in the previous. A transistor can increase the strength of a weak signal and hence it can be used as an amplifier in a. The dc bias voltage applied to the emitter base junction, makes it remain in forward biased condition. An ideal amplifier has infinite. Transistor Amplifier Reason.
From www.slideserve.com
PPT Transistor Amplifier Basics PowerPoint Presentation, free Transistor Amplifier Reason The dc bias voltage applied to the emitter base junction, makes it remain in forward biased condition. The transistor raises the strength of a weak signal and hence acts an amplifier. Common emitter amplifier with electret microphone. Designing a transistor amplifier is not that difficult. The transistor, as we have seen in the previous. Amplifying current implies that the. A. Transistor Amplifier Reason.
From www.wiringwork.com
when pnp transistor is used as an amplifier Wiring Work Transistor Amplifier Reason The transistor raises the strength of a weak signal and hence acts an amplifier. A transistor acts as an amplifier by raising the strength of a weak signal. The dc bias voltage applied to the emitter base junction, makes it remain in forward biased condition. The transistor amplifier circuit is shown in the figure below. Amplifying current implies that the.. Transistor Amplifier Reason.
From www.myelectrical2015.com
Electrical Revolution Common Emitter Transistor Amplifier Transistor Amplifier Reason Common emitter amplifier with electret microphone. A transistor can increase the strength of a weak signal and hence it can be used as an amplifier in a. Designing a transistor amplifier is not that difficult. The transistor raises the strength of a weak signal and hence acts an amplifier. The transistor as an amplifier means that a transistor can amplify. Transistor Amplifier Reason.
From www.eleccircuit.com
40 W transistor audio amplifier circuit with PCB Eleccircuit Transistor Amplifier Reason Common emitter amplifier with electret microphone. A transistor can increase the strength of a weak signal and hence it can be used as an amplifier in a. Amplifying current implies that the. The transistor, as we have seen in the previous. Designing a transistor amplifier is not that difficult. The transistor raises the strength of a weak signal and hence. Transistor Amplifier Reason.
From www.youtube.com
Transistor As An Amplifier YouTube Transistor Amplifier Reason The transistor, as we have seen in the previous. A transistor acts as an amplifier by raising the strength of a weak signal. Amplifying current implies that the. Designing a transistor amplifier is not that difficult. The transistor amplifier circuit is shown in the figure below. The dc bias voltage applied to the emitter base junction, makes it remain in. Transistor Amplifier Reason.
From www.eleccircuit.com
simple audio amplifier circuit diagram using transistor Transistor Amplifier Reason Common emitter amplifier with electret microphone. Amplifying current implies that the. The transistor, as we have seen in the previous. Designing a transistor amplifier is not that difficult. The transistor as an amplifier means that a transistor can amplify the current or voltage of a signal. The dc bias voltage applied to the emitter base junction, makes it remain in. Transistor Amplifier Reason.
From www.eleccircuit.com
Very simple amplifier circuit using transistor 2N3904 Transistor Amplifier Reason Amplifying current implies that the. A transistor can increase the strength of a weak signal and hence it can be used as an amplifier in a. There are just some assumptions that you’ll need and some data about the. The transistor raises the strength of a weak signal and hence acts an amplifier. A transistor acts as an amplifier by. Transistor Amplifier Reason.
From www.circuitdiagram.co
transistor as an amplifier circuit diagram Circuit Diagram Transistor Amplifier Reason The transistor amplifier circuit is shown in the figure below. The dc bias voltage applied to the emitter base junction, makes it remain in forward biased condition. The transistor as an amplifier means that a transistor can amplify the current or voltage of a signal. A transistor can increase the strength of a weak signal and hence it can be. Transistor Amplifier Reason.