Motorcycle Front Fork Diagram . so here’s everything i’ve learned about motorcycle forks, fork oil, and what can go wrong with the front. a motorcycle fork connects a motorcycle's front wheel and axle to its frame, typically via a yoke, also known as a triple clamp,. Understanding today's motorcycle forks and suspension. motorcycle fork technology. These are the cylindrical metal tubes that house the fork's internals. a look at girder forks, their history, and what makes them a unique addition to your custom bike, chopper, or vintage motorcycle look. jeff stone dismantles the front forks of a motorbike and shows us how the. We explain the tech behind forks… how do forks work? Typically located between the front wheel and the frame, the fork consists of several key components: at its core, a motorcycle fork serves as the front suspension system, absorbing shocks and vibrations from the road surface.
from exoelzrka.blob.core.windows.net
a look at girder forks, their history, and what makes them a unique addition to your custom bike, chopper, or vintage motorcycle look. These are the cylindrical metal tubes that house the fork's internals. a motorcycle fork connects a motorcycle's front wheel and axle to its frame, typically via a yoke, also known as a triple clamp,. so here’s everything i’ve learned about motorcycle forks, fork oil, and what can go wrong with the front. at its core, a motorcycle fork serves as the front suspension system, absorbing shocks and vibrations from the road surface. Typically located between the front wheel and the frame, the fork consists of several key components: motorcycle fork technology. We explain the tech behind forks… how do forks work? jeff stone dismantles the front forks of a motorbike and shows us how the. Understanding today's motorcycle forks and suspension.
Motorcycle Fork Crowns at Wendy Baumgartner blog
Motorcycle Front Fork Diagram motorcycle fork technology. jeff stone dismantles the front forks of a motorbike and shows us how the. a look at girder forks, their history, and what makes them a unique addition to your custom bike, chopper, or vintage motorcycle look. Understanding today's motorcycle forks and suspension. motorcycle fork technology. so here’s everything i’ve learned about motorcycle forks, fork oil, and what can go wrong with the front. a motorcycle fork connects a motorcycle's front wheel and axle to its frame, typically via a yoke, also known as a triple clamp,. We explain the tech behind forks… how do forks work? at its core, a motorcycle fork serves as the front suspension system, absorbing shocks and vibrations from the road surface. Typically located between the front wheel and the frame, the fork consists of several key components: These are the cylindrical metal tubes that house the fork's internals.
From california-motorcycles.com
Front suspension how the telescopic fork works California Motorcycles Motorcycle Front Fork Diagram We explain the tech behind forks… how do forks work? Understanding today's motorcycle forks and suspension. These are the cylindrical metal tubes that house the fork's internals. jeff stone dismantles the front forks of a motorbike and shows us how the. Typically located between the front wheel and the frame, the fork consists of several key components: a. Motorcycle Front Fork Diagram.
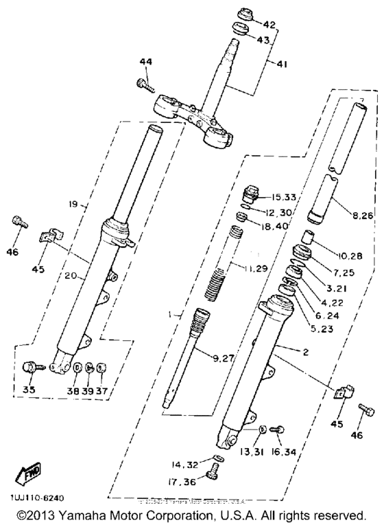
From www.partzilla.com
Suzuki Motorcycle 1990 OEM Parts Diagram for FRONT FORK Motorcycle Front Fork Diagram jeff stone dismantles the front forks of a motorbike and shows us how the. a motorcycle fork connects a motorcycle's front wheel and axle to its frame, typically via a yoke, also known as a triple clamp,. at its core, a motorcycle fork serves as the front suspension system, absorbing shocks and vibrations from the road surface.. Motorcycle Front Fork Diagram.
From www.partzilla.com
Suzuki Motorcycle 1977 OEM Parts Diagram for FRONT FORK Motorcycle Front Fork Diagram a look at girder forks, their history, and what makes them a unique addition to your custom bike, chopper, or vintage motorcycle look. at its core, a motorcycle fork serves as the front suspension system, absorbing shocks and vibrations from the road surface. jeff stone dismantles the front forks of a motorbike and shows us how the.. Motorcycle Front Fork Diagram.
From www.partzilla.com
Yamaha Motorcycle 2016 OEM Parts Diagram for FRONT FORK Motorcycle Front Fork Diagram a motorcycle fork connects a motorcycle's front wheel and axle to its frame, typically via a yoke, also known as a triple clamp,. Understanding today's motorcycle forks and suspension. We explain the tech behind forks… how do forks work? Typically located between the front wheel and the frame, the fork consists of several key components: a look at. Motorcycle Front Fork Diagram.
From www.partzilla.com
Yamaha Motorcycle 1981 OEM Parts Diagram for FRONT FORK Motorcycle Front Fork Diagram Typically located between the front wheel and the frame, the fork consists of several key components: We explain the tech behind forks… how do forks work? a motorcycle fork connects a motorcycle's front wheel and axle to its frame, typically via a yoke, also known as a triple clamp,. motorcycle fork technology. jeff stone dismantles the front. Motorcycle Front Fork Diagram.
From hermit.cc
196870 650/500 Triumph Front Fork Assembly Motorcycle Front Fork Diagram motorcycle fork technology. We explain the tech behind forks… how do forks work? at its core, a motorcycle fork serves as the front suspension system, absorbing shocks and vibrations from the road surface. Understanding today's motorcycle forks and suspension. a motorcycle fork connects a motorcycle's front wheel and axle to its frame, typically via a yoke, also. Motorcycle Front Fork Diagram.
From motorcycle-you.blogspot.com
Motorcycle Front Fork Diagram Motorcycle You Motorcycle Front Fork Diagram a look at girder forks, their history, and what makes them a unique addition to your custom bike, chopper, or vintage motorcycle look. so here’s everything i’ve learned about motorcycle forks, fork oil, and what can go wrong with the front. These are the cylindrical metal tubes that house the fork's internals. We explain the tech behind forks…. Motorcycle Front Fork Diagram.
From www.partzilla.com
Kawasaki Motorcycle 1981 OEM Parts Diagram for FRONT FORK Motorcycle Front Fork Diagram Typically located between the front wheel and the frame, the fork consists of several key components: at its core, a motorcycle fork serves as the front suspension system, absorbing shocks and vibrations from the road surface. We explain the tech behind forks… how do forks work? motorcycle fork technology. These are the cylindrical metal tubes that house the. Motorcycle Front Fork Diagram.
From wirelibcogar.z13.web.core.windows.net
Motorcycle Front Fork Diagram Motorcycle Front Fork Diagram jeff stone dismantles the front forks of a motorbike and shows us how the. a motorcycle fork connects a motorcycle's front wheel and axle to its frame, typically via a yoke, also known as a triple clamp,. a look at girder forks, their history, and what makes them a unique addition to your custom bike, chopper, or. Motorcycle Front Fork Diagram.
From schematicwiringakin.z5.web.core.windows.net
Motorcycle Front Fork Diagram Motorcycle Front Fork Diagram so here’s everything i’ve learned about motorcycle forks, fork oil, and what can go wrong with the front. at its core, a motorcycle fork serves as the front suspension system, absorbing shocks and vibrations from the road surface. These are the cylindrical metal tubes that house the fork's internals. a look at girder forks, their history, and. Motorcycle Front Fork Diagram.
From cybermotorcycle.com
Francis 1958 Forks Diagram Motorcycle Front Fork Diagram These are the cylindrical metal tubes that house the fork's internals. a motorcycle fork connects a motorcycle's front wheel and axle to its frame, typically via a yoke, also known as a triple clamp,. motorcycle fork technology. We explain the tech behind forks… how do forks work? Understanding today's motorcycle forks and suspension. Typically located between the front. Motorcycle Front Fork Diagram.
From www.partzilla.com
Kawasaki Motorcycle 1978 OEM Parts Diagram for FRONT FORK Motorcycle Front Fork Diagram a look at girder forks, their history, and what makes them a unique addition to your custom bike, chopper, or vintage motorcycle look. at its core, a motorcycle fork serves as the front suspension system, absorbing shocks and vibrations from the road surface. motorcycle fork technology. jeff stone dismantles the front forks of a motorbike and. Motorcycle Front Fork Diagram.
From wirelistforthwith.z19.web.core.windows.net
Motorcycle Fork Diagram Motorcycle Front Fork Diagram at its core, a motorcycle fork serves as the front suspension system, absorbing shocks and vibrations from the road surface. We explain the tech behind forks… how do forks work? so here’s everything i’ve learned about motorcycle forks, fork oil, and what can go wrong with the front. a motorcycle fork connects a motorcycle's front wheel and. Motorcycle Front Fork Diagram.
From www.partzilla.com
Yamaha Motorcycle 2002 OEM Parts Diagram for FRONT FORK Motorcycle Front Fork Diagram at its core, a motorcycle fork serves as the front suspension system, absorbing shocks and vibrations from the road surface. so here’s everything i’ve learned about motorcycle forks, fork oil, and what can go wrong with the front. jeff stone dismantles the front forks of a motorbike and shows us how the. Typically located between the front. Motorcycle Front Fork Diagram.
From www.partzilla.com
Yamaha Motorcycle 1984 OEM Parts Diagram for FRONT FORK Motorcycle Front Fork Diagram motorcycle fork technology. jeff stone dismantles the front forks of a motorbike and shows us how the. so here’s everything i’ve learned about motorcycle forks, fork oil, and what can go wrong with the front. Typically located between the front wheel and the frame, the fork consists of several key components: We explain the tech behind forks…. Motorcycle Front Fork Diagram.
From www.partzilla.com
Yamaha Motorcycle 2017 OEM Parts Diagram for Front Fork Motorcycle Front Fork Diagram These are the cylindrical metal tubes that house the fork's internals. a motorcycle fork connects a motorcycle's front wheel and axle to its frame, typically via a yoke, also known as a triple clamp,. jeff stone dismantles the front forks of a motorbike and shows us how the. so here’s everything i’ve learned about motorcycle forks, fork. Motorcycle Front Fork Diagram.
From www.google.tl
Patente US7182357 Fork bottom for motorcycle front suspension Motorcycle Front Fork Diagram so here’s everything i’ve learned about motorcycle forks, fork oil, and what can go wrong with the front. Understanding today's motorcycle forks and suspension. Typically located between the front wheel and the frame, the fork consists of several key components: motorcycle fork technology. a motorcycle fork connects a motorcycle's front wheel and axle to its frame, typically. Motorcycle Front Fork Diagram.
From www.dansmc.com
Dan's Motorcycle "Exploded Front Forks" Motorcycle Front Fork Diagram so here’s everything i’ve learned about motorcycle forks, fork oil, and what can go wrong with the front. jeff stone dismantles the front forks of a motorbike and shows us how the. These are the cylindrical metal tubes that house the fork's internals. at its core, a motorcycle fork serves as the front suspension system, absorbing shocks. Motorcycle Front Fork Diagram.
From www.dansmc.com
Dan's Motorcycle "Exploded Front Forks" Motorcycle Front Fork Diagram jeff stone dismantles the front forks of a motorbike and shows us how the. Understanding today's motorcycle forks and suspension. so here’s everything i’ve learned about motorcycle forks, fork oil, and what can go wrong with the front. at its core, a motorcycle fork serves as the front suspension system, absorbing shocks and vibrations from the road. Motorcycle Front Fork Diagram.
From www.dansmc.com
Dan's Motorcycle "Front Forks" Motorcycle Front Fork Diagram We explain the tech behind forks… how do forks work? Typically located between the front wheel and the frame, the fork consists of several key components: jeff stone dismantles the front forks of a motorbike and shows us how the. Understanding today's motorcycle forks and suspension. at its core, a motorcycle fork serves as the front suspension system,. Motorcycle Front Fork Diagram.
From www.dansmc.com
Dan's Motorcycle "Front Forks" Motorcycle Front Fork Diagram These are the cylindrical metal tubes that house the fork's internals. a motorcycle fork connects a motorcycle's front wheel and axle to its frame, typically via a yoke, also known as a triple clamp,. Understanding today's motorcycle forks and suspension. We explain the tech behind forks… how do forks work? motorcycle fork technology. a look at girder. Motorcycle Front Fork Diagram.
From www.partzilla.com
Honda Motorcycle 2006 OEM Parts Diagram for FRONT FORK Motorcycle Front Fork Diagram so here’s everything i’ve learned about motorcycle forks, fork oil, and what can go wrong with the front. a look at girder forks, their history, and what makes them a unique addition to your custom bike, chopper, or vintage motorcycle look. at its core, a motorcycle fork serves as the front suspension system, absorbing shocks and vibrations. Motorcycle Front Fork Diagram.
From www.partzilla.com
Suzuki Motorcycle 1981 OEM Parts Diagram for FRONT FORK Motorcycle Front Fork Diagram Understanding today's motorcycle forks and suspension. jeff stone dismantles the front forks of a motorbike and shows us how the. so here’s everything i’ve learned about motorcycle forks, fork oil, and what can go wrong with the front. at its core, a motorcycle fork serves as the front suspension system, absorbing shocks and vibrations from the road. Motorcycle Front Fork Diagram.
From www.partzilla.com
Kawasaki Motorcycle 1977 OEM Parts Diagram for FRONT FORK Motorcycle Front Fork Diagram jeff stone dismantles the front forks of a motorbike and shows us how the. at its core, a motorcycle fork serves as the front suspension system, absorbing shocks and vibrations from the road surface. Typically located between the front wheel and the frame, the fork consists of several key components: a motorcycle fork connects a motorcycle's front. Motorcycle Front Fork Diagram.
From vouwmeterd8schematic.z14.web.core.windows.net
Motorcycle Fork Diagram Motorcycle Front Fork Diagram Typically located between the front wheel and the frame, the fork consists of several key components: We explain the tech behind forks… how do forks work? jeff stone dismantles the front forks of a motorbike and shows us how the. so here’s everything i’ve learned about motorcycle forks, fork oil, and what can go wrong with the front.. Motorcycle Front Fork Diagram.
From xplodedviews.com
BMW R71 motorcycle front forks Exploded view Exploded Views Motorcycle Front Fork Diagram a look at girder forks, their history, and what makes them a unique addition to your custom bike, chopper, or vintage motorcycle look. jeff stone dismantles the front forks of a motorbike and shows us how the. These are the cylindrical metal tubes that house the fork's internals. a motorcycle fork connects a motorcycle's front wheel and. Motorcycle Front Fork Diagram.
From www.partzilla.com
Yamaha Motorcycle 1989 OEM Parts Diagram for FRONT FORK Motorcycle Front Fork Diagram motorcycle fork technology. We explain the tech behind forks… how do forks work? a look at girder forks, their history, and what makes them a unique addition to your custom bike, chopper, or vintage motorcycle look. so here’s everything i’ve learned about motorcycle forks, fork oil, and what can go wrong with the front. a motorcycle. Motorcycle Front Fork Diagram.
From www.partzilla.com
Yamaha Motorcycle 1971 OEM Parts Diagram for FRONT FORK Motorcycle Front Fork Diagram a motorcycle fork connects a motorcycle's front wheel and axle to its frame, typically via a yoke, also known as a triple clamp,. a look at girder forks, their history, and what makes them a unique addition to your custom bike, chopper, or vintage motorcycle look. at its core, a motorcycle fork serves as the front suspension. Motorcycle Front Fork Diagram.
From reviewmotors.co
How To Check Motorcycle Front Forks Work Reviewmotors.co Motorcycle Front Fork Diagram We explain the tech behind forks… how do forks work? Understanding today's motorcycle forks and suspension. at its core, a motorcycle fork serves as the front suspension system, absorbing shocks and vibrations from the road surface. a look at girder forks, their history, and what makes them a unique addition to your custom bike, chopper, or vintage motorcycle. Motorcycle Front Fork Diagram.
From www.partzilla.com
Honda Motorcycle 1993 OEM Parts Diagram for FRONT FORK Motorcycle Front Fork Diagram a look at girder forks, their history, and what makes them a unique addition to your custom bike, chopper, or vintage motorcycle look. a motorcycle fork connects a motorcycle's front wheel and axle to its frame, typically via a yoke, also known as a triple clamp,. at its core, a motorcycle fork serves as the front suspension. Motorcycle Front Fork Diagram.
From www.bikesrepublic.com
How do Forks Work? Motorcycle Front Fork Diagram a motorcycle fork connects a motorcycle's front wheel and axle to its frame, typically via a yoke, also known as a triple clamp,. a look at girder forks, their history, and what makes them a unique addition to your custom bike, chopper, or vintage motorcycle look. motorcycle fork technology. Understanding today's motorcycle forks and suspension. jeff. Motorcycle Front Fork Diagram.
From exoelzrka.blob.core.windows.net
Motorcycle Fork Crowns at Wendy Baumgartner blog Motorcycle Front Fork Diagram a look at girder forks, their history, and what makes them a unique addition to your custom bike, chopper, or vintage motorcycle look. at its core, a motorcycle fork serves as the front suspension system, absorbing shocks and vibrations from the road surface. so here’s everything i’ve learned about motorcycle forks, fork oil, and what can go. Motorcycle Front Fork Diagram.
From www.dansmc.com
Dan's Motorcycle "Exploded Front Forks" Motorcycle Front Fork Diagram so here’s everything i’ve learned about motorcycle forks, fork oil, and what can go wrong with the front. at its core, a motorcycle fork serves as the front suspension system, absorbing shocks and vibrations from the road surface. a look at girder forks, their history, and what makes them a unique addition to your custom bike, chopper,. Motorcycle Front Fork Diagram.
From www.megazip.net
Front fork for 1989 Yamaha YX600 RADIAN USA sales region, , 14468600 Motorcycle Front Fork Diagram a motorcycle fork connects a motorcycle's front wheel and axle to its frame, typically via a yoke, also known as a triple clamp,. These are the cylindrical metal tubes that house the fork's internals. so here’s everything i’ve learned about motorcycle forks, fork oil, and what can go wrong with the front. motorcycle fork technology. We explain. Motorcycle Front Fork Diagram.
From www.dansmc.com
Dan's Motorcycle "Exploded Front Forks" Motorcycle Front Fork Diagram jeff stone dismantles the front forks of a motorbike and shows us how the. at its core, a motorcycle fork serves as the front suspension system, absorbing shocks and vibrations from the road surface. motorcycle fork technology. a motorcycle fork connects a motorcycle's front wheel and axle to its frame, typically via a yoke, also known. Motorcycle Front Fork Diagram.