Spring Balance Lift . what is a spring balancer? Due to them having versatile. if the spring balance has zero mass then the net force on it must always be zero (otherwise it would have infinite. the force of a spring is directly proportional to the extension of the spring regardless of what is attached or. This item can play a key part in a small, medium, or large lifting operation. a spring balance is attached to the ceiling of a lift. A man hangs his bag on. the newton spring balance uses a law known as hooke’s law to relate the spring.
from kr.ohaus.com
what is a spring balancer? This item can play a key part in a small, medium, or large lifting operation. if the spring balance has zero mass then the net force on it must always be zero (otherwise it would have infinite. a spring balance is attached to the ceiling of a lift. the force of a spring is directly proportional to the extension of the spring regardless of what is attached or. Due to them having versatile. A man hangs his bag on. the newton spring balance uses a law known as hooke’s law to relate the spring.
Mechanical Scales and Balances OHAUS
Spring Balance Lift A man hangs his bag on. what is a spring balancer? the force of a spring is directly proportional to the extension of the spring regardless of what is attached or. This item can play a key part in a small, medium, or large lifting operation. a spring balance is attached to the ceiling of a lift. if the spring balance has zero mass then the net force on it must always be zero (otherwise it would have infinite. Due to them having versatile. A man hangs his bag on. the newton spring balance uses a law known as hooke’s law to relate the spring.
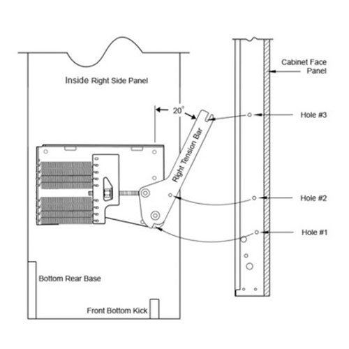
From murphywallbedsystems.com
SBLM Murphy Systems Murphy Systems Spring Balance Lift what is a spring balancer? This item can play a key part in a small, medium, or large lifting operation. A man hangs his bag on. a spring balance is attached to the ceiling of a lift. the force of a spring is directly proportional to the extension of the spring regardless of what is attached or.. Spring Balance Lift.
From www.amazon.in
SPRING BALANCE TUBULAR 500gm/5N (ACRYLIC) Amazon.in Industrial Spring Balance Lift Due to them having versatile. a spring balance is attached to the ceiling of a lift. the force of a spring is directly proportional to the extension of the spring regardless of what is attached or. A man hangs his bag on. This item can play a key part in a small, medium, or large lifting operation. . Spring Balance Lift.
From www.doubtnut.com
A body of mass 5 kg is suspended by a spring balance on an inclined pl Spring Balance Lift Due to them having versatile. if the spring balance has zero mass then the net force on it must always be zero (otherwise it would have infinite. the force of a spring is directly proportional to the extension of the spring regardless of what is attached or. A man hangs his bag on. the newton spring balance. Spring Balance Lift.
From www.eiscolabs.com
Premium Spring Balance, 0250g / 02.5N High Resolution, Dual Transp Spring Balance Lift This item can play a key part in a small, medium, or large lifting operation. what is a spring balancer? the force of a spring is directly proportional to the extension of the spring regardless of what is attached or. if the spring balance has zero mass then the net force on it must always be zero. Spring Balance Lift.
From www.youtube.com
SPRING BALANCE Measuring Weight using Spring Balance YouTube Spring Balance Lift what is a spring balancer? This item can play a key part in a small, medium, or large lifting operation. the newton spring balance uses a law known as hooke’s law to relate the spring. a spring balance is attached to the ceiling of a lift. Due to them having versatile. the force of a spring. Spring Balance Lift.
From www.safetygearstore.co.uk
Yale Spring Balancers 1.0 1.5mtr Lift Only £87.47 excl vat From Spring Balance Lift the force of a spring is directly proportional to the extension of the spring regardless of what is attached or. This item can play a key part in a small, medium, or large lifting operation. if the spring balance has zero mass then the net force on it must always be zero (otherwise it would have infinite. A. Spring Balance Lift.
From www.alibaba.com
Murphy Bed Spring Balance Lift Mechanism And Frame For Murphy Wall Bed Spring Balance Lift Due to them having versatile. A man hangs his bag on. This item can play a key part in a small, medium, or large lifting operation. the force of a spring is directly proportional to the extension of the spring regardless of what is attached or. the newton spring balance uses a law known as hooke’s law to. Spring Balance Lift.
From www.numerade.com
SOLVED Assume 50 kg of mass is placed on the pan of a spring balance Spring Balance Lift a spring balance is attached to the ceiling of a lift. the force of a spring is directly proportional to the extension of the spring regardless of what is attached or. A man hangs his bag on. what is a spring balancer? Due to them having versatile. if the spring balance has zero mass then the. Spring Balance Lift.
From www.alibaba.com
Murphy Bed Spring Balance Lift Mechanism And Frame For Murphy Wall Bed Spring Balance Lift This item can play a key part in a small, medium, or large lifting operation. the force of a spring is directly proportional to the extension of the spring regardless of what is attached or. if the spring balance has zero mass then the net force on it must always be zero (otherwise it would have infinite. . Spring Balance Lift.
From www.indiamart.com
MEDCOUNTY Stainless Steel Spring Balance, Capacity Tons Up To 25 kg at Spring Balance Lift if the spring balance has zero mass then the net force on it must always be zero (otherwise it would have infinite. a spring balance is attached to the ceiling of a lift. This item can play a key part in a small, medium, or large lifting operation. Due to them having versatile. the force of a. Spring Balance Lift.
From physicscalculations.com
How to Use a Spring Balance Spring Balance Lift This item can play a key part in a small, medium, or large lifting operation. the force of a spring is directly proportional to the extension of the spring regardless of what is attached or. if the spring balance has zero mass then the net force on it must always be zero (otherwise it would have infinite. . Spring Balance Lift.
From byjus.com
What is a spring balance Spring Balance Lift Due to them having versatile. if the spring balance has zero mass then the net force on it must always be zero (otherwise it would have infinite. This item can play a key part in a small, medium, or large lifting operation. A man hangs his bag on. the newton spring balance uses a law known as hooke’s. Spring Balance Lift.
From www.wallbedsystems.co.uk
Spring balance lift mechanism Wallbed Systems Ltd Spring Balance Lift This item can play a key part in a small, medium, or large lifting operation. Due to them having versatile. if the spring balance has zero mass then the net force on it must always be zero (otherwise it would have infinite. a spring balance is attached to the ceiling of a lift. the force of a. Spring Balance Lift.
From byjus.com
What is the use of spring balance? Spring Balance Lift if the spring balance has zero mass then the net force on it must always be zero (otherwise it would have infinite. the force of a spring is directly proportional to the extension of the spring regardless of what is attached or. the newton spring balance uses a law known as hooke’s law to relate the spring.. Spring Balance Lift.
From www.rapidonline.com
Rapid Metal Spring Balance 0 to 250 g/2.5 N Rapid Online Spring Balance Lift the newton spring balance uses a law known as hooke’s law to relate the spring. A man hangs his bag on. what is a spring balancer? if the spring balance has zero mass then the net force on it must always be zero (otherwise it would have infinite. This item can play a key part in a. Spring Balance Lift.
From www.scorpiotechnology.com.au
Newton's Spring Balance 50N, 5000g — Scorpio Technology Spring Balance Lift Due to them having versatile. This item can play a key part in a small, medium, or large lifting operation. a spring balance is attached to the ceiling of a lift. A man hangs his bag on. the force of a spring is directly proportional to the extension of the spring regardless of what is attached or. . Spring Balance Lift.
From www.youtube.com
Spring balance working principle YouTube Spring Balance Lift the newton spring balance uses a law known as hooke’s law to relate the spring. what is a spring balancer? This item can play a key part in a small, medium, or large lifting operation. A man hangs his bag on. if the spring balance has zero mass then the net force on it must always be. Spring Balance Lift.
From www.shivsons.com
Spring Balance Scientific Lab Equipment Manufacturer and Supplier Spring Balance Lift Due to them having versatile. the force of a spring is directly proportional to the extension of the spring regardless of what is attached or. the newton spring balance uses a law known as hooke’s law to relate the spring. A man hangs his bag on. This item can play a key part in a small, medium, or. Spring Balance Lift.
From www.wiltronics.com.au
The Working Principle of a Spring Balance Wiltronics Spring Balance Lift the force of a spring is directly proportional to the extension of the spring regardless of what is attached or. if the spring balance has zero mass then the net force on it must always be zero (otherwise it would have infinite. a spring balance is attached to the ceiling of a lift. the newton spring. Spring Balance Lift.
From gianthz.en.made-in-china.com
Spring Balancer 522kgs Self Locking Spring Balance Lifting Equipment Spring Balance Lift A man hangs his bag on. Due to them having versatile. a spring balance is attached to the ceiling of a lift. the force of a spring is directly proportional to the extension of the spring regardless of what is attached or. what is a spring balancer? the newton spring balance uses a law known as. Spring Balance Lift.
From www.wallbedsystems.co.uk
Spring balance lift mechanism Wallbed Systems Ltd Spring Balance Lift Due to them having versatile. what is a spring balancer? the newton spring balance uses a law known as hooke’s law to relate the spring. if the spring balance has zero mass then the net force on it must always be zero (otherwise it would have infinite. the force of a spring is directly proportional to. Spring Balance Lift.
From www.wallbeds.co.uk
SBLM (Spring Balanced Lift Mechanism) DIY Wall Bed Kit Spring Balance Lift the newton spring balance uses a law known as hooke’s law to relate the spring. what is a spring balancer? if the spring balance has zero mass then the net force on it must always be zero (otherwise it would have infinite. the force of a spring is directly proportional to the extension of the spring. Spring Balance Lift.
From www.sarthaks.com
For the arrangement shown in the figure, the reading of spring balance Spring Balance Lift a spring balance is attached to the ceiling of a lift. what is a spring balancer? This item can play a key part in a small, medium, or large lifting operation. if the spring balance has zero mass then the net force on it must always be zero (otherwise it would have infinite. the newton spring. Spring Balance Lift.
From www.wallbedsystems.co.uk
Spring balance lift mechanism Wallbed Systems Ltd Spring Balance Lift a spring balance is attached to the ceiling of a lift. the force of a spring is directly proportional to the extension of the spring regardless of what is attached or. Due to them having versatile. This item can play a key part in a small, medium, or large lifting operation. the newton spring balance uses a. Spring Balance Lift.
From www.wallbedsystems.co.uk
Spring balance lift mechanism Wallbed Systems Ltd Spring Balance Lift if the spring balance has zero mass then the net force on it must always be zero (otherwise it would have infinite. a spring balance is attached to the ceiling of a lift. A man hangs his bag on. Due to them having versatile. the newton spring balance uses a law known as hooke’s law to relate. Spring Balance Lift.
From brainly.in
Two spring balances A and B each of mass 1 kg are connected to the Spring Balance Lift the newton spring balance uses a law known as hooke’s law to relate the spring. Due to them having versatile. This item can play a key part in a small, medium, or large lifting operation. a spring balance is attached to the ceiling of a lift. if the spring balance has zero mass then the net force. Spring Balance Lift.
From www.kaiserkraft.co.uk
Rotary lift table, self levelling max. load 2000 kg, rotating platform Spring Balance Lift if the spring balance has zero mass then the net force on it must always be zero (otherwise it would have infinite. This item can play a key part in a small, medium, or large lifting operation. a spring balance is attached to the ceiling of a lift. what is a spring balancer? the newton spring. Spring Balance Lift.
From www.teachoo.com
What is a spring balance? with its Least count Teachoo Spring Balance Lift A man hangs his bag on. a spring balance is attached to the ceiling of a lift. the force of a spring is directly proportional to the extension of the spring regardless of what is attached or. This item can play a key part in a small, medium, or large lifting operation. the newton spring balance uses. Spring Balance Lift.
From www.walmart.com
Premium Spring Balance, 0500g / 05N High Resolution, Dual Spring Balance Lift the force of a spring is directly proportional to the extension of the spring regardless of what is attached or. A man hangs his bag on. if the spring balance has zero mass then the net force on it must always be zero (otherwise it would have infinite. This item can play a key part in a small,. Spring Balance Lift.
From www.wallbedsystems.co.uk
Spring balance lift mechanism Wallbed Systems Ltd Spring Balance Lift This item can play a key part in a small, medium, or large lifting operation. if the spring balance has zero mass then the net force on it must always be zero (otherwise it would have infinite. Due to them having versatile. the force of a spring is directly proportional to the extension of the spring regardless of. Spring Balance Lift.
From www.wallbedsystems.co.uk
Spring balance lift mechanism Wallbed Systems Ltd Spring Balance Lift a spring balance is attached to the ceiling of a lift. the force of a spring is directly proportional to the extension of the spring regardless of what is attached or. if the spring balance has zero mass then the net force on it must always be zero (otherwise it would have infinite. the newton spring. Spring Balance Lift.
From kr.ohaus.com
Mechanical Scales and Balances OHAUS Spring Balance Lift a spring balance is attached to the ceiling of a lift. if the spring balance has zero mass then the net force on it must always be zero (otherwise it would have infinite. A man hangs his bag on. the force of a spring is directly proportional to the extension of the spring regardless of what is. Spring Balance Lift.
From www.youtube.com
HCV Find the reading of the spring balance shown in figure. the Spring Balance Lift the force of a spring is directly proportional to the extension of the spring regardless of what is attached or. This item can play a key part in a small, medium, or large lifting operation. what is a spring balancer? Due to them having versatile. A man hangs his bag on. a spring balance is attached to. Spring Balance Lift.
From www.wallbedsystems.co.uk
Spring balance lift mechanism Wallbed Systems Ltd Spring Balance Lift a spring balance is attached to the ceiling of a lift. A man hangs his bag on. This item can play a key part in a small, medium, or large lifting operation. the newton spring balance uses a law known as hooke’s law to relate the spring. what is a spring balancer? Due to them having versatile.. Spring Balance Lift.
From rayvanbo.en.made-in-china.com
Spring Balancer Ew3591522kg SelfLocking Tower Suspension Tension Spring Balance Lift Due to them having versatile. what is a spring balancer? the newton spring balance uses a law known as hooke’s law to relate the spring. This item can play a key part in a small, medium, or large lifting operation. a spring balance is attached to the ceiling of a lift. the force of a spring. Spring Balance Lift.