Delay Between Flipping Switch And Led Light Turning On . Now, when i flip the switch, the light turns on, but only after a delay. And, by delay, i mean about 9 seconds (i've timed it with a stop watch). Is it a wiring issue? But there's a noticeable pause between flipping the switch and my dimmable led overhead can lights actually turning on. It's less than a second and. When i turn on the light switch, there is a noticable delay (like a full second) before the light comes on. However, one common issue that has baffled many users is a noticeable delay in turning these lights on. If the connections between the lights and switches are dirty or loose, they can affect the flow of. You flick the switch, expecting immediate illumination, but are instead met with a brief. Leds have a characteristic delay when turning them on which may be more than you're used to from a lifetime of incandescent bulbs.
from www.clasf.co.za
However, one common issue that has baffled many users is a noticeable delay in turning these lights on. You flick the switch, expecting immediate illumination, but are instead met with a brief. When i turn on the light switch, there is a noticable delay (like a full second) before the light comes on. Leds have a characteristic delay when turning them on which may be more than you're used to from a lifetime of incandescent bulbs. If the connections between the lights and switches are dirty or loose, they can affect the flow of. It's less than a second and. Is it a wiring issue? But there's a noticeable pause between flipping the switch and my dimmable led overhead can lights actually turning on. Now, when i flip the switch, the light turns on, but only after a delay. And, by delay, i mean about 9 seconds (i've timed it with a stop watch).
12v 22mm 6 pin momentary switch led light metal push button in South
Delay Between Flipping Switch And Led Light Turning On Now, when i flip the switch, the light turns on, but only after a delay. It's less than a second and. You flick the switch, expecting immediate illumination, but are instead met with a brief. When i turn on the light switch, there is a noticable delay (like a full second) before the light comes on. And, by delay, i mean about 9 seconds (i've timed it with a stop watch). Now, when i flip the switch, the light turns on, but only after a delay. Is it a wiring issue? If the connections between the lights and switches are dirty or loose, they can affect the flow of. However, one common issue that has baffled many users is a noticeable delay in turning these lights on. But there's a noticeable pause between flipping the switch and my dimmable led overhead can lights actually turning on. Leds have a characteristic delay when turning them on which may be more than you're used to from a lifetime of incandescent bulbs.
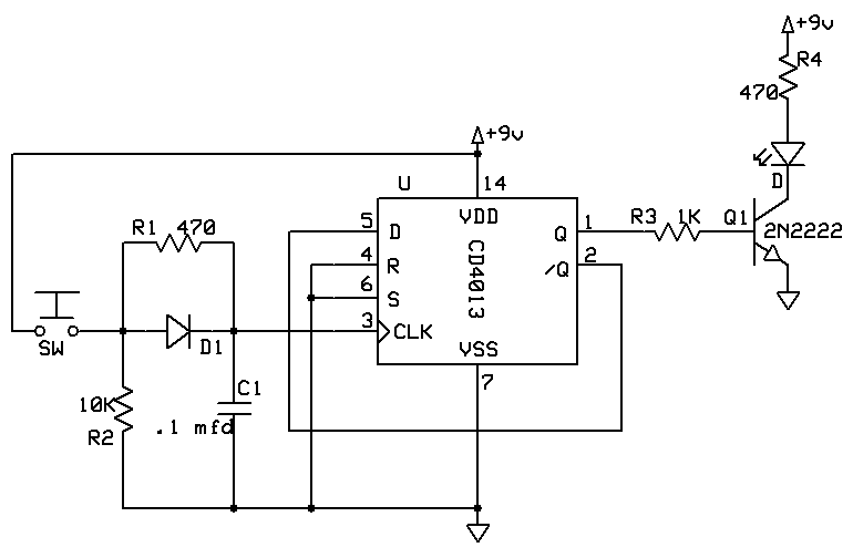
From www.homemade-circuits.com
Alternate Switching Relay Timer Circuit Delay Between Flipping Switch And Led Light Turning On Is it a wiring issue? Now, when i flip the switch, the light turns on, but only after a delay. However, one common issue that has baffled many users is a noticeable delay in turning these lights on. You flick the switch, expecting immediate illumination, but are instead met with a brief. Leds have a characteristic delay when turning them. Delay Between Flipping Switch And Led Light Turning On.
From www.lamps2udirect.com
LED Compatible Time Delay Push Light Switch Delay Between Flipping Switch And Led Light Turning On Now, when i flip the switch, the light turns on, but only after a delay. You flick the switch, expecting immediate illumination, but are instead met with a brief. However, one common issue that has baffled many users is a noticeable delay in turning these lights on. When i turn on the light switch, there is a noticable delay (like. Delay Between Flipping Switch And Led Light Turning On.
From www.broadtradeservice.com
Toggle Switches Single Pole Switch VS. 3Way Switch Delay Between Flipping Switch And Led Light Turning On Now, when i flip the switch, the light turns on, but only after a delay. When i turn on the light switch, there is a noticable delay (like a full second) before the light comes on. And, by delay, i mean about 9 seconds (i've timed it with a stop watch). Is it a wiring issue? However, one common issue. Delay Between Flipping Switch And Led Light Turning On.
From www.electrical4u.net
off delay timer Electrical4u Delay Between Flipping Switch And Led Light Turning On And, by delay, i mean about 9 seconds (i've timed it with a stop watch). You flick the switch, expecting immediate illumination, but are instead met with a brief. Now, when i flip the switch, the light turns on, but only after a delay. When i turn on the light switch, there is a noticable delay (like a full second). Delay Between Flipping Switch And Led Light Turning On.
From www.lazada.com.ph
Round Lit Illuminated Arcade Video Game Push Button Switch LED Light 5V Delay Between Flipping Switch And Led Light Turning On But there's a noticeable pause between flipping the switch and my dimmable led overhead can lights actually turning on. When i turn on the light switch, there is a noticable delay (like a full second) before the light comes on. However, one common issue that has baffled many users is a noticeable delay in turning these lights on. And, by. Delay Between Flipping Switch And Led Light Turning On.
From www.wikihow.com
How to Replace a Light Switch 3 Types of Switches Delay Between Flipping Switch And Led Light Turning On You flick the switch, expecting immediate illumination, but are instead met with a brief. If the connections between the lights and switches are dirty or loose, they can affect the flow of. When i turn on the light switch, there is a noticable delay (like a full second) before the light comes on. However, one common issue that has baffled. Delay Between Flipping Switch And Led Light Turning On.
From userpartpfeffer.z19.web.core.windows.net
Led Light With On Off Switch Delay Between Flipping Switch And Led Light Turning On But there's a noticeable pause between flipping the switch and my dimmable led overhead can lights actually turning on. It's less than a second and. Now, when i flip the switch, the light turns on, but only after a delay. When i turn on the light switch, there is a noticable delay (like a full second) before the light comes. Delay Between Flipping Switch And Led Light Turning On.
From www.youtube.com
Harbor Freight Flip Light Review 200 Lumens YouTube Delay Between Flipping Switch And Led Light Turning On You flick the switch, expecting immediate illumination, but are instead met with a brief. It's less than a second and. Leds have a characteristic delay when turning them on which may be more than you're used to from a lifetime of incandescent bulbs. Is it a wiring issue? When i turn on the light switch, there is a noticable delay. Delay Between Flipping Switch And Led Light Turning On.
From create.arduino.cc
Working with two LEDs and two PUSH BUTTONs Arduino Project Hub Delay Between Flipping Switch And Led Light Turning On If the connections between the lights and switches are dirty or loose, they can affect the flow of. And, by delay, i mean about 9 seconds (i've timed it with a stop watch). However, one common issue that has baffled many users is a noticeable delay in turning these lights on. You flick the switch, expecting immediate illumination, but are. Delay Between Flipping Switch And Led Light Turning On.
From ubicaciondepersonas.cdmx.gob.mx
Light Switch Light ubicaciondepersonas.cdmx.gob.mx Delay Between Flipping Switch And Led Light Turning On When i turn on the light switch, there is a noticable delay (like a full second) before the light comes on. Is it a wiring issue? Now, when i flip the switch, the light turns on, but only after a delay. However, one common issue that has baffled many users is a noticeable delay in turning these lights on. And,. Delay Between Flipping Switch And Led Light Turning On.
From www.instructables.com
Simple Blinking LED Circuit 5 Steps (with Pictures) Instructables Delay Between Flipping Switch And Led Light Turning On Leds have a characteristic delay when turning them on which may be more than you're used to from a lifetime of incandescent bulbs. However, one common issue that has baffled many users is a noticeable delay in turning these lights on. Is it a wiring issue? But there's a noticeable pause between flipping the switch and my dimmable led overhead. Delay Between Flipping Switch And Led Light Turning On.
From www.walmart.com
Lights By Night Wireless LED Light Switch, Battery Operated, 100 Lumens Delay Between Flipping Switch And Led Light Turning On You flick the switch, expecting immediate illumination, but are instead met with a brief. When i turn on the light switch, there is a noticable delay (like a full second) before the light comes on. And, by delay, i mean about 9 seconds (i've timed it with a stop watch). Now, when i flip the switch, the light turns on,. Delay Between Flipping Switch And Led Light Turning On.
From chistotnik.ru
Как подключить реле мастера выключателя Delay Between Flipping Switch And Led Light Turning On It's less than a second and. Is it a wiring issue? When i turn on the light switch, there is a noticable delay (like a full second) before the light comes on. And, by delay, i mean about 9 seconds (i've timed it with a stop watch). But there's a noticeable pause between flipping the switch and my dimmable led. Delay Between Flipping Switch And Led Light Turning On.
From automationgears.com
How to Fix the Delay in LED Lights Turning On? Delay Between Flipping Switch And Led Light Turning On And, by delay, i mean about 9 seconds (i've timed it with a stop watch). Now, when i flip the switch, the light turns on, but only after a delay. Is it a wiring issue? Leds have a characteristic delay when turning them on which may be more than you're used to from a lifetime of incandescent bulbs. If the. Delay Between Flipping Switch And Led Light Turning On.
From itecnotes.com
Electrical How to create a circuit to turn off LED when switch is “ON Delay Between Flipping Switch And Led Light Turning On You flick the switch, expecting immediate illumination, but are instead met with a brief. If the connections between the lights and switches are dirty or loose, they can affect the flow of. However, one common issue that has baffled many users is a noticeable delay in turning these lights on. Is it a wiring issue? And, by delay, i mean. Delay Between Flipping Switch And Led Light Turning On.
From www.mcgillmotorsport.com
12v DC Toggle Flip Switch with inbuilt LED + Red Cover STR Racing Products Delay Between Flipping Switch And Led Light Turning On If the connections between the lights and switches are dirty or loose, they can affect the flow of. Is it a wiring issue? You flick the switch, expecting immediate illumination, but are instead met with a brief. But there's a noticeable pause between flipping the switch and my dimmable led overhead can lights actually turning on. It's less than a. Delay Between Flipping Switch And Led Light Turning On.
From wiringdiagram.2bitboer.com
time off delay wiring diagram Wiring Diagram Delay Between Flipping Switch And Led Light Turning On Now, when i flip the switch, the light turns on, but only after a delay. Is it a wiring issue? However, one common issue that has baffled many users is a noticeable delay in turning these lights on. If the connections between the lights and switches are dirty or loose, they can affect the flow of. It's less than a. Delay Between Flipping Switch And Led Light Turning On.
From www.clasf.co.za
12v 22mm 6 pin momentary switch led light metal push button in South Delay Between Flipping Switch And Led Light Turning On It's less than a second and. If the connections between the lights and switches are dirty or loose, they can affect the flow of. You flick the switch, expecting immediate illumination, but are instead met with a brief. And, by delay, i mean about 9 seconds (i've timed it with a stop watch). Is it a wiring issue? But there's. Delay Between Flipping Switch And Led Light Turning On.
From www.mcgillmotorsport.com
12v DC Toggle Flip Switch with inbuilt LED + Red Cover Delay Between Flipping Switch And Led Light Turning On It's less than a second and. However, one common issue that has baffled many users is a noticeable delay in turning these lights on. When i turn on the light switch, there is a noticable delay (like a full second) before the light comes on. But there's a noticeable pause between flipping the switch and my dimmable led overhead can. Delay Between Flipping Switch And Led Light Turning On.
From www.bhg.com
8 Types of Light Switches and Dimmers (and Which One You Need) Delay Between Flipping Switch And Led Light Turning On If the connections between the lights and switches are dirty or loose, they can affect the flow of. It's less than a second and. Is it a wiring issue? You flick the switch, expecting immediate illumination, but are instead met with a brief. When i turn on the light switch, there is a noticable delay (like a full second) before. Delay Between Flipping Switch And Led Light Turning On.
From roboticsbackend.com
Arduino Turn LED ON and OFF With Button The Robotics BackEnd Delay Between Flipping Switch And Led Light Turning On Now, when i flip the switch, the light turns on, but only after a delay. It's less than a second and. Leds have a characteristic delay when turning them on which may be more than you're used to from a lifetime of incandescent bulbs. However, one common issue that has baffled many users is a noticeable delay in turning these. Delay Between Flipping Switch And Led Light Turning On.
From alexnld.com
12V 5 Pin 16mm LED Light Metal Push Button Momentary Switch Waterproof Delay Between Flipping Switch And Led Light Turning On And, by delay, i mean about 9 seconds (i've timed it with a stop watch). But there's a noticeable pause between flipping the switch and my dimmable led overhead can lights actually turning on. Is it a wiring issue? If the connections between the lights and switches are dirty or loose, they can affect the flow of. Now, when i. Delay Between Flipping Switch And Led Light Turning On.
From www.pinterest.com
200 Lumen LED Super Bright Flip Light Light switch, Harbor freight Delay Between Flipping Switch And Led Light Turning On But there's a noticeable pause between flipping the switch and my dimmable led overhead can lights actually turning on. If the connections between the lights and switches are dirty or loose, they can affect the flow of. Is it a wiring issue? You flick the switch, expecting immediate illumination, but are instead met with a brief. Now, when i flip. Delay Between Flipping Switch And Led Light Turning On.
From ar.inspiredpencil.com
Toggle Switch Delay Between Flipping Switch And Led Light Turning On Now, when i flip the switch, the light turns on, but only after a delay. And, by delay, i mean about 9 seconds (i've timed it with a stop watch). If the connections between the lights and switches are dirty or loose, they can affect the flow of. However, one common issue that has baffled many users is a noticeable. Delay Between Flipping Switch And Led Light Turning On.
From www.trainelectronics.com
LEDs 103 Turning them On and Off Delay Between Flipping Switch And Led Light Turning On It's less than a second and. You flick the switch, expecting immediate illumination, but are instead met with a brief. And, by delay, i mean about 9 seconds (i've timed it with a stop watch). Leds have a characteristic delay when turning them on which may be more than you're used to from a lifetime of incandescent bulbs. But there's. Delay Between Flipping Switch And Led Light Turning On.
From www.alamy.com
Cartoon light switch hires stock photography and images Alamy Delay Between Flipping Switch And Led Light Turning On You flick the switch, expecting immediate illumination, but are instead met with a brief. And, by delay, i mean about 9 seconds (i've timed it with a stop watch). If the connections between the lights and switches are dirty or loose, they can affect the flow of. Now, when i flip the switch, the light turns on, but only after. Delay Between Flipping Switch And Led Light Turning On.
From www.smarts4k.com
Wiring A Light Switch And Outlet On Same Circuit Diagram Search Best Delay Between Flipping Switch And Led Light Turning On Now, when i flip the switch, the light turns on, but only after a delay. It's less than a second and. But there's a noticeable pause between flipping the switch and my dimmable led overhead can lights actually turning on. And, by delay, i mean about 9 seconds (i've timed it with a stop watch). If the connections between the. Delay Between Flipping Switch And Led Light Turning On.
From loenpdgua.blob.core.windows.net
Delay When Turning On Light Switch at Cynthia Boyd blog Delay Between Flipping Switch And Led Light Turning On It's less than a second and. However, one common issue that has baffled many users is a noticeable delay in turning these lights on. You flick the switch, expecting immediate illumination, but are instead met with a brief. Is it a wiring issue? If the connections between the lights and switches are dirty or loose, they can affect the flow. Delay Between Flipping Switch And Led Light Turning On.
From www.youtube.com
How does flipping a switch light up a lightbulb 2 YouTube Delay Between Flipping Switch And Led Light Turning On It's less than a second and. Now, when i flip the switch, the light turns on, but only after a delay. If the connections between the lights and switches are dirty or loose, they can affect the flow of. When i turn on the light switch, there is a noticable delay (like a full second) before the light comes on.. Delay Between Flipping Switch And Led Light Turning On.
From experience.molex.com
Flipping the Switch AN INTRODUCTION TO LED LIGHTING Delay Between Flipping Switch And Led Light Turning On If the connections between the lights and switches are dirty or loose, they can affect the flow of. Is it a wiring issue? When i turn on the light switch, there is a noticable delay (like a full second) before the light comes on. Now, when i flip the switch, the light turns on, but only after a delay. Leds. Delay Between Flipping Switch And Led Light Turning On.
From clearmachinesafety.co.uk
Timer Switches Clear Machine Safety Ltd Delay Between Flipping Switch And Led Light Turning On When i turn on the light switch, there is a noticable delay (like a full second) before the light comes on. Is it a wiring issue? You flick the switch, expecting immediate illumination, but are instead met with a brief. Leds have a characteristic delay when turning them on which may be more than you're used to from a lifetime. Delay Between Flipping Switch And Led Light Turning On.
From www.mcgillmotorsport.com
Ignition Switch Panel with 2x Extra Switch LED Switch Carbon Fibre Style Delay Between Flipping Switch And Led Light Turning On However, one common issue that has baffled many users is a noticeable delay in turning these lights on. When i turn on the light switch, there is a noticable delay (like a full second) before the light comes on. If the connections between the lights and switches are dirty or loose, they can affect the flow of. Now, when i. Delay Between Flipping Switch And Led Light Turning On.
From www.harborfreight.com
200 Lumen LED Super Bright Flip Light Delay Between Flipping Switch And Led Light Turning On But there's a noticeable pause between flipping the switch and my dimmable led overhead can lights actually turning on. Now, when i flip the switch, the light turns on, but only after a delay. When i turn on the light switch, there is a noticable delay (like a full second) before the light comes on. You flick the switch, expecting. Delay Between Flipping Switch And Led Light Turning On.
From thewirenut.com
How Flipping a Switch Can Save You Money WireNut Home Services Delay Between Flipping Switch And Led Light Turning On However, one common issue that has baffled many users is a noticeable delay in turning these lights on. But there's a noticeable pause between flipping the switch and my dimmable led overhead can lights actually turning on. You flick the switch, expecting immediate illumination, but are instead met with a brief. Leds have a characteristic delay when turning them on. Delay Between Flipping Switch And Led Light Turning On.
From www.bunnings.com.au
Lytworx LED Flip Switch Bunnings Australia Delay Between Flipping Switch And Led Light Turning On But there's a noticeable pause between flipping the switch and my dimmable led overhead can lights actually turning on. You flick the switch, expecting immediate illumination, but are instead met with a brief. It's less than a second and. If the connections between the lights and switches are dirty or loose, they can affect the flow of. Now, when i. Delay Between Flipping Switch And Led Light Turning On.