Analog Io Vs Digital Io . Digital i/o is used when you need to detect. analog i/o is used when you need to detect or control an event which involves a range of values. there are two ways to differentiate analog and digital signals: discrete/digital i/o is either on or off (think light switch on or off). By sensor type and by processing method. In this article, we will discuss. common examples of standard analog i/o are 4 to 20 ma for current with voltages ranging from 0 to 120 vac or 0 to 48 vdc. Analog i/o can be on or off or in between (think light switch dimmer). In her forum answer, catherine. analog and digital i/o are very important in our world, and both offer pros and cons in certain areas.
from www.indiamart.com
Analog i/o can be on or off or in between (think light switch dimmer). analog and digital i/o are very important in our world, and both offer pros and cons in certain areas. In her forum answer, catherine. Digital i/o is used when you need to detect. By sensor type and by processing method. discrete/digital i/o is either on or off (think light switch on or off). analog i/o is used when you need to detect or control an event which involves a range of values. In this article, we will discuss. there are two ways to differentiate analog and digital signals: common examples of standard analog i/o are 4 to 20 ma for current with voltages ranging from 0 to 120 vac or 0 to 48 vdc.
Analog And Digital Io Module at best price in Thane by Shriram
Analog Io Vs Digital Io there are two ways to differentiate analog and digital signals: discrete/digital i/o is either on or off (think light switch on or off). Analog i/o can be on or off or in between (think light switch dimmer). there are two ways to differentiate analog and digital signals: In this article, we will discuss. Digital i/o is used when you need to detect. analog i/o is used when you need to detect or control an event which involves a range of values. analog and digital i/o are very important in our world, and both offer pros and cons in certain areas. In her forum answer, catherine. common examples of standard analog i/o are 4 to 20 ma for current with voltages ranging from 0 to 120 vac or 0 to 48 vdc. By sensor type and by processing method.
From www.gear4music.com
Numark Stereo IO Analogue to Digital Audio DJ Interface Nearly New at Analog Io Vs Digital Io Digital i/o is used when you need to detect. analog and digital i/o are very important in our world, and both offer pros and cons in certain areas. In this article, we will discuss. discrete/digital i/o is either on or off (think light switch on or off). By sensor type and by processing method. common examples of. Analog Io Vs Digital Io.
From researchdesignlab.com
Programmable IoT Edge ESP32 Analog IO Module Analog Io Vs Digital Io there are two ways to differentiate analog and digital signals: analog and digital i/o are very important in our world, and both offer pros and cons in certain areas. In this article, we will discuss. discrete/digital i/o is either on or off (think light switch on or off). Digital i/o is used when you need to detect.. Analog Io Vs Digital Io.
From www.impulse-embedded.co.uk
ioLogik 2542 Analog Digital IO Module · Buy online · Impulse Embedded Analog Io Vs Digital Io Digital i/o is used when you need to detect. discrete/digital i/o is either on or off (think light switch on or off). By sensor type and by processing method. In this article, we will discuss. there are two ways to differentiate analog and digital signals: analog and digital i/o are very important in our world, and both. Analog Io Vs Digital Io.
From soniccircus.com
Apogee 2×6 Analog IO + 8×8 Digital Symphony IO Module Sonic Circus Analog Io Vs Digital Io common examples of standard analog i/o are 4 to 20 ma for current with voltages ranging from 0 to 120 vac or 0 to 48 vdc. Analog i/o can be on or off or in between (think light switch dimmer). Digital i/o is used when you need to detect. By sensor type and by processing method. there are. Analog Io Vs Digital Io.
From www.t-uk.co.uk
UNIOD16A3TO16 UNITRONICS EXPANSION MODULE, 16 DIGITAL INPUTS, 3 Analog Io Vs Digital Io Analog i/o can be on or off or in between (think light switch dimmer). In this article, we will discuss. common examples of standard analog i/o are 4 to 20 ma for current with voltages ranging from 0 to 120 vac or 0 to 48 vdc. In her forum answer, catherine. discrete/digital i/o is either on or off. Analog Io Vs Digital Io.
From www.tronisoft.com
RS232 Input Output Module 5V IO Digital Analog IO DACIO 300 Analog Io Vs Digital Io In this article, we will discuss. there are two ways to differentiate analog and digital signals: analog and digital i/o are very important in our world, and both offer pros and cons in certain areas. discrete/digital i/o is either on or off (think light switch on or off). Digital i/o is used when you need to detect.. Analog Io Vs Digital Io.
From exovsdpvh.blob.core.windows.net
Voltage Controlled Switch Ic at Gregory Massey blog Analog Io Vs Digital Io analog and digital i/o are very important in our world, and both offer pros and cons in certain areas. In this article, we will discuss. By sensor type and by processing method. Digital i/o is used when you need to detect. In her forum answer, catherine. discrete/digital i/o is either on or off (think light switch on or. Analog Io Vs Digital Io.
From teautomation.com.au
IO 4.0 Digital 12x In / 12x Out TE Automation Gold Coast Analog Io Vs Digital Io Analog i/o can be on or off or in between (think light switch dimmer). discrete/digital i/o is either on or off (think light switch on or off). analog i/o is used when you need to detect or control an event which involves a range of values. analog and digital i/o are very important in our world, and. Analog Io Vs Digital Io.
From www.adrian-smith31.co.uk
Analog IO board Adrian’s electronics blog Analog Io Vs Digital Io Analog i/o can be on or off or in between (think light switch dimmer). Digital i/o is used when you need to detect. In this article, we will discuss. common examples of standard analog i/o are 4 to 20 ma for current with voltages ranging from 0 to 120 vac or 0 to 48 vdc. discrete/digital i/o is. Analog Io Vs Digital Io.
From seapower.vn
CIO 116, CAN bus IO module 16 digital inputs Analog Io Vs Digital Io analog i/o is used when you need to detect or control an event which involves a range of values. discrete/digital i/o is either on or off (think light switch on or off). common examples of standard analog i/o are 4 to 20 ma for current with voltages ranging from 0 to 120 vac or 0 to 48. Analog Io Vs Digital Io.
From exobydzeh.blob.core.windows.net
What Does An Analogue To Digital Converter Do at Kenya Russell blog Analog Io Vs Digital Io analog i/o is used when you need to detect or control an event which involves a range of values. common examples of standard analog i/o are 4 to 20 ma for current with voltages ranging from 0 to 120 vac or 0 to 48 vdc. there are two ways to differentiate analog and digital signals: In this. Analog Io Vs Digital Io.
From www.tradeindia.com
Analog Digital Io Card at Best Price in Pune Br Instrumentation Analog Io Vs Digital Io Analog i/o can be on or off or in between (think light switch dimmer). common examples of standard analog i/o are 4 to 20 ma for current with voltages ranging from 0 to 120 vac or 0 to 48 vdc. By sensor type and by processing method. analog and digital i/o are very important in our world, and. Analog Io Vs Digital Io.
From www.lucid-control.com
USB and IoT I/O Modules Analog and Digital Data Acquisition and Control Analog Io Vs Digital Io analog i/o is used when you need to detect or control an event which involves a range of values. By sensor type and by processing method. analog and digital i/o are very important in our world, and both offer pros and cons in certain areas. In this article, we will discuss. In her forum answer, catherine. common. Analog Io Vs Digital Io.
From www.tronisoft.com
RS232 Input Output Module 5V IO Digital Analog IO DACIO 300 Analog Io Vs Digital Io common examples of standard analog i/o are 4 to 20 ma for current with voltages ranging from 0 to 120 vac or 0 to 48 vdc. discrete/digital i/o is either on or off (think light switch on or off). In her forum answer, catherine. Analog i/o can be on or off or in between (think light switch dimmer).. Analog Io Vs Digital Io.
From www.myplctraining.com
Discrete Vs. Analog I/O Analog Io Vs Digital Io analog and digital i/o are very important in our world, and both offer pros and cons in certain areas. Analog i/o can be on or off or in between (think light switch dimmer). By sensor type and by processing method. In this article, we will discuss. there are two ways to differentiate analog and digital signals: analog. Analog Io Vs Digital Io.
From www.indiamart.com
Analog And Digital IO Module, 2 at Rs 7500 in Pune ID 23417236288 Analog Io Vs Digital Io discrete/digital i/o is either on or off (think light switch on or off). analog i/o is used when you need to detect or control an event which involves a range of values. In her forum answer, catherine. In this article, we will discuss. By sensor type and by processing method. there are two ways to differentiate analog. Analog Io Vs Digital Io.
From numato.com
Low cost Digital and Analog IO Expander Shield Numato Lab Analog Io Vs Digital Io In this article, we will discuss. analog and digital i/o are very important in our world, and both offer pros and cons in certain areas. By sensor type and by processing method. Analog i/o can be on or off or in between (think light switch dimmer). analog i/o is used when you need to detect or control an. Analog Io Vs Digital Io.
From diagramlibundirtaki8cw.z21.web.core.windows.net
Analog Circuit Design Pdf Analog Io Vs Digital Io Analog i/o can be on or off or in between (think light switch dimmer). discrete/digital i/o is either on or off (think light switch on or off). In her forum answer, catherine. there are two ways to differentiate analog and digital signals: By sensor type and by processing method. analog i/o is used when you need to. Analog Io Vs Digital Io.
From www.victoriana.com
Rache Erdnüsse Anfragen unterschied kabel analog digital Nieder Komplex Analog Io Vs Digital Io Analog i/o can be on or off or in between (think light switch dimmer). analog and digital i/o are very important in our world, and both offer pros and cons in certain areas. Digital i/o is used when you need to detect. common examples of standard analog i/o are 4 to 20 ma for current with voltages ranging. Analog Io Vs Digital Io.
From wiraelectrical.com
Penjelasan Apa Itu Digital I/O dan Analog I/O Wira Electrical Analog Io Vs Digital Io In this article, we will discuss. common examples of standard analog i/o are 4 to 20 ma for current with voltages ranging from 0 to 120 vac or 0 to 48 vdc. Digital i/o is used when you need to detect. discrete/digital i/o is either on or off (think light switch on or off). analog i/o is. Analog Io Vs Digital Io.
From analog.io
analog.io Analog Io Vs Digital Io By sensor type and by processing method. In this article, we will discuss. analog i/o is used when you need to detect or control an event which involves a range of values. analog and digital i/o are very important in our world, and both offer pros and cons in certain areas. there are two ways to differentiate. Analog Io Vs Digital Io.
From comfiletech.com
CPIO22A42 Digital & Analog IO Board Accessory for the ComfilePi Analog Io Vs Digital Io analog i/o is used when you need to detect or control an event which involves a range of values. In this article, we will discuss. discrete/digital i/o is either on or off (think light switch on or off). By sensor type and by processing method. Digital i/o is used when you need to detect. Analog i/o can be. Analog Io Vs Digital Io.
From community.ncd.io
8ch i2c 020v adc pr3337 NodeRed NCD.io Community Analog Io Vs Digital Io analog and digital i/o are very important in our world, and both offer pros and cons in certain areas. there are two ways to differentiate analog and digital signals: analog i/o is used when you need to detect or control an event which involves a range of values. Analog i/o can be on or off or in. Analog Io Vs Digital Io.
From www.scribd.com
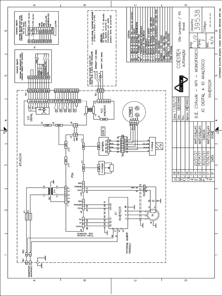
de CSRXXM HPI Monofásico IO Digital + IO Analógico + Inversor Rev Analog Io Vs Digital Io there are two ways to differentiate analog and digital signals: analog i/o is used when you need to detect or control an event which involves a range of values. Digital i/o is used when you need to detect. common examples of standard analog i/o are 4 to 20 ma for current with voltages ranging from 0 to. Analog Io Vs Digital Io.
From www.controleng.com
Control Engineering Analog/digital IO system for industrial applications Analog Io Vs Digital Io In this article, we will discuss. analog and digital i/o are very important in our world, and both offer pros and cons in certain areas. Analog i/o can be on or off or in between (think light switch dimmer). there are two ways to differentiate analog and digital signals: analog i/o is used when you need to. Analog Io Vs Digital Io.
From www.gear4music.com
Numark Stereo IO Analogue to Digital Audio DJ Interface at Gear4music Analog Io Vs Digital Io analog i/o is used when you need to detect or control an event which involves a range of values. common examples of standard analog i/o are 4 to 20 ma for current with voltages ranging from 0 to 120 vac or 0 to 48 vdc. Digital i/o is used when you need to detect. Analog i/o can be. Analog Io Vs Digital Io.
From www.youtube.com
Types of signals used in instrumentation.AI AO DI DOWhat is a DI, DO Analog Io Vs Digital Io there are two ways to differentiate analog and digital signals: In her forum answer, catherine. common examples of standard analog i/o are 4 to 20 ma for current with voltages ranging from 0 to 120 vac or 0 to 48 vdc. In this article, we will discuss. By sensor type and by processing method. discrete/digital i/o is. Analog Io Vs Digital Io.
From www.coretigo.com
Analog to IOLink Converter CoreTigo Analog Io Vs Digital Io Analog i/o can be on or off or in between (think light switch dimmer). By sensor type and by processing method. analog i/o is used when you need to detect or control an event which involves a range of values. In this article, we will discuss. Digital i/o is used when you need to detect. analog and digital. Analog Io Vs Digital Io.
From www.kebamerica.com
Setup Guide G6 IOLink Communication with an ifm IOLink Master KEB Analog Io Vs Digital Io common examples of standard analog i/o are 4 to 20 ma for current with voltages ranging from 0 to 120 vac or 0 to 48 vdc. analog i/o is used when you need to detect or control an event which involves a range of values. By sensor type and by processing method. Digital i/o is used when you. Analog Io Vs Digital Io.
From www.profibus.org.br
IOLink PI Brasil Associação PROFIBUS / / ASi Analog Io Vs Digital Io analog and digital i/o are very important in our world, and both offer pros and cons in certain areas. discrete/digital i/o is either on or off (think light switch on or off). analog i/o is used when you need to detect or control an event which involves a range of values. By sensor type and by processing. Analog Io Vs Digital Io.
From www.impulse-embedded.co.uk
PCIE1756 Isolated Digital IO Card · Buy online · Impulse Embedded Limited Analog Io Vs Digital Io analog and digital i/o are very important in our world, and both offer pros and cons in certain areas. Digital i/o is used when you need to detect. In her forum answer, catherine. analog i/o is used when you need to detect or control an event which involves a range of values. discrete/digital i/o is either on. Analog Io Vs Digital Io.
From researchdesignlab.com
Programmable IoT Edge ESP32 Digital IO Module Analog Io Vs Digital Io In her forum answer, catherine. analog i/o is used when you need to detect or control an event which involves a range of values. By sensor type and by processing method. analog and digital i/o are very important in our world, and both offer pros and cons in certain areas. there are two ways to differentiate analog. Analog Io Vs Digital Io.
From misteraddons.com
MiSTer FPGA Analog and Digital IO Boards MiSTer Addons Analog Io Vs Digital Io By sensor type and by processing method. analog i/o is used when you need to detect or control an event which involves a range of values. common examples of standard analog i/o are 4 to 20 ma for current with voltages ranging from 0 to 120 vac or 0 to 48 vdc. In her forum answer, catherine. . Analog Io Vs Digital Io.
From www.indiamart.com
Analog And Digital Io Module at best price in Thane by Shriram Analog Io Vs Digital Io By sensor type and by processing method. analog i/o is used when you need to detect or control an event which involves a range of values. discrete/digital i/o is either on or off (think light switch on or off). analog and digital i/o are very important in our world, and both offer pros and cons in certain. Analog Io Vs Digital Io.
From www.rockwellautomation.com
Input/Output (I/O) Modules AllenBradley US Analog Io Vs Digital Io discrete/digital i/o is either on or off (think light switch on or off). Analog i/o can be on or off or in between (think light switch dimmer). analog i/o is used when you need to detect or control an event which involves a range of values. Digital i/o is used when you need to detect. By sensor type. Analog Io Vs Digital Io.