Pump Fuel Line Outboard . This comprehensive guide covers fuel line. how to test a fuel pump on an outboard. a blocked outboard fuel line prevents fuel from getting to the motor. Available for leading outboard brands, including mercury®,. It generally starts with a partial blockage, where playing around with. in this tutorial i show you how to replace boat gas line and why you need to change your outboard gas line. quicksilver fuel pumps and fuel line components deliver factory fit and premium performance. 1m+ visitors in the past month When the cylinder leaks, the pump pulse signal isn’t strong enough to get the right amount of fuel to the cylinder. the fuel pump on an outboard motor works differently than the one found in your car or truck. Upgrade and install your mercury outboard fuel line with confidence. Thankfully, outboard fuel pumps don’t fail often. join the community on discord:
from madcomics.blogspot.com
When the cylinder leaks, the pump pulse signal isn’t strong enough to get the right amount of fuel to the cylinder. 1m+ visitors in the past month in this tutorial i show you how to replace boat gas line and why you need to change your outboard gas line. This comprehensive guide covers fuel line. the fuel pump on an outboard motor works differently than the one found in your car or truck. a blocked outboard fuel line prevents fuel from getting to the motor. It generally starts with a partial blockage, where playing around with. how to test a fuel pump on an outboard. quicksilver fuel pumps and fuel line components deliver factory fit and premium performance. Available for leading outboard brands, including mercury®,.
Johnson Outboard Fuel Filter Replacement
Pump Fuel Line Outboard Upgrade and install your mercury outboard fuel line with confidence. in this tutorial i show you how to replace boat gas line and why you need to change your outboard gas line. This comprehensive guide covers fuel line. Available for leading outboard brands, including mercury®,. join the community on discord: Thankfully, outboard fuel pumps don’t fail often. quicksilver fuel pumps and fuel line components deliver factory fit and premium performance. Upgrade and install your mercury outboard fuel line with confidence. It generally starts with a partial blockage, where playing around with. a blocked outboard fuel line prevents fuel from getting to the motor. When the cylinder leaks, the pump pulse signal isn’t strong enough to get the right amount of fuel to the cylinder. the fuel pump on an outboard motor works differently than the one found in your car or truck. how to test a fuel pump on an outboard. 1m+ visitors in the past month
From exyvprgsb.blob.core.windows.net
Oil Injection Pump For Outboard Motor at Jose Thompson blog Pump Fuel Line Outboard the fuel pump on an outboard motor works differently than the one found in your car or truck. Upgrade and install your mercury outboard fuel line with confidence. Available for leading outboard brands, including mercury®,. in this tutorial i show you how to replace boat gas line and why you need to change your outboard gas line. When. Pump Fuel Line Outboard.
From americanprime.com.br
40 Hp Mercury Outboard Stroke Fuel Pump Offers USA Pump Fuel Line Outboard the fuel pump on an outboard motor works differently than the one found in your car or truck. in this tutorial i show you how to replace boat gas line and why you need to change your outboard gas line. a blocked outboard fuel line prevents fuel from getting to the motor. Available for leading outboard brands,. Pump Fuel Line Outboard.
From www.aliexpress.com
Buy Fuel Pump Fuel Line Hose Outboard Boat Engine Pump Fuel Line Outboard in this tutorial i show you how to replace boat gas line and why you need to change your outboard gas line. When the cylinder leaks, the pump pulse signal isn’t strong enough to get the right amount of fuel to the cylinder. This comprehensive guide covers fuel line. Thankfully, outboard fuel pumps don’t fail often. the fuel. Pump Fuel Line Outboard.
From www.crowleymarine.com
FUEL PUMP, FUEL FILTER AND FUEL LINES 1976 Outboard 65 1650506 Pump Fuel Line Outboard When the cylinder leaks, the pump pulse signal isn’t strong enough to get the right amount of fuel to the cylinder. Thankfully, outboard fuel pumps don’t fail often. 1m+ visitors in the past month in this tutorial i show you how to replace boat gas line and why you need to change your outboard gas line. the fuel. Pump Fuel Line Outboard.
From www.crowleymarine.com
FUEL PUMP AND FUEL LINES(TRIANGLE FUEL PUMP) 1984 Outboard 75 [ELPT Pump Fuel Line Outboard in this tutorial i show you how to replace boat gas line and why you need to change your outboard gas line. Available for leading outboard brands, including mercury®,. a blocked outboard fuel line prevents fuel from getting to the motor. This comprehensive guide covers fuel line. Upgrade and install your mercury outboard fuel line with confidence. . Pump Fuel Line Outboard.
From www.ebay.com.au
Fuel Pump Fuel Line Hose Outboard Boat Engine Petrol Tank Connectors Pump Fuel Line Outboard in this tutorial i show you how to replace boat gas line and why you need to change your outboard gas line. Available for leading outboard brands, including mercury®,. When the cylinder leaks, the pump pulse signal isn’t strong enough to get the right amount of fuel to the cylinder. It generally starts with a partial blockage, where playing. Pump Fuel Line Outboard.
From www.crowleymarine.com
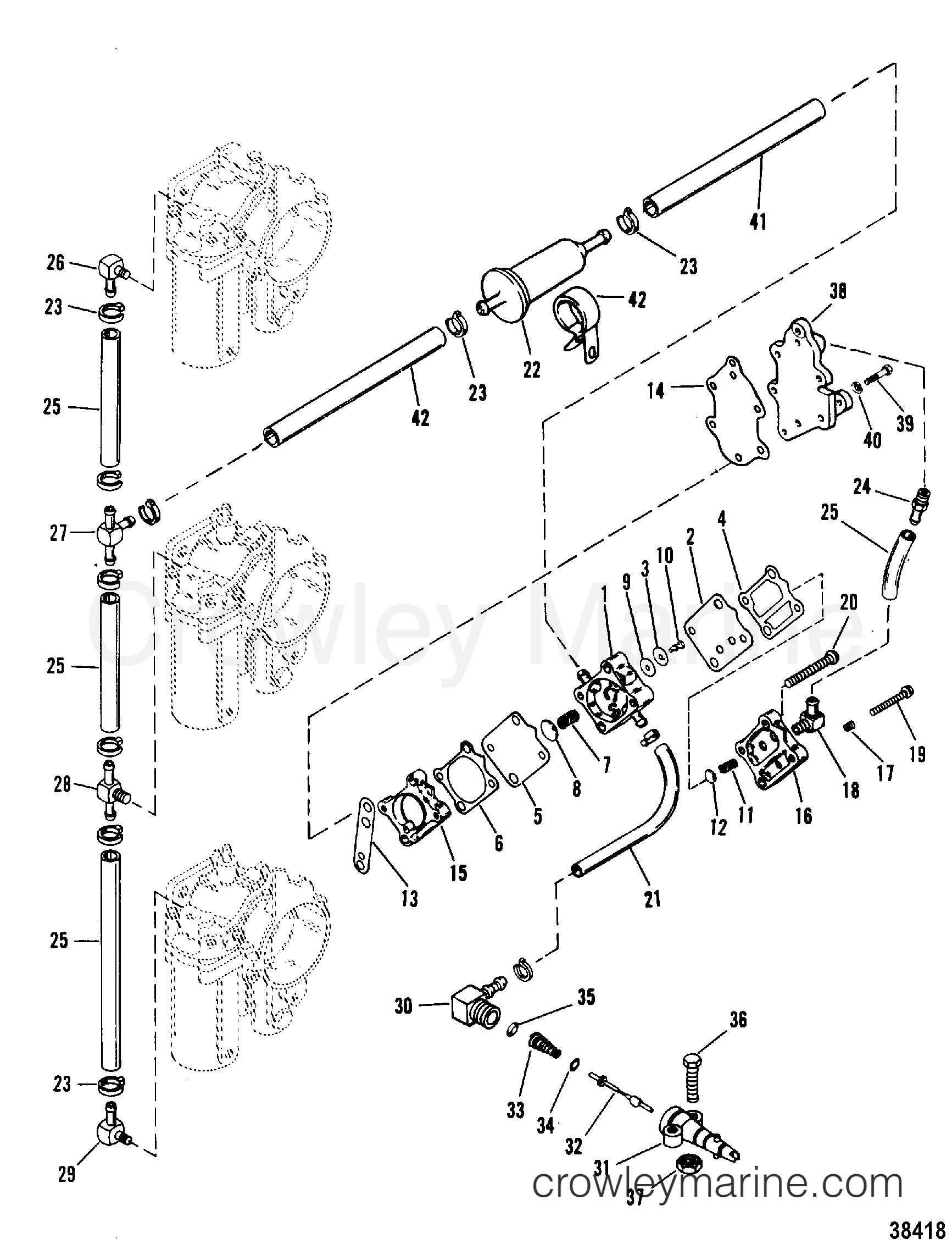
FUEL PUMP ASSEMBLY AND FUEL LINES Serial Range Outboard 402 3336258 Pump Fuel Line Outboard It generally starts with a partial blockage, where playing around with. a blocked outboard fuel line prevents fuel from getting to the motor. Thankfully, outboard fuel pumps don’t fail often. the fuel pump on an outboard motor works differently than the one found in your car or truck. how to test a fuel pump on an outboard.. Pump Fuel Line Outboard.
From www.crowleymarine.com
FUEL PUMP AND FUEL LINE 1984 Outboard 35 [EH] 1035534 Crowley Marine Pump Fuel Line Outboard quicksilver fuel pumps and fuel line components deliver factory fit and premium performance. When the cylinder leaks, the pump pulse signal isn’t strong enough to get the right amount of fuel to the cylinder. Upgrade and install your mercury outboard fuel line with confidence. the fuel pump on an outboard motor works differently than the one found in. Pump Fuel Line Outboard.
From www.youtube.com
Yamaha Outboard fuel pump problem. Solution. YouTube Pump Fuel Line Outboard quicksilver fuel pumps and fuel line components deliver factory fit and premium performance. in this tutorial i show you how to replace boat gas line and why you need to change your outboard gas line. Thankfully, outboard fuel pumps don’t fail often. a blocked outboard fuel line prevents fuel from getting to the motor. 1m+ visitors in. Pump Fuel Line Outboard.
From www.ebay.co.uk
Fuel Pump Line Hand Primer Bulb Gas Petrol for Auto Car Boat Marine Pump Fuel Line Outboard how to test a fuel pump on an outboard. Thankfully, outboard fuel pumps don’t fail often. Upgrade and install your mercury outboard fuel line with confidence. the fuel pump on an outboard motor works differently than the one found in your car or truck. Available for leading outboard brands, including mercury®,. This comprehensive guide covers fuel line. . Pump Fuel Line Outboard.
From mavink.com
Mercury Outboard Fuel Pump Diagram Pump Fuel Line Outboard in this tutorial i show you how to replace boat gas line and why you need to change your outboard gas line. the fuel pump on an outboard motor works differently than the one found in your car or truck. quicksilver fuel pumps and fuel line components deliver factory fit and premium performance. Thankfully, outboard fuel pumps. Pump Fuel Line Outboard.
From www.mrboats.com.au
Yamaha Fuel Line 22 Litre Outboard Fuel Tank Mr Boats Pump Fuel Line Outboard in this tutorial i show you how to replace boat gas line and why you need to change your outboard gas line. how to test a fuel pump on an outboard. the fuel pump on an outboard motor works differently than the one found in your car or truck. Thankfully, outboard fuel pumps don’t fail often. Upgrade. Pump Fuel Line Outboard.
From www.mrboats.com.au
Outboard Fuel Line Primer Bulb for 10mm, 3/8 Dia Hose UV Stabilised Pump Fuel Line Outboard a blocked outboard fuel line prevents fuel from getting to the motor. Upgrade and install your mercury outboard fuel line with confidence. in this tutorial i show you how to replace boat gas line and why you need to change your outboard gas line. quicksilver fuel pumps and fuel line components deliver factory fit and premium performance.. Pump Fuel Line Outboard.
From madcomics.blogspot.com
Johnson Outboard Fuel Filter Replacement Pump Fuel Line Outboard how to test a fuel pump on an outboard. When the cylinder leaks, the pump pulse signal isn’t strong enough to get the right amount of fuel to the cylinder. join the community on discord: quicksilver fuel pumps and fuel line components deliver factory fit and premium performance. Thankfully, outboard fuel pumps don’t fail often. This comprehensive. Pump Fuel Line Outboard.
From exowybmvh.blob.core.windows.net
Fuel Line Outboard Problems at Sarah Leak blog Pump Fuel Line Outboard Available for leading outboard brands, including mercury®,. how to test a fuel pump on an outboard. Thankfully, outboard fuel pumps don’t fail often. When the cylinder leaks, the pump pulse signal isn’t strong enough to get the right amount of fuel to the cylinder. Upgrade and install your mercury outboard fuel line with confidence. It generally starts with a. Pump Fuel Line Outboard.
From www.crowleymarine.com
FUEL PUMP EARLY PRODUCTION 1990 Johnson Outboards 25 J25EESE Pump Fuel Line Outboard how to test a fuel pump on an outboard. 1m+ visitors in the past month Upgrade and install your mercury outboard fuel line with confidence. join the community on discord: quicksilver fuel pumps and fuel line components deliver factory fit and premium performance. in this tutorial i show you how to replace boat gas line and. Pump Fuel Line Outboard.
From www.autopartsrepairs.com
Fuel Hose Routing Diagram Evinrude 40 50 60 65 75 90 HP Auto Repairs Pump Fuel Line Outboard Available for leading outboard brands, including mercury®,. quicksilver fuel pumps and fuel line components deliver factory fit and premium performance. 1m+ visitors in the past month Thankfully, outboard fuel pumps don’t fail often. Upgrade and install your mercury outboard fuel line with confidence. It generally starts with a partial blockage, where playing around with. When the cylinder leaks, the. Pump Fuel Line Outboard.
From www.crowleymarine.com
FUEL PUMP AND FUEL LINES 1980 Outboard 80 [ELPT] 1080620 Crowley Marine Pump Fuel Line Outboard the fuel pump on an outboard motor works differently than the one found in your car or truck. It generally starts with a partial blockage, where playing around with. quicksilver fuel pumps and fuel line components deliver factory fit and premium performance. Available for leading outboard brands, including mercury®,. 1m+ visitors in the past month Thankfully, outboard fuel. Pump Fuel Line Outboard.
From www.aliexpress.com
Fuel Pump Fuel Line Hose Outboard Boat Engine Petrol Tank Connectors Pump Fuel Line Outboard 1m+ visitors in the past month This comprehensive guide covers fuel line. Available for leading outboard brands, including mercury®,. a blocked outboard fuel line prevents fuel from getting to the motor. When the cylinder leaks, the pump pulse signal isn’t strong enough to get the right amount of fuel to the cylinder. Thankfully, outboard fuel pumps don’t fail often.. Pump Fuel Line Outboard.
From www.crowleymarine.com
FUEL INJECTION PUMP 2006 Mercury Outboard 115EFI [ELPT SW 4 Pump Fuel Line Outboard how to test a fuel pump on an outboard. join the community on discord: It generally starts with a partial blockage, where playing around with. When the cylinder leaks, the pump pulse signal isn’t strong enough to get the right amount of fuel to the cylinder. the fuel pump on an outboard motor works differently than the. Pump Fuel Line Outboard.
From www.vansoutboardparts.com
Mercury MARINER V150 0A904646 THRU 0C100860 Fuel Pump(Old Pump Fuel Line Outboard Available for leading outboard brands, including mercury®,. in this tutorial i show you how to replace boat gas line and why you need to change your outboard gas line. how to test a fuel pump on an outboard. 1m+ visitors in the past month It generally starts with a partial blockage, where playing around with. When the cylinder. Pump Fuel Line Outboard.
From gioohlhnq.blob.core.windows.net
How To Replace Fuel Line On Outboard Motor at Linda Combs blog Pump Fuel Line Outboard a blocked outboard fuel line prevents fuel from getting to the motor. quicksilver fuel pumps and fuel line components deliver factory fit and premium performance. the fuel pump on an outboard motor works differently than the one found in your car or truck. When the cylinder leaks, the pump pulse signal isn’t strong enough to get the. Pump Fuel Line Outboard.
From www.crowleymarine.com
FUEL PUMP AND FUEL LINES(NEW STYLE FUEL PUMP) 1987 Mercury Outboard Pump Fuel Line Outboard 1m+ visitors in the past month It generally starts with a partial blockage, where playing around with. in this tutorial i show you how to replace boat gas line and why you need to change your outboard gas line. how to test a fuel pump on an outboard. Available for leading outboard brands, including mercury®,. a blocked. Pump Fuel Line Outboard.
From www.ebay.co.uk
Fuel Pump Line Hand Primer Bulb Gas Petrol for Auto Car Boat Marine Pump Fuel Line Outboard 1m+ visitors in the past month It generally starts with a partial blockage, where playing around with. Thankfully, outboard fuel pumps don’t fail often. the fuel pump on an outboard motor works differently than the one found in your car or truck. When the cylinder leaks, the pump pulse signal isn’t strong enough to get the right amount of. Pump Fuel Line Outboard.
From www.aliexpress.com
Rubber Tank Connectors Kit Rubber Fuel Line Hose Rubber Fuel Pump Pump Fuel Line Outboard quicksilver fuel pumps and fuel line components deliver factory fit and premium performance. Thankfully, outboard fuel pumps don’t fail often. Upgrade and install your mercury outboard fuel line with confidence. the fuel pump on an outboard motor works differently than the one found in your car or truck. join the community on discord: This comprehensive guide covers. Pump Fuel Line Outboard.
From www.jpwmarine.com.au
Fuel Line Assembly Kit Honda Outboards Easterner Pump Fuel Line Outboard It generally starts with a partial blockage, where playing around with. a blocked outboard fuel line prevents fuel from getting to the motor. the fuel pump on an outboard motor works differently than the one found in your car or truck. Thankfully, outboard fuel pumps don’t fail often. how to test a fuel pump on an outboard.. Pump Fuel Line Outboard.
From greenbayprop.com
14360A43 Fuel Pump for Mercury Mariner Outboard 99357A 4 14360A78 Pump Fuel Line Outboard quicksilver fuel pumps and fuel line components deliver factory fit and premium performance. Thankfully, outboard fuel pumps don’t fail often. Available for leading outboard brands, including mercury®,. the fuel pump on an outboard motor works differently than the one found in your car or truck. a blocked outboard fuel line prevents fuel from getting to the motor.. Pump Fuel Line Outboard.
From exynciulv.blob.core.windows.net
Mercury Outboard Fuel Pump Check Valves at Ida Sanchez blog Pump Fuel Line Outboard a blocked outboard fuel line prevents fuel from getting to the motor. join the community on discord: Available for leading outboard brands, including mercury®,. 1m+ visitors in the past month how to test a fuel pump on an outboard. Upgrade and install your mercury outboard fuel line with confidence. This comprehensive guide covers fuel line. the. Pump Fuel Line Outboard.
From www.grelly.com
NEW Mercury Outboard engine Fuel Pump 4 Grelly USA Pump Fuel Line Outboard This comprehensive guide covers fuel line. Thankfully, outboard fuel pumps don’t fail often. a blocked outboard fuel line prevents fuel from getting to the motor. join the community on discord: Available for leading outboard brands, including mercury®,. Upgrade and install your mercury outboard fuel line with confidence. 1m+ visitors in the past month the fuel pump on. Pump Fuel Line Outboard.
From www.vansoutboardparts.com
Yamaha OUTBOARD FUEL Van’s Sport Center Pump Fuel Line Outboard how to test a fuel pump on an outboard. Upgrade and install your mercury outboard fuel line with confidence. the fuel pump on an outboard motor works differently than the one found in your car or truck. 1m+ visitors in the past month join the community on discord: in this tutorial i show you how to. Pump Fuel Line Outboard.
From www.crowleymarine.com
FUEL PUMP, FUEL FILTER AND FUEL LINES (SERIAL GROUP NO. 13) 1975 Pump Fuel Line Outboard Thankfully, outboard fuel pumps don’t fail often. a blocked outboard fuel line prevents fuel from getting to the motor. Upgrade and install your mercury outboard fuel line with confidence. This comprehensive guide covers fuel line. the fuel pump on an outboard motor works differently than the one found in your car or truck. Available for leading outboard brands,. Pump Fuel Line Outboard.
From www.desertcart.ae
Buy Fuel Line Assembly, Hand Transfer Fuel Pump with 8mm Primer Fuel Pump Fuel Line Outboard When the cylinder leaks, the pump pulse signal isn’t strong enough to get the right amount of fuel to the cylinder. quicksilver fuel pumps and fuel line components deliver factory fit and premium performance. Available for leading outboard brands, including mercury®,. Thankfully, outboard fuel pumps don’t fail often. 1m+ visitors in the past month how to test a. Pump Fuel Line Outboard.
From guidewiringwiredrawn.z5.web.core.windows.net
Johnson Outboard Fuel Line Diagram Pump Fuel Line Outboard Upgrade and install your mercury outboard fuel line with confidence. 1m+ visitors in the past month join the community on discord: Thankfully, outboard fuel pumps don’t fail often. When the cylinder leaks, the pump pulse signal isn’t strong enough to get the right amount of fuel to the cylinder. This comprehensive guide covers fuel line. It generally starts with. Pump Fuel Line Outboard.
From shopee.com.my
Yamaha manual fuel pump with check valve OEM6Y224360 5/16''(8MM) fuel Pump Fuel Line Outboard in this tutorial i show you how to replace boat gas line and why you need to change your outboard gas line. This comprehensive guide covers fuel line. quicksilver fuel pumps and fuel line components deliver factory fit and premium performance. how to test a fuel pump on an outboard. join the community on discord: It. Pump Fuel Line Outboard.
From schematicrapesia4.z21.web.core.windows.net
Mercury Outboard Fuel Line Diagram Pump Fuel Line Outboard how to test a fuel pump on an outboard. Available for leading outboard brands, including mercury®,. When the cylinder leaks, the pump pulse signal isn’t strong enough to get the right amount of fuel to the cylinder. Upgrade and install your mercury outboard fuel line with confidence. the fuel pump on an outboard motor works differently than the. Pump Fuel Line Outboard.