Outboard Motor Fuel In Crankcase . I am told an easy way to check is to remove vst vent hose. You've got a faulty fuel pump diaphragm. Any idea what broke or how fuel could get into crankcase oil? It's the small hose coming from the top left of the vst to the top right right of the crankcase. I have an 86 9.9 fourstroke kicker motor that is getting raw fuel in oil crank case. After running the engine on the lake for approx 5 hours (two trips on the lake) fuel is still getting into the crankcase. Either will cause excess fuel to run into crankcase via vst vent hose. The thermostat is to left of the. Here is the parts diagram for your outboard: Tiny amounts of raw fuel also leak into the crankcase on the compression stroke, potentially diluting the oil and raising.
from www.marineengine.com
Tiny amounts of raw fuel also leak into the crankcase on the compression stroke, potentially diluting the oil and raising. I am told an easy way to check is to remove vst vent hose. I have an 86 9.9 fourstroke kicker motor that is getting raw fuel in oil crank case. It's the small hose coming from the top left of the vst to the top right right of the crankcase. The thermostat is to left of the. Any idea what broke or how fuel could get into crankcase oil? After running the engine on the lake for approx 5 hours (two trips on the lake) fuel is still getting into the crankcase. You've got a faulty fuel pump diaphragm. Either will cause excess fuel to run into crankcase via vst vent hose. Here is the parts diagram for your outboard:
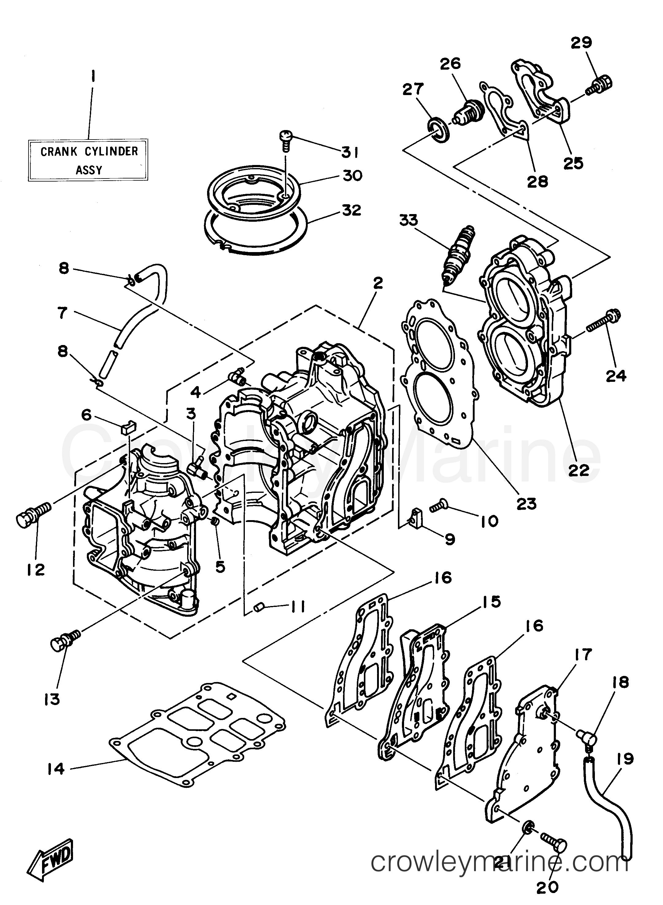
Johnson Cylinder & Crankcase Parts for 1992 60hp J60TLENE Outboard Motor
Outboard Motor Fuel In Crankcase I am told an easy way to check is to remove vst vent hose. You've got a faulty fuel pump diaphragm. Here is the parts diagram for your outboard: Any idea what broke or how fuel could get into crankcase oil? I have an 86 9.9 fourstroke kicker motor that is getting raw fuel in oil crank case. Tiny amounts of raw fuel also leak into the crankcase on the compression stroke, potentially diluting the oil and raising. After running the engine on the lake for approx 5 hours (two trips on the lake) fuel is still getting into the crankcase. I am told an easy way to check is to remove vst vent hose. Either will cause excess fuel to run into crankcase via vst vent hose. The thermostat is to left of the. It's the small hose coming from the top left of the vst to the top right right of the crankcase.
From www.himarinepower.com
Outboard Motor Crankcase Assy China Outboard Motor Crankcase Assy Outboard Motor Fuel In Crankcase You've got a faulty fuel pump diaphragm. Tiny amounts of raw fuel also leak into the crankcase on the compression stroke, potentially diluting the oil and raising. Here is the parts diagram for your outboard: After running the engine on the lake for approx 5 hours (two trips on the lake) fuel is still getting into the crankcase. The thermostat. Outboard Motor Fuel In Crankcase.
From www.alibaba.com
2 Stroke 15hp E15d Outboard Motor 6b415100001s Crankcase Assy Buy Outboard Motor Fuel In Crankcase Tiny amounts of raw fuel also leak into the crankcase on the compression stroke, potentially diluting the oil and raising. It's the small hose coming from the top left of the vst to the top right right of the crankcase. Here is the parts diagram for your outboard: I am told an easy way to check is to remove vst. Outboard Motor Fuel In Crankcase.
From www.alibaba.com
2 Stroke 15hp E15d Outboard Motor 6b415100001s Crankcase Assy Buy Outboard Motor Fuel In Crankcase I am told an easy way to check is to remove vst vent hose. Tiny amounts of raw fuel also leak into the crankcase on the compression stroke, potentially diluting the oil and raising. Here is the parts diagram for your outboard: After running the engine on the lake for approx 5 hours (two trips on the lake) fuel is. Outboard Motor Fuel In Crankcase.
From www.alibaba.com
2 Stroke 15hp E15d Outboard Motor 6b415100001s Crankcase Assy Buy Outboard Motor Fuel In Crankcase Tiny amounts of raw fuel also leak into the crankcase on the compression stroke, potentially diluting the oil and raising. Any idea what broke or how fuel could get into crankcase oil? It's the small hose coming from the top left of the vst to the top right right of the crankcase. The thermostat is to left of the. Here. Outboard Motor Fuel In Crankcase.
From www.himarinepower.com
Outboard Motor Crankcase Assy China Outboard Motor Crankcase Assy Outboard Motor Fuel In Crankcase You've got a faulty fuel pump diaphragm. It's the small hose coming from the top left of the vst to the top right right of the crankcase. After running the engine on the lake for approx 5 hours (two trips on the lake) fuel is still getting into the crankcase. I have an 86 9.9 fourstroke kicker motor that is. Outboard Motor Fuel In Crankcase.
From www.akmining.com
Tips for Improving Outboard Motor Fuel Efficiency Alaska Mining Outboard Motor Fuel In Crankcase Any idea what broke or how fuel could get into crankcase oil? You've got a faulty fuel pump diaphragm. It's the small hose coming from the top left of the vst to the top right right of the crankcase. The thermostat is to left of the. Tiny amounts of raw fuel also leak into the crankcase on the compression stroke,. Outboard Motor Fuel In Crankcase.
From himarinepower.en.made-in-china.com
for 9.9HP 15HP E15dmhl E9.9dmhl YAMAHA Outboard Motor Parts Crankcase Outboard Motor Fuel In Crankcase Tiny amounts of raw fuel also leak into the crankcase on the compression stroke, potentially diluting the oil and raising. Either will cause excess fuel to run into crankcase via vst vent hose. It's the small hose coming from the top left of the vst to the top right right of the crankcase. The thermostat is to left of the.. Outboard Motor Fuel In Crankcase.
From www.crowleymarine.com
CYLINDER CRANKCASE 2 2014 Outboard 300hp F300XCA Crowley Marine Outboard Motor Fuel In Crankcase The thermostat is to left of the. After running the engine on the lake for approx 5 hours (two trips on the lake) fuel is still getting into the crankcase. Any idea what broke or how fuel could get into crankcase oil? Either will cause excess fuel to run into crankcase via vst vent hose. You've got a faulty fuel. Outboard Motor Fuel In Crankcase.
From wireenginemegaphones.z14.web.core.windows.net
Mercury 90 Hp 2 Stroke Outboard Motor Fuel In Crankcase It's the small hose coming from the top left of the vst to the top right right of the crankcase. You've got a faulty fuel pump diaphragm. Any idea what broke or how fuel could get into crankcase oil? Tiny amounts of raw fuel also leak into the crankcase on the compression stroke, potentially diluting the oil and raising. I. Outboard Motor Fuel In Crankcase.
From www.parsunpower.com
How does an outboard motor workParsun Outboard Motor Fuel In Crankcase I am told an easy way to check is to remove vst vent hose. I have an 86 9.9 fourstroke kicker motor that is getting raw fuel in oil crank case. You've got a faulty fuel pump diaphragm. Either will cause excess fuel to run into crankcase via vst vent hose. Here is the parts diagram for your outboard: After. Outboard Motor Fuel In Crankcase.
From www.eng-tips.com
Applying Crank Case Vacuum in single cylinder engines Engine & fuel Outboard Motor Fuel In Crankcase Tiny amounts of raw fuel also leak into the crankcase on the compression stroke, potentially diluting the oil and raising. The thermostat is to left of the. I am told an easy way to check is to remove vst vent hose. You've got a faulty fuel pump diaphragm. Either will cause excess fuel to run into crankcase via vst vent. Outboard Motor Fuel In Crankcase.
From www.youtube.com
Small Engine Crankcase full of gas! YouTube Outboard Motor Fuel In Crankcase I am told an easy way to check is to remove vst vent hose. It's the small hose coming from the top left of the vst to the top right right of the crankcase. Here is the parts diagram for your outboard: You've got a faulty fuel pump diaphragm. Either will cause excess fuel to run into crankcase via vst. Outboard Motor Fuel In Crankcase.
From www.vansoutboardparts.com
Yamaha OUTBOARD CYLINDER CRANKCASE Van’s Sport Center Outboard Motor Fuel In Crankcase Here is the parts diagram for your outboard: I have an 86 9.9 fourstroke kicker motor that is getting raw fuel in oil crank case. You've got a faulty fuel pump diaphragm. After running the engine on the lake for approx 5 hours (two trips on the lake) fuel is still getting into the crankcase. Either will cause excess fuel. Outboard Motor Fuel In Crankcase.
From www.crowleymarine.com
CYLINDER CRANKCASE 1 2007 Outboard 15hp F15CMSH Crowley Marine Outboard Motor Fuel In Crankcase Either will cause excess fuel to run into crankcase via vst vent hose. Here is the parts diagram for your outboard: Tiny amounts of raw fuel also leak into the crankcase on the compression stroke, potentially diluting the oil and raising. You've got a faulty fuel pump diaphragm. After running the engine on the lake for approx 5 hours (two. Outboard Motor Fuel In Crankcase.
From www.crowleymarine.com
CYLINDER & CRANKCASE 1988 Johnson Outboards 90 J90TLCCA Crowley Marine Outboard Motor Fuel In Crankcase After running the engine on the lake for approx 5 hours (two trips on the lake) fuel is still getting into the crankcase. Tiny amounts of raw fuel also leak into the crankcase on the compression stroke, potentially diluting the oil and raising. The thermostat is to left of the. Either will cause excess fuel to run into crankcase via. Outboard Motor Fuel In Crankcase.
From www.crowleymarine.com
CYLINDER CRANKCASE 2 2013 Outboard 200hp F200XB Crowley Marine Outboard Motor Fuel In Crankcase It's the small hose coming from the top left of the vst to the top right right of the crankcase. Here is the parts diagram for your outboard: Tiny amounts of raw fuel also leak into the crankcase on the compression stroke, potentially diluting the oil and raising. You've got a faulty fuel pump diaphragm. Any idea what broke or. Outboard Motor Fuel In Crankcase.
From www.aliexpress.com
Buy Outboard 66T15100021S Crankcase Assy For Yamaha Outboard Motor Fuel In Crankcase Tiny amounts of raw fuel also leak into the crankcase on the compression stroke, potentially diluting the oil and raising. Either will cause excess fuel to run into crankcase via vst vent hose. Here is the parts diagram for your outboard: I am told an easy way to check is to remove vst vent hose. Any idea what broke or. Outboard Motor Fuel In Crankcase.
From www.crowleymarine.com
CYLINDER CRANKCASE 1 2014 Outboard 4hp F4LMHA Crowley Marine Outboard Motor Fuel In Crankcase Either will cause excess fuel to run into crankcase via vst vent hose. Here is the parts diagram for your outboard: You've got a faulty fuel pump diaphragm. I have an 86 9.9 fourstroke kicker motor that is getting raw fuel in oil crank case. It's the small hose coming from the top left of the vst to the top. Outboard Motor Fuel In Crankcase.
From himarinepower.en.made-in-china.com
63V15100021s Crankcase Assy 2 Stroke 9.9HP 15HP for YAMAHA Outboard Outboard Motor Fuel In Crankcase The thermostat is to left of the. Here is the parts diagram for your outboard: It's the small hose coming from the top left of the vst to the top right right of the crankcase. I have an 86 9.9 fourstroke kicker motor that is getting raw fuel in oil crank case. I am told an easy way to check. Outboard Motor Fuel In Crankcase.
From www.tohatsu.online
1 CYLINDER CRANK CASE Archives Tohatsu Outboards Parts Outboard Motor Fuel In Crankcase The thermostat is to left of the. Either will cause excess fuel to run into crankcase via vst vent hose. Tiny amounts of raw fuel also leak into the crankcase on the compression stroke, potentially diluting the oil and raising. After running the engine on the lake for approx 5 hours (two trips on the lake) fuel is still getting. Outboard Motor Fuel In Crankcase.
From www.atwoodlakeboats.com
20Hour Check Outboard Service Atwood Lake Boats Outboard Motor Fuel In Crankcase Any idea what broke or how fuel could get into crankcase oil? I have an 86 9.9 fourstroke kicker motor that is getting raw fuel in oil crank case. It's the small hose coming from the top left of the vst to the top right right of the crankcase. Tiny amounts of raw fuel also leak into the crankcase on. Outboard Motor Fuel In Crankcase.
From www.aliexpress.com
6H315100 Outboard motor Crankcase Assy for yamaha outbaord motor 60HP Outboard Motor Fuel In Crankcase It's the small hose coming from the top left of the vst to the top right right of the crankcase. I am told an easy way to check is to remove vst vent hose. After running the engine on the lake for approx 5 hours (two trips on the lake) fuel is still getting into the crankcase. Either will cause. Outboard Motor Fuel In Crankcase.
From www.marineengine.com
Johnson Cylinder & Crankcase Parts for 1992 60hp J60TLENE Outboard Motor Outboard Motor Fuel In Crankcase After running the engine on the lake for approx 5 hours (two trips on the lake) fuel is still getting into the crankcase. Tiny amounts of raw fuel also leak into the crankcase on the compression stroke, potentially diluting the oil and raising. Either will cause excess fuel to run into crankcase via vst vent hose. I am told an. Outboard Motor Fuel In Crankcase.
From www.pinterest.com
Outboard crankcase capacity charts! Outboard, Honda models, Mercury Outboard Motor Fuel In Crankcase Here is the parts diagram for your outboard: Tiny amounts of raw fuel also leak into the crankcase on the compression stroke, potentially diluting the oil and raising. After running the engine on the lake for approx 5 hours (two trips on the lake) fuel is still getting into the crankcase. The thermostat is to left of the. You've got. Outboard Motor Fuel In Crankcase.
From www.boats.net
How to Rebuild Mercury 40 Outboard Fuel Pump Outboard Motor Fuel In Crankcase I am told an easy way to check is to remove vst vent hose. The thermostat is to left of the. You've got a faulty fuel pump diaphragm. Any idea what broke or how fuel could get into crankcase oil? Either will cause excess fuel to run into crankcase via vst vent hose. I have an 86 9.9 fourstroke kicker. Outboard Motor Fuel In Crankcase.
From www.youtube.com
2 Stroke Engine Assembly How assemble the crankcases YouTube Outboard Motor Fuel In Crankcase I am told an easy way to check is to remove vst vent hose. You've got a faulty fuel pump diaphragm. Here is the parts diagram for your outboard: It's the small hose coming from the top left of the vst to the top right right of the crankcase. Any idea what broke or how fuel could get into crankcase. Outboard Motor Fuel In Crankcase.
From www.walmart.com
Labwork Portable Boat Fuel Tank Marine Outboard Motor Fuel Tank w Outboard Motor Fuel In Crankcase Either will cause excess fuel to run into crankcase via vst vent hose. Here is the parts diagram for your outboard: It's the small hose coming from the top left of the vst to the top right right of the crankcase. After running the engine on the lake for approx 5 hours (two trips on the lake) fuel is still. Outboard Motor Fuel In Crankcase.
From www.himarinepower.com
Outboard Motor Crankcase Assy China Outboard Motor Crankcase Assy Outboard Motor Fuel In Crankcase I have an 86 9.9 fourstroke kicker motor that is getting raw fuel in oil crank case. Either will cause excess fuel to run into crankcase via vst vent hose. Any idea what broke or how fuel could get into crankcase oil? It's the small hose coming from the top left of the vst to the top right right of. Outboard Motor Fuel In Crankcase.
From www.tohatsu.online
1 CYLINDER CRANK CASE Archives Tohatsu Outboards Parts Outboard Motor Fuel In Crankcase Tiny amounts of raw fuel also leak into the crankcase on the compression stroke, potentially diluting the oil and raising. I am told an easy way to check is to remove vst vent hose. The thermostat is to left of the. I have an 86 9.9 fourstroke kicker motor that is getting raw fuel in oil crank case. Either will. Outboard Motor Fuel In Crankcase.
From www.crowleymarine.com
CYLINDER AND CRANKCASE 2002 Outboard 90 J90PLSNF Crowley Marine Outboard Motor Fuel In Crankcase It's the small hose coming from the top left of the vst to the top right right of the crankcase. The thermostat is to left of the. After running the engine on the lake for approx 5 hours (two trips on the lake) fuel is still getting into the crankcase. Here is the parts diagram for your outboard: You've got. Outboard Motor Fuel In Crankcase.
From www.crowleymarine.com
CYLINDER CRANKCASE 1995 Yamaha Outboard 15hp 15MSHT Crowley Marine Outboard Motor Fuel In Crankcase Any idea what broke or how fuel could get into crankcase oil? You've got a faulty fuel pump diaphragm. Either will cause excess fuel to run into crankcase via vst vent hose. Tiny amounts of raw fuel also leak into the crankcase on the compression stroke, potentially diluting the oil and raising. After running the engine on the lake for. Outboard Motor Fuel In Crankcase.
From www.crowleymarine.com
CYLINDER & CRANKCASE 1992 Outboard 9.9 E10EENA Crowley Marine Outboard Motor Fuel In Crankcase You've got a faulty fuel pump diaphragm. I am told an easy way to check is to remove vst vent hose. The thermostat is to left of the. I have an 86 9.9 fourstroke kicker motor that is getting raw fuel in oil crank case. After running the engine on the lake for approx 5 hours (two trips on the. Outboard Motor Fuel In Crankcase.
From weaverauctions.com
EVINRUDE 9.9 OUTBOARD MOTOR & FUEL TANK Outboard Motor Fuel In Crankcase The thermostat is to left of the. Any idea what broke or how fuel could get into crankcase oil? Here is the parts diagram for your outboard: You've got a faulty fuel pump diaphragm. Either will cause excess fuel to run into crankcase via vst vent hose. I am told an easy way to check is to remove vst vent. Outboard Motor Fuel In Crankcase.
From www.alibaba.com
2 Stroke 15hp E15d Outboard Motor 6b415100001s Crankcase Assy Buy Outboard Motor Fuel In Crankcase You've got a faulty fuel pump diaphragm. I have an 86 9.9 fourstroke kicker motor that is getting raw fuel in oil crank case. Either will cause excess fuel to run into crankcase via vst vent hose. Any idea what broke or how fuel could get into crankcase oil? The thermostat is to left of the. Tiny amounts of raw. Outboard Motor Fuel In Crankcase.
From www.crowleymarine.com
CYLINDER CRANKCASE 1 2010 Outboard 90hp F90TLR Crowley Marine Outboard Motor Fuel In Crankcase The thermostat is to left of the. I am told an easy way to check is to remove vst vent hose. Here is the parts diagram for your outboard: Tiny amounts of raw fuel also leak into the crankcase on the compression stroke, potentially diluting the oil and raising. Either will cause excess fuel to run into crankcase via vst. Outboard Motor Fuel In Crankcase.