How Does A Mercruiser Cooling System Work . Mercruiser utilizes a full flow closed cooling system on the dry joint exhaust equipped engines that circulates antifreeze through the engine and exhaust manifolds. There are two types of cooling systems commonly found on inboard/outboard boat motors. In this article, we will delve into the various components and their functions within the mercruiser cooling system. The mercruiser 350 mag cooling system is an essential part of the engine’s operation, ensuring that it runs within a safe temperature range and. Figure 1 shows a typical fresh water dependent cooling system. A mercruiser closed cooling system uses a heat exchanger to transfer heat from the engine coolant to the lake or ocean water. The coolant is pumped through. How does a mercruiser fresh water cooling system work? A mercruiser fresh water cooling system is designed to regulate the temperature of the boat engine by circulating fresh.
        
        from kdi-ppi.com 
     
        
        Figure 1 shows a typical fresh water dependent cooling system. Mercruiser utilizes a full flow closed cooling system on the dry joint exhaust equipped engines that circulates antifreeze through the engine and exhaust manifolds. A mercruiser fresh water cooling system is designed to regulate the temperature of the boat engine by circulating fresh. The mercruiser 350 mag cooling system is an essential part of the engine’s operation, ensuring that it runs within a safe temperature range and. In this article, we will delve into the various components and their functions within the mercruiser cooling system. A mercruiser closed cooling system uses a heat exchanger to transfer heat from the engine coolant to the lake or ocean water. There are two types of cooling systems commonly found on inboard/outboard boat motors. The coolant is pumped through. How does a mercruiser fresh water cooling system work?
    
    	
            
	
		 
         
    How to Understand the Mercruiser Cooling System Schematic 
    How Does A Mercruiser Cooling System Work  There are two types of cooling systems commonly found on inboard/outboard boat motors. The mercruiser 350 mag cooling system is an essential part of the engine’s operation, ensuring that it runs within a safe temperature range and. In this article, we will delve into the various components and their functions within the mercruiser cooling system. There are two types of cooling systems commonly found on inboard/outboard boat motors. The coolant is pumped through. A mercruiser fresh water cooling system is designed to regulate the temperature of the boat engine by circulating fresh. How does a mercruiser fresh water cooling system work? Figure 1 shows a typical fresh water dependent cooling system. A mercruiser closed cooling system uses a heat exchanger to transfer heat from the engine coolant to the lake or ocean water. Mercruiser utilizes a full flow closed cooling system on the dry joint exhaust equipped engines that circulates antifreeze through the engine and exhaust manifolds.
            
	
		 
         
 
    
        From kdi-ppi.com 
                    How to Understand the Mercruiser Cooling System Schematic How Does A Mercruiser Cooling System Work  The coolant is pumped through. Mercruiser utilizes a full flow closed cooling system on the dry joint exhaust equipped engines that circulates antifreeze through the engine and exhaust manifolds. Figure 1 shows a typical fresh water dependent cooling system. A mercruiser fresh water cooling system is designed to regulate the temperature of the boat engine by circulating fresh. A mercruiser. How Does A Mercruiser Cooling System Work.
     
    
        From bgfindashop.com 
                    How Automotive Cooling Systems Work BG Find A Shop How Does A Mercruiser Cooling System Work  The coolant is pumped through. In this article, we will delve into the various components and their functions within the mercruiser cooling system. Figure 1 shows a typical fresh water dependent cooling system. The mercruiser 350 mag cooling system is an essential part of the engine’s operation, ensuring that it runs within a safe temperature range and. A mercruiser fresh. How Does A Mercruiser Cooling System Work.
     
    
        From kdi-ppi.com 
                    How to Understand the Mercruiser Cooling System Schematic How Does A Mercruiser Cooling System Work  In this article, we will delve into the various components and their functions within the mercruiser cooling system. The coolant is pumped through. A mercruiser fresh water cooling system is designed to regulate the temperature of the boat engine by circulating fresh. A mercruiser closed cooling system uses a heat exchanger to transfer heat from the engine coolant to the. How Does A Mercruiser Cooling System Work.
     
    
        From kdi-ppi.com 
                    How to Understand the Mercruiser Cooling System Schematic How Does A Mercruiser Cooling System Work  In this article, we will delve into the various components and their functions within the mercruiser cooling system. Mercruiser utilizes a full flow closed cooling system on the dry joint exhaust equipped engines that circulates antifreeze through the engine and exhaust manifolds. A mercruiser closed cooling system uses a heat exchanger to transfer heat from the engine coolant to the. How Does A Mercruiser Cooling System Work.
     
    
        From schematron.org 
                    Mercruiser 3.0 Cooling System Diagram How Does A Mercruiser Cooling System Work  In this article, we will delve into the various components and their functions within the mercruiser cooling system. A mercruiser fresh water cooling system is designed to regulate the temperature of the boat engine by circulating fresh. There are two types of cooling systems commonly found on inboard/outboard boat motors. Figure 1 shows a typical fresh water dependent cooling system.. How Does A Mercruiser Cooling System Work.
     
    
        From bceweb.org 
                    Mercruiser Cooling System Flow Chart A Visual Reference of Charts How Does A Mercruiser Cooling System Work  The mercruiser 350 mag cooling system is an essential part of the engine’s operation, ensuring that it runs within a safe temperature range and. How does a mercruiser fresh water cooling system work? A mercruiser closed cooling system uses a heat exchanger to transfer heat from the engine coolant to the lake or ocean water. The coolant is pumped through.. How Does A Mercruiser Cooling System Work.
     
    
        From mavink.com 
                    Mercruiser 470 Cooling System Diagram How Does A Mercruiser Cooling System Work  The mercruiser 350 mag cooling system is an essential part of the engine’s operation, ensuring that it runs within a safe temperature range and. There are two types of cooling systems commonly found on inboard/outboard boat motors. A mercruiser closed cooling system uses a heat exchanger to transfer heat from the engine coolant to the lake or ocean water. Mercruiser. How Does A Mercruiser Cooling System Work.
     
    
        From kdi-ppi.com 
                    How to Understand the Mercruiser Cooling System Schematic How Does A Mercruiser Cooling System Work  The coolant is pumped through. There are two types of cooling systems commonly found on inboard/outboard boat motors. The mercruiser 350 mag cooling system is an essential part of the engine’s operation, ensuring that it runs within a safe temperature range and. Figure 1 shows a typical fresh water dependent cooling system. How does a mercruiser fresh water cooling system. How Does A Mercruiser Cooling System Work.
     
    
        From kdi-ppi.com 
                    How to Understand the Mercruiser Cooling System Schematic How Does A Mercruiser Cooling System Work  How does a mercruiser fresh water cooling system work? In this article, we will delve into the various components and their functions within the mercruiser cooling system. Mercruiser utilizes a full flow closed cooling system on the dry joint exhaust equipped engines that circulates antifreeze through the engine and exhaust manifolds. The coolant is pumped through. There are two types. How Does A Mercruiser Cooling System Work.
     
    
        From www.youtube.com 
                    How to Install a Closed Cooling System on a Mercruiser 4.3L YouTube How Does A Mercruiser Cooling System Work  Mercruiser utilizes a full flow closed cooling system on the dry joint exhaust equipped engines that circulates antifreeze through the engine and exhaust manifolds. Figure 1 shows a typical fresh water dependent cooling system. The mercruiser 350 mag cooling system is an essential part of the engine’s operation, ensuring that it runs within a safe temperature range and. A mercruiser. How Does A Mercruiser Cooling System Work.
     
    
        From mungfali.com 
                    Mercruiser 350 Cooling System Diagram How Does A Mercruiser Cooling System Work  A mercruiser fresh water cooling system is designed to regulate the temperature of the boat engine by circulating fresh. How does a mercruiser fresh water cooling system work? In this article, we will delve into the various components and their functions within the mercruiser cooling system. The coolant is pumped through. A mercruiser closed cooling system uses a heat exchanger. How Does A Mercruiser Cooling System Work.
     
    
        From circuitlibsmoring.z21.web.core.windows.net 
                    Mercruiser 5.0 Cooling System Diagram How Does A Mercruiser Cooling System Work  The coolant is pumped through. A mercruiser fresh water cooling system is designed to regulate the temperature of the boat engine by circulating fresh. In this article, we will delve into the various components and their functions within the mercruiser cooling system. How does a mercruiser fresh water cooling system work? Figure 1 shows a typical fresh water dependent cooling. How Does A Mercruiser Cooling System Work.
     
    
        From themeroute.com 
                    Mercruiser 470 Fresh Water Cooling System Diagram Theme Route How Does A Mercruiser Cooling System Work  Mercruiser utilizes a full flow closed cooling system on the dry joint exhaust equipped engines that circulates antifreeze through the engine and exhaust manifolds. In this article, we will delve into the various components and their functions within the mercruiser cooling system. The coolant is pumped through. Figure 1 shows a typical fresh water dependent cooling system. How does a. How Does A Mercruiser Cooling System Work.
     
    
        From www.youtube.com 
                    Mercruiser cooling system. Air bubbles, raw water cooled YouTube How Does A Mercruiser Cooling System Work  In this article, we will delve into the various components and their functions within the mercruiser cooling system. There are two types of cooling systems commonly found on inboard/outboard boat motors. A mercruiser fresh water cooling system is designed to regulate the temperature of the boat engine by circulating fresh. Mercruiser utilizes a full flow closed cooling system on the. How Does A Mercruiser Cooling System Work.
     
    
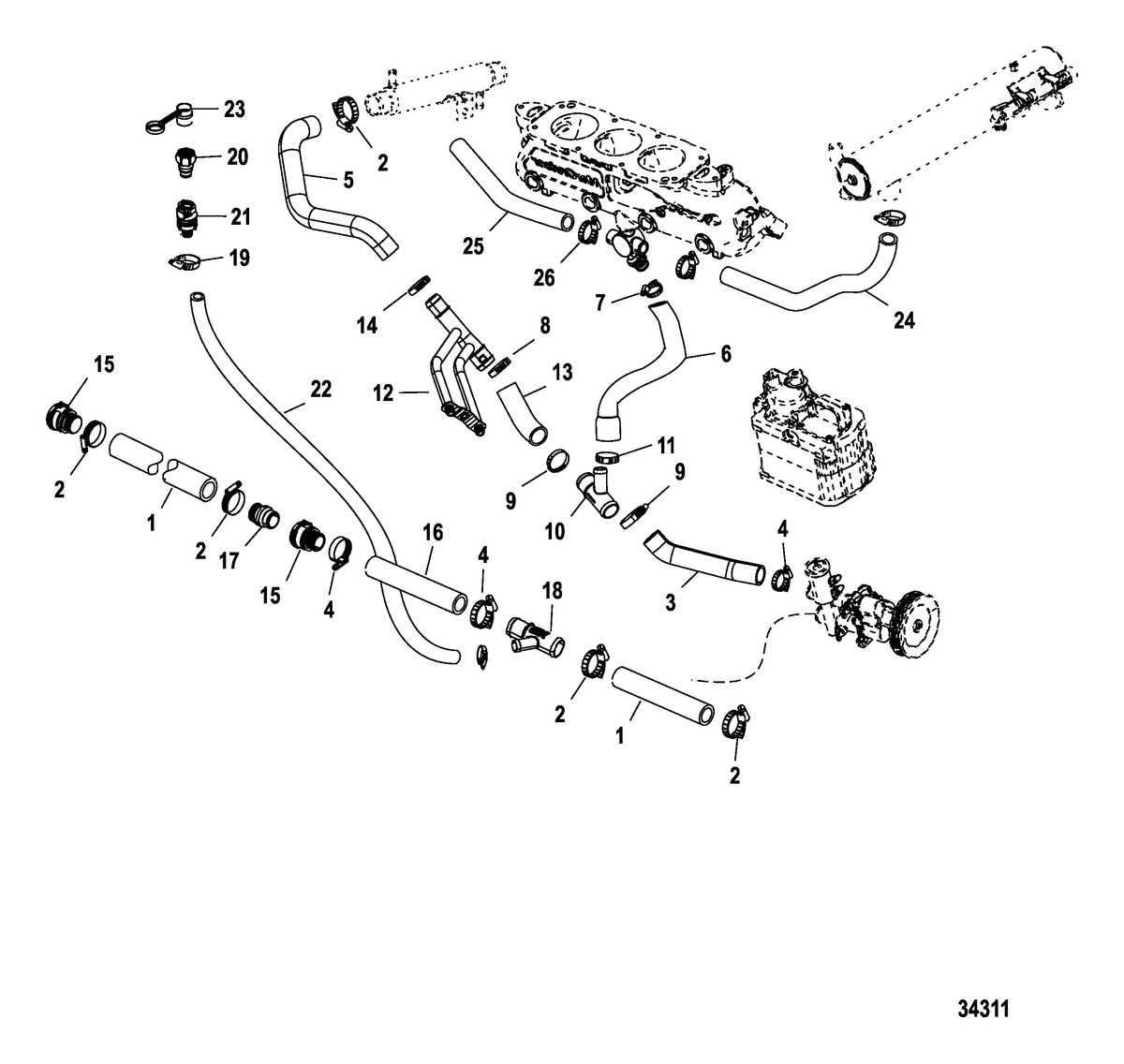
        From www.boats.net 
                    Mercruiser Inboard Gas Engines OEM Parts Diagram for Standard Cooling How Does A Mercruiser Cooling System Work  There are two types of cooling systems commonly found on inboard/outboard boat motors. A mercruiser fresh water cooling system is designed to regulate the temperature of the boat engine by circulating fresh. Figure 1 shows a typical fresh water dependent cooling system. The mercruiser 350 mag cooling system is an essential part of the engine’s operation, ensuring that it runs. How Does A Mercruiser Cooling System Work.
     
    
        From www.justanswer.com 
                    Q&A Mercruiser 454 & 7.4 Cooling System Diagrams JustAnswer How Does A Mercruiser Cooling System Work  There are two types of cooling systems commonly found on inboard/outboard boat motors. The mercruiser 350 mag cooling system is an essential part of the engine’s operation, ensuring that it runs within a safe temperature range and. A mercruiser closed cooling system uses a heat exchanger to transfer heat from the engine coolant to the lake or ocean water. Mercruiser. How Does A Mercruiser Cooling System Work.
     
    
        From techschematic.com 
                    The Ultimate Guide to Understanding Mercruiser Closed Cooling System How Does A Mercruiser Cooling System Work  Figure 1 shows a typical fresh water dependent cooling system. The mercruiser 350 mag cooling system is an essential part of the engine’s operation, ensuring that it runs within a safe temperature range and. In this article, we will delve into the various components and their functions within the mercruiser cooling system. There are two types of cooling systems commonly. How Does A Mercruiser Cooling System Work.
     
    
        From schematron.org 
                    Mercruiser 3.0 Cooling System Diagram How Does A Mercruiser Cooling System Work  The mercruiser 350 mag cooling system is an essential part of the engine’s operation, ensuring that it runs within a safe temperature range and. Mercruiser utilizes a full flow closed cooling system on the dry joint exhaust equipped engines that circulates antifreeze through the engine and exhaust manifolds. In this article, we will delve into the various components and their. How Does A Mercruiser Cooling System Work.
     
    
        From watercoolingsystempukukan.blogspot.com 
                    Water Cooling System Mercruiser Raw Water Cooling System How Does A Mercruiser Cooling System Work  There are two types of cooling systems commonly found on inboard/outboard boat motors. The coolant is pumped through. Figure 1 shows a typical fresh water dependent cooling system. A mercruiser fresh water cooling system is designed to regulate the temperature of the boat engine by circulating fresh. A mercruiser closed cooling system uses a heat exchanger to transfer heat from. How Does A Mercruiser Cooling System Work.
     
    
        From www.youtube.com 
                    Mercruiser 5.7 air in the cooling system YouTube How Does A Mercruiser Cooling System Work  The coolant is pumped through. Mercruiser utilizes a full flow closed cooling system on the dry joint exhaust equipped engines that circulates antifreeze through the engine and exhaust manifolds. The mercruiser 350 mag cooling system is an essential part of the engine’s operation, ensuring that it runs within a safe temperature range and. Figure 1 shows a typical fresh water. How Does A Mercruiser Cooling System Work.
     
    
        From www.perfprotech.com 
                    MerCruiser GM 5.0L/5.7L V8 Full Closed Cooling Systems How Does A Mercruiser Cooling System Work  A mercruiser closed cooling system uses a heat exchanger to transfer heat from the engine coolant to the lake or ocean water. A mercruiser fresh water cooling system is designed to regulate the temperature of the boat engine by circulating fresh. How does a mercruiser fresh water cooling system work? There are two types of cooling systems commonly found on. How Does A Mercruiser Cooling System Work.
     
    
        From www.youtube.com 
                    Mercruiser fresh water cooling kit installation ( no more salty water How Does A Mercruiser Cooling System Work  Figure 1 shows a typical fresh water dependent cooling system. The coolant is pumped through. In this article, we will delve into the various components and their functions within the mercruiser cooling system. Mercruiser utilizes a full flow closed cooling system on the dry joint exhaust equipped engines that circulates antifreeze through the engine and exhaust manifolds. How does a. How Does A Mercruiser Cooling System Work.
     
    
        From zohebamaryss.blogspot.com 
                    13+ mercruiser raw water cooling system diagram ZohebAmaryss How Does A Mercruiser Cooling System Work  A mercruiser closed cooling system uses a heat exchanger to transfer heat from the engine coolant to the lake or ocean water. There are two types of cooling systems commonly found on inboard/outboard boat motors. In this article, we will delve into the various components and their functions within the mercruiser cooling system. The coolant is pumped through. How does. How Does A Mercruiser Cooling System Work.
     
    
        From www.crowleymarine.com 
                    STANDARD COOLING SYSTEM(DESIGN I) 1993 Mercruiser 4.3L [ALPHA How Does A Mercruiser Cooling System Work  Mercruiser utilizes a full flow closed cooling system on the dry joint exhaust equipped engines that circulates antifreeze through the engine and exhaust manifolds. The mercruiser 350 mag cooling system is an essential part of the engine’s operation, ensuring that it runs within a safe temperature range and. The coolant is pumped through. In this article, we will delve into. How Does A Mercruiser Cooling System Work.
     
    
        From detoxicrecenze.com 
                    4.3 Mercruiser Cooling System Diagram My Wiring DIagram How Does A Mercruiser Cooling System Work  Figure 1 shows a typical fresh water dependent cooling system. In this article, we will delve into the various components and their functions within the mercruiser cooling system. How does a mercruiser fresh water cooling system work? A mercruiser closed cooling system uses a heat exchanger to transfer heat from the engine coolant to the lake or ocean water. A. How Does A Mercruiser Cooling System Work.
     
    
        From guidediagrampostponers.z14.web.core.windows.net 
                    Schematic Diagram Of Engine Cooling System How Does A Mercruiser Cooling System Work  Mercruiser utilizes a full flow closed cooling system on the dry joint exhaust equipped engines that circulates antifreeze through the engine and exhaust manifolds. The mercruiser 350 mag cooling system is an essential part of the engine’s operation, ensuring that it runs within a safe temperature range and. In this article, we will delve into the various components and their. How Does A Mercruiser Cooling System Work.
     
    
        From kdi-ppi.com 
                    How to Understand the Mercruiser Cooling System Schematic How Does A Mercruiser Cooling System Work  The mercruiser 350 mag cooling system is an essential part of the engine’s operation, ensuring that it runs within a safe temperature range and. Figure 1 shows a typical fresh water dependent cooling system. The coolant is pumped through. There are two types of cooling systems commonly found on inboard/outboard boat motors. A mercruiser closed cooling system uses a heat. How Does A Mercruiser Cooling System Work.
     
    
        From kdi-ppi.com 
                    How to Understand the Mercruiser Cooling System Schematic How Does A Mercruiser Cooling System Work  In this article, we will delve into the various components and their functions within the mercruiser cooling system. A mercruiser fresh water cooling system is designed to regulate the temperature of the boat engine by circulating fresh. Figure 1 shows a typical fresh water dependent cooling system. Mercruiser utilizes a full flow closed cooling system on the dry joint exhaust. How Does A Mercruiser Cooling System Work.
     
    
        From wiringall.com 
                    The Ultimate Guide to Mercruiser Raw Water Cooling System Diagram and How Does A Mercruiser Cooling System Work  The mercruiser 350 mag cooling system is an essential part of the engine’s operation, ensuring that it runs within a safe temperature range and. The coolant is pumped through. How does a mercruiser fresh water cooling system work? Mercruiser utilizes a full flow closed cooling system on the dry joint exhaust equipped engines that circulates antifreeze through the engine and. How Does A Mercruiser Cooling System Work.
     
    
        From schematron.org 
                    Mercruiser 3.0 Cooling System Diagram Wiring Diagram Pictures How Does A Mercruiser Cooling System Work  A mercruiser closed cooling system uses a heat exchanger to transfer heat from the engine coolant to the lake or ocean water. The coolant is pumped through. The mercruiser 350 mag cooling system is an essential part of the engine’s operation, ensuring that it runs within a safe temperature range and. There are two types of cooling systems commonly found. How Does A Mercruiser Cooling System Work.
     
    
        From techschematic.com 
                    Understanding the Inner Workings Unveiling the 5.7 Mercruiser Cooling How Does A Mercruiser Cooling System Work  Mercruiser utilizes a full flow closed cooling system on the dry joint exhaust equipped engines that circulates antifreeze through the engine and exhaust manifolds. A mercruiser closed cooling system uses a heat exchanger to transfer heat from the engine coolant to the lake or ocean water. The coolant is pumped through. A mercruiser fresh water cooling system is designed to. How Does A Mercruiser Cooling System Work.
     
    
        From circuitlibrebozos.z14.web.core.windows.net 
                    Mercruiser 3.0 Cooling System Diagram How Does A Mercruiser Cooling System Work  Mercruiser utilizes a full flow closed cooling system on the dry joint exhaust equipped engines that circulates antifreeze through the engine and exhaust manifolds. Figure 1 shows a typical fresh water dependent cooling system. The mercruiser 350 mag cooling system is an essential part of the engine’s operation, ensuring that it runs within a safe temperature range and. In this. How Does A Mercruiser Cooling System Work.
     
    
        From sepidehching.blogspot.com 
                    mercruiser 5.7 cooling system diagram SepidehChing How Does A Mercruiser Cooling System Work  The mercruiser 350 mag cooling system is an essential part of the engine’s operation, ensuring that it runs within a safe temperature range and. Mercruiser utilizes a full flow closed cooling system on the dry joint exhaust equipped engines that circulates antifreeze through the engine and exhaust manifolds. How does a mercruiser fresh water cooling system work? The coolant is. How Does A Mercruiser Cooling System Work.
     
    
        From sepidehching.blogspot.com 
                    mercruiser 5.7 cooling system diagram SepidehChing How Does A Mercruiser Cooling System Work  The mercruiser 350 mag cooling system is an essential part of the engine’s operation, ensuring that it runs within a safe temperature range and. Figure 1 shows a typical fresh water dependent cooling system. Mercruiser utilizes a full flow closed cooling system on the dry joint exhaust equipped engines that circulates antifreeze through the engine and exhaust manifolds. How does. How Does A Mercruiser Cooling System Work.
     
    
        From boatbuy.com.au 
                    Cooling Systems on Boats What You Need To Know How Does A Mercruiser Cooling System Work  Mercruiser utilizes a full flow closed cooling system on the dry joint exhaust equipped engines that circulates antifreeze through the engine and exhaust manifolds. The mercruiser 350 mag cooling system is an essential part of the engine’s operation, ensuring that it runs within a safe temperature range and. There are two types of cooling systems commonly found on inboard/outboard boat. How Does A Mercruiser Cooling System Work.