Bobcat Excavator Hydraulic Problems . Taking a step by step approach can enable to quickly and accurately identify the issues, thus taking appropriate measures. When your bobcat excavator’s hydraulic system is giving you problems, there are a few things you should try to solve the issue. Bobcat excavator hydraulic problems can be effectively solved through a systematic approach to diagnose and address root causes of common problems. Hydraulic power loss is a common problem with the bobcat 334 mini excavator. There are several possible causes for this, including low hydraulic fluid levels, clogged filters, and damaged hoses. Low hydraulic pressure video | bobcat company. But it has a few limitations, becoming a problem over time. The hydraulic system malfunctions or runs slowly. For the bobcat e35 and other bobcat excavators in general, this is a common problem, attributable. The most common bobcat 331 problems are hydraulic issues, boom failure, engine issues, electrical problems, fuel system issues, and de. Among several bobcat mini excavator models, the bobcat e42 stands out due to its longevity and power.
from theyardadviser.com
But it has a few limitations, becoming a problem over time. Among several bobcat mini excavator models, the bobcat e42 stands out due to its longevity and power. Low hydraulic pressure video | bobcat company. There are several possible causes for this, including low hydraulic fluid levels, clogged filters, and damaged hoses. For the bobcat e35 and other bobcat excavators in general, this is a common problem, attributable. When your bobcat excavator’s hydraulic system is giving you problems, there are a few things you should try to solve the issue. Taking a step by step approach can enable to quickly and accurately identify the issues, thus taking appropriate measures. Bobcat excavator hydraulic problems can be effectively solved through a systematic approach to diagnose and address root causes of common problems. Hydraulic power loss is a common problem with the bobcat 334 mini excavator. The most common bobcat 331 problems are hydraulic issues, boom failure, engine issues, electrical problems, fuel system issues, and de.
Common Problems With Bobcat E35 MiniExcavator [Rebuild Cost]
Bobcat Excavator Hydraulic Problems Low hydraulic pressure video | bobcat company. Low hydraulic pressure video | bobcat company. The most common bobcat 331 problems are hydraulic issues, boom failure, engine issues, electrical problems, fuel system issues, and de. There are several possible causes for this, including low hydraulic fluid levels, clogged filters, and damaged hoses. When your bobcat excavator’s hydraulic system is giving you problems, there are a few things you should try to solve the issue. For the bobcat e35 and other bobcat excavators in general, this is a common problem, attributable. Bobcat excavator hydraulic problems can be effectively solved through a systematic approach to diagnose and address root causes of common problems. The hydraulic system malfunctions or runs slowly. Hydraulic power loss is a common problem with the bobcat 334 mini excavator. Taking a step by step approach can enable to quickly and accurately identify the issues, thus taking appropriate measures. Among several bobcat mini excavator models, the bobcat e42 stands out due to its longevity and power. But it has a few limitations, becoming a problem over time.
From www.autorepairmanuals.ws
Bobcat Compact Excavator E26 Service Manual 7354962 2021 Auto Repair Bobcat Excavator Hydraulic Problems Bobcat excavator hydraulic problems can be effectively solved through a systematic approach to diagnose and address root causes of common problems. Taking a step by step approach can enable to quickly and accurately identify the issues, thus taking appropriate measures. But it has a few limitations, becoming a problem over time. Low hydraulic pressure video | bobcat company. There are. Bobcat Excavator Hydraulic Problems.
From www.youtube.com
Inspect Your Bobcat Compact Excavator YouTube Bobcat Excavator Hydraulic Problems Bobcat excavator hydraulic problems can be effectively solved through a systematic approach to diagnose and address root causes of common problems. The most common bobcat 331 problems are hydraulic issues, boom failure, engine issues, electrical problems, fuel system issues, and de. There are several possible causes for this, including low hydraulic fluid levels, clogged filters, and damaged hoses. When your. Bobcat Excavator Hydraulic Problems.
From gardenerpoints.com
How to Fix Common Bobcat E50 Mini Excavator Problems? Bobcat Excavator Hydraulic Problems Bobcat excavator hydraulic problems can be effectively solved through a systematic approach to diagnose and address root causes of common problems. The hydraulic system malfunctions or runs slowly. Among several bobcat mini excavator models, the bobcat e42 stands out due to its longevity and power. Hydraulic power loss is a common problem with the bobcat 334 mini excavator. Low hydraulic. Bobcat Excavator Hydraulic Problems.
From therepairmanual.com
Bobcat 130 Hydraulic Excavator Service Manual Bobcat Excavator Hydraulic Problems When your bobcat excavator’s hydraulic system is giving you problems, there are a few things you should try to solve the issue. The hydraulic system malfunctions or runs slowly. The most common bobcat 331 problems are hydraulic issues, boom failure, engine issues, electrical problems, fuel system issues, and de. Bobcat excavator hydraulic problems can be effectively solved through a systematic. Bobcat Excavator Hydraulic Problems.
From autoepcservice.com
Bobcat Excavator E32 Hydraulic & Electrical Schematic Bobcat Excavator Hydraulic Problems But it has a few limitations, becoming a problem over time. Bobcat excavator hydraulic problems can be effectively solved through a systematic approach to diagnose and address root causes of common problems. Taking a step by step approach can enable to quickly and accurately identify the issues, thus taking appropriate measures. Among several bobcat mini excavator models, the bobcat e42. Bobcat Excavator Hydraulic Problems.
From www.autorepairmanuals.ws
Bobcat Compact Excavator E57w Operation and Maintenance Manual 7280535 Bobcat Excavator Hydraulic Problems The most common bobcat 331 problems are hydraulic issues, boom failure, engine issues, electrical problems, fuel system issues, and de. Low hydraulic pressure video | bobcat company. Hydraulic power loss is a common problem with the bobcat 334 mini excavator. Among several bobcat mini excavator models, the bobcat e42 stands out due to its longevity and power. But it has. Bobcat Excavator Hydraulic Problems.
From www.autorepairmanuals.ws
Bobcat Excavator 418 Electrical and Hydraulic Schematic Auto Repair Bobcat Excavator Hydraulic Problems But it has a few limitations, becoming a problem over time. Among several bobcat mini excavator models, the bobcat e42 stands out due to its longevity and power. Bobcat excavator hydraulic problems can be effectively solved through a systematic approach to diagnose and address root causes of common problems. Hydraulic power loss is a common problem with the bobcat 334. Bobcat Excavator Hydraulic Problems.
From topkitparts.com
Hydraulic Pump Troubleshooting Hydraulic pumpSwing MotorHydraulic Bobcat Excavator Hydraulic Problems Hydraulic power loss is a common problem with the bobcat 334 mini excavator. Bobcat excavator hydraulic problems can be effectively solved through a systematic approach to diagnose and address root causes of common problems. Low hydraulic pressure video | bobcat company. Taking a step by step approach can enable to quickly and accurately identify the issues, thus taking appropriate measures.. Bobcat Excavator Hydraulic Problems.
From www.jmwood.com
BOBCAT 331 HYD EXCAVATOR, (DOES NOT OPERATE) J.M. Wood Auction Bobcat Excavator Hydraulic Problems The hydraulic system malfunctions or runs slowly. Taking a step by step approach can enable to quickly and accurately identify the issues, thus taking appropriate measures. For the bobcat e35 and other bobcat excavators in general, this is a common problem, attributable. When your bobcat excavator’s hydraulic system is giving you problems, there are a few things you should try. Bobcat Excavator Hydraulic Problems.
From ar.inspiredpencil.com
Bobcat Hydraulic Pump Bobcat Excavator Hydraulic Problems Low hydraulic pressure video | bobcat company. When your bobcat excavator’s hydraulic system is giving you problems, there are a few things you should try to solve the issue. Bobcat excavator hydraulic problems can be effectively solved through a systematic approach to diagnose and address root causes of common problems. But it has a few limitations, becoming a problem over. Bobcat Excavator Hydraulic Problems.
From gardenerpoints.com
How to Fix Common Bobcat 334 Mini Excavator Problems? Bobcat Excavator Hydraulic Problems Bobcat excavator hydraulic problems can be effectively solved through a systematic approach to diagnose and address root causes of common problems. Among several bobcat mini excavator models, the bobcat e42 stands out due to its longevity and power. For the bobcat e35 and other bobcat excavators in general, this is a common problem, attributable. But it has a few limitations,. Bobcat Excavator Hydraulic Problems.
From all-excavators.com
Bobcat E26 Hydraulic Mini Excavator 2 Speed Tag Coupler Aux Hyd 1213 Bobcat Excavator Hydraulic Problems For the bobcat e35 and other bobcat excavators in general, this is a common problem, attributable. But it has a few limitations, becoming a problem over time. Hydraulic power loss is a common problem with the bobcat 334 mini excavator. The hydraulic system malfunctions or runs slowly. Low hydraulic pressure video | bobcat company. Taking a step by step approach. Bobcat Excavator Hydraulic Problems.
From www.facebook.com
36" Bobcat excavator hydraulic tilt Bucket Toy Construction Vehicles Bobcat Excavator Hydraulic Problems The most common bobcat 331 problems are hydraulic issues, boom failure, engine issues, electrical problems, fuel system issues, and de. Low hydraulic pressure video | bobcat company. There are several possible causes for this, including low hydraulic fluid levels, clogged filters, and damaged hoses. For the bobcat e35 and other bobcat excavators in general, this is a common problem, attributable.. Bobcat Excavator Hydraulic Problems.
From autoepcservice.com
Bobcat Compact Excavator E60 Electric, Hydraulic Circuit Diagram Bobcat Excavator Hydraulic Problems Taking a step by step approach can enable to quickly and accurately identify the issues, thus taking appropriate measures. There are several possible causes for this, including low hydraulic fluid levels, clogged filters, and damaged hoses. But it has a few limitations, becoming a problem over time. When your bobcat excavator’s hydraulic system is giving you problems, there are a. Bobcat Excavator Hydraulic Problems.
From theyardadviser.com
Common Problems With Bobcat E35 MiniExcavator [Rebuild Cost] Bobcat Excavator Hydraulic Problems The hydraulic system malfunctions or runs slowly. There are several possible causes for this, including low hydraulic fluid levels, clogged filters, and damaged hoses. When your bobcat excavator’s hydraulic system is giving you problems, there are a few things you should try to solve the issue. But it has a few limitations, becoming a problem over time. Bobcat excavator hydraulic. Bobcat Excavator Hydraulic Problems.
From www.justanswer.com
I have a bobcat excavator with hydraulic issues.Machine is 2001 331c Bobcat Excavator Hydraulic Problems When your bobcat excavator’s hydraulic system is giving you problems, there are a few things you should try to solve the issue. Low hydraulic pressure video | bobcat company. The most common bobcat 331 problems are hydraulic issues, boom failure, engine issues, electrical problems, fuel system issues, and de. There are several possible causes for this, including low hydraulic fluid. Bobcat Excavator Hydraulic Problems.
From topkitparts.com
bobcat excavator hydraulic problems Bobcat Excavator Hydraulic Problems Hydraulic power loss is a common problem with the bobcat 334 mini excavator. Bobcat excavator hydraulic problems can be effectively solved through a systematic approach to diagnose and address root causes of common problems. When your bobcat excavator’s hydraulic system is giving you problems, there are a few things you should try to solve the issue. The most common bobcat. Bobcat Excavator Hydraulic Problems.
From gardenerpoints.com
How to Fix Common Bobcat E42 Mini Excavator Problems? Bobcat Excavator Hydraulic Problems The most common bobcat 331 problems are hydraulic issues, boom failure, engine issues, electrical problems, fuel system issues, and de. The hydraulic system malfunctions or runs slowly. Hydraulic power loss is a common problem with the bobcat 334 mini excavator. For the bobcat e35 and other bobcat excavators in general, this is a common problem, attributable. Bobcat excavator hydraulic problems. Bobcat Excavator Hydraulic Problems.
From servicepartmanuals.com
Bobcat Excavator 323 Hydraulic & Electrical Schematic Bobcat Excavator Hydraulic Problems Hydraulic power loss is a common problem with the bobcat 334 mini excavator. Bobcat excavator hydraulic problems can be effectively solved through a systematic approach to diagnose and address root causes of common problems. The most common bobcat 331 problems are hydraulic issues, boom failure, engine issues, electrical problems, fuel system issues, and de. When your bobcat excavator’s hydraulic system. Bobcat Excavator Hydraulic Problems.
From topkitparts.com
Hydraulic Pump Troubleshooting Hydraulic pumpSwing MotorHydraulic Bobcat Excavator Hydraulic Problems When your bobcat excavator’s hydraulic system is giving you problems, there are a few things you should try to solve the issue. The hydraulic system malfunctions or runs slowly. Low hydraulic pressure video | bobcat company. There are several possible causes for this, including low hydraulic fluid levels, clogged filters, and damaged hoses. Taking a step by step approach can. Bobcat Excavator Hydraulic Problems.
From servicepartmanuals.com
Bobcat Hydraulic Excavator 116 Service Manual_6570484 Bobcat Excavator Hydraulic Problems Among several bobcat mini excavator models, the bobcat e42 stands out due to its longevity and power. There are several possible causes for this, including low hydraulic fluid levels, clogged filters, and damaged hoses. The hydraulic system malfunctions or runs slowly. When your bobcat excavator’s hydraulic system is giving you problems, there are a few things you should try to. Bobcat Excavator Hydraulic Problems.
From servicepartmanuals.com
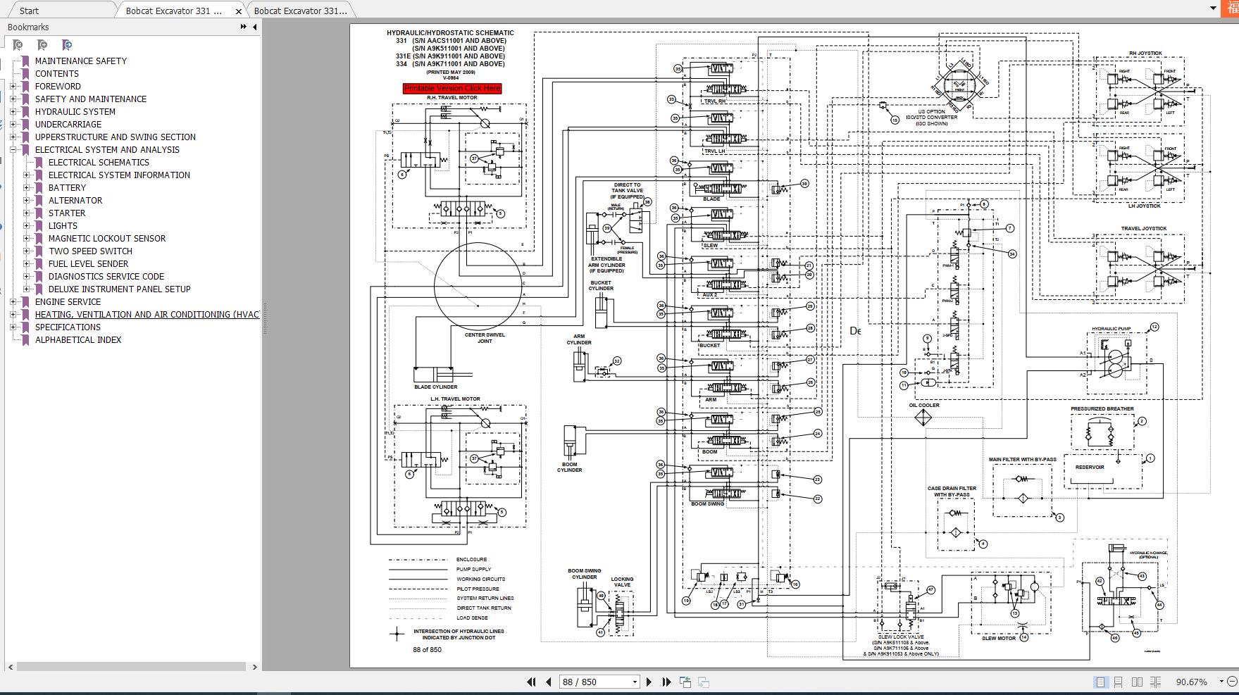
Bobcat Excavator 331 331E 334 Service Manuals Bobcat Excavator Hydraulic Problems Taking a step by step approach can enable to quickly and accurately identify the issues, thus taking appropriate measures. Low hydraulic pressure video | bobcat company. The most common bobcat 331 problems are hydraulic issues, boom failure, engine issues, electrical problems, fuel system issues, and de. Among several bobcat mini excavator models, the bobcat e42 stands out due to its. Bobcat Excavator Hydraulic Problems.
From www.stucchiusa.com
Hydraulic Solutions for Bobcat Mini Excavator Attachments Stucchi USA Bobcat Excavator Hydraulic Problems Hydraulic power loss is a common problem with the bobcat 334 mini excavator. The hydraulic system malfunctions or runs slowly. Low hydraulic pressure video | bobcat company. Bobcat excavator hydraulic problems can be effectively solved through a systematic approach to diagnose and address root causes of common problems. When your bobcat excavator’s hydraulic system is giving you problems, there are. Bobcat Excavator Hydraulic Problems.
From therepairmanual.com
Bobcat 130 Hydraulic Excavator Service Manual Bobcat Excavator Hydraulic Problems Low hydraulic pressure video | bobcat company. When your bobcat excavator’s hydraulic system is giving you problems, there are a few things you should try to solve the issue. Bobcat excavator hydraulic problems can be effectively solved through a systematic approach to diagnose and address root causes of common problems. The hydraulic system malfunctions or runs slowly. The most common. Bobcat Excavator Hydraulic Problems.
From topkitparts.com
bobcat excavator hydraulic problems Bobcat Excavator Hydraulic Problems Low hydraulic pressure video | bobcat company. Bobcat excavator hydraulic problems can be effectively solved through a systematic approach to diagnose and address root causes of common problems. When your bobcat excavator’s hydraulic system is giving you problems, there are a few things you should try to solve the issue. The hydraulic system malfunctions or runs slowly. But it has. Bobcat Excavator Hydraulic Problems.
From ar.inspiredpencil.com
Bobcat Excavator E50 Bobcat Excavator Hydraulic Problems There are several possible causes for this, including low hydraulic fluid levels, clogged filters, and damaged hoses. Among several bobcat mini excavator models, the bobcat e42 stands out due to its longevity and power. The most common bobcat 331 problems are hydraulic issues, boom failure, engine issues, electrical problems, fuel system issues, and de. Bobcat excavator hydraulic problems can be. Bobcat Excavator Hydraulic Problems.
From yardfloor.com
6 Most Common Bobcat 331 Problems and How to Fix Them Bobcat Excavator Hydraulic Problems For the bobcat e35 and other bobcat excavators in general, this is a common problem, attributable. When your bobcat excavator’s hydraulic system is giving you problems, there are a few things you should try to solve the issue. Taking a step by step approach can enable to quickly and accurately identify the issues, thus taking appropriate measures. The most common. Bobcat Excavator Hydraulic Problems.
From www.facebook.com
36" Bobcat excavator hydraulic tilt Bucket Toy Construction Vehicles Bobcat Excavator Hydraulic Problems Taking a step by step approach can enable to quickly and accurately identify the issues, thus taking appropriate measures. Among several bobcat mini excavator models, the bobcat e42 stands out due to its longevity and power. Bobcat excavator hydraulic problems can be effectively solved through a systematic approach to diagnose and address root causes of common problems. But it has. Bobcat Excavator Hydraulic Problems.
From autoepcservice.com
Bobcat Excavator 337 341 Hydraulic & Electrical Schematic Bobcat Excavator Hydraulic Problems Hydraulic power loss is a common problem with the bobcat 334 mini excavator. When your bobcat excavator’s hydraulic system is giving you problems, there are a few things you should try to solve the issue. But it has a few limitations, becoming a problem over time. The most common bobcat 331 problems are hydraulic issues, boom failure, engine issues, electrical. Bobcat Excavator Hydraulic Problems.
From bestexcavatorpart.com
bobcat 763 hydraulic problems and solution Bobcat Excavator Hydraulic Problems There are several possible causes for this, including low hydraulic fluid levels, clogged filters, and damaged hoses. For the bobcat e35 and other bobcat excavators in general, this is a common problem, attributable. Hydraulic power loss is a common problem with the bobcat 334 mini excavator. Taking a step by step approach can enable to quickly and accurately identify the. Bobcat Excavator Hydraulic Problems.
From www.justanswer.com
I have a bobcat mini excavator with hydraulic drive/pump problems, the Bobcat Excavator Hydraulic Problems Among several bobcat mini excavator models, the bobcat e42 stands out due to its longevity and power. But it has a few limitations, becoming a problem over time. The hydraulic system malfunctions or runs slowly. Taking a step by step approach can enable to quickly and accurately identify the issues, thus taking appropriate measures. The most common bobcat 331 problems. Bobcat Excavator Hydraulic Problems.
From www.youtube.com
Bobcat Hydraulic XChange YouTube Bobcat Excavator Hydraulic Problems For the bobcat e35 and other bobcat excavators in general, this is a common problem, attributable. Bobcat excavator hydraulic problems can be effectively solved through a systematic approach to diagnose and address root causes of common problems. The hydraulic system malfunctions or runs slowly. There are several possible causes for this, including low hydraulic fluid levels, clogged filters, and damaged. Bobcat Excavator Hydraulic Problems.
From repair-manuals.com
Bobcat E20 Compact Excavator Service Repair Manual Bobcat Excavator Hydraulic Problems For the bobcat e35 and other bobcat excavators in general, this is a common problem, attributable. The most common bobcat 331 problems are hydraulic issues, boom failure, engine issues, electrical problems, fuel system issues, and de. Hydraulic power loss is a common problem with the bobcat 334 mini excavator. Among several bobcat mini excavator models, the bobcat e42 stands out. Bobcat Excavator Hydraulic Problems.
From gardenerpoints.com
How to Fix Common Bobcat 331 Mini Excavator Problems? Bobcat Excavator Hydraulic Problems Among several bobcat mini excavator models, the bobcat e42 stands out due to its longevity and power. When your bobcat excavator’s hydraulic system is giving you problems, there are a few things you should try to solve the issue. Bobcat excavator hydraulic problems can be effectively solved through a systematic approach to diagnose and address root causes of common problems.. Bobcat Excavator Hydraulic Problems.
From www.bobcat.com
How To Replace Hydraulic Fluid on Bobcat Compact Excavators Bobcat Bobcat Excavator Hydraulic Problems There are several possible causes for this, including low hydraulic fluid levels, clogged filters, and damaged hoses. For the bobcat e35 and other bobcat excavators in general, this is a common problem, attributable. But it has a few limitations, becoming a problem over time. Hydraulic power loss is a common problem with the bobcat 334 mini excavator. Among several bobcat. Bobcat Excavator Hydraulic Problems.