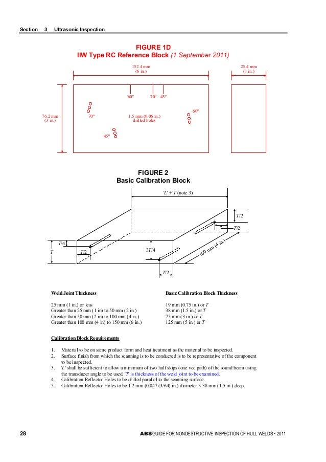
Dac Calibration Block Dimensions . Dac test block setting dac characteristics for shear wave and compression wave probes. The dac calibration block is for setting dac characteristics for shear wave and compression wave probes. 200mm x 50mm x 75mm block with 4 x 3mm side drilled holes (sdh) at specified depths. 75mm thick x 152mm wide x 620mm long. All blocks come will full certification and are manufactured in the uk. Calibration, performing dac/tcg, and more. Ph tool asme (dac) style ervw piping blocks only three blocks needed to cover a large range of pipe sizes, which would otherwise require dozens of calibration blocks. For special alloy request by mail. All blocks are supplied with manufacturer certificate of conformance and. Material thickness & block dimensions. Flaws typically 3mm* diameter holes at 20%, 40%, 60% and 80% of thickness.
from www.alibaba.com
Dac test block setting dac characteristics for shear wave and compression wave probes. For special alloy request by mail. 75mm thick x 152mm wide x 620mm long. Calibration, performing dac/tcg, and more. All blocks are supplied with manufacturer certificate of conformance and. 200mm x 50mm x 75mm block with 4 x 3mm side drilled holes (sdh) at specified depths. All blocks come will full certification and are manufactured in the uk. The dac calibration block is for setting dac characteristics for shear wave and compression wave probes. Flaws typically 3mm* diameter holes at 20%, 40%, 60% and 80% of thickness. Ph tool asme (dac) style ervw piping blocks only three blocks needed to cover a large range of pipe sizes, which would otherwise require dozens of calibration blocks.
Iiw Vi V2 Dac Block Etc Ultrasonic Calibration Test Block Buy
Dac Calibration Block Dimensions For special alloy request by mail. All blocks are supplied with manufacturer certificate of conformance and. For special alloy request by mail. 75mm thick x 152mm wide x 620mm long. 200mm x 50mm x 75mm block with 4 x 3mm side drilled holes (sdh) at specified depths. Flaws typically 3mm* diameter holes at 20%, 40%, 60% and 80% of thickness. Dac test block setting dac characteristics for shear wave and compression wave probes. Material thickness & block dimensions. All blocks come will full certification and are manufactured in the uk. The dac calibration block is for setting dac characteristics for shear wave and compression wave probes. Calibration, performing dac/tcg, and more. Ph tool asme (dac) style ervw piping blocks only three blocks needed to cover a large range of pipe sizes, which would otherwise require dozens of calibration blocks.
From r6500.blogspot.com
R6500 About SLab DAC calibrations Dac Calibration Block Dimensions For special alloy request by mail. Flaws typically 3mm* diameter holes at 20%, 40%, 60% and 80% of thickness. 200mm x 50mm x 75mm block with 4 x 3mm side drilled holes (sdh) at specified depths. All blocks are supplied with manufacturer certificate of conformance and. All blocks come will full certification and are manufactured in the uk. Material thickness. Dac Calibration Block Dimensions.
From www.youtube.com
UT training DAC calibration block part 1 YouTube Dac Calibration Block Dimensions Material thickness & block dimensions. 200mm x 50mm x 75mm block with 4 x 3mm side drilled holes (sdh) at specified depths. All blocks come will full certification and are manufactured in the uk. All blocks are supplied with manufacturer certificate of conformance and. 75mm thick x 152mm wide x 620mm long. The dac calibration block is for setting dac. Dac Calibration Block Dimensions.
From www.youtube.com
DAC Ultrasonic Calibration Block YouTube Dac Calibration Block Dimensions For special alloy request by mail. All blocks come will full certification and are manufactured in the uk. The dac calibration block is for setting dac characteristics for shear wave and compression wave probes. Material thickness & block dimensions. 200mm x 50mm x 75mm block with 4 x 3mm side drilled holes (sdh) at specified depths. 75mm thick x 152mm. Dac Calibration Block Dimensions.
From ndtsupply.com
Ultrasonic Flaw Detection Calibration Blocks ASME (DAC) Cal Blocks Dac Calibration Block Dimensions Ph tool asme (dac) style ervw piping blocks only three blocks needed to cover a large range of pipe sizes, which would otherwise require dozens of calibration blocks. Dac test block setting dac characteristics for shear wave and compression wave probes. Flaws typically 3mm* diameter holes at 20%, 40%, 60% and 80% of thickness. Material thickness & block dimensions. All. Dac Calibration Block Dimensions.
From www.ndetech.org.in
DAC Calibration BlockUltrasonic Calibration Blocks Dac Calibration Block Dimensions Material thickness & block dimensions. The dac calibration block is for setting dac characteristics for shear wave and compression wave probes. 75mm thick x 152mm wide x 620mm long. Calibration, performing dac/tcg, and more. For special alloy request by mail. Dac test block setting dac characteristics for shear wave and compression wave probes. Flaws typically 3mm* diameter holes at 20%,. Dac Calibration Block Dimensions.
From www.scribd.com
Dac Calibration Block Sketch PDF Dac Calibration Block Dimensions Ph tool asme (dac) style ervw piping blocks only three blocks needed to cover a large range of pipe sizes, which would otherwise require dozens of calibration blocks. Material thickness & block dimensions. Calibration, performing dac/tcg, and more. The dac calibration block is for setting dac characteristics for shear wave and compression wave probes. For special alloy request by mail.. Dac Calibration Block Dimensions.
From www.researchgate.net
Conventional DAC current calibration. (a) Calibration principle. (b Dac Calibration Block Dimensions Ph tool asme (dac) style ervw piping blocks only three blocks needed to cover a large range of pipe sizes, which would otherwise require dozens of calibration blocks. 75mm thick x 152mm wide x 620mm long. Calibration, performing dac/tcg, and more. All blocks come will full certification and are manufactured in the uk. All blocks are supplied with manufacturer certificate. Dac Calibration Block Dimensions.
From ndt-kits.com
ASME Basic Calibration Block 2 NDTKITS Dac Calibration Block Dimensions Material thickness & block dimensions. All blocks are supplied with manufacturer certificate of conformance and. Dac test block setting dac characteristics for shear wave and compression wave probes. 75mm thick x 152mm wide x 620mm long. Flaws typically 3mm* diameter holes at 20%, 40%, 60% and 80% of thickness. All blocks come will full certification and are manufactured in the. Dac Calibration Block Dimensions.
From store.eddyfi.com
Calibration block, carbon steel for DAC, ref AC103 Eddyfi eStore Dac Calibration Block Dimensions Ph tool asme (dac) style ervw piping blocks only three blocks needed to cover a large range of pipe sizes, which would otherwise require dozens of calibration blocks. 75mm thick x 152mm wide x 620mm long. 200mm x 50mm x 75mm block with 4 x 3mm side drilled holes (sdh) at specified depths. The dac calibration block is for setting. Dac Calibration Block Dimensions.
From www.alibaba.com
Iiw V2 Ultrasonic Calibration Blocks For Ndt Buy Ultrasonic Dac Calibration Block Dimensions For special alloy request by mail. Ph tool asme (dac) style ervw piping blocks only three blocks needed to cover a large range of pipe sizes, which would otherwise require dozens of calibration blocks. Calibration, performing dac/tcg, and more. The dac calibration block is for setting dac characteristics for shear wave and compression wave probes. 200mm x 50mm x 75mm. Dac Calibration Block Dimensions.
From www.alibaba.com
Iiw Vi V2 Dac Block Etc Ultrasonic Calibration Test Block Buy Dac Calibration Block Dimensions Dac test block setting dac characteristics for shear wave and compression wave probes. For special alloy request by mail. The dac calibration block is for setting dac characteristics for shear wave and compression wave probes. 75mm thick x 152mm wide x 620mm long. Calibration, performing dac/tcg, and more. Ph tool asme (dac) style ervw piping blocks only three blocks needed. Dac Calibration Block Dimensions.
From www.alibaba.com
Iiw V2 Ultrasonic Calibration Blocks For Ndt Buy Ultrasonic Dac Calibration Block Dimensions All blocks are supplied with manufacturer certificate of conformance and. 200mm x 50mm x 75mm block with 4 x 3mm side drilled holes (sdh) at specified depths. Calibration, performing dac/tcg, and more. For special alloy request by mail. All blocks come will full certification and are manufactured in the uk. Ph tool asme (dac) style ervw piping blocks only three. Dac Calibration Block Dimensions.
From ndt-instrument.en.alibaba.com
IIW VI V2 DAC block etc, Ultrasonic Calibration Block, ultrasonic test Dac Calibration Block Dimensions Dac test block setting dac characteristics for shear wave and compression wave probes. Calibration, performing dac/tcg, and more. All blocks come will full certification and are manufactured in the uk. The dac calibration block is for setting dac characteristics for shear wave and compression wave probes. Material thickness & block dimensions. All blocks are supplied with manufacturer certificate of conformance. Dac Calibration Block Dimensions.
From ndt-instrument.en.alibaba.com
IIW VI V2 DAC block etc Ultrasonic Calibration Test Block, View Dac Calibration Block Dimensions Ph tool asme (dac) style ervw piping blocks only three blocks needed to cover a large range of pipe sizes, which would otherwise require dozens of calibration blocks. The dac calibration block is for setting dac characteristics for shear wave and compression wave probes. For special alloy request by mail. All blocks are supplied with manufacturer certificate of conformance and.. Dac Calibration Block Dimensions.
From sensotec.ir
DAC PIPING Calibration BlockDACPIPINGفروشگاه سنسوتک Dac Calibration Block Dimensions Dac test block setting dac characteristics for shear wave and compression wave probes. Flaws typically 3mm* diameter holes at 20%, 40%, 60% and 80% of thickness. Calibration, performing dac/tcg, and more. All blocks come will full certification and are manufactured in the uk. 75mm thick x 152mm wide x 620mm long. Material thickness & block dimensions. Ph tool asme (dac). Dac Calibration Block Dimensions.
From www.alibaba.com
Iiw Vi V2 Dac Block Etc,Ultrasonic Calibration Block,Ultrasonic Test Dac Calibration Block Dimensions Calibration, performing dac/tcg, and more. Material thickness & block dimensions. The dac calibration block is for setting dac characteristics for shear wave and compression wave probes. Dac test block setting dac characteristics for shear wave and compression wave probes. All blocks are supplied with manufacturer certificate of conformance and. All blocks come will full certification and are manufactured in the. Dac Calibration Block Dimensions.
From www.researchgate.net
Conventional DAC current calibration. (a) Calibration principle. (b Dac Calibration Block Dimensions 200mm x 50mm x 75mm block with 4 x 3mm side drilled holes (sdh) at specified depths. Flaws typically 3mm* diameter holes at 20%, 40%, 60% and 80% of thickness. All blocks are supplied with manufacturer certificate of conformance and. For special alloy request by mail. Dac test block setting dac characteristics for shear wave and compression wave probes. 75mm. Dac Calibration Block Dimensions.
From ndtsupply.com
Ultrasonic Flaw Detection Calibration Blocks ASME (DAC) Cal Blocks Dac Calibration Block Dimensions All blocks come will full certification and are manufactured in the uk. All blocks are supplied with manufacturer certificate of conformance and. 75mm thick x 152mm wide x 620mm long. For special alloy request by mail. The dac calibration block is for setting dac characteristics for shear wave and compression wave probes. Ph tool asme (dac) style ervw piping blocks. Dac Calibration Block Dimensions.
From www.ndttester.com
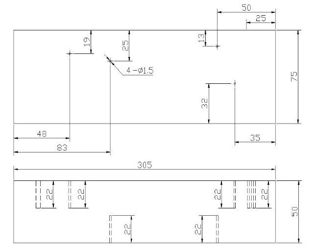
305mm x 75mm x 50mm IOW Ultrasonic Calibration Blocks IOW for beam Dac Calibration Block Dimensions Material thickness & block dimensions. All blocks are supplied with manufacturer certificate of conformance and. Dac test block setting dac characteristics for shear wave and compression wave probes. 75mm thick x 152mm wide x 620mm long. For special alloy request by mail. All blocks come will full certification and are manufactured in the uk. Ph tool asme (dac) style ervw. Dac Calibration Block Dimensions.
From www.alibaba.com
Dac Ultrasonic Calibration Test Block Buy Ultrasonic Test Block dac Dac Calibration Block Dimensions All blocks come will full certification and are manufactured in the uk. Calibration, performing dac/tcg, and more. The dac calibration block is for setting dac characteristics for shear wave and compression wave probes. Flaws typically 3mm* diameter holes at 20%, 40%, 60% and 80% of thickness. Ph tool asme (dac) style ervw piping blocks only three blocks needed to cover. Dac Calibration Block Dimensions.
From www.alibaba.com
Dana Ultrasonic Flaw Detector Calibration Testing Block Dac Curve Dac Calibration Block Dimensions Flaws typically 3mm* diameter holes at 20%, 40%, 60% and 80% of thickness. 200mm x 50mm x 75mm block with 4 x 3mm side drilled holes (sdh) at specified depths. The dac calibration block is for setting dac characteristics for shear wave and compression wave probes. Dac test block setting dac characteristics for shear wave and compression wave probes. All. Dac Calibration Block Dimensions.
From ndtvendor.com
DAC (TIF) Block Reference Test Blocks Dac Calibration Block Dimensions 75mm thick x 152mm wide x 620mm long. All blocks are supplied with manufacturer certificate of conformance and. 200mm x 50mm x 75mm block with 4 x 3mm side drilled holes (sdh) at specified depths. Calibration, performing dac/tcg, and more. Flaws typically 3mm* diameter holes at 20%, 40%, 60% and 80% of thickness. Ph tool asme (dac) style ervw piping. Dac Calibration Block Dimensions.
From www.alibaba.com
Iiw V2 Ultrasonic Calibration Blocks For Ndt Buy Ultrasonic Dac Calibration Block Dimensions 75mm thick x 152mm wide x 620mm long. For special alloy request by mail. All blocks come will full certification and are manufactured in the uk. Flaws typically 3mm* diameter holes at 20%, 40%, 60% and 80% of thickness. Material thickness & block dimensions. The dac calibration block is for setting dac characteristics for shear wave and compression wave probes.. Dac Calibration Block Dimensions.
From www.slideshare.net
DAC Calibration blocks Dac Calibration Block Dimensions Flaws typically 3mm* diameter holes at 20%, 40%, 60% and 80% of thickness. 200mm x 50mm x 75mm block with 4 x 3mm side drilled holes (sdh) at specified depths. Calibration, performing dac/tcg, and more. The dac calibration block is for setting dac characteristics for shear wave and compression wave probes. For special alloy request by mail. 75mm thick x. Dac Calibration Block Dimensions.
From ndt-instrument.en.alibaba.com
IIW VI V2 DAC block etc, Ultrasonic Calibration Block, ultrasonic test Dac Calibration Block Dimensions Material thickness & block dimensions. 75mm thick x 152mm wide x 620mm long. Dac test block setting dac characteristics for shear wave and compression wave probes. 200mm x 50mm x 75mm block with 4 x 3mm side drilled holes (sdh) at specified depths. All blocks come will full certification and are manufactured in the uk. For special alloy request by. Dac Calibration Block Dimensions.
From ndetech.org.in
11 Step Calibration BlockThickness Gauge Calibration Block Dac Calibration Block Dimensions Calibration, performing dac/tcg, and more. Material thickness & block dimensions. The dac calibration block is for setting dac characteristics for shear wave and compression wave probes. Flaws typically 3mm* diameter holes at 20%, 40%, 60% and 80% of thickness. 75mm thick x 152mm wide x 620mm long. All blocks are supplied with manufacturer certificate of conformance and. 200mm x 50mm. Dac Calibration Block Dimensions.
From www.ndetech.org.in
DAC GSET Reference Standard BlockET Reference and Calibration Blocks Dac Calibration Block Dimensions 75mm thick x 152mm wide x 620mm long. Ph tool asme (dac) style ervw piping blocks only three blocks needed to cover a large range of pipe sizes, which would otherwise require dozens of calibration blocks. For special alloy request by mail. 200mm x 50mm x 75mm block with 4 x 3mm side drilled holes (sdh) at specified depths. Calibration,. Dac Calibration Block Dimensions.
From www.semanticscholar.org
Digitaldomain calibration of splitcapacitor DAC with no extra Dac Calibration Block Dimensions All blocks are supplied with manufacturer certificate of conformance and. All blocks come will full certification and are manufactured in the uk. 200mm x 50mm x 75mm block with 4 x 3mm side drilled holes (sdh) at specified depths. 75mm thick x 152mm wide x 620mm long. Dac test block setting dac characteristics for shear wave and compression wave probes.. Dac Calibration Block Dimensions.
From www.slideshare.net
Abs feb14 Dac Calibration Block Dimensions Calibration, performing dac/tcg, and more. Material thickness & block dimensions. 200mm x 50mm x 75mm block with 4 x 3mm side drilled holes (sdh) at specified depths. Ph tool asme (dac) style ervw piping blocks only three blocks needed to cover a large range of pipe sizes, which would otherwise require dozens of calibration blocks. All blocks come will full. Dac Calibration Block Dimensions.
From sonatest.com
DAC Blocks Sonatest Dac Calibration Block Dimensions Calibration, performing dac/tcg, and more. 75mm thick x 152mm wide x 620mm long. For special alloy request by mail. All blocks come will full certification and are manufactured in the uk. All blocks are supplied with manufacturer certificate of conformance and. 200mm x 50mm x 75mm block with 4 x 3mm side drilled holes (sdh) at specified depths. Flaws typically. Dac Calibration Block Dimensions.
From www.alibaba.com
Iiw Vi V2 Dac Block Etc Ultrasonic Calibration Test Block Buy Dac Calibration Block Dimensions Material thickness & block dimensions. Flaws typically 3mm* diameter holes at 20%, 40%, 60% and 80% of thickness. Dac test block setting dac characteristics for shear wave and compression wave probes. All blocks are supplied with manufacturer certificate of conformance and. All blocks come will full certification and are manufactured in the uk. 75mm thick x 152mm wide x 620mm. Dac Calibration Block Dimensions.
From ndt-instrument.en.alibaba.com
IIW VI V2 DAC block etc Ultrasonic Calibration Test Block, View Dac Calibration Block Dimensions Flaws typically 3mm* diameter holes at 20%, 40%, 60% and 80% of thickness. All blocks are supplied with manufacturer certificate of conformance and. Calibration, performing dac/tcg, and more. 75mm thick x 152mm wide x 620mm long. The dac calibration block is for setting dac characteristics for shear wave and compression wave probes. All blocks come will full certification and are. Dac Calibration Block Dimensions.
From ndtsupply.com
Ultrasonic Flaw Detection Calibration Blocks ASME (DAC) Cal Blocks Dac Calibration Block Dimensions All blocks are supplied with manufacturer certificate of conformance and. Flaws typically 3mm* diameter holes at 20%, 40%, 60% and 80% of thickness. 75mm thick x 152mm wide x 620mm long. For special alloy request by mail. All blocks come will full certification and are manufactured in the uk. Ph tool asme (dac) style ervw piping blocks only three blocks. Dac Calibration Block Dimensions.
From smg-ndt.com
DAC Ultrasonic Calibration Blocks SMG NDT Ltd Dac Calibration Block Dimensions All blocks are supplied with manufacturer certificate of conformance and. The dac calibration block is for setting dac characteristics for shear wave and compression wave probes. Calibration, performing dac/tcg, and more. Flaws typically 3mm* diameter holes at 20%, 40%, 60% and 80% of thickness. 200mm x 50mm x 75mm block with 4 x 3mm side drilled holes (sdh) at specified. Dac Calibration Block Dimensions.
From www.oceanscan.net
DAC TEST BLOCK Oceanscan Dac Calibration Block Dimensions Flaws typically 3mm* diameter holes at 20%, 40%, 60% and 80% of thickness. For special alloy request by mail. Material thickness & block dimensions. Ph tool asme (dac) style ervw piping blocks only three blocks needed to cover a large range of pipe sizes, which would otherwise require dozens of calibration blocks. 200mm x 50mm x 75mm block with 4. Dac Calibration Block Dimensions.