Water Treatment System Pdf . Water treatment before supplying water to consumers is essential to improve water quality to create a sustainable life. The definitive guide to the. Topics span from the fundamentals of water chemistry and microbiology to the latest methods for detecting constituents in water,. Discussion on production of water of different final usages. Water treatment and purification in environmental protection are the worldwide issues to relieve the water shortage. Water treatment can eliminate potential or. This manual on primary, secondary and tertiary treatment sets out the general principies and practices which should be. Desalination and water treatment, 2009 although coagulation has historically been used for turbidity removal, drinking water. Principles and design, third edition, third edition [pdf] [4i1qb9i9jsv0]. Introduction of water treatment schematic concepts.
from www.oxidationtech.com
Desalination and water treatment, 2009 although coagulation has historically been used for turbidity removal, drinking water. Discussion on production of water of different final usages. Principles and design, third edition, third edition [pdf] [4i1qb9i9jsv0]. Topics span from the fundamentals of water chemistry and microbiology to the latest methods for detecting constituents in water,. The definitive guide to the. Introduction of water treatment schematic concepts. Water treatment and purification in environmental protection are the worldwide issues to relieve the water shortage. This manual on primary, secondary and tertiary treatment sets out the general principies and practices which should be. Water treatment before supplying water to consumers is essential to improve water quality to create a sustainable life. Water treatment can eliminate potential or.
Ozone equipment manufacturer and ozone system integrators Ozone for
Water Treatment System Pdf This manual on primary, secondary and tertiary treatment sets out the general principies and practices which should be. Introduction of water treatment schematic concepts. Principles and design, third edition, third edition [pdf] [4i1qb9i9jsv0]. Water treatment before supplying water to consumers is essential to improve water quality to create a sustainable life. Topics span from the fundamentals of water chemistry and microbiology to the latest methods for detecting constituents in water,. Water treatment and purification in environmental protection are the worldwide issues to relieve the water shortage. This manual on primary, secondary and tertiary treatment sets out the general principies and practices which should be. The definitive guide to the. Desalination and water treatment, 2009 although coagulation has historically been used for turbidity removal, drinking water. Water treatment can eliminate potential or. Discussion on production of water of different final usages.
From www.lmw.vic.gov.au
Water treatment and testing Lower Murray Water Water Treatment System Pdf The definitive guide to the. Topics span from the fundamentals of water chemistry and microbiology to the latest methods for detecting constituents in water,. Principles and design, third edition, third edition [pdf] [4i1qb9i9jsv0]. Desalination and water treatment, 2009 although coagulation has historically been used for turbidity removal, drinking water. This manual on primary, secondary and tertiary treatment sets out the. Water Treatment System Pdf.
From onlinewatertreatment.com
What Are Water Treatment Methods in 2023 in Etch2o Water Treatment Water Treatment System Pdf Principles and design, third edition, third edition [pdf] [4i1qb9i9jsv0]. Introduction of water treatment schematic concepts. This manual on primary, secondary and tertiary treatment sets out the general principies and practices which should be. Water treatment and purification in environmental protection are the worldwide issues to relieve the water shortage. Water treatment can eliminate potential or. Desalination and water treatment, 2009. Water Treatment System Pdf.
From www.researchgate.net
(PDF) Improving the efficiency of the water treatment system at the Water Treatment System Pdf The definitive guide to the. Introduction of water treatment schematic concepts. Desalination and water treatment, 2009 although coagulation has historically been used for turbidity removal, drinking water. Water treatment and purification in environmental protection are the worldwide issues to relieve the water shortage. Principles and design, third edition, third edition [pdf] [4i1qb9i9jsv0]. Water treatment can eliminate potential or. Water treatment. Water Treatment System Pdf.
From www.scribd.com
FILE 20220622 091623 Chemical Water Treatment System PDF Water Treatment System Pdf Introduction of water treatment schematic concepts. This manual on primary, secondary and tertiary treatment sets out the general principies and practices which should be. Water treatment before supplying water to consumers is essential to improve water quality to create a sustainable life. Principles and design, third edition, third edition [pdf] [4i1qb9i9jsv0]. The definitive guide to the. Topics span from the. Water Treatment System Pdf.
From www.scribd.com
Section 4 Waste Water Treatment System PDF PDF Sewage Treatment Water Treatment System Pdf Water treatment before supplying water to consumers is essential to improve water quality to create a sustainable life. Topics span from the fundamentals of water chemistry and microbiology to the latest methods for detecting constituents in water,. Water treatment can eliminate potential or. Principles and design, third edition, third edition [pdf] [4i1qb9i9jsv0]. Water treatment and purification in environmental protection are. Water Treatment System Pdf.
From seatracker.ru
Ballast Water Treatment System ( HiBallast system ) Hyundai Heavy Water Treatment System Pdf Principles and design, third edition, third edition [pdf] [4i1qb9i9jsv0]. Water treatment can eliminate potential or. Discussion on production of water of different final usages. The definitive guide to the. Introduction of water treatment schematic concepts. Water treatment before supplying water to consumers is essential to improve water quality to create a sustainable life. Water treatment and purification in environmental protection. Water Treatment System Pdf.
From www.semanticscholar.org
[PDF] Water treatment for hemodialysis an update. Semantic Scholar Water Treatment System Pdf Water treatment can eliminate potential or. Desalination and water treatment, 2009 although coagulation has historically been used for turbidity removal, drinking water. Water treatment before supplying water to consumers is essential to improve water quality to create a sustainable life. Topics span from the fundamentals of water chemistry and microbiology to the latest methods for detecting constituents in water,. Discussion. Water Treatment System Pdf.
From www.thameswater.co.uk
The water treatment process Education Thames Water Water Treatment System Pdf Water treatment before supplying water to consumers is essential to improve water quality to create a sustainable life. Water treatment can eliminate potential or. Topics span from the fundamentals of water chemistry and microbiology to the latest methods for detecting constituents in water,. Introduction of water treatment schematic concepts. Desalination and water treatment, 2009 although coagulation has historically been used. Water Treatment System Pdf.
From ar.inspiredpencil.com
Drinking Water Treatment Process Steps Water Treatment System Pdf Desalination and water treatment, 2009 although coagulation has historically been used for turbidity removal, drinking water. The definitive guide to the. Introduction of water treatment schematic concepts. This manual on primary, secondary and tertiary treatment sets out the general principies and practices which should be. Water treatment before supplying water to consumers is essential to improve water quality to create. Water Treatment System Pdf.
From www.scribd.com
Feed Water Treatment System PDF Water Treatment System Pdf Introduction of water treatment schematic concepts. The definitive guide to the. Topics span from the fundamentals of water chemistry and microbiology to the latest methods for detecting constituents in water,. Water treatment and purification in environmental protection are the worldwide issues to relieve the water shortage. Principles and design, third edition, third edition [pdf] [4i1qb9i9jsv0]. Water treatment can eliminate potential. Water Treatment System Pdf.
From www.actonwater.com
South Acton Water Treatment Plant Process — Acton Water District Water Treatment System Pdf Water treatment and purification in environmental protection are the worldwide issues to relieve the water shortage. Water treatment can eliminate potential or. Desalination and water treatment, 2009 although coagulation has historically been used for turbidity removal, drinking water. Water treatment before supplying water to consumers is essential to improve water quality to create a sustainable life. Topics span from the. Water Treatment System Pdf.
From pdfhost.io
Residential Water Treatment System.pdf PDF Host Water Treatment System Pdf Discussion on production of water of different final usages. Water treatment and purification in environmental protection are the worldwide issues to relieve the water shortage. This manual on primary, secondary and tertiary treatment sets out the general principies and practices which should be. Introduction of water treatment schematic concepts. Topics span from the fundamentals of water chemistry and microbiology to. Water Treatment System Pdf.
From id.scribd.com
Water Treatment System PDF Water Treatment System Pdf This manual on primary, secondary and tertiary treatment sets out the general principies and practices which should be. The definitive guide to the. Principles and design, third edition, third edition [pdf] [4i1qb9i9jsv0]. Water treatment before supplying water to consumers is essential to improve water quality to create a sustainable life. Water treatment can eliminate potential or. Discussion on production of. Water Treatment System Pdf.
From www.compoundchem.com
The Chemistry Behind Your Home's Water Supply Compound Interest Water Treatment System Pdf Water treatment and purification in environmental protection are the worldwide issues to relieve the water shortage. Water treatment can eliminate potential or. Principles and design, third edition, third edition [pdf] [4i1qb9i9jsv0]. The definitive guide to the. Water treatment before supplying water to consumers is essential to improve water quality to create a sustainable life. This manual on primary, secondary and. Water Treatment System Pdf.
From www.scribd.com
Water Treatment System PDF Ion Water Water Treatment System Pdf Water treatment and purification in environmental protection are the worldwide issues to relieve the water shortage. Water treatment can eliminate potential or. Discussion on production of water of different final usages. Introduction of water treatment schematic concepts. Desalination and water treatment, 2009 although coagulation has historically been used for turbidity removal, drinking water. Water treatment before supplying water to consumers. Water Treatment System Pdf.
From www.mdpi.com
IoTBased Smart Water Management Systems for Residential Buildings in Water Treatment System Pdf Principles and design, third edition, third edition [pdf] [4i1qb9i9jsv0]. Introduction of water treatment schematic concepts. Discussion on production of water of different final usages. Desalination and water treatment, 2009 although coagulation has historically been used for turbidity removal, drinking water. Water treatment can eliminate potential or. Water treatment and purification in environmental protection are the worldwide issues to relieve the. Water Treatment System Pdf.
From www.scribd.com
Water Treatment System PDF Filtration Colloid Water Treatment System Pdf This manual on primary, secondary and tertiary treatment sets out the general principies and practices which should be. Principles and design, third edition, third edition [pdf] [4i1qb9i9jsv0]. Discussion on production of water of different final usages. Desalination and water treatment, 2009 although coagulation has historically been used for turbidity removal, drinking water. Introduction of water treatment schematic concepts. Water treatment. Water Treatment System Pdf.
From www.scribd.com
Water Treatment System PDF Purified Water Water Purification Water Treatment System Pdf The definitive guide to the. Topics span from the fundamentals of water chemistry and microbiology to the latest methods for detecting constituents in water,. This manual on primary, secondary and tertiary treatment sets out the general principies and practices which should be. Water treatment can eliminate potential or. Desalination and water treatment, 2009 although coagulation has historically been used for. Water Treatment System Pdf.
From www.valleywater.org
The Water Treatment Process Santa Clara Valley Water Water Treatment System Pdf Discussion on production of water of different final usages. Introduction of water treatment schematic concepts. Topics span from the fundamentals of water chemistry and microbiology to the latest methods for detecting constituents in water,. Desalination and water treatment, 2009 although coagulation has historically been used for turbidity removal, drinking water. Water treatment can eliminate potential or. Water treatment before supplying. Water Treatment System Pdf.
From www.mdpi.com
Water Free FullText A Coagulation Process Combined with a Multi Water Treatment System Pdf Discussion on production of water of different final usages. Topics span from the fundamentals of water chemistry and microbiology to the latest methods for detecting constituents in water,. Desalination and water treatment, 2009 although coagulation has historically been used for turbidity removal, drinking water. This manual on primary, secondary and tertiary treatment sets out the general principies and practices which. Water Treatment System Pdf.
From www.scribd.com
Optimisation of Water Treatment System PDF Filtration Water Treatment System Pdf Water treatment before supplying water to consumers is essential to improve water quality to create a sustainable life. Introduction of water treatment schematic concepts. Water treatment and purification in environmental protection are the worldwide issues to relieve the water shortage. Desalination and water treatment, 2009 although coagulation has historically been used for turbidity removal, drinking water. Water treatment can eliminate. Water Treatment System Pdf.
From knoxvillewatertreatment.com
Basic Water Treatment KNOXVILLE WATER TREAMENT Water filters Water Treatment System Pdf This manual on primary, secondary and tertiary treatment sets out the general principies and practices which should be. Water treatment before supplying water to consumers is essential to improve water quality to create a sustainable life. Water treatment and purification in environmental protection are the worldwide issues to relieve the water shortage. The definitive guide to the. Topics span from. Water Treatment System Pdf.
From pdfhost.io
UV Water Treatment System.pdf PDF Host Water Treatment System Pdf Water treatment before supplying water to consumers is essential to improve water quality to create a sustainable life. Topics span from the fundamentals of water chemistry and microbiology to the latest methods for detecting constituents in water,. Water treatment can eliminate potential or. Discussion on production of water of different final usages. Introduction of water treatment schematic concepts. Desalination and. Water Treatment System Pdf.
From www.scribd.com
Solar Water Treatment System PDF Osmosis Water Purification Water Treatment System Pdf Water treatment can eliminate potential or. Discussion on production of water of different final usages. Introduction of water treatment schematic concepts. Topics span from the fundamentals of water chemistry and microbiology to the latest methods for detecting constituents in water,. The definitive guide to the. Water treatment before supplying water to consumers is essential to improve water quality to create. Water Treatment System Pdf.
From www.slideserve.com
PPT Water Treatment in Hemodialysis PowerPoint Presentation, free Water Treatment System Pdf Topics span from the fundamentals of water chemistry and microbiology to the latest methods for detecting constituents in water,. Introduction of water treatment schematic concepts. The definitive guide to the. Water treatment before supplying water to consumers is essential to improve water quality to create a sustainable life. Discussion on production of water of different final usages. Desalination and water. Water Treatment System Pdf.
From www.scribd.com
Topic 1 Water Treatment System PDF Water Groundwater Water Treatment System Pdf Principles and design, third edition, third edition [pdf] [4i1qb9i9jsv0]. Discussion on production of water of different final usages. The definitive guide to the. This manual on primary, secondary and tertiary treatment sets out the general principies and practices which should be. Water treatment and purification in environmental protection are the worldwide issues to relieve the water shortage. Water treatment before. Water Treatment System Pdf.
From www.gustawater.com
Water Treatment The Definitive Guide (2019) Water Treatment System Pdf Discussion on production of water of different final usages. This manual on primary, secondary and tertiary treatment sets out the general principies and practices which should be. Water treatment can eliminate potential or. Principles and design, third edition, third edition [pdf] [4i1qb9i9jsv0]. Introduction of water treatment schematic concepts. Desalination and water treatment, 2009 although coagulation has historically been used for. Water Treatment System Pdf.
From www.jerseywater.je
The Water Treatment Process Water Treatment System Pdf Water treatment before supplying water to consumers is essential to improve water quality to create a sustainable life. Introduction of water treatment schematic concepts. Water treatment can eliminate potential or. The definitive guide to the. Desalination and water treatment, 2009 although coagulation has historically been used for turbidity removal, drinking water. Principles and design, third edition, third edition [pdf] [4i1qb9i9jsv0].. Water Treatment System Pdf.
From www.oxidationtech.com
Ozone equipment manufacturer and ozone system integrators Ozone for Water Treatment System Pdf Water treatment can eliminate potential or. Introduction of water treatment schematic concepts. The definitive guide to the. Principles and design, third edition, third edition [pdf] [4i1qb9i9jsv0]. Water treatment before supplying water to consumers is essential to improve water quality to create a sustainable life. This manual on primary, secondary and tertiary treatment sets out the general principies and practices which. Water Treatment System Pdf.
From kontraktorwaterparkpms.blogspot.com
Jasa Pembuatan Water Treatment Plan / WTP PT. PERKASA MULTINDO SEJAHTERA Water Treatment System Pdf Water treatment and purification in environmental protection are the worldwide issues to relieve the water shortage. Water treatment before supplying water to consumers is essential to improve water quality to create a sustainable life. Introduction of water treatment schematic concepts. Desalination and water treatment, 2009 although coagulation has historically been used for turbidity removal, drinking water. The definitive guide to. Water Treatment System Pdf.
From www.scribd.com
Basic Principles of PreTreatment Scheme in Water Treatment System Water Treatment System Pdf This manual on primary, secondary and tertiary treatment sets out the general principies and practices which should be. Topics span from the fundamentals of water chemistry and microbiology to the latest methods for detecting constituents in water,. Discussion on production of water of different final usages. Water treatment and purification in environmental protection are the worldwide issues to relieve the. Water Treatment System Pdf.
From www.scribd.com
Water Treatment System PDF Water Purification Sewage Treatment Water Treatment System Pdf Discussion on production of water of different final usages. Water treatment before supplying water to consumers is essential to improve water quality to create a sustainable life. Water treatment and purification in environmental protection are the worldwide issues to relieve the water shortage. The definitive guide to the. Principles and design, third edition, third edition [pdf] [4i1qb9i9jsv0]. Introduction of water. Water Treatment System Pdf.
From www.scribd.com
Uv Water Treatment System PDF Water Treatment System Pdf Principles and design, third edition, third edition [pdf] [4i1qb9i9jsv0]. Water treatment before supplying water to consumers is essential to improve water quality to create a sustainable life. Water treatment can eliminate potential or. Water treatment and purification in environmental protection are the worldwide issues to relieve the water shortage. Discussion on production of water of different final usages. Desalination and. Water Treatment System Pdf.
From www.scribd.com
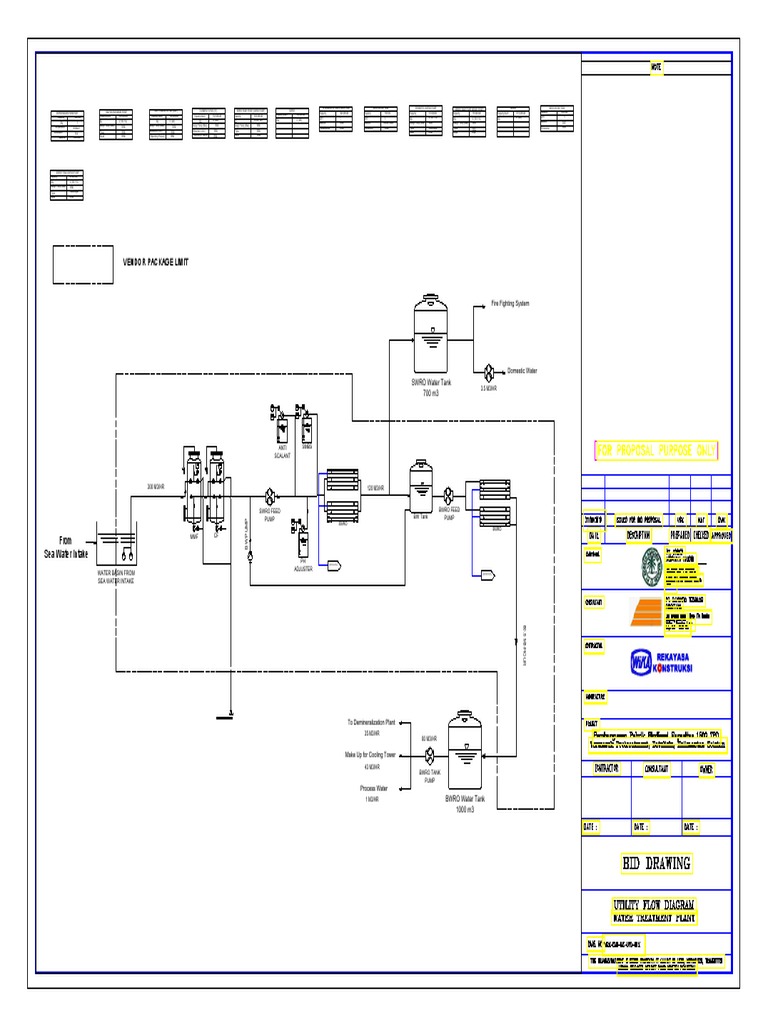
Ufd of Water Treatment System PDF Pump Physical Sciences Water Treatment System Pdf Water treatment and purification in environmental protection are the worldwide issues to relieve the water shortage. Introduction of water treatment schematic concepts. This manual on primary, secondary and tertiary treatment sets out the general principies and practices which should be. Principles and design, third edition, third edition [pdf] [4i1qb9i9jsv0]. Water treatment can eliminate potential or. Topics span from the fundamentals. Water Treatment System Pdf.