Pto Clutch Adjustment John Deere . Remove clip pin (b) from forward end of pto clutch rod. If this is not happening at all or is. If there is more than 1/2 free travel, adjust it to get down to. Pop the one closest to the engine out. Adjusting pto clutch operating rod. Take and post a couple. If your electric pto clutch is adjustable one should check and adjust if needed. Move pto lever (a) to rearward (disengaged) position. Use jdg52 clutch adjusting gauge (shown). Adjust clutch finger screw (a) to touch raised center portion. Be sure to check the free travel adjustment on the clutch pedal. If the blades aren’t engaging properly, there’s a. The pto system on john deere mowers and tractors is designed to disengage the blades within approximately five seconds of activation. Loosen jam nut (c) from rear of front. Today i’m going to show how to adjust the pto clutch on my john deere 318.
from www.yesterdaystractors.com
Pop the one closest to the engine out. If the blades aren’t engaging properly, there’s a. The pto system on john deere mowers and tractors is designed to disengage the blades within approximately five seconds of activation. If this is not happening at all or is. Adjusting pto clutch operating rod. Remove clip pin (b) from forward end of pto clutch rod. Today i’m going to show how to adjust the pto clutch on my john deere 318. Take and post a couple. Move pto lever (a) to rearward (disengaged) position. Be sure to check the free travel adjustment on the clutch pedal.
John Deere 2010 PTO clutch adjustment Yesterday's Tractors
Pto Clutch Adjustment John Deere If there is more than 1/2 free travel, adjust it to get down to. Pop the one closest to the engine out. Today i’m going to show how to adjust the pto clutch on my john deere 318. Loosen jam nut (c) from rear of front. Adjusting pto clutch operating rod. If the blades aren’t engaging properly, there’s a. If your electric pto clutch is adjustable one should check and adjust if needed. If there is more than 1/2 free travel, adjust it to get down to. The pto system on john deere mowers and tractors is designed to disengage the blades within approximately five seconds of activation. Move pto lever (a) to rearward (disengaged) position. Take and post a couple. Be sure to check the free travel adjustment on the clutch pedal. Remove clip pin (b) from forward end of pto clutch rod. Use jdg52 clutch adjusting gauge (shown). Adjust clutch finger screw (a) to touch raised center portion. If this is not happening at all or is.
From www.youtube.com
How to Adjust John Deere A, B, D, and G clutch YouTube Pto Clutch Adjustment John Deere Adjusting pto clutch operating rod. Remove clip pin (b) from forward end of pto clutch rod. Move pto lever (a) to rearward (disengaged) position. Be sure to check the free travel adjustment on the clutch pedal. Use jdg52 clutch adjusting gauge (shown). Pop the one closest to the engine out. Adjust clutch finger screw (a) to touch raised center portion.. Pto Clutch Adjustment John Deere.
From www.bootheeltractorparts.com
John Deere Pto Clutch for John Deere 2150, 2155, 2240, 2255, 2350, 2355 Pto Clutch Adjustment John Deere Move pto lever (a) to rearward (disengaged) position. Use jdg52 clutch adjusting gauge (shown). Pop the one closest to the engine out. The pto system on john deere mowers and tractors is designed to disengage the blades within approximately five seconds of activation. Adjust clutch finger screw (a) to touch raised center portion. Loosen jam nut (c) from rear of. Pto Clutch Adjustment John Deere.
From www.youtube.com
How to Assemble Your John Deere PTO Clutch Pack YouTube Pto Clutch Adjustment John Deere If there is more than 1/2 free travel, adjust it to get down to. Use jdg52 clutch adjusting gauge (shown). Remove clip pin (b) from forward end of pto clutch rod. Adjust clutch finger screw (a) to touch raised center portion. If this is not happening at all or is. Adjusting pto clutch operating rod. Loosen jam nut (c) from. Pto Clutch Adjustment John Deere.
From 777parts.net
CLUTCH (INDEPENDENT PTO) [01G20] TRACTOR John Deere 1250 TRACTOR Pto Clutch Adjustment John Deere Take and post a couple. Today i’m going to show how to adjust the pto clutch on my john deere 318. If your electric pto clutch is adjustable one should check and adjust if needed. Pop the one closest to the engine out. Use jdg52 clutch adjusting gauge (shown). If the blades aren’t engaging properly, there’s a. Remove clip pin. Pto Clutch Adjustment John Deere.
From www.justanswer.com
John Deere 1020 Clutch Adjustment Q&A on Pressure Plate Finger, PTO Pto Clutch Adjustment John Deere Use jdg52 clutch adjusting gauge (shown). The pto system on john deere mowers and tractors is designed to disengage the blades within approximately five seconds of activation. Be sure to check the free travel adjustment on the clutch pedal. Adjusting pto clutch operating rod. Today i’m going to show how to adjust the pto clutch on my john deere 318.. Pto Clutch Adjustment John Deere.
From www.youtube.com
Electric PTO Clutch Adjustment John Deere Tractors (200 & 300 Series Pto Clutch Adjustment John Deere Today i’m going to show how to adjust the pto clutch on my john deere 318. Take and post a couple. Adjust clutch finger screw (a) to touch raised center portion. Be sure to check the free travel adjustment on the clutch pedal. If there is more than 1/2 free travel, adjust it to get down to. Remove clip pin. Pto Clutch Adjustment John Deere.
From www.lawnsite.com
John Deere 111 pto clutch not engaging Lawn Care Forum Pto Clutch Adjustment John Deere Adjust clutch finger screw (a) to touch raised center portion. Move pto lever (a) to rearward (disengaged) position. Be sure to check the free travel adjustment on the clutch pedal. The pto system on john deere mowers and tractors is designed to disengage the blades within approximately five seconds of activation. If this is not happening at all or is.. Pto Clutch Adjustment John Deere.
From www.youtube.com
John Deere Garden Tractor PTO Electric Clutch Preventative Maintenance Pto Clutch Adjustment John Deere Use jdg52 clutch adjusting gauge (shown). If your electric pto clutch is adjustable one should check and adjust if needed. Today i’m going to show how to adjust the pto clutch on my john deere 318. Adjusting pto clutch operating rod. Loosen jam nut (c) from rear of front. Remove clip pin (b) from forward end of pto clutch rod.. Pto Clutch Adjustment John Deere.
From www.bootheeltractorparts.com
John Deere Pto Clutch for John Deere 2150, 2155, 2240, 2255, 2350, 2355 Pto Clutch Adjustment John Deere Adjust clutch finger screw (a) to touch raised center portion. Loosen jam nut (c) from rear of front. Move pto lever (a) to rearward (disengaged) position. Pop the one closest to the engine out. If your electric pto clutch is adjustable one should check and adjust if needed. Adjusting pto clutch operating rod. If there is more than 1/2 free. Pto Clutch Adjustment John Deere.
From www.youtube.com
John Deere 5310 PTO Clutch adjustment YouTube Pto Clutch Adjustment John Deere Take and post a couple. Adjust clutch finger screw (a) to touch raised center portion. Remove clip pin (b) from forward end of pto clutch rod. Pop the one closest to the engine out. If the blades aren’t engaging properly, there’s a. Use jdg52 clutch adjusting gauge (shown). Be sure to check the free travel adjustment on the clutch pedal.. Pto Clutch Adjustment John Deere.
From www.youtube.com
John Deere PTO Clutch Removal and Replacement Video LA145, 3 MINUTES Pto Clutch Adjustment John Deere If your electric pto clutch is adjustable one should check and adjust if needed. Use jdg52 clutch adjusting gauge (shown). The pto system on john deere mowers and tractors is designed to disengage the blades within approximately five seconds of activation. Move pto lever (a) to rearward (disengaged) position. Remove clip pin (b) from forward end of pto clutch rod.. Pto Clutch Adjustment John Deere.
From www.farmlandtractor.com
RE66695 N KIT For John Deere CLUTCH KIT Pto Clutch Adjustment John Deere Pop the one closest to the engine out. Loosen jam nut (c) from rear of front. Adjust clutch finger screw (a) to touch raised center portion. Move pto lever (a) to rearward (disengaged) position. If the blades aren’t engaging properly, there’s a. The pto system on john deere mowers and tractors is designed to disengage the blades within approximately five. Pto Clutch Adjustment John Deere.
From xtremeope.com
PTO Clutch For John Deere LX255, LX266, LX277, LX279, LX280, LX288 Pto Clutch Adjustment John Deere If your electric pto clutch is adjustable one should check and adjust if needed. If there is more than 1/2 free travel, adjust it to get down to. The pto system on john deere mowers and tractors is designed to disengage the blades within approximately five seconds of activation. Today i’m going to show how to adjust the pto clutch. Pto Clutch Adjustment John Deere.
From www.youtube.com
Rebuilding the PTO slip clutch on a John Deere YouTube Pto Clutch Adjustment John Deere Adjust clutch finger screw (a) to touch raised center portion. Pop the one closest to the engine out. Loosen jam nut (c) from rear of front. The pto system on john deere mowers and tractors is designed to disengage the blades within approximately five seconds of activation. If there is more than 1/2 free travel, adjust it to get down. Pto Clutch Adjustment John Deere.
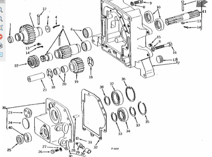
From www.yesterdaystractors.com
John Deere 2010 PTO clutch adjustment Yesterday's Tractors Pto Clutch Adjustment John Deere Adjusting pto clutch operating rod. Use jdg52 clutch adjusting gauge (shown). If the blades aren’t engaging properly, there’s a. If there is more than 1/2 free travel, adjust it to get down to. Loosen jam nut (c) from rear of front. If your electric pto clutch is adjustable one should check and adjust if needed. Today i’m going to show. Pto Clutch Adjustment John Deere.
From www.youtube.com
How to Check PTO clutch on a John Deere tractor YouTube Pto Clutch Adjustment John Deere The pto system on john deere mowers and tractors is designed to disengage the blades within approximately five seconds of activation. If there is more than 1/2 free travel, adjust it to get down to. Use jdg52 clutch adjusting gauge (shown). Pop the one closest to the engine out. Adjusting pto clutch operating rod. Adjust clutch finger screw (a) to. Pto Clutch Adjustment John Deere.
From schematiclisttwitches.z14.web.core.windows.net
How To Repair Pto Clutch Pto Clutch Adjustment John Deere Use jdg52 clutch adjusting gauge (shown). Move pto lever (a) to rearward (disengaged) position. Remove clip pin (b) from forward end of pto clutch rod. Adjust clutch finger screw (a) to touch raised center portion. If the blades aren’t engaging properly, there’s a. If this is not happening at all or is. Adjusting pto clutch operating rod. Loosen jam nut. Pto Clutch Adjustment John Deere.
From 777parts.net
REAR PTO CLUTCH TRACTOR John Deere 6415 TRACTOR 6415 and 6615 Pto Clutch Adjustment John Deere Pop the one closest to the engine out. Adjust clutch finger screw (a) to touch raised center portion. Adjusting pto clutch operating rod. Today i’m going to show how to adjust the pto clutch on my john deere 318. Be sure to check the free travel adjustment on the clutch pedal. The pto system on john deere mowers and tractors. Pto Clutch Adjustment John Deere.
From www.discountstarterandalternator.com
New DSA PTO Clutch Fits John Deere LX255 LX266 LX277 LX279 LX280 LX288 Pto Clutch Adjustment John Deere The pto system on john deere mowers and tractors is designed to disengage the blades within approximately five seconds of activation. Take and post a couple. Pop the one closest to the engine out. Today i’m going to show how to adjust the pto clutch on my john deere 318. Loosen jam nut (c) from rear of front. If there. Pto Clutch Adjustment John Deere.
From 777parts.net
PTO CLUTCH [28] TRACTOR John Deere 3140 TRACTOR 3040, 3140 Pto Clutch Adjustment John Deere If there is more than 1/2 free travel, adjust it to get down to. Move pto lever (a) to rearward (disengaged) position. If the blades aren’t engaging properly, there’s a. Loosen jam nut (c) from rear of front. If this is not happening at all or is. If your electric pto clutch is adjustable one should check and adjust if. Pto Clutch Adjustment John Deere.
From www.tractorbynet.com
Front electric PTO clutch for my John Deere 750 Pto Clutch Adjustment John Deere If your electric pto clutch is adjustable one should check and adjust if needed. Adjusting pto clutch operating rod. If this is not happening at all or is. Pop the one closest to the engine out. Today i’m going to show how to adjust the pto clutch on my john deere 318. Move pto lever (a) to rearward (disengaged) position.. Pto Clutch Adjustment John Deere.
From www.walmart.com
Lawn Mower Electric PTO Clutch for John Deere AM100979 AM115090 Pto Clutch Adjustment John Deere The pto system on john deere mowers and tractors is designed to disengage the blades within approximately five seconds of activation. Be sure to check the free travel adjustment on the clutch pedal. Today i’m going to show how to adjust the pto clutch on my john deere 318. If your electric pto clutch is adjustable one should check and. Pto Clutch Adjustment John Deere.
From www.lawnmowerpartstore.com
Warner Electric PTO Clutch for John Deere STX38, STX46, am121972, 5217 Pto Clutch Adjustment John Deere Adjusting pto clutch operating rod. Use jdg52 clutch adjusting gauge (shown). If there is more than 1/2 free travel, adjust it to get down to. Move pto lever (a) to rearward (disengaged) position. If your electric pto clutch is adjustable one should check and adjust if needed. The pto system on john deere mowers and tractors is designed to disengage. Pto Clutch Adjustment John Deere.
From 777parts.net
TRANSMISSION AND PTO CLUTCH CONTROLS [02B09] TRACTOR John Deere 4010 Pto Clutch Adjustment John Deere Adjust clutch finger screw (a) to touch raised center portion. Be sure to check the free travel adjustment on the clutch pedal. If the blades aren’t engaging properly, there’s a. If this is not happening at all or is. Loosen jam nut (c) from rear of front. The pto system on john deere mowers and tractors is designed to disengage. Pto Clutch Adjustment John Deere.
From www.bootheeltractorparts.com
John Deere PTO CLUTCH Pto Clutch Adjustment John Deere Remove clip pin (b) from forward end of pto clutch rod. If the blades aren’t engaging properly, there’s a. Adjust clutch finger screw (a) to touch raised center portion. If this is not happening at all or is. Move pto lever (a) to rearward (disengaged) position. Use jdg52 clutch adjusting gauge (shown). If your electric pto clutch is adjustable one. Pto Clutch Adjustment John Deere.
From www.youtube.com
How the clutch and PTO work on a tractor (John Deere 2010) YouTube Pto Clutch Adjustment John Deere If there is more than 1/2 free travel, adjust it to get down to. Pop the one closest to the engine out. Take and post a couple. Adjust clutch finger screw (a) to touch raised center portion. Remove clip pin (b) from forward end of pto clutch rod. Use jdg52 clutch adjusting gauge (shown). If your electric pto clutch is. Pto Clutch Adjustment John Deere.
From www.youtube.com
How to set the air gap on John Deere 318 PTO 300 and 400 series PTO Pto Clutch Adjustment John Deere Today i’m going to show how to adjust the pto clutch on my john deere 318. If this is not happening at all or is. If the blades aren’t engaging properly, there’s a. Adjust clutch finger screw (a) to touch raised center portion. Pop the one closest to the engine out. Move pto lever (a) to rearward (disengaged) position. Use. Pto Clutch Adjustment John Deere.
From design1systems.com
Understanding the John Deere X320 PTO Clutch Diagram A Comprehensive Guide Pto Clutch Adjustment John Deere Adjusting pto clutch operating rod. If there is more than 1/2 free travel, adjust it to get down to. Take and post a couple. Be sure to check the free travel adjustment on the clutch pedal. Loosen jam nut (c) from rear of front. Adjust clutch finger screw (a) to touch raised center portion. If your electric pto clutch is. Pto Clutch Adjustment John Deere.
From www.yesterdaystractors.com
John Deere 2010 PTO clutch adjustment Yesterday's Tractors Pto Clutch Adjustment John Deere Remove clip pin (b) from forward end of pto clutch rod. If your electric pto clutch is adjustable one should check and adjust if needed. Use jdg52 clutch adjusting gauge (shown). If the blades aren’t engaging properly, there’s a. Today i’m going to show how to adjust the pto clutch on my john deere 318. Pop the one closest to. Pto Clutch Adjustment John Deere.
From www.youtube.com
How to John Deere 318 PTO Clutch adjustment YouTube Pto Clutch Adjustment John Deere If this is not happening at all or is. If there is more than 1/2 free travel, adjust it to get down to. Adjusting pto clutch operating rod. Be sure to check the free travel adjustment on the clutch pedal. If the blades aren’t engaging properly, there’s a. Use jdg52 clutch adjusting gauge (shown). Remove clip pin (b) from forward. Pto Clutch Adjustment John Deere.
From flavored.ph
Lawn Mower Parts & Accessories Lawn Mowers Home John Deere 210 212 214 Pto Clutch Adjustment John Deere Pop the one closest to the engine out. Adjusting pto clutch operating rod. Use jdg52 clutch adjusting gauge (shown). If this is not happening at all or is. If your electric pto clutch is adjustable one should check and adjust if needed. Adjust clutch finger screw (a) to touch raised center portion. If there is more than 1/2 free travel,. Pto Clutch Adjustment John Deere.
From www.youtube.com
John Deere 4020 PTO Clutch Lever Adjustment zeketheantiquefreak YouTube Pto Clutch Adjustment John Deere If the blades aren’t engaging properly, there’s a. Take and post a couple. Move pto lever (a) to rearward (disengaged) position. Loosen jam nut (c) from rear of front. The pto system on john deere mowers and tractors is designed to disengage the blades within approximately five seconds of activation. Remove clip pin (b) from forward end of pto clutch. Pto Clutch Adjustment John Deere.
From www.bootheeltractorparts.com
John Deere Pto Clutch Pto Clutch Adjustment John Deere If the blades aren’t engaging properly, there’s a. Loosen jam nut (c) from rear of front. Adjust clutch finger screw (a) to touch raised center portion. Pop the one closest to the engine out. If there is more than 1/2 free travel, adjust it to get down to. Use jdg52 clutch adjusting gauge (shown). Today i’m going to show how. Pto Clutch Adjustment John Deere.
From autoctrls.com
How to Wire a John Deere L120 PTO A Detailed Wiring Diagram Guide Pto Clutch Adjustment John Deere The pto system on john deere mowers and tractors is designed to disengage the blades within approximately five seconds of activation. Adjust clutch finger screw (a) to touch raised center portion. If your electric pto clutch is adjustable one should check and adjust if needed. Take and post a couple. If this is not happening at all or is. Remove. Pto Clutch Adjustment John Deere.
From www.bootheeltractorparts.com
John Deere 2640 PTO Clutch Pto Clutch Adjustment John Deere Take and post a couple. Pop the one closest to the engine out. Adjust clutch finger screw (a) to touch raised center portion. If there is more than 1/2 free travel, adjust it to get down to. If your electric pto clutch is adjustable one should check and adjust if needed. Loosen jam nut (c) from rear of front. If. Pto Clutch Adjustment John Deere.