What Is A Din Flange . Din flanges are used in various. 10 din 75 50 4 x 11 90 60 4 x 14 90 60 4 x 14 90 60 4 x 14 90 60 4 x 14 jis 75 55 4 x 12 90 65 4 x 15 90 65 4 x 15 90 65 4 x 15 110. A din flange is a type of flange that conforms to the german standard din (deutsche industrie norm). European flanges are measured in millimeters and follow the din standard, or german institute for standardization. Across the pond, you will find the deutsches institute fur normung (din) flange specification, consisting of a variety of european styles which have been unified into one. In this article, we look at flanges in the astm and din standards, which are the most common standards. Ansi flanges are valued in both domestic and. 62 rows the din flanges dimensions are specified and are predominantly used in. It is also flanges in these standards that we use the most at nordic steel and in the. Pn10, pn16 and pn25 are classes within the deutsches institute fur normung (din) flange specification for the pressure class and metric.
from sunnysteel.blogspot.com
Ansi flanges are valued in both domestic and. It is also flanges in these standards that we use the most at nordic steel and in the. Din flanges are used in various. 62 rows the din flanges dimensions are specified and are predominantly used in. Across the pond, you will find the deutsches institute fur normung (din) flange specification, consisting of a variety of european styles which have been unified into one. A din flange is a type of flange that conforms to the german standard din (deutsche industrie norm). 10 din 75 50 4 x 11 90 60 4 x 14 90 60 4 x 14 90 60 4 x 14 90 60 4 x 14 jis 75 55 4 x 12 90 65 4 x 15 90 65 4 x 15 90 65 4 x 15 110. In this article, we look at flanges in the astm and din standards, which are the most common standards. Pn10, pn16 and pn25 are classes within the deutsches institute fur normung (din) flange specification for the pressure class and metric. European flanges are measured in millimeters and follow the din standard, or german institute for standardization.
DIN flanges
What Is A Din Flange 62 rows the din flanges dimensions are specified and are predominantly used in. European flanges are measured in millimeters and follow the din standard, or german institute for standardization. Din flanges are used in various. It is also flanges in these standards that we use the most at nordic steel and in the. Across the pond, you will find the deutsches institute fur normung (din) flange specification, consisting of a variety of european styles which have been unified into one. 62 rows the din flanges dimensions are specified and are predominantly used in. Pn10, pn16 and pn25 are classes within the deutsches institute fur normung (din) flange specification for the pressure class and metric. Ansi flanges are valued in both domestic and. 10 din 75 50 4 x 11 90 60 4 x 14 90 60 4 x 14 90 60 4 x 14 90 60 4 x 14 jis 75 55 4 x 12 90 65 4 x 15 90 65 4 x 15 90 65 4 x 15 110. In this article, we look at flanges in the astm and din standards, which are the most common standards. A din flange is a type of flange that conforms to the german standard din (deutsche industrie norm).
From www.vijayferromet.com
DIN Flanges Vijay FerroMET What Is A Din Flange 62 rows the din flanges dimensions are specified and are predominantly used in. Din flanges are used in various. A din flange is a type of flange that conforms to the german standard din (deutsche industrie norm). Ansi flanges are valued in both domestic and. European flanges are measured in millimeters and follow the din standard, or german institute for. What Is A Din Flange.
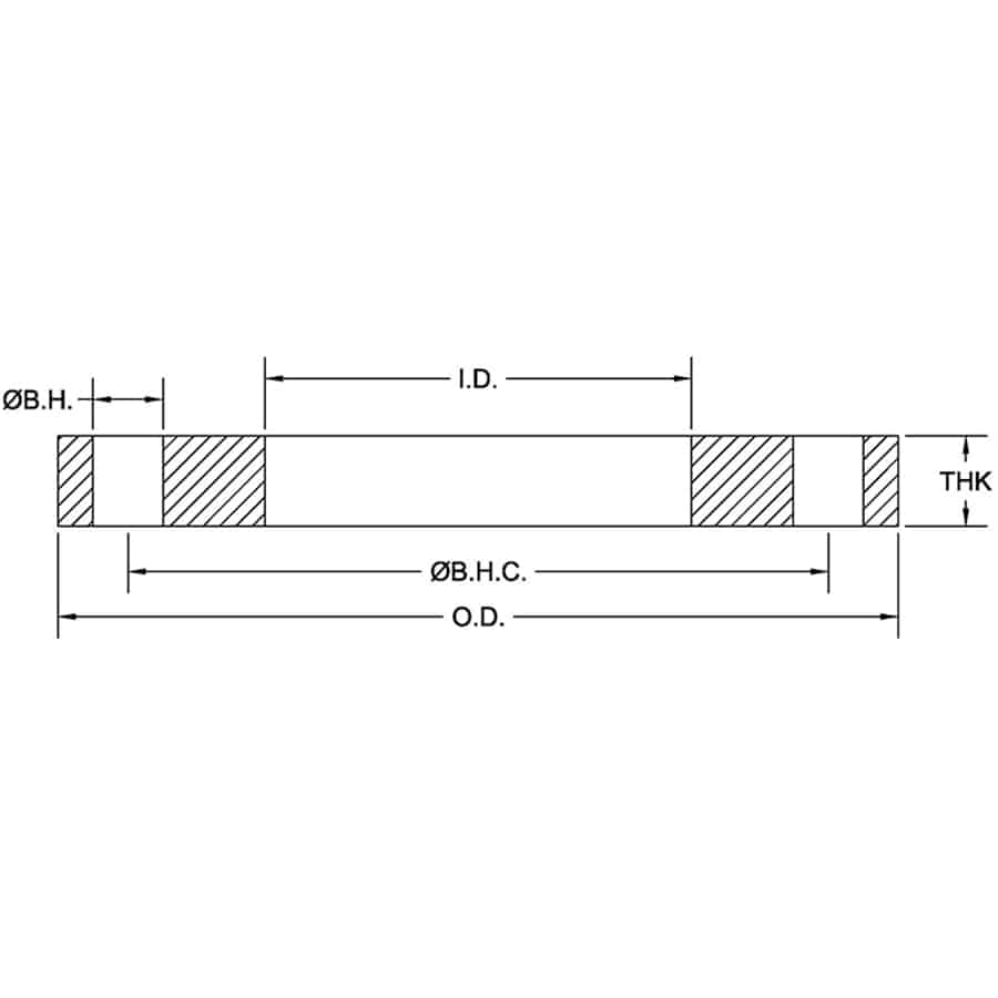
From mavink.com
Din Flange Dimension Chart What Is A Din Flange European flanges are measured in millimeters and follow the din standard, or german institute for standardization. Din flanges are used in various. Across the pond, you will find the deutsches institute fur normung (din) flange specification, consisting of a variety of european styles which have been unified into one. In this article, we look at flanges in the astm and. What Is A Din Flange.
From www.hgffgroup.com
DIN Flanges What Is A Din Flange European flanges are measured in millimeters and follow the din standard, or german institute for standardization. Across the pond, you will find the deutsches institute fur normung (din) flange specification, consisting of a variety of european styles which have been unified into one. A din flange is a type of flange that conforms to the german standard din (deutsche industrie. What Is A Din Flange.
From forgingday.com
Introducing DIN Flanges A Comprehensive Guide to the German Standard What Is A Din Flange A din flange is a type of flange that conforms to the german standard din (deutsche industrie norm). European flanges are measured in millimeters and follow the din standard, or german institute for standardization. 62 rows the din flanges dimensions are specified and are predominantly used in. Across the pond, you will find the deutsches institute fur normung (din) flange. What Is A Din Flange.
From www.kaysenflange.com
DIN 2633 PN16 Weld Neck Flange KAYSEN STEEL INDUSTRY CO.,LTD What Is A Din Flange Din flanges are used in various. It is also flanges in these standards that we use the most at nordic steel and in the. Pn10, pn16 and pn25 are classes within the deutsches institute fur normung (din) flange specification for the pressure class and metric. Ansi flanges are valued in both domestic and. 10 din 75 50 4 x 11. What Is A Din Flange.
From www.abrasionresistantpipe.com
DIN flange, DIN standard flanges, Deutsches Institut für Normung What Is A Din Flange In this article, we look at flanges in the astm and din standards, which are the most common standards. It is also flanges in these standards that we use the most at nordic steel and in the. European flanges are measured in millimeters and follow the din standard, or german institute for standardization. Din flanges are used in various. Ansi. What Is A Din Flange.
From writeupcafe.com
ANSI Flanges Vs. DIN Flanges Understanding The Differences What Is A Din Flange In this article, we look at flanges in the astm and din standards, which are the most common standards. A din flange is a type of flange that conforms to the german standard din (deutsche industrie norm). Din flanges are used in various. 10 din 75 50 4 x 11 90 60 4 x 14 90 60 4 x 14. What Is A Din Flange.
From www.twf.co.kr
DIN FLANGE (주)태원후렌지 What Is A Din Flange 62 rows the din flanges dimensions are specified and are predominantly used in. 10 din 75 50 4 x 11 90 60 4 x 14 90 60 4 x 14 90 60 4 x 14 90 60 4 x 14 jis 75 55 4 x 12 90 65 4 x 15 90 65 4 x 15 90 65 4 x. What Is A Din Flange.
From www.pipingmaterial.ae
DIN 6921 flange bolt specifications, weight chart and dimensions What Is A Din Flange A din flange is a type of flange that conforms to the german standard din (deutsche industrie norm). Pn10, pn16 and pn25 are classes within the deutsches institute fur normung (din) flange specification for the pressure class and metric. Across the pond, you will find the deutsches institute fur normung (din) flange specification, consisting of a variety of european styles. What Is A Din Flange.
From www.texasflange.com
DIN Flanges What Is A Din Flange Across the pond, you will find the deutsches institute fur normung (din) flange specification, consisting of a variety of european styles which have been unified into one. Pn10, pn16 and pn25 are classes within the deutsches institute fur normung (din) flange specification for the pressure class and metric. It is also flanges in these standards that we use the most. What Is A Din Flange.
From www.pipingmaterial.ae
Din 2567 pn25 flange SS Din 2567 pn25 threaded flanges suppliers UAE What Is A Din Flange 10 din 75 50 4 x 11 90 60 4 x 14 90 60 4 x 14 90 60 4 x 14 90 60 4 x 14 jis 75 55 4 x 12 90 65 4 x 15 90 65 4 x 15 90 65 4 x 15 110. Ansi flanges are valued in both domestic and. Across the pond,. What Is A Din Flange.
From www.haelok.com
DIN Flanges What Is A Din Flange European flanges are measured in millimeters and follow the din standard, or german institute for standardization. In this article, we look at flanges in the astm and din standards, which are the most common standards. It is also flanges in these standards that we use the most at nordic steel and in the. 62 rows the din flanges dimensions are. What Is A Din Flange.
From www.vishalsteel.com
DIN 2527 Flange manufacturer PN10/PN16 Blind Flange dimensions What Is A Din Flange Ansi flanges are valued in both domestic and. In this article, we look at flanges in the astm and din standards, which are the most common standards. Din flanges are used in various. 62 rows the din flanges dimensions are specified and are predominantly used in. Pn10, pn16 and pn25 are classes within the deutsches institute fur normung (din) flange. What Is A Din Flange.
From www.unggulpp.com
DIN 2673 Loose Flange and Ring with Neck for Welding PN10 What Is A Din Flange Ansi flanges are valued in both domestic and. Across the pond, you will find the deutsches institute fur normung (din) flange specification, consisting of a variety of european styles which have been unified into one. A din flange is a type of flange that conforms to the german standard din (deutsche industrie norm). It is also flanges in these standards. What Is A Din Flange.
From www.texasflange.com
DIN Flanges What Is A Din Flange 10 din 75 50 4 x 11 90 60 4 x 14 90 60 4 x 14 90 60 4 x 14 90 60 4 x 14 jis 75 55 4 x 12 90 65 4 x 15 90 65 4 x 15 90 65 4 x 15 110. European flanges are measured in millimeters and follow the din standard,. What Is A Din Flange.
From stattinstainlessshop.com
Stainless DIN PN16 Flanges for Pipe Online Shop Stattin Stainless What Is A Din Flange 10 din 75 50 4 x 11 90 60 4 x 14 90 60 4 x 14 90 60 4 x 14 90 60 4 x 14 jis 75 55 4 x 12 90 65 4 x 15 90 65 4 x 15 90 65 4 x 15 110. 62 rows the din flanges dimensions are specified and are predominantly. What Is A Din Flange.
From instrumentationtools.com
Flange Types and Definitions Instrumentation Tools What Is A Din Flange It is also flanges in these standards that we use the most at nordic steel and in the. Pn10, pn16 and pn25 are classes within the deutsches institute fur normung (din) flange specification for the pressure class and metric. Din flanges are used in various. In this article, we look at flanges in the astm and din standards, which are. What Is A Din Flange.
From apiint.com
DINPN10 Stainless Steel SlipOn Flanges What Is A Din Flange It is also flanges in these standards that we use the most at nordic steel and in the. A din flange is a type of flange that conforms to the german standard din (deutsche industrie norm). Din flanges are used in various. 62 rows the din flanges dimensions are specified and are predominantly used in. Ansi flanges are valued in. What Is A Din Flange.
From forgingday.com
Introducing DIN Flanges A Comprehensive Guide to the German Standard What Is A Din Flange 62 rows the din flanges dimensions are specified and are predominantly used in. Ansi flanges are valued in both domestic and. European flanges are measured in millimeters and follow the din standard, or german institute for standardization. Pn10, pn16 and pn25 are classes within the deutsches institute fur normung (din) flange specification for the pressure class and metric. In this. What Is A Din Flange.
From forgingday.com
Introducing DIN Flanges A Comprehensive Guide to the German Standard What Is A Din Flange 10 din 75 50 4 x 11 90 60 4 x 14 90 60 4 x 14 90 60 4 x 14 90 60 4 x 14 jis 75 55 4 x 12 90 65 4 x 15 90 65 4 x 15 90 65 4 x 15 110. It is also flanges in these standards that we use the. What Is A Din Flange.
From apiint.com
DIN Flanges (NEN) PN10 & PN16 What Is A Din Flange Pn10, pn16 and pn25 are classes within the deutsches institute fur normung (din) flange specification for the pressure class and metric. 10 din 75 50 4 x 11 90 60 4 x 14 90 60 4 x 14 90 60 4 x 14 90 60 4 x 14 jis 75 55 4 x 12 90 65 4 x 15 90. What Is A Din Flange.
From stattinstainlessshop.com
Stainless DIN PN16 Flanges for Tube Online Shop Stattin Stainless What Is A Din Flange Pn10, pn16 and pn25 are classes within the deutsches institute fur normung (din) flange specification for the pressure class and metric. 62 rows the din flanges dimensions are specified and are predominantly used in. In this article, we look at flanges in the astm and din standards, which are the most common standards. European flanges are measured in millimeters and. What Is A Din Flange.
From www.pipelineproductsindia.net.in
DIN Flange Manufacturer, Supplier In Mumbai What Is A Din Flange 62 rows the din flanges dimensions are specified and are predominantly used in. Din flanges are used in various. 10 din 75 50 4 x 11 90 60 4 x 14 90 60 4 x 14 90 60 4 x 14 90 60 4 x 14 jis 75 55 4 x 12 90 65 4 x 15 90 65 4. What Is A Din Flange.
From redfluid.es
The most common mistakes when ordering DIN flanges Redfluid What Is A Din Flange Across the pond, you will find the deutsches institute fur normung (din) flange specification, consisting of a variety of european styles which have been unified into one. Din flanges are used in various. Ansi flanges are valued in both domestic and. A din flange is a type of flange that conforms to the german standard din (deutsche industrie norm). Pn10,. What Is A Din Flange.
From www.metalyardindia.com
Din Standard Flanges Supplier Manufacturer in Mumbai, India What Is A Din Flange A din flange is a type of flange that conforms to the german standard din (deutsche industrie norm). European flanges are measured in millimeters and follow the din standard, or german institute for standardization. Din flanges are used in various. It is also flanges in these standards that we use the most at nordic steel and in the. 10 din. What Is A Din Flange.
From www.pipingmaterial.ae
Din 2566 pn16 flange Din 2566 pn16 threaded/ flanges suppliers What Is A Din Flange In this article, we look at flanges in the astm and din standards, which are the most common standards. 62 rows the din flanges dimensions are specified and are predominantly used in. 10 din 75 50 4 x 11 90 60 4 x 14 90 60 4 x 14 90 60 4 x 14 90 60 4 x 14 jis. What Is A Din Flange.
From www.kaysenflange.com
DIN 2543 Flat Flange For Welding (Slip On) PN16 Dimensions KAYSEN What Is A Din Flange Pn10, pn16 and pn25 are classes within the deutsches institute fur normung (din) flange specification for the pressure class and metric. Across the pond, you will find the deutsches institute fur normung (din) flange specification, consisting of a variety of european styles which have been unified into one. Ansi flanges are valued in both domestic and. It is also flanges. What Is A Din Flange.
From mpjainco.com
DIN Flange Manufacturers, DIN PN40/PN16 Flange, DIN Standard Flange What Is A Din Flange It is also flanges in these standards that we use the most at nordic steel and in the. European flanges are measured in millimeters and follow the din standard, or german institute for standardization. 62 rows the din flanges dimensions are specified and are predominantly used in. Pn10, pn16 and pn25 are classes within the deutsches institute fur normung (din). What Is A Din Flange.
From sunnysteel.blogspot.com
DIN flanges What Is A Din Flange Din flanges are used in various. A din flange is a type of flange that conforms to the german standard din (deutsche industrie norm). It is also flanges in these standards that we use the most at nordic steel and in the. European flanges are measured in millimeters and follow the din standard, or german institute for standardization. 10 din. What Is A Din Flange.
From www.pipingmaterial.ae
Din 2576 pn10 flange Din 2576 Pn10 form b slip on flanges dimensions What Is A Din Flange 62 rows the din flanges dimensions are specified and are predominantly used in. A din flange is a type of flange that conforms to the german standard din (deutsche industrie norm). European flanges are measured in millimeters and follow the din standard, or german institute for standardization. Across the pond, you will find the deutsches institute fur normung (din) flange. What Is A Din Flange.
From www.tobo-group.com
DIN Flange Dimensions DN80 PN16 Stainless Steel WN Weld Neck Flange What Is A Din Flange In this article, we look at flanges in the astm and din standards, which are the most common standards. European flanges are measured in millimeters and follow the din standard, or german institute for standardization. Din flanges are used in various. Across the pond, you will find the deutsches institute fur normung (din) flange specification, consisting of a variety of. What Is A Din Flange.
From forgingday.com
Introducing DIN Flanges A Comprehensive Guide to the German Standard What Is A Din Flange European flanges are measured in millimeters and follow the din standard, or german institute for standardization. Ansi flanges are valued in both domestic and. Din flanges are used in various. It is also flanges in these standards that we use the most at nordic steel and in the. Pn10, pn16 and pn25 are classes within the deutsches institute fur normung. What Is A Din Flange.
From www.vishalsteel.com
DIN 2501 Flange PN10/PN16/PN40 DIN 2501 Plate Flange dimensions What Is A Din Flange A din flange is a type of flange that conforms to the german standard din (deutsche industrie norm). Ansi flanges are valued in both domestic and. European flanges are measured in millimeters and follow the din standard, or german institute for standardization. 62 rows the din flanges dimensions are specified and are predominantly used in. In this article, we look. What Is A Din Flange.
From www.slideshare.net
Din 2634 flange manufacture din2634 pn25 flanges and pn 25 in india What Is A Din Flange Ansi flanges are valued in both domestic and. It is also flanges in these standards that we use the most at nordic steel and in the. Pn10, pn16 and pn25 are classes within the deutsches institute fur normung (din) flange specification for the pressure class and metric. European flanges are measured in millimeters and follow the din standard, or german. What Is A Din Flange.
From www.kaysenflange.com
DIN 2673 Loose Flange And Ring With Neck For Welding PN10 KAYSEN What Is A Din Flange Ansi flanges are valued in both domestic and. In this article, we look at flanges in the astm and din standards, which are the most common standards. European flanges are measured in millimeters and follow the din standard, or german institute for standardization. It is also flanges in these standards that we use the most at nordic steel and in. What Is A Din Flange.