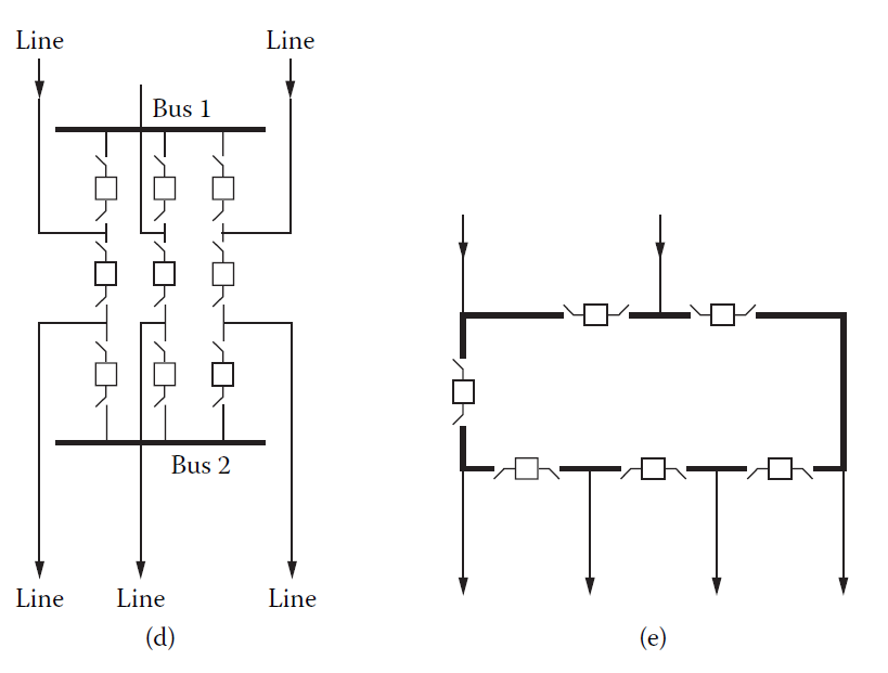
Ring Bus Scheme . Figure 5 depicts the layout of a ring bus configuration, which is an extension of the sectionalized bus. As shown in the diagram, sectionalized bus bar ends are connected with another bus bar, with bus couplers to form a. In the ring bus configuration, as the name implies, the circuit breakers are connected to form a. For a failure on a circuit, the two adjacent breakers will trip without affecting the rest of the system. In the ring bus a sectionalizing breaker has been added between the two open. This is an improvised version of sectionalized bus bar system. In this scheme, as indicated by the name, all breakers are arranged in a ring with circuits tapped between breakers. An electrical bus system is a setup of electrical conductors that allows for efficient power distribution.
from www.skm-eleksys.com
In the ring bus configuration, as the name implies, the circuit breakers are connected to form a. In the ring bus a sectionalizing breaker has been added between the two open. As shown in the diagram, sectionalized bus bar ends are connected with another bus bar, with bus couplers to form a. Figure 5 depicts the layout of a ring bus configuration, which is an extension of the sectionalized bus. An electrical bus system is a setup of electrical conductors that allows for efficient power distribution. For a failure on a circuit, the two adjacent breakers will trip without affecting the rest of the system. In this scheme, as indicated by the name, all breakers are arranged in a ring with circuits tapped between breakers. This is an improvised version of sectionalized bus bar system.
Electrical Systems Substation Bus Schemes
Ring Bus Scheme In the ring bus configuration, as the name implies, the circuit breakers are connected to form a. In this scheme, as indicated by the name, all breakers are arranged in a ring with circuits tapped between breakers. For a failure on a circuit, the two adjacent breakers will trip without affecting the rest of the system. In the ring bus configuration, as the name implies, the circuit breakers are connected to form a. In the ring bus a sectionalizing breaker has been added between the two open. As shown in the diagram, sectionalized bus bar ends are connected with another bus bar, with bus couplers to form a. An electrical bus system is a setup of electrical conductors that allows for efficient power distribution. Figure 5 depicts the layout of a ring bus configuration, which is an extension of the sectionalized bus. This is an improvised version of sectionalized bus bar system.
From www.researchgate.net
Illustration of ring bus topology. Download Scientific Diagram Ring Bus Scheme An electrical bus system is a setup of electrical conductors that allows for efficient power distribution. In the ring bus configuration, as the name implies, the circuit breakers are connected to form a. Figure 5 depicts the layout of a ring bus configuration, which is an extension of the sectionalized bus. As shown in the diagram, sectionalized bus bar ends. Ring Bus Scheme.
From electrical-engineering-portal.com
5 most common critical power distribution topologies EEP Ring Bus Scheme Figure 5 depicts the layout of a ring bus configuration, which is an extension of the sectionalized bus. An electrical bus system is a setup of electrical conductors that allows for efficient power distribution. For a failure on a circuit, the two adjacent breakers will trip without affecting the rest of the system. In the ring bus a sectionalizing breaker. Ring Bus Scheme.
From electrical-engineering-portal.com
Six common bus configurations in substations up to 345 kV EEP Ring Bus Scheme This is an improvised version of sectionalized bus bar system. In the ring bus a sectionalizing breaker has been added between the two open. In this scheme, as indicated by the name, all breakers are arranged in a ring with circuits tapped between breakers. An electrical bus system is a setup of electrical conductors that allows for efficient power distribution.. Ring Bus Scheme.
From instrumentationtools.com
What is Electrical Busbar? Types, Advantages, Disadvantages Ring Bus Scheme As shown in the diagram, sectionalized bus bar ends are connected with another bus bar, with bus couplers to form a. An electrical bus system is a setup of electrical conductors that allows for efficient power distribution. This is an improvised version of sectionalized bus bar system. Figure 5 depicts the layout of a ring bus configuration, which is an. Ring Bus Scheme.
From skm-eleksys.com
Electrical Systems Substation Bus Schemes Ring Bus Scheme In this scheme, as indicated by the name, all breakers are arranged in a ring with circuits tapped between breakers. In the ring bus configuration, as the name implies, the circuit breakers are connected to form a. Figure 5 depicts the layout of a ring bus configuration, which is an extension of the sectionalized bus. In the ring bus a. Ring Bus Scheme.
From www.chegg.com
Solved [Please build the circuit using MATLAB Simulink] A Ring Bus Scheme As shown in the diagram, sectionalized bus bar ends are connected with another bus bar, with bus couplers to form a. In the ring bus configuration, as the name implies, the circuit breakers are connected to form a. For a failure on a circuit, the two adjacent breakers will trip without affecting the rest of the system. An electrical bus. Ring Bus Scheme.
From new.abb.com
ABB’s ring bus with static UPS for critical power applications Ring Bus Scheme An electrical bus system is a setup of electrical conductors that allows for efficient power distribution. Figure 5 depicts the layout of a ring bus configuration, which is an extension of the sectionalized bus. For a failure on a circuit, the two adjacent breakers will trip without affecting the rest of the system. This is an improvised version of sectionalized. Ring Bus Scheme.
From www.semanticscholar.org
Figure 1 from Dual Ring Bus Electrical Distribution System for US Navy Destroyer and Frigate Ring Bus Scheme In this scheme, as indicated by the name, all breakers are arranged in a ring with circuits tapped between breakers. In the ring bus configuration, as the name implies, the circuit breakers are connected to form a. Figure 5 depicts the layout of a ring bus configuration, which is an extension of the sectionalized bus. This is an improvised version. Ring Bus Scheme.
From www.researchgate.net
Ring bus configuration. Download Scientific Diagram Ring Bus Scheme This is an improvised version of sectionalized bus bar system. As shown in the diagram, sectionalized bus bar ends are connected with another bus bar, with bus couplers to form a. In the ring bus configuration, as the name implies, the circuit breakers are connected to form a. An electrical bus system is a setup of electrical conductors that allows. Ring Bus Scheme.
From www.researchgate.net
1 Ringbus power system configuration showing the possibility of wind... Download Scientific Ring Bus Scheme As shown in the diagram, sectionalized bus bar ends are connected with another bus bar, with bus couplers to form a. In the ring bus a sectionalizing breaker has been added between the two open. In this scheme, as indicated by the name, all breakers are arranged in a ring with circuits tapped between breakers. An electrical bus system is. Ring Bus Scheme.
From www.researchgate.net
Ring bus configuration. Download Scientific Diagram Ring Bus Scheme For a failure on a circuit, the two adjacent breakers will trip without affecting the rest of the system. In the ring bus configuration, as the name implies, the circuit breakers are connected to form a. This is an improvised version of sectionalized bus bar system. In the ring bus a sectionalizing breaker has been added between the two open.. Ring Bus Scheme.
From www.semanticscholar.org
Figure 1 from Study of Harmonic Propagation in Ring Bus Distribution System Semantic Scholar Ring Bus Scheme In the ring bus configuration, as the name implies, the circuit breakers are connected to form a. This is an improvised version of sectionalized bus bar system. For a failure on a circuit, the two adjacent breakers will trip without affecting the rest of the system. As shown in the diagram, sectionalized bus bar ends are connected with another bus. Ring Bus Scheme.
From www.researchgate.net
A ringbus DCMG. lIs represent the power transmission lines. Download Scientific Diagram Ring Bus Scheme This is an improvised version of sectionalized bus bar system. Figure 5 depicts the layout of a ring bus configuration, which is an extension of the sectionalized bus. As shown in the diagram, sectionalized bus bar ends are connected with another bus bar, with bus couplers to form a. For a failure on a circuit, the two adjacent breakers will. Ring Bus Scheme.
From new.abb.com
ABB’s ring bus with static UPS for critical power applications Ring Bus Scheme Figure 5 depicts the layout of a ring bus configuration, which is an extension of the sectionalized bus. As shown in the diagram, sectionalized bus bar ends are connected with another bus bar, with bus couplers to form a. An electrical bus system is a setup of electrical conductors that allows for efficient power distribution. For a failure on a. Ring Bus Scheme.
From new.abb.com
ABB’s ring bus with static UPS for critical power applications Ring Bus Scheme This is an improvised version of sectionalized bus bar system. In this scheme, as indicated by the name, all breakers are arranged in a ring with circuits tapped between breakers. For a failure on a circuit, the two adjacent breakers will trip without affecting the rest of the system. As shown in the diagram, sectionalized bus bar ends are connected. Ring Bus Scheme.
From www.researchgate.net
Sideview images of (A) Single Bus Single Breaker Type Configuration,... Download Scientific Ring Bus Scheme As shown in the diagram, sectionalized bus bar ends are connected with another bus bar, with bus couplers to form a. In the ring bus a sectionalizing breaker has been added between the two open. For a failure on a circuit, the two adjacent breakers will trip without affecting the rest of the system. This is an improvised version of. Ring Bus Scheme.
From www.researchgate.net
A ringbus DCMG. lIs represent the power transmission lines. Download Scientific Diagram Ring Bus Scheme In this scheme, as indicated by the name, all breakers are arranged in a ring with circuits tapped between breakers. An electrical bus system is a setup of electrical conductors that allows for efficient power distribution. In the ring bus configuration, as the name implies, the circuit breakers are connected to form a. This is an improvised version of sectionalized. Ring Bus Scheme.
From earthbondhon.com
Electrical Bus System and Electrical Substation Layout Earth Bondhon Ring Bus Scheme Figure 5 depicts the layout of a ring bus configuration, which is an extension of the sectionalized bus. In this scheme, as indicated by the name, all breakers are arranged in a ring with circuits tapped between breakers. In the ring bus a sectionalizing breaker has been added between the two open. As shown in the diagram, sectionalized bus bar. Ring Bus Scheme.
From www.researchgate.net
Typical ringbus DC MG Structure Download Scientific Diagram Ring Bus Scheme For a failure on a circuit, the two adjacent breakers will trip without affecting the rest of the system. As shown in the diagram, sectionalized bus bar ends are connected with another bus bar, with bus couplers to form a. In the ring bus configuration, as the name implies, the circuit breakers are connected to form a. In the ring. Ring Bus Scheme.
From www.researchgate.net
Ringbus DC microgrid system with nodes and links. Download Scientific Diagram Ring Bus Scheme In the ring bus configuration, as the name implies, the circuit breakers are connected to form a. An electrical bus system is a setup of electrical conductors that allows for efficient power distribution. As shown in the diagram, sectionalized bus bar ends are connected with another bus bar, with bus couplers to form a. In the ring bus a sectionalizing. Ring Bus Scheme.
From www.youtube.com
Ring Bus Electrical Substation Configuration Explained YouTube Ring Bus Scheme In this scheme, as indicated by the name, all breakers are arranged in a ring with circuits tapped between breakers. For a failure on a circuit, the two adjacent breakers will trip without affecting the rest of the system. This is an improvised version of sectionalized bus bar system. An electrical bus system is a setup of electrical conductors that. Ring Bus Scheme.
From www.researchgate.net
Simplified oneline diagram of generating plant on ring bus. Download Scientific Diagram Ring Bus Scheme In the ring bus configuration, as the name implies, the circuit breakers are connected to form a. In the ring bus a sectionalizing breaker has been added between the two open. This is an improvised version of sectionalized bus bar system. In this scheme, as indicated by the name, all breakers are arranged in a ring with circuits tapped between. Ring Bus Scheme.
From www.scribd.com
Data Center Isolated Parallel Ring Bus Differential Protection Scheme PDF Data Center Ring Bus Scheme In this scheme, as indicated by the name, all breakers are arranged in a ring with circuits tapped between breakers. Figure 5 depicts the layout of a ring bus configuration, which is an extension of the sectionalized bus. In the ring bus configuration, as the name implies, the circuit breakers are connected to form a. In the ring bus a. Ring Bus Scheme.
From top10electrical.blogspot.com
BREAKER SCHEMES ENGINEERING ARTICLES Ring Bus Scheme For a failure on a circuit, the two adjacent breakers will trip without affecting the rest of the system. An electrical bus system is a setup of electrical conductors that allows for efficient power distribution. In the ring bus configuration, as the name implies, the circuit breakers are connected to form a. This is an improvised version of sectionalized bus. Ring Bus Scheme.
From www.electricalengineering.xyz
ringbusscheme • Electrical Engineering XYZ Ring Bus Scheme An electrical bus system is a setup of electrical conductors that allows for efficient power distribution. This is an improvised version of sectionalized bus bar system. For a failure on a circuit, the two adjacent breakers will trip without affecting the rest of the system. In the ring bus configuration, as the name implies, the circuit breakers are connected to. Ring Bus Scheme.
From www.researchgate.net
Ring bus based DC microgrid architecture. Download Scientific Diagram Ring Bus Scheme In this scheme, as indicated by the name, all breakers are arranged in a ring with circuits tapped between breakers. An electrical bus system is a setup of electrical conductors that allows for efficient power distribution. For a failure on a circuit, the two adjacent breakers will trip without affecting the rest of the system. As shown in the diagram,. Ring Bus Scheme.
From www.researchgate.net
Singleline diagram of the ringbus configuration. Download Scientific Diagram Ring Bus Scheme Figure 5 depicts the layout of a ring bus configuration, which is an extension of the sectionalized bus. This is an improvised version of sectionalized bus bar system. In this scheme, as indicated by the name, all breakers are arranged in a ring with circuits tapped between breakers. As shown in the diagram, sectionalized bus bar ends are connected with. Ring Bus Scheme.
From www.researchgate.net
Ring bus architecture of DC microgrid. Download Scientific Diagram Ring Bus Scheme In the ring bus configuration, as the name implies, the circuit breakers are connected to form a. This is an improvised version of sectionalized bus bar system. In the ring bus a sectionalizing breaker has been added between the two open. In this scheme, as indicated by the name, all breakers are arranged in a ring with circuits tapped between. Ring Bus Scheme.
From www.researchgate.net
3 Simplified double bus single breaker with bus couplers configuration... Download Scientific Ring Bus Scheme As shown in the diagram, sectionalized bus bar ends are connected with another bus bar, with bus couplers to form a. In this scheme, as indicated by the name, all breakers are arranged in a ring with circuits tapped between breakers. In the ring bus a sectionalizing breaker has been added between the two open. This is an improvised version. Ring Bus Scheme.
From www.ampedi.com
345kV RING BUS SWITCHYARD Amped I P&C Design & Engineering and SCADA Communications Ring Bus Scheme Figure 5 depicts the layout of a ring bus configuration, which is an extension of the sectionalized bus. For a failure on a circuit, the two adjacent breakers will trip without affecting the rest of the system. In the ring bus a sectionalizing breaker has been added between the two open. An electrical bus system is a setup of electrical. Ring Bus Scheme.
From www.researchgate.net
Singleline diagram of the ringbus configuration. Download Scientific Diagram Ring Bus Scheme As shown in the diagram, sectionalized bus bar ends are connected with another bus bar, with bus couplers to form a. In this scheme, as indicated by the name, all breakers are arranged in a ring with circuits tapped between breakers. For a failure on a circuit, the two adjacent breakers will trip without affecting the rest of the system.. Ring Bus Scheme.
From www.skm-eleksys.com
Electrical Systems Substation Bus Schemes Ring Bus Scheme This is an improvised version of sectionalized bus bar system. In the ring bus configuration, as the name implies, the circuit breakers are connected to form a. In the ring bus a sectionalizing breaker has been added between the two open. For a failure on a circuit, the two adjacent breakers will trip without affecting the rest of the system.. Ring Bus Scheme.
From www.mdpi.com
Energies Free FullText A Protection System for Improved RingBus DC Microgrids Ring Bus Scheme For a failure on a circuit, the two adjacent breakers will trip without affecting the rest of the system. In the ring bus configuration, as the name implies, the circuit breakers are connected to form a. In this scheme, as indicated by the name, all breakers are arranged in a ring with circuits tapped between breakers. As shown in the. Ring Bus Scheme.
From top10electrical.blogspot.com
BREAKER SCHEMES ENGINEERING ARTICLES Ring Bus Scheme As shown in the diagram, sectionalized bus bar ends are connected with another bus bar, with bus couplers to form a. In this scheme, as indicated by the name, all breakers are arranged in a ring with circuits tapped between breakers. An electrical bus system is a setup of electrical conductors that allows for efficient power distribution. Figure 5 depicts. Ring Bus Scheme.
From electricalgang.com
What Is Electrical Busbar? The Definitive Guide Ring Bus Scheme Figure 5 depicts the layout of a ring bus configuration, which is an extension of the sectionalized bus. For a failure on a circuit, the two adjacent breakers will trip without affecting the rest of the system. In the ring bus a sectionalizing breaker has been added between the two open. In this scheme, as indicated by the name, all. Ring Bus Scheme.