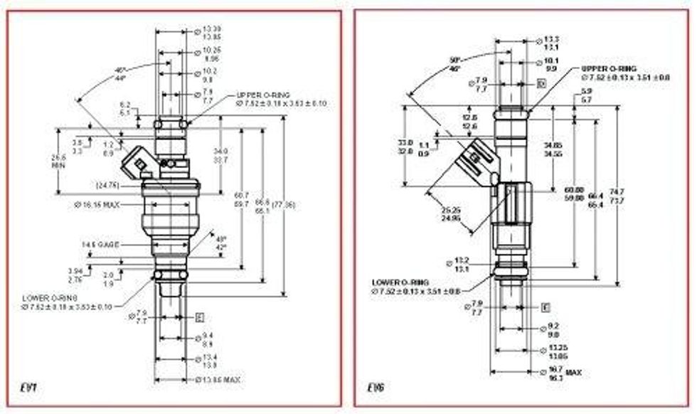
Ev1 Injector Height . visually, the height of the ev6 injectors is almost the same as the ev1 injectors. 37 rows not sure which fuel injector you have? Use the psi ls fuel injector guide, ev1, ev6, multec Seat height, high impedance, 12.2. the ev6 injector is nearly identical in height but the body of the fuel injector is narrower or “skinnier” when compared to the ev1. However, the ev6 injector body. typically injectors come in three sizes; this injector family portrait includes four of the five popular gm fuel injectors.
from www.siemensdeka.com
However, the ev6 injector body. the ev6 injector is nearly identical in height but the body of the fuel injector is narrower or “skinnier” when compared to the ev1. typically injectors come in three sizes; Seat height, high impedance, 12.2. Use the psi ls fuel injector guide, ev1, ev6, multec visually, the height of the ev6 injectors is almost the same as the ev1 injectors. 37 rows not sure which fuel injector you have? this injector family portrait includes four of the five popular gm fuel injectors.
220lb/h Siemens Deka Low Impedance (Long Style) with EV1 Connector
Ev1 Injector Height this injector family portrait includes four of the five popular gm fuel injectors. However, the ev6 injector body. visually, the height of the ev6 injectors is almost the same as the ev1 injectors. Use the psi ls fuel injector guide, ev1, ev6, multec typically injectors come in three sizes; 37 rows not sure which fuel injector you have? Seat height, high impedance, 12.2. this injector family portrait includes four of the five popular gm fuel injectors. the ev6 injector is nearly identical in height but the body of the fuel injector is narrower or “skinnier” when compared to the ev1.
From www.hemmings.com
Fuel Injector Conversions Hemmings Ev1 Injector Height 37 rows not sure which fuel injector you have? visually, the height of the ev6 injectors is almost the same as the ev1 injectors. Use the psi ls fuel injector guide, ev1, ev6, multec typically injectors come in three sizes; this injector family portrait includes four of the five popular gm fuel injectors. However, the ev6. Ev1 Injector Height.
From www.rmaperformance.com
Injector Body Style Comparison RMA Performance Ev1 Injector Height 37 rows not sure which fuel injector you have? visually, the height of the ev6 injectors is almost the same as the ev1 injectors. However, the ev6 injector body. Use the psi ls fuel injector guide, ev1, ev6, multec typically injectors come in three sizes; the ev6 injector is nearly identical in height but the body. Ev1 Injector Height.
From www.fueltech.net
EV1 Injector Connector Kit FuelTech USA Ev1 Injector Height 37 rows not sure which fuel injector you have? Seat height, high impedance, 12.2. However, the ev6 injector body. typically injectors come in three sizes; the ev6 injector is nearly identical in height but the body of the fuel injector is narrower or “skinnier” when compared to the ev1. Use the psi ls fuel injector guide, ev1,. Ev1 Injector Height.
From siemensdeka.com
80lb/h Siemens Deka High Impedance (Short Style) with EV1 Connector Ev1 Injector Height However, the ev6 injector body. visually, the height of the ev6 injectors is almost the same as the ev1 injectors. Use the psi ls fuel injector guide, ev1, ev6, multec this injector family portrait includes four of the five popular gm fuel injectors. the ev6 injector is nearly identical in height but the body of the fuel. Ev1 Injector Height.
From hcrinnovations.com
HCR Custom EV1 Bosch Style Fuel Injector Harness for 8 Injectors HCR Ev1 Injector Height 37 rows not sure which fuel injector you have? the ev6 injector is nearly identical in height but the body of the fuel injector is narrower or “skinnier” when compared to the ev1. Seat height, high impedance, 12.2. typically injectors come in three sizes; visually, the height of the ev6 injectors is almost the same as. Ev1 Injector Height.
From lindai-junket.blogspot.com
Ev6 Vs Ev1 / Ev6 vs ev1 on tpi Third Generation FBody Message Boards Ev1 Injector Height Use the psi ls fuel injector guide, ev1, ev6, multec the ev6 injector is nearly identical in height but the body of the fuel injector is narrower or “skinnier” when compared to the ev1. However, the ev6 injector body. this injector family portrait includes four of the five popular gm fuel injectors. Seat height, high impedance, 12.2. . Ev1 Injector Height.
From www.siemensdekafuelinjectors.com
80 lb/hr Siemens Deka Fuel Injector High Impedance (Long Style) EV1 Ev1 Injector Height 37 rows not sure which fuel injector you have? Seat height, high impedance, 12.2. the ev6 injector is nearly identical in height but the body of the fuel injector is narrower or “skinnier” when compared to the ev1. visually, the height of the ev6 injectors is almost the same as the ev1 injectors. this injector family. Ev1 Injector Height.
From currentperformance.com
EV1 LSx Injector harness for Holley EFI 558200 by Current Performance Ev1 Injector Height Use the psi ls fuel injector guide, ev1, ev6, multec this injector family portrait includes four of the five popular gm fuel injectors. 37 rows not sure which fuel injector you have? the ev6 injector is nearly identical in height but the body of the fuel injector is narrower or “skinnier” when compared to the ev1. . Ev1 Injector Height.
From www.nzefi.com
Bosch EV1 Fuel Injector Plug NZEFI Ev1 Injector Height 37 rows not sure which fuel injector you have? However, the ev6 injector body. the ev6 injector is nearly identical in height but the body of the fuel injector is narrower or “skinnier” when compared to the ev1. typically injectors come in three sizes; this injector family portrait includes four of the five popular gm fuel. Ev1 Injector Height.
From ls1tech.com
42 injectors (EV1) LS1TECH Camaro and Firebird Forum Discussion Ev1 Injector Height Use the psi ls fuel injector guide, ev1, ev6, multec Seat height, high impedance, 12.2. the ev6 injector is nearly identical in height but the body of the fuel injector is narrower or “skinnier” when compared to the ev1. visually, the height of the ev6 injectors is almost the same as the ev1 injectors. However, the ev6 injector. Ev1 Injector Height.
From www.bmotorsports.com
Home » Shop » TE 2 Way Bosch Jetronic Low Profile EV1 Injector Connector Ev1 Injector Height typically injectors come in three sizes; 37 rows not sure which fuel injector you have? Use the psi ls fuel injector guide, ev1, ev6, multec this injector family portrait includes four of the five popular gm fuel injectors. the ev6 injector is nearly identical in height but the body of the fuel injector is narrower or. Ev1 Injector Height.
From www.speedwaymotors.com
ACCEL 150136 Fuel Injector, 36 lb/hr, EV1 Minitimer, High Impedance Ev1 Injector Height this injector family portrait includes four of the five popular gm fuel injectors. typically injectors come in three sizes; Seat height, high impedance, 12.2. 37 rows not sure which fuel injector you have? the ev6 injector is nearly identical in height but the body of the fuel injector is narrower or “skinnier” when compared to the. Ev1 Injector Height.
From www.corvetteonline.com
Injector Specs GM Fuel Injector Identification And CrossReference Ev1 Injector Height visually, the height of the ev6 injectors is almost the same as the ev1 injectors. typically injectors come in three sizes; 37 rows not sure which fuel injector you have? the ev6 injector is nearly identical in height but the body of the fuel injector is narrower or “skinnier” when compared to the ev1. However, the. Ev1 Injector Height.
From www.americanmuscle.com
Accel Mustang High Performance EV1 Fuel Injectors 30lb 150830 (8704 V8) Ev1 Injector Height Use the psi ls fuel injector guide, ev1, ev6, multec Seat height, high impedance, 12.2. this injector family portrait includes four of the five popular gm fuel injectors. typically injectors come in three sizes; 37 rows not sure which fuel injector you have? the ev6 injector is nearly identical in height but the body of the. Ev1 Injector Height.
From www.holley.com
How To Choose The Correct Fuel Injector For Your Engine Holley Motor Life Ev1 Injector Height 37 rows not sure which fuel injector you have? visually, the height of the ev6 injectors is almost the same as the ev1 injectors. this injector family portrait includes four of the five popular gm fuel injectors. typically injectors come in three sizes; Seat height, high impedance, 12.2. the ev6 injector is nearly identical in. Ev1 Injector Height.
From www.siemensdekafuelinjectors.com
80 lb/hr Siemens Deka Fuel Injector High Impedance (Long Style) EV1 Ev1 Injector Height Use the psi ls fuel injector guide, ev1, ev6, multec the ev6 injector is nearly identical in height but the body of the fuel injector is narrower or “skinnier” when compared to the ev1. this injector family portrait includes four of the five popular gm fuel injectors. visually, the height of the ev6 injectors is almost the. Ev1 Injector Height.
From www.fueltech.net
EV1 Injector Connector Kit FuelTech USA Ev1 Injector Height typically injectors come in three sizes; this injector family portrait includes four of the five popular gm fuel injectors. However, the ev6 injector body. the ev6 injector is nearly identical in height but the body of the fuel injector is narrower or “skinnier” when compared to the ev1. Use the psi ls fuel injector guide, ev1, ev6,. Ev1 Injector Height.
From www.andersonfordmotorsport.com
High Impedance EV1 42lb Fuel Injectors Set of 8 Anderson Ford Motorsport Ev1 Injector Height typically injectors come in three sizes; However, the ev6 injector body. the ev6 injector is nearly identical in height but the body of the fuel injector is narrower or “skinnier” when compared to the ev1. Use the psi ls fuel injector guide, ev1, ev6, multec this injector family portrait includes four of the five popular gm fuel. Ev1 Injector Height.
From zzperformance.com
33 GM EV1 Injectors ZZPerformance Ev1 Injector Height the ev6 injector is nearly identical in height but the body of the fuel injector is narrower or “skinnier” when compared to the ev1. However, the ev6 injector body. typically injectors come in three sizes; 37 rows not sure which fuel injector you have? Use the psi ls fuel injector guide, ev1, ev6, multec Seat height, high. Ev1 Injector Height.
From turbo4less.com
Bosch 210lb EV1 Injector set for 8Cyl application VSRacing Ev1 Injector Height this injector family portrait includes four of the five popular gm fuel injectors. Use the psi ls fuel injector guide, ev1, ev6, multec the ev6 injector is nearly identical in height but the body of the fuel injector is narrower or “skinnier” when compared to the ev1. However, the ev6 injector body. Seat height, high impedance, 12.2. . Ev1 Injector Height.
From www.wiringspecialties.com
Injector Adapter EV6 to EV1 Wiring Specialties Ev1 Injector Height typically injectors come in three sizes; Use the psi ls fuel injector guide, ev1, ev6, multec However, the ev6 injector body. visually, the height of the ev6 injectors is almost the same as the ev1 injectors. this injector family portrait includes four of the five popular gm fuel injectors. 37 rows not sure which fuel injector. Ev1 Injector Height.
From www.michiganmotorsports.com
EV1 Fuel Injector connectors Fits Bosch BMW Volvo VW Porsche GM OBD1 Nissan Ev1 Injector Height 37 rows not sure which fuel injector you have? the ev6 injector is nearly identical in height but the body of the fuel injector is narrower or “skinnier” when compared to the ev1. visually, the height of the ev6 injectors is almost the same as the ev1 injectors. typically injectors come in three sizes; this. Ev1 Injector Height.
From lann-barely.blogspot.com
Ev6 Vs Ev1 WIRING DIAGRAM 2015 09 Aeron Next Generation High Ev1 Injector Height Seat height, high impedance, 12.2. typically injectors come in three sizes; the ev6 injector is nearly identical in height but the body of the fuel injector is narrower or “skinnier” when compared to the ev1. However, the ev6 injector body. this injector family portrait includes four of the five popular gm fuel injectors. visually, the height. Ev1 Injector Height.
From www.ohm-racing.com
Quick disconnect Injector connectors (EV1 Style) Ev1 Injector Height visually, the height of the ev6 injectors is almost the same as the ev1 injectors. this injector family portrait includes four of the five popular gm fuel injectors. However, the ev6 injector body. the ev6 injector is nearly identical in height but the body of the fuel injector is narrower or “skinnier” when compared to the ev1.. Ev1 Injector Height.
From injector-rehab.com
Bosch EV1 Rebuild Kit Ev1 Injector Height 37 rows not sure which fuel injector you have? However, the ev6 injector body. the ev6 injector is nearly identical in height but the body of the fuel injector is narrower or “skinnier” when compared to the ev1. visually, the height of the ev6 injectors is almost the same as the ev1 injectors. Seat height, high impedance,. Ev1 Injector Height.
From www.bmotorsports.com
Home » Shop » Connectors / Harnesses » Bosch » Bosch Type EV1 Injector Ev1 Injector Height visually, the height of the ev6 injectors is almost the same as the ev1 injectors. the ev6 injector is nearly identical in height but the body of the fuel injector is narrower or “skinnier” when compared to the ev1. 37 rows not sure which fuel injector you have? However, the ev6 injector body. this injector family. Ev1 Injector Height.
From fuelinjectorconnection.com
FIC Flow Max 1000 CC EV1 Fuel Injector Connection Ev1 Injector Height the ev6 injector is nearly identical in height but the body of the fuel injector is narrower or “skinnier” when compared to the ev1. this injector family portrait includes four of the five popular gm fuel injectors. Seat height, high impedance, 12.2. visually, the height of the ev6 injectors is almost the same as the ev1 injectors.. Ev1 Injector Height.
From highperformanceinjectors.com
Fuel Injectors Set of 8 LS1 / LS6 / LT1 / EV1 Style High Impedance HP Ev1 Injector Height visually, the height of the ev6 injectors is almost the same as the ev1 injectors. However, the ev6 injector body. the ev6 injector is nearly identical in height but the body of the fuel injector is narrower or “skinnier” when compared to the ev1. this injector family portrait includes four of the five popular gm fuel injectors.. Ev1 Injector Height.
From www.holley.com
ACCEL 150836 ACCEL Fuel Injectors 36 lb/hr EV1 Minitimer High Ev1 Injector Height 37 rows not sure which fuel injector you have? the ev6 injector is nearly identical in height but the body of the fuel injector is narrower or “skinnier” when compared to the ev1. this injector family portrait includes four of the five popular gm fuel injectors. typically injectors come in three sizes; Seat height, high impedance,. Ev1 Injector Height.
From www.gmtruckcentral.com
Choosing the Right Fuel Injector GM Truck Central Ev1 Injector Height However, the ev6 injector body. 37 rows not sure which fuel injector you have? Seat height, high impedance, 12.2. visually, the height of the ev6 injectors is almost the same as the ev1 injectors. the ev6 injector is nearly identical in height but the body of the fuel injector is narrower or “skinnier” when compared to the. Ev1 Injector Height.
From www.siemensdeka.com
220lb/h Siemens Deka Low Impedance (Long Style) with EV1 Connector Ev1 Injector Height this injector family portrait includes four of the five popular gm fuel injectors. However, the ev6 injector body. Seat height, high impedance, 12.2. Use the psi ls fuel injector guide, ev1, ev6, multec 37 rows not sure which fuel injector you have? visually, the height of the ev6 injectors is almost the same as the ev1 injectors.. Ev1 Injector Height.
From www.performancetrucks.net
Deka EV1 60 LB injectors for sale Forums Ev1 Injector Height Seat height, high impedance, 12.2. this injector family portrait includes four of the five popular gm fuel injectors. 37 rows not sure which fuel injector you have? typically injectors come in three sizes; the ev6 injector is nearly identical in height but the body of the fuel injector is narrower or “skinnier” when compared to the. Ev1 Injector Height.
From speed-engineering.com
EV6 Harness to EV1 Injector Adapter Harness Speed Engineering Ev1 Injector Height the ev6 injector is nearly identical in height but the body of the fuel injector is narrower or “skinnier” when compared to the ev1. 37 rows not sure which fuel injector you have? this injector family portrait includes four of the five popular gm fuel injectors. typically injectors come in three sizes; However, the ev6 injector. Ev1 Injector Height.
From warrperformance.com
EV1 LS Style Injector Harness For Holley™ EFI Systems WARR Ev1 Injector Height Seat height, high impedance, 12.2. Use the psi ls fuel injector guide, ev1, ev6, multec this injector family portrait includes four of the five popular gm fuel injectors. 37 rows not sure which fuel injector you have? the ev6 injector is nearly identical in height but the body of the fuel injector is narrower or “skinnier” when. Ev1 Injector Height.
From kojaycat.co.uk
2 Way Delphi Bosch OBD1 EV1 Fuel Injector Connector Plug Ev1 Injector Height Use the psi ls fuel injector guide, ev1, ev6, multec typically injectors come in three sizes; However, the ev6 injector body. the ev6 injector is nearly identical in height but the body of the fuel injector is narrower or “skinnier” when compared to the ev1. visually, the height of the ev6 injectors is almost the same as. Ev1 Injector Height.