How Does A Counter Rotating Outboard Work . counter rotating props means that the prop walk created by either engine are cancelled out, and the boat will track. how does one convert an outboard to counter rotating, besides the right prop, when the boat has twin. This helps to reduce drag and. counter rotating outboard motors work by having two propellers that rotate in opposite directions. use them in a counter rotating motor and they will act like a file and bearing life will suffer greatly.
from www.offshoreonly.com
This helps to reduce drag and. counter rotating outboard motors work by having two propellers that rotate in opposite directions. use them in a counter rotating motor and they will act like a file and bearing life will suffer greatly. counter rotating props means that the prop walk created by either engine are cancelled out, and the boat will track. how does one convert an outboard to counter rotating, besides the right prop, when the boat has twin.
Counter rotating drives... Blackhawk etc
How Does A Counter Rotating Outboard Work This helps to reduce drag and. counter rotating outboard motors work by having two propellers that rotate in opposite directions. counter rotating props means that the prop walk created by either engine are cancelled out, and the boat will track. how does one convert an outboard to counter rotating, besides the right prop, when the boat has twin. This helps to reduce drag and. use them in a counter rotating motor and they will act like a file and bearing life will suffer greatly.
From www.offshoreonly.com
Counter rotating drives... Blackhawk etc How Does A Counter Rotating Outboard Work counter rotating outboard motors work by having two propellers that rotate in opposite directions. use them in a counter rotating motor and they will act like a file and bearing life will suffer greatly. This helps to reduce drag and. counter rotating props means that the prop walk created by either engine are cancelled out, and the. How Does A Counter Rotating Outboard Work.
From www.crowleymarine.com
GEARCASE COUNTER ROTATION 1992 Outboard 200 VE200SLENS Crowley Marine How Does A Counter Rotating Outboard Work how does one convert an outboard to counter rotating, besides the right prop, when the boat has twin. This helps to reduce drag and. counter rotating outboard motors work by having two propellers that rotate in opposite directions. counter rotating props means that the prop walk created by either engine are cancelled out, and the boat will. How Does A Counter Rotating Outboard Work.
From exobyvjyl.blob.core.windows.net
Counter Rotating Twin Propellers at Garrett Williams blog How Does A Counter Rotating Outboard Work counter rotating outboard motors work by having two propellers that rotate in opposite directions. counter rotating props means that the prop walk created by either engine are cancelled out, and the boat will track. This helps to reduce drag and. how does one convert an outboard to counter rotating, besides the right prop, when the boat has. How Does A Counter Rotating Outboard Work.
From exobyvjyl.blob.core.windows.net
Counter Rotating Twin Propellers at Garrett Williams blog How Does A Counter Rotating Outboard Work use them in a counter rotating motor and they will act like a file and bearing life will suffer greatly. how does one convert an outboard to counter rotating, besides the right prop, when the boat has twin. This helps to reduce drag and. counter rotating props means that the prop walk created by either engine are. How Does A Counter Rotating Outboard Work.
From automotorpad.com
Honda counter rotating outboards How Does A Counter Rotating Outboard Work This helps to reduce drag and. use them in a counter rotating motor and they will act like a file and bearing life will suffer greatly. counter rotating props means that the prop walk created by either engine are cancelled out, and the boat will track. how does one convert an outboard to counter rotating, besides the. How Does A Counter Rotating Outboard Work.
From www.crowleymarine.com
GEARCASE COUNTER ROTATION 1991 Evinrude Outboards 150 E150GLEIS How Does A Counter Rotating Outboard Work use them in a counter rotating motor and they will act like a file and bearing life will suffer greatly. counter rotating outboard motors work by having two propellers that rotate in opposite directions. This helps to reduce drag and. how does one convert an outboard to counter rotating, besides the right prop, when the boat has. How Does A Counter Rotating Outboard Work.
From www.boatspecialists.com
150CXL Mercury Counter Rotation Outboard How Does A Counter Rotating Outboard Work how does one convert an outboard to counter rotating, besides the right prop, when the boat has twin. counter rotating outboard motors work by having two propellers that rotate in opposite directions. This helps to reduce drag and. use them in a counter rotating motor and they will act like a file and bearing life will suffer. How Does A Counter Rotating Outboard Work.
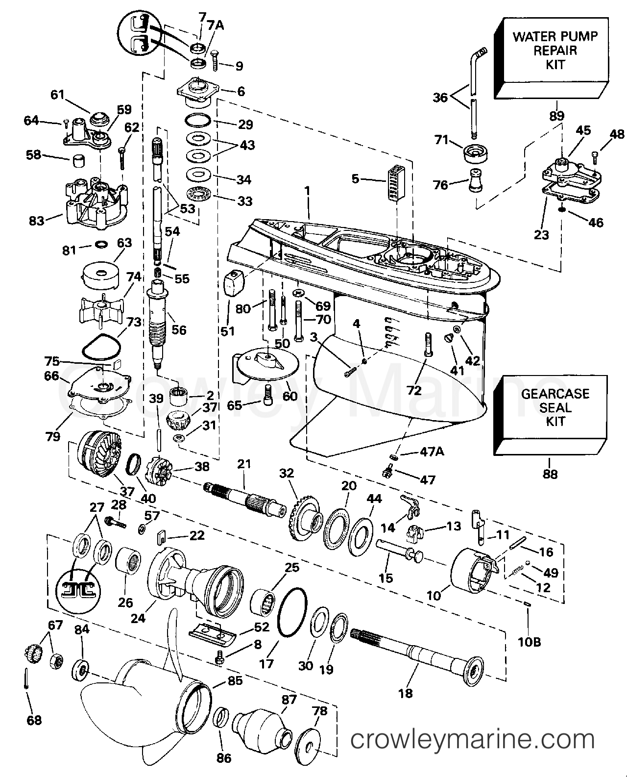
From www.crowleymarine.com
GEARS, COUNTER ROTATION 2004 Johnson Outboards 140 J140CX4SRC How Does A Counter Rotating Outboard Work use them in a counter rotating motor and they will act like a file and bearing life will suffer greatly. counter rotating outboard motors work by having two propellers that rotate in opposite directions. how does one convert an outboard to counter rotating, besides the right prop, when the boat has twin. This helps to reduce drag. How Does A Counter Rotating Outboard Work.
From www.crowleymarine.com
GEARCASE COUNTER ROTATION 1995 Johnson Outboards 150 J150GLEOM How Does A Counter Rotating Outboard Work This helps to reduce drag and. use them in a counter rotating motor and they will act like a file and bearing life will suffer greatly. counter rotating props means that the prop walk created by either engine are cancelled out, and the boat will track. how does one convert an outboard to counter rotating, besides the. How Does A Counter Rotating Outboard Work.
From www.liveauctionworld.com
MERCURY OUTBOARD MOTOR, VERADO 300HP RUN COUNTER ROTATION How Does A Counter Rotating Outboard Work use them in a counter rotating motor and they will act like a file and bearing life will suffer greatly. This helps to reduce drag and. counter rotating props means that the prop walk created by either engine are cancelled out, and the boat will track. how does one convert an outboard to counter rotating, besides the. How Does A Counter Rotating Outboard Work.
From ceacmdpc.blob.core.windows.net
Outboard Motor Counter Rotating Props at Rose Barlowe blog How Does A Counter Rotating Outboard Work This helps to reduce drag and. how does one convert an outboard to counter rotating, besides the right prop, when the boat has twin. counter rotating props means that the prop walk created by either engine are cancelled out, and the boat will track. counter rotating outboard motors work by having two propellers that rotate in opposite. How Does A Counter Rotating Outboard Work.
From dxozhdjns.blob.core.windows.net
Contra Rotating Propeller How Does It Work at Hilma Horsley blog How Does A Counter Rotating Outboard Work This helps to reduce drag and. how does one convert an outboard to counter rotating, besides the right prop, when the boat has twin. counter rotating props means that the prop walk created by either engine are cancelled out, and the boat will track. use them in a counter rotating motor and they will act like a. How Does A Counter Rotating Outboard Work.
From efoil.builders
Counter Rotating Propeller Propulsion System (Motor, Gears How Does A Counter Rotating Outboard Work counter rotating outboard motors work by having two propellers that rotate in opposite directions. counter rotating props means that the prop walk created by either engine are cancelled out, and the boat will track. how does one convert an outboard to counter rotating, besides the right prop, when the boat has twin. This helps to reduce drag. How Does A Counter Rotating Outboard Work.
From boatingsaga.com
How Do Counter Rotating Propellers Work on Boats? How Does A Counter Rotating Outboard Work how does one convert an outboard to counter rotating, besides the right prop, when the boat has twin. This helps to reduce drag and. use them in a counter rotating motor and they will act like a file and bearing life will suffer greatly. counter rotating props means that the prop walk created by either engine are. How Does A Counter Rotating Outboard Work.
From www.youtube.com
1998 Yamaha 130hp Counter Rotating Outboards YouTube How Does A Counter Rotating Outboard Work counter rotating outboard motors work by having two propellers that rotate in opposite directions. This helps to reduce drag and. how does one convert an outboard to counter rotating, besides the right prop, when the boat has twin. counter rotating props means that the prop walk created by either engine are cancelled out, and the boat will. How Does A Counter Rotating Outboard Work.
From engine-flix.com
Honda BF150 Long Leg Counter Rotating Outboard EngineFlix How Does A Counter Rotating Outboard Work counter rotating outboard motors work by having two propellers that rotate in opposite directions. counter rotating props means that the prop walk created by either engine are cancelled out, and the boat will track. use them in a counter rotating motor and they will act like a file and bearing life will suffer greatly. how does. How Does A Counter Rotating Outboard Work.
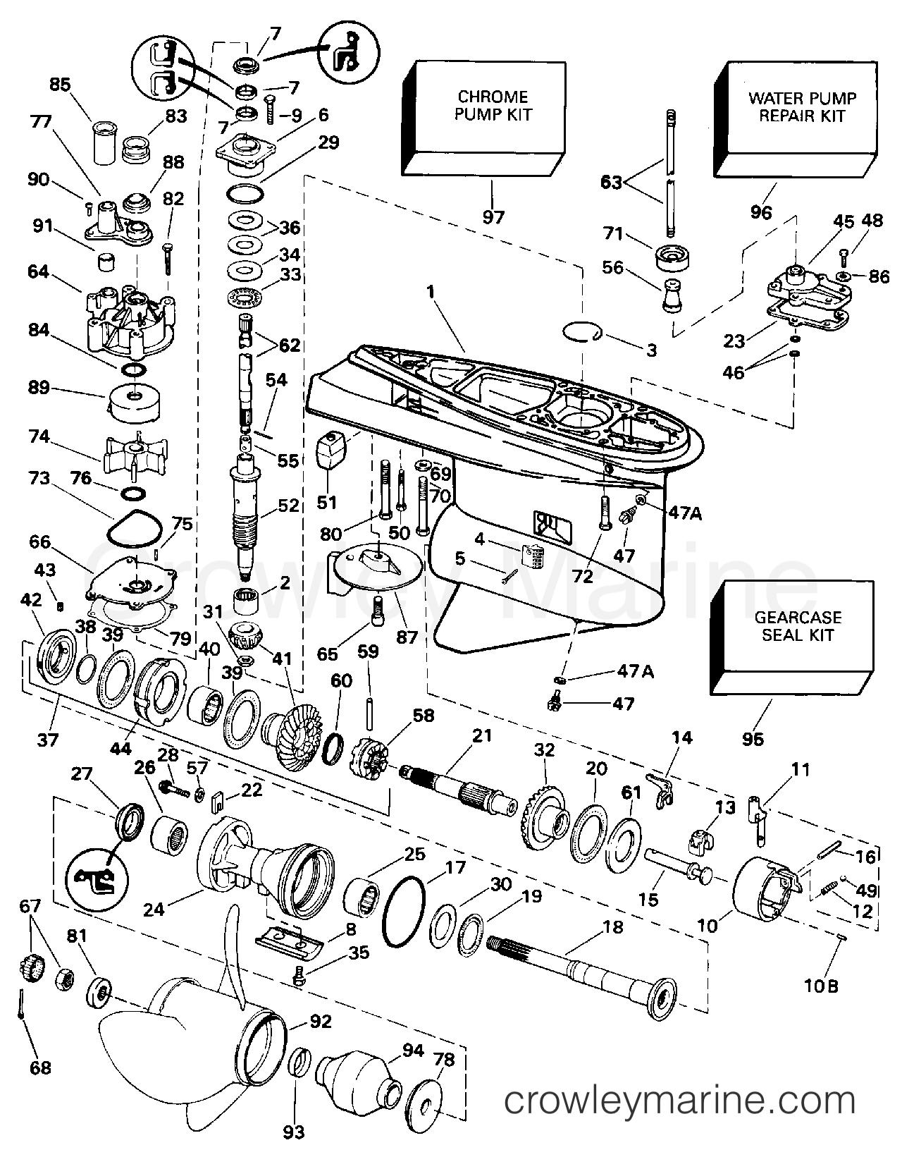
From www.crowleymarine.com
GEARCASE COUNTERROTATION FCX MODELS 1998 Johnson Outboards 150 How Does A Counter Rotating Outboard Work counter rotating outboard motors work by having two propellers that rotate in opposite directions. how does one convert an outboard to counter rotating, besides the right prop, when the boat has twin. use them in a counter rotating motor and they will act like a file and bearing life will suffer greatly. counter rotating props means. How Does A Counter Rotating Outboard Work.
From ceacmdpc.blob.core.windows.net
Outboard Motor Counter Rotating Props at Rose Barlowe blog How Does A Counter Rotating Outboard Work counter rotating props means that the prop walk created by either engine are cancelled out, and the boat will track. how does one convert an outboard to counter rotating, besides the right prop, when the boat has twin. use them in a counter rotating motor and they will act like a file and bearing life will suffer. How Does A Counter Rotating Outboard Work.
From ceacmdpc.blob.core.windows.net
Outboard Motor Counter Rotating Props at Rose Barlowe blog How Does A Counter Rotating Outboard Work how does one convert an outboard to counter rotating, besides the right prop, when the boat has twin. counter rotating props means that the prop walk created by either engine are cancelled out, and the boat will track. use them in a counter rotating motor and they will act like a file and bearing life will suffer. How Does A Counter Rotating Outboard Work.
From boatingsaga.com
How Do Counter Rotating Propellers Work on Boats? How Does A Counter Rotating Outboard Work use them in a counter rotating motor and they will act like a file and bearing life will suffer greatly. how does one convert an outboard to counter rotating, besides the right prop, when the boat has twin. This helps to reduce drag and. counter rotating props means that the prop walk created by either engine are. How Does A Counter Rotating Outboard Work.
From www.youtube.com
Outboard Motor depth setting YouTube How Does A Counter Rotating Outboard Work use them in a counter rotating motor and they will act like a file and bearing life will suffer greatly. This helps to reduce drag and. how does one convert an outboard to counter rotating, besides the right prop, when the boat has twin. counter rotating props means that the prop walk created by either engine are. How Does A Counter Rotating Outboard Work.
From bigd.mt
How to install an outboard engine? Big D® How Does A Counter Rotating Outboard Work This helps to reduce drag and. use them in a counter rotating motor and they will act like a file and bearing life will suffer greatly. counter rotating props means that the prop walk created by either engine are cancelled out, and the boat will track. how does one convert an outboard to counter rotating, besides the. How Does A Counter Rotating Outboard Work.
From highlifeyachts.com
2) 2014 Yamaha 350XCA Outboard Motors Counter Rotating Matched Pair How Does A Counter Rotating Outboard Work counter rotating props means that the prop walk created by either engine are cancelled out, and the boat will track. use them in a counter rotating motor and they will act like a file and bearing life will suffer greatly. counter rotating outboard motors work by having two propellers that rotate in opposite directions. This helps to. How Does A Counter Rotating Outboard Work.
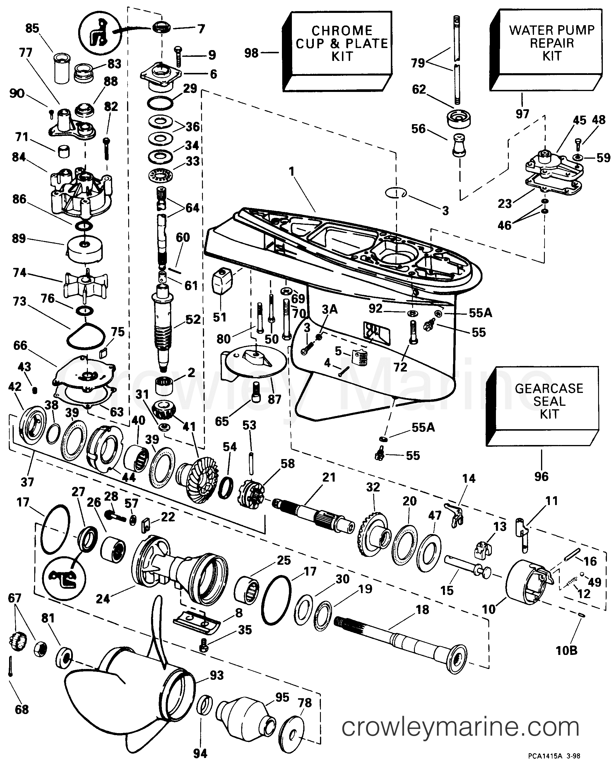
From www.crowleymarine.com
GEARCASE COUNTERROTATION CX MODELS 1999 Johnson Outboards 150 How Does A Counter Rotating Outboard Work counter rotating props means that the prop walk created by either engine are cancelled out, and the boat will track. how does one convert an outboard to counter rotating, besides the right prop, when the boat has twin. counter rotating outboard motors work by having two propellers that rotate in opposite directions. use them in a. How Does A Counter Rotating Outboard Work.
From boatingsaga.com
How Do Counter Rotating Propellers Work on Boats? How Does A Counter Rotating Outboard Work use them in a counter rotating motor and they will act like a file and bearing life will suffer greatly. counter rotating outboard motors work by having two propellers that rotate in opposite directions. how does one convert an outboard to counter rotating, besides the right prop, when the boat has twin. counter rotating props means. How Does A Counter Rotating Outboard Work.
From www.crowleymarine.com
GEAR HOUSING, DRIVESHAFT, STANDARD/COUNTER ROTATION 2011 Outboard 150 How Does A Counter Rotating Outboard Work how does one convert an outboard to counter rotating, besides the right prop, when the boat has twin. This helps to reduce drag and. counter rotating props means that the prop walk created by either engine are cancelled out, and the boat will track. counter rotating outboard motors work by having two propellers that rotate in opposite. How Does A Counter Rotating Outboard Work.
From www.ecplaza.net
Yamaha 4 Stroke 150hp Long Shaft, Counter Rotating Propeller EFI How Does A Counter Rotating Outboard Work how does one convert an outboard to counter rotating, besides the right prop, when the boat has twin. counter rotating props means that the prop walk created by either engine are cancelled out, and the boat will track. counter rotating outboard motors work by having two propellers that rotate in opposite directions. This helps to reduce drag. How Does A Counter Rotating Outboard Work.
From efoil.builders
Counter Rotating Propeller Propulsion System (Motor, Gears How Does A Counter Rotating Outboard Work counter rotating props means that the prop walk created by either engine are cancelled out, and the boat will track. This helps to reduce drag and. use them in a counter rotating motor and they will act like a file and bearing life will suffer greatly. counter rotating outboard motors work by having two propellers that rotate. How Does A Counter Rotating Outboard Work.
From boatingsaga.com
How Do Counter Rotating Propellers Work on Boats? How Does A Counter Rotating Outboard Work This helps to reduce drag and. counter rotating props means that the prop walk created by either engine are cancelled out, and the boat will track. use them in a counter rotating motor and they will act like a file and bearing life will suffer greatly. how does one convert an outboard to counter rotating, besides the. How Does A Counter Rotating Outboard Work.
From www.crowleymarine.com
GEARCASE, SLXTYPE, COUNTER ROTATION AG Outboard 225 3.4L How Does A Counter Rotating Outboard Work counter rotating outboard motors work by having two propellers that rotate in opposite directions. how does one convert an outboard to counter rotating, besides the right prop, when the boat has twin. use them in a counter rotating motor and they will act like a file and bearing life will suffer greatly. counter rotating props means. How Does A Counter Rotating Outboard Work.
From boatingsaga.com
How Do Counter Rotating Propellers Work on Boats? How Does A Counter Rotating Outboard Work This helps to reduce drag and. counter rotating props means that the prop walk created by either engine are cancelled out, and the boat will track. counter rotating outboard motors work by having two propellers that rotate in opposite directions. how does one convert an outboard to counter rotating, besides the right prop, when the boat has. How Does A Counter Rotating Outboard Work.
From www.crowleymarine.com
GEAR HOUSING(DRIVESHAFT)(STANDARD/COUNTER ROTATION) 2002 Mercury How Does A Counter Rotating Outboard Work This helps to reduce drag and. counter rotating outboard motors work by having two propellers that rotate in opposite directions. counter rotating props means that the prop walk created by either engine are cancelled out, and the boat will track. use them in a counter rotating motor and they will act like a file and bearing life. How Does A Counter Rotating Outboard Work.
From www.brunvoll.no
CRP Contra Rotating Propellers How Does A Counter Rotating Outboard Work use them in a counter rotating motor and they will act like a file and bearing life will suffer greatly. This helps to reduce drag and. counter rotating props means that the prop walk created by either engine are cancelled out, and the boat will track. how does one convert an outboard to counter rotating, besides the. How Does A Counter Rotating Outboard Work.
From goneoutdoors.com
What Is the Advantage of a DualProp Boat? Gone Outdoors Your How Does A Counter Rotating Outboard Work This helps to reduce drag and. use them in a counter rotating motor and they will act like a file and bearing life will suffer greatly. counter rotating outboard motors work by having two propellers that rotate in opposite directions. counter rotating props means that the prop walk created by either engine are cancelled out, and the. How Does A Counter Rotating Outboard Work.
From www.crowleymarine.com
GEARCASE, COUNTER ROTATION 2005 Outboard 140 J140CX4SOR, Crowley Marine How Does A Counter Rotating Outboard Work counter rotating props means that the prop walk created by either engine are cancelled out, and the boat will track. This helps to reduce drag and. how does one convert an outboard to counter rotating, besides the right prop, when the boat has twin. counter rotating outboard motors work by having two propellers that rotate in opposite. How Does A Counter Rotating Outboard Work.