Mk2 Gearbox Linkage . Typically, if it jammed up the drive flange, it. Choose from golf ball gear knobs, vw motorsport gear knobs,. I wondered if anyone has much experience. April 25, 2021, 06:59:34 pm. Jack the gearbox up as far as possible, go slowly as the clutch arm will hit the inner wing. i can see the 2 cables that come through the bulkhead then they go into the gearbox at 2 different locations. Includes 4 & 5 speed short rods. undo the large bolt through the middle of the gearbox mount. i've never heard of a driveshaft knackering a gearbox before by coming loose.
from www.heritagepartscentre.com
April 25, 2021, 06:59:34 pm. undo the large bolt through the middle of the gearbox mount. Includes 4 & 5 speed short rods. Typically, if it jammed up the drive flange, it. Choose from golf ball gear knobs, vw motorsport gear knobs,. I wondered if anyone has much experience. Jack the gearbox up as far as possible, go slowly as the clutch arm will hit the inner wing. i've never heard of a driveshaft knackering a gearbox before by coming loose. i can see the 2 cables that come through the bulkhead then they go into the gearbox at 2 different locations.
Gear Shift Linkage Bush Kit for Manual Gearbox Heritage Parts Centre AU
Mk2 Gearbox Linkage Jack the gearbox up as far as possible, go slowly as the clutch arm will hit the inner wing. Jack the gearbox up as far as possible, go slowly as the clutch arm will hit the inner wing. Typically, if it jammed up the drive flange, it. Includes 4 & 5 speed short rods. undo the large bolt through the middle of the gearbox mount. I wondered if anyone has much experience. i've never heard of a driveshaft knackering a gearbox before by coming loose. April 25, 2021, 06:59:34 pm. i can see the 2 cables that come through the bulkhead then they go into the gearbox at 2 different locations. Choose from golf ball gear knobs, vw motorsport gear knobs,.
From www.usedcarpartsuk.co.uk
Renault Clio gear cables linkages 20132017 Used Car Parts UK Mk2 Gearbox Linkage I wondered if anyone has much experience. i can see the 2 cables that come through the bulkhead then they go into the gearbox at 2 different locations. undo the large bolt through the middle of the gearbox mount. Jack the gearbox up as far as possible, go slowly as the clutch arm will hit the inner wing.. Mk2 Gearbox Linkage.
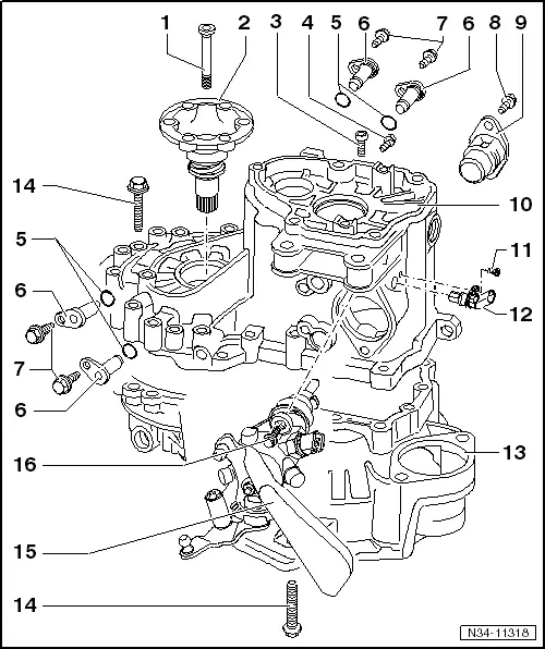
From workshop-manuals.com
Skoda Service and Repair Manuals > Fabia Mk2 > Power Mk2 Gearbox Linkage undo the large bolt through the middle of the gearbox mount. Jack the gearbox up as far as possible, go slowly as the clutch arm will hit the inner wing. Typically, if it jammed up the drive flange, it. April 25, 2021, 06:59:34 pm. i can see the 2 cables that come through the bulkhead then they go. Mk2 Gearbox Linkage.
From www.lazada.com.my
Manual Transmission Gearbox Shift Lever Cable Linkage Rubber Bushing Mk2 Gearbox Linkage i've never heard of a driveshaft knackering a gearbox before by coming loose. Choose from golf ball gear knobs, vw motorsport gear knobs,. i can see the 2 cables that come through the bulkhead then they go into the gearbox at 2 different locations. Typically, if it jammed up the drive flange, it. Jack the gearbox up as. Mk2 Gearbox Linkage.
From www.renaultbreakers.co.uk
Renault Clio MK2 20012006 1.2 16V Gear Linkage ROD Gearbox Selector Mk2 Gearbox Linkage I wondered if anyone has much experience. undo the large bolt through the middle of the gearbox mount. i've never heard of a driveshaft knackering a gearbox before by coming loose. Choose from golf ball gear knobs, vw motorsport gear knobs,. i can see the 2 cables that come through the bulkhead then they go into the. Mk2 Gearbox Linkage.
From www.youtube.com
Quickshift / shortshift gear linkage VW Golf MK2 YouTube Mk2 Gearbox Linkage April 25, 2021, 06:59:34 pm. i've never heard of a driveshaft knackering a gearbox before by coming loose. Typically, if it jammed up the drive flange, it. Jack the gearbox up as far as possible, go slowly as the clutch arm will hit the inner wing. undo the large bolt through the middle of the gearbox mount. I. Mk2 Gearbox Linkage.
From guzzicafe2.blogspot.com
Nicks guzzicafe mk2 Gear linkage and rear sets Mk2 Gearbox Linkage Jack the gearbox up as far as possible, go slowly as the clutch arm will hit the inner wing. Choose from golf ball gear knobs, vw motorsport gear knobs,. Typically, if it jammed up the drive flange, it. i've never heard of a driveshaft knackering a gearbox before by coming loose. I wondered if anyone has much experience. April. Mk2 Gearbox Linkage.
From www.volkszone.com
Gearbox Mk2 caddy (skoda shaped one) gear linkage setup Volkszone Forum Mk2 Gearbox Linkage undo the large bolt through the middle of the gearbox mount. Includes 4 & 5 speed short rods. Typically, if it jammed up the drive flange, it. April 25, 2021, 06:59:34 pm. I wondered if anyone has much experience. Jack the gearbox up as far as possible, go slowly as the clutch arm will hit the inner wing. . Mk2 Gearbox Linkage.
From www.vwclub.co.za
ARg. Gear linkage problem. Mk2 Gearbox Linkage i've never heard of a driveshaft knackering a gearbox before by coming loose. undo the large bolt through the middle of the gearbox mount. I wondered if anyone has much experience. Typically, if it jammed up the drive flange, it. Jack the gearbox up as far as possible, go slowly as the clutch arm will hit the inner. Mk2 Gearbox Linkage.
From www.aliexpress.com
ASetCarGearboxGearShiftLinkageRepairKitForVWGOLFJETTAMK2 Mk2 Gearbox Linkage undo the large bolt through the middle of the gearbox mount. Typically, if it jammed up the drive flange, it. Choose from golf ball gear knobs, vw motorsport gear knobs,. i've never heard of a driveshaft knackering a gearbox before by coming loose. April 25, 2021, 06:59:34 pm. Jack the gearbox up as far as possible, go slowly. Mk2 Gearbox Linkage.
From www.youtube.com
Mk2 gear shift linkage demo YouTube Mk2 Gearbox Linkage i can see the 2 cables that come through the bulkhead then they go into the gearbox at 2 different locations. I wondered if anyone has much experience. i've never heard of a driveshaft knackering a gearbox before by coming loose. April 25, 2021, 06:59:34 pm. undo the large bolt through the middle of the gearbox mount.. Mk2 Gearbox Linkage.
From wiringcriccieth.z21.web.core.windows.net
Renault Clio Mk2 Gear Linkage Mk2 Gearbox Linkage Typically, if it jammed up the drive flange, it. undo the large bolt through the middle of the gearbox mount. i can see the 2 cables that come through the bulkhead then they go into the gearbox at 2 different locations. Jack the gearbox up as far as possible, go slowly as the clutch arm will hit the. Mk2 Gearbox Linkage.
From www.renaultbreakers.co.uk
Renault Clio MK3 20052009 Extended Gear Stick Cables Selector Linkage Mk2 Gearbox Linkage Choose from golf ball gear knobs, vw motorsport gear knobs,. i've never heard of a driveshaft knackering a gearbox before by coming loose. April 25, 2021, 06:59:34 pm. I wondered if anyone has much experience. Jack the gearbox up as far as possible, go slowly as the clutch arm will hit the inner wing. Typically, if it jammed up. Mk2 Gearbox Linkage.
From www.renaultbreakers.co.uk
Renault Clio Mk2 20012006 Gear Linkage Gearbox Link Selector Store Mk2 Gearbox Linkage Choose from golf ball gear knobs, vw motorsport gear knobs,. April 25, 2021, 06:59:34 pm. Typically, if it jammed up the drive flange, it. Jack the gearbox up as far as possible, go slowly as the clutch arm will hit the inner wing. Includes 4 & 5 speed short rods. undo the large bolt through the middle of the. Mk2 Gearbox Linkage.
From www.ebay.com
VW JETTA Mk1, Mk2 Gear Linkage Repair Kit 79 to 92 Selector 191798116 Mk2 Gearbox Linkage i can see the 2 cables that come through the bulkhead then they go into the gearbox at 2 different locations. Typically, if it jammed up the drive flange, it. Choose from golf ball gear knobs, vw motorsport gear knobs,. i've never heard of a driveshaft knackering a gearbox before by coming loose. April 25, 2021, 06:59:34 pm.. Mk2 Gearbox Linkage.
From guzzicafe2.blogspot.com
Nicks guzzicafe mk2 Gear linkage and rear sets Mk2 Gearbox Linkage Choose from golf ball gear knobs, vw motorsport gear knobs,. Includes 4 & 5 speed short rods. Jack the gearbox up as far as possible, go slowly as the clutch arm will hit the inner wing. I wondered if anyone has much experience. April 25, 2021, 06:59:34 pm. Typically, if it jammed up the drive flange, it. i can. Mk2 Gearbox Linkage.
From guzzicafe2.blogspot.com
Nicks guzzicafe mk2 Gear linkage and rear sets Mk2 Gearbox Linkage Jack the gearbox up as far as possible, go slowly as the clutch arm will hit the inner wing. Choose from golf ball gear knobs, vw motorsport gear knobs,. April 25, 2021, 06:59:34 pm. I wondered if anyone has much experience. Includes 4 & 5 speed short rods. undo the large bolt through the middle of the gearbox mount.. Mk2 Gearbox Linkage.
From www.aliexpress.com
For Ford Focus Mk2 Fiesta Gearbox Linkage Cable Bushing Repair Kit At Mk2 Gearbox Linkage i can see the 2 cables that come through the bulkhead then they go into the gearbox at 2 different locations. April 25, 2021, 06:59:34 pm. I wondered if anyone has much experience. Jack the gearbox up as far as possible, go slowly as the clutch arm will hit the inner wing. Choose from golf ball gear knobs, vw. Mk2 Gearbox Linkage.
From www.eurosportacc.com
Euro Sport shift linkage alignment tool VW Mk2/Mk3 4 Cyl Euro Sport Mk2 Gearbox Linkage Typically, if it jammed up the drive flange, it. Choose from golf ball gear knobs, vw motorsport gear knobs,. Includes 4 & 5 speed short rods. undo the large bolt through the middle of the gearbox mount. i've never heard of a driveshaft knackering a gearbox before by coming loose. I wondered if anyone has much experience. April. Mk2 Gearbox Linkage.
From cliosport.net
Parts diagram needed for Gear linkage Mk2 Gearbox Linkage April 25, 2021, 06:59:34 pm. I wondered if anyone has much experience. Typically, if it jammed up the drive flange, it. undo the large bolt through the middle of the gearbox mount. i can see the 2 cables that come through the bulkhead then they go into the gearbox at 2 different locations. i've never heard of. Mk2 Gearbox Linkage.
From www.ebay.com
Gearbox Linkage Cable Bushing Repair Kit ATFor Ford Focus MK2 2006 2008 Mk2 Gearbox Linkage undo the large bolt through the middle of the gearbox mount. Jack the gearbox up as far as possible, go slowly as the clutch arm will hit the inner wing. Includes 4 & 5 speed short rods. Typically, if it jammed up the drive flange, it. April 25, 2021, 06:59:34 pm. i've never heard of a driveshaft knackering. Mk2 Gearbox Linkage.
From www.youtube.com
Mk2 polo gear box linkage seal YouTube Mk2 Gearbox Linkage Typically, if it jammed up the drive flange, it. I wondered if anyone has much experience. Choose from golf ball gear knobs, vw motorsport gear knobs,. i've never heard of a driveshaft knackering a gearbox before by coming loose. Jack the gearbox up as far as possible, go slowly as the clutch arm will hit the inner wing. . Mk2 Gearbox Linkage.
From www.aliexpress.com
Set Car Gearbox Gear Shift Linkage Repair Kit For VW GOLF JETTA MK2 Mk2 Gearbox Linkage I wondered if anyone has much experience. April 25, 2021, 06:59:34 pm. Typically, if it jammed up the drive flange, it. i've never heard of a driveshaft knackering a gearbox before by coming loose. Jack the gearbox up as far as possible, go slowly as the clutch arm will hit the inner wing. Includes 4 & 5 speed short. Mk2 Gearbox Linkage.
From www.aliexpress.us
Car Gearbox Gear Shift Linkage Repair Kit For VW GOLF JETTA MK2 1983 Mk2 Gearbox Linkage Typically, if it jammed up the drive flange, it. Includes 4 & 5 speed short rods. i've never heard of a driveshaft knackering a gearbox before by coming loose. i can see the 2 cables that come through the bulkhead then they go into the gearbox at 2 different locations. Choose from golf ball gear knobs, vw motorsport. Mk2 Gearbox Linkage.
From www.ebay.com
Scirocco MK2 Genuine VW Gear Shift Front Selector Linkage Rod Lever Nos Mk2 Gearbox Linkage Jack the gearbox up as far as possible, go slowly as the clutch arm will hit the inner wing. I wondered if anyone has much experience. Includes 4 & 5 speed short rods. Typically, if it jammed up the drive flange, it. April 25, 2021, 06:59:34 pm. i can see the 2 cables that come through the bulkhead then. Mk2 Gearbox Linkage.
From www.ebay.co.uk
Ford Cmax Mk2 1.6 Diesel 2011121314 2015 Gear Selector Cable Mk2 Gearbox Linkage I wondered if anyone has much experience. i've never heard of a driveshaft knackering a gearbox before by coming loose. April 25, 2021, 06:59:34 pm. Jack the gearbox up as far as possible, go slowly as the clutch arm will hit the inner wing. i can see the 2 cables that come through the bulkhead then they go. Mk2 Gearbox Linkage.
From www.jaguarforums.com
mk2 3.8 carb set up Jaguar Forums Jaguar Enthusiasts Forum Mk2 Gearbox Linkage Choose from golf ball gear knobs, vw motorsport gear knobs,. i've never heard of a driveshaft knackering a gearbox before by coming loose. i can see the 2 cables that come through the bulkhead then they go into the gearbox at 2 different locations. undo the large bolt through the middle of the gearbox mount. Jack the. Mk2 Gearbox Linkage.
From www.aliexpress.com
10XMTGearboxLinkageCableBushingRepairKitForFordFocusMK2MK5 Mk2 Gearbox Linkage I wondered if anyone has much experience. Typically, if it jammed up the drive flange, it. undo the large bolt through the middle of the gearbox mount. Includes 4 & 5 speed short rods. i've never heard of a driveshaft knackering a gearbox before by coming loose. Jack the gearbox up as far as possible, go slowly as. Mk2 Gearbox Linkage.
From www.heritagepartscentre.com
Gear Shift Linkage Bush Kit for Manual Gearbox Heritage Parts Centre AU Mk2 Gearbox Linkage I wondered if anyone has much experience. i can see the 2 cables that come through the bulkhead then they go into the gearbox at 2 different locations. Jack the gearbox up as far as possible, go slowly as the clutch arm will hit the inner wing. Includes 4 & 5 speed short rods. April 25, 2021, 06:59:34 pm.. Mk2 Gearbox Linkage.
From hawkclassics.co.uk
Technical Docs Mk2 Gearbox Linkage I wondered if anyone has much experience. undo the large bolt through the middle of the gearbox mount. Jack the gearbox up as far as possible, go slowly as the clutch arm will hit the inner wing. Choose from golf ball gear knobs, vw motorsport gear knobs,. i can see the 2 cables that come through the bulkhead. Mk2 Gearbox Linkage.
From picclick.co.uk
GEAR LINKAGE KIT + RELAY LEVER VW GOLF MK2 and GTI 5 SPEED C21 £26.50 Mk2 Gearbox Linkage i can see the 2 cables that come through the bulkhead then they go into the gearbox at 2 different locations. Includes 4 & 5 speed short rods. Jack the gearbox up as far as possible, go slowly as the clutch arm will hit the inner wing. Choose from golf ball gear knobs, vw motorsport gear knobs,. undo. Mk2 Gearbox Linkage.
From www.flickr.com
Mk2 gear linkage Flickr Mk2 Gearbox Linkage I wondered if anyone has much experience. i've never heard of a driveshaft knackering a gearbox before by coming loose. Typically, if it jammed up the drive flange, it. undo the large bolt through the middle of the gearbox mount. Includes 4 & 5 speed short rods. Jack the gearbox up as far as possible, go slowly as. Mk2 Gearbox Linkage.
From www.joom.com
Gear Change Linkage Bush Repair Tool Kit for VW JETTA GOLF MK2 & GTI Mk2 Gearbox Linkage April 25, 2021, 06:59:34 pm. i can see the 2 cables that come through the bulkhead then they go into the gearbox at 2 different locations. i've never heard of a driveshaft knackering a gearbox before by coming loose. I wondered if anyone has much experience. Typically, if it jammed up the drive flange, it. Includes 4 &. Mk2 Gearbox Linkage.
From www.ebay.com
Golf MK2 Genuine VW Gear Linkage Rod Selector to Gearshift Lever Bush Mk2 Gearbox Linkage Typically, if it jammed up the drive flange, it. i've never heard of a driveshaft knackering a gearbox before by coming loose. Choose from golf ball gear knobs, vw motorsport gear knobs,. i can see the 2 cables that come through the bulkhead then they go into the gearbox at 2 different locations. undo the large bolt. Mk2 Gearbox Linkage.
From guzzicafe2.blogspot.com
Nicks guzzicafe mk2 Gear linkage and rear sets Mk2 Gearbox Linkage Includes 4 & 5 speed short rods. I wondered if anyone has much experience. i can see the 2 cables that come through the bulkhead then they go into the gearbox at 2 different locations. undo the large bolt through the middle of the gearbox mount. April 25, 2021, 06:59:34 pm. Choose from golf ball gear knobs, vw. Mk2 Gearbox Linkage.
From www.walmart.com
Kritne Gear Linkage Repair Kit, Gear Shift Linkage Repair Kit, Selector Mk2 Gearbox Linkage i've never heard of a driveshaft knackering a gearbox before by coming loose. undo the large bolt through the middle of the gearbox mount. Jack the gearbox up as far as possible, go slowly as the clutch arm will hit the inner wing. Choose from golf ball gear knobs, vw motorsport gear knobs,. Typically, if it jammed up. Mk2 Gearbox Linkage.