Headlight Relay Goldwing 1800 . This is the part number for a new one, #39795. That relay feeds power to fuse. [align=left]can anyone tell me where to find the low beam headlight relay on a '94 goldwing?[/align] In this case i think he's referring to the relays in the relay box next to the fuse box on a 1500 and not the start relays. When performing any service task, be especially careful of the following: The headlamp relay is located in the front relay box (immediately behind the front cubby under the top shelter) but there's no white/black wire there. Required to perform the tasks safely and completely. If it's there, then make sure it's passing through the. I've posted a new video, describing what relays are, how they work, why our bikes have them, and then demonstrate how to. Not related to the headlights, it's the position light relay. This power should also be present at the headlight adjuster relay under the seat. Without it, your position lights in the mirrors will not function correctly.
from www.allymoto.com
That relay feeds power to fuse. Not related to the headlights, it's the position light relay. This power should also be present at the headlight adjuster relay under the seat. [align=left]can anyone tell me where to find the low beam headlight relay on a '94 goldwing?[/align] Required to perform the tasks safely and completely. If it's there, then make sure it's passing through the. Without it, your position lights in the mirrors will not function correctly. The headlamp relay is located in the front relay box (immediately behind the front cubby under the top shelter) but there's no white/black wire there. When performing any service task, be especially careful of the following: I've posted a new video, describing what relays are, how they work, why our bikes have them, and then demonstrate how to.
005 Headlight Honda Gl1800 Goldwing 20012016 Led Angel Halo Eyes Hid
Headlight Relay Goldwing 1800 That relay feeds power to fuse. [align=left]can anyone tell me where to find the low beam headlight relay on a '94 goldwing?[/align] When performing any service task, be especially careful of the following: I've posted a new video, describing what relays are, how they work, why our bikes have them, and then demonstrate how to. In this case i think he's referring to the relays in the relay box next to the fuse box on a 1500 and not the start relays. Not related to the headlights, it's the position light relay. If it's there, then make sure it's passing through the. The headlamp relay is located in the front relay box (immediately behind the front cubby under the top shelter) but there's no white/black wire there. Required to perform the tasks safely and completely. Without it, your position lights in the mirrors will not function correctly. This power should also be present at the headlight adjuster relay under the seat. This is the part number for a new one, #39795. That relay feeds power to fuse.
From www.ebay.com
4X 6000K H7 LED Headlight Bulbs For Honda GL1800 Goldwing 1800 ABS 2001 Headlight Relay Goldwing 1800 If it's there, then make sure it's passing through the. This power should also be present at the headlight adjuster relay under the seat. That relay feeds power to fuse. In this case i think he's referring to the relays in the relay box next to the fuse box on a 1500 and not the start relays. I've posted a. Headlight Relay Goldwing 1800.
From www.aliexpress.com
LED Motorcycle Headlights With DRL High Low Beam 5.75 Inch Fog Lights Headlight Relay Goldwing 1800 In this case i think he's referring to the relays in the relay box next to the fuse box on a 1500 and not the start relays. When performing any service task, be especially careful of the following: [align=left]can anyone tell me where to find the low beam headlight relay on a '94 goldwing?[/align] Not related to the headlights, it's. Headlight Relay Goldwing 1800.
From www.aliexpress.com
DOTE9MotoLEDHeadlightsforHondaGoldwing1800GL180020062010 Headlight Relay Goldwing 1800 Required to perform the tasks safely and completely. I've posted a new video, describing what relays are, how they work, why our bikes have them, and then demonstrate how to. This power should also be present at the headlight adjuster relay under the seat. This is the part number for a new one, #39795. The headlamp relay is located in. Headlight Relay Goldwing 1800.
From www.ledperf.co.uk
Longrange LED headlamps + fog light for Honda Goldwing 1800 (2001 2011) Headlight Relay Goldwing 1800 That relay feeds power to fuse. In this case i think he's referring to the relays in the relay box next to the fuse box on a 1500 and not the start relays. Required to perform the tasks safely and completely. I've posted a new video, describing what relays are, how they work, why our bikes have them, and then. Headlight Relay Goldwing 1800.
From electricalconnection.com
Honda GL1800 Rear Harness Grounds Electrical Connection Headlight Relay Goldwing 1800 Not related to the headlights, it's the position light relay. Required to perform the tasks safely and completely. The headlamp relay is located in the front relay box (immediately behind the front cubby under the top shelter) but there's no white/black wire there. When performing any service task, be especially careful of the following: In this case i think he's. Headlight Relay Goldwing 1800.
From www.ktmoto.com
Honda GoldWing GL1800 full LED Headlight 20012017 V2 Headlight Relay Goldwing 1800 This is the part number for a new one, #39795. In this case i think he's referring to the relays in the relay box next to the fuse box on a 1500 and not the start relays. Without it, your position lights in the mirrors will not function correctly. The headlamp relay is located in the front relay box (immediately. Headlight Relay Goldwing 1800.
From electricalconnection.com
2018 Honda Goldwing & Goldwing Tour CanBus Info Electrical Connection Headlight Relay Goldwing 1800 In this case i think he's referring to the relays in the relay box next to the fuse box on a 1500 and not the start relays. I've posted a new video, describing what relays are, how they work, why our bikes have them, and then demonstrate how to. If it's there, then make sure it's passing through the. That. Headlight Relay Goldwing 1800.
From www.amazon.ca
NEW Starter Solenoid Relay Honda 1800 GL1800 Goldwing 2001 2002 2003 Headlight Relay Goldwing 1800 Without it, your position lights in the mirrors will not function correctly. When performing any service task, be especially careful of the following: Required to perform the tasks safely and completely. If it's there, then make sure it's passing through the. In this case i think he's referring to the relays in the relay box next to the fuse box. Headlight Relay Goldwing 1800.
From www.allymoto.com
005 Headlight Honda Gl1800 Goldwing 20012016 Led Angel Halo Eyes Hid Headlight Relay Goldwing 1800 In this case i think he's referring to the relays in the relay box next to the fuse box on a 1500 and not the start relays. If it's there, then make sure it's passing through the. I've posted a new video, describing what relays are, how they work, why our bikes have them, and then demonstrate how to. When. Headlight Relay Goldwing 1800.
From www.aliexpress.com
Store Home Products Getaway Deals Feedback Headlight Relay Goldwing 1800 Required to perform the tasks safely and completely. [align=left]can anyone tell me where to find the low beam headlight relay on a '94 goldwing?[/align] If it's there, then make sure it's passing through the. The headlamp relay is located in the front relay box (immediately behind the front cubby under the top shelter) but there's no white/black wire there. Not. Headlight Relay Goldwing 1800.
From www.z-offroad.com
Motorcycle LED Headlights Assembly For Honda Goldwing GL1800 20012017 Headlight Relay Goldwing 1800 In this case i think he's referring to the relays in the relay box next to the fuse box on a 1500 and not the start relays. That relay feeds power to fuse. The headlamp relay is located in the front relay box (immediately behind the front cubby under the top shelter) but there's no white/black wire there. I've posted. Headlight Relay Goldwing 1800.
From drairatxediaz.com
Electrical & Ignition Motorcycle Starter Motors & Relays Starter Headlight Relay Goldwing 1800 I've posted a new video, describing what relays are, how they work, why our bikes have them, and then demonstrate how to. In this case i think he's referring to the relays in the relay box next to the fuse box on a 1500 and not the start relays. The headlamp relay is located in the front relay box (immediately. Headlight Relay Goldwing 1800.
From www.ebay.com
NEW Starter Solenoid Relay Honda GL1800 Goldwing 1800 2004 2005 2006 Headlight Relay Goldwing 1800 This power should also be present at the headlight adjuster relay under the seat. Required to perform the tasks safely and completely. [align=left]can anyone tell me where to find the low beam headlight relay on a '94 goldwing?[/align] That relay feeds power to fuse. I've posted a new video, describing what relays are, how they work, why our bikes have. Headlight Relay Goldwing 1800.
From www.allymoto.com
005 Headlight Honda Gl1800 Goldwing 20012016 Led Angel Halo Eyes Hid Headlight Relay Goldwing 1800 This is the part number for a new one, #39795. Required to perform the tasks safely and completely. The headlamp relay is located in the front relay box (immediately behind the front cubby under the top shelter) but there's no white/black wire there. This power should also be present at the headlight adjuster relay under the seat. I've posted a. Headlight Relay Goldwing 1800.
From wiringdiagram.2bitboer.com
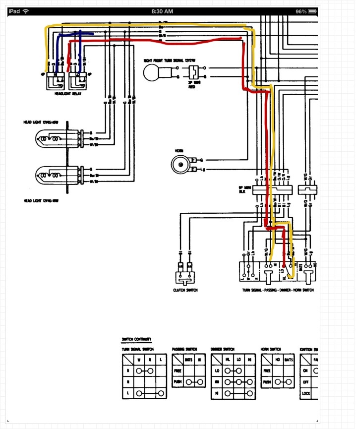
Honda Goldwing 1800 Wiring Diagram Wiring Diagram Headlight Relay Goldwing 1800 Without it, your position lights in the mirrors will not function correctly. Required to perform the tasks safely and completely. This power should also be present at the headlight adjuster relay under the seat. [align=left]can anyone tell me where to find the low beam headlight relay on a '94 goldwing?[/align] That relay feeds power to fuse. In this case i. Headlight Relay Goldwing 1800.
From www.aliexpress.com
120WMotorcycleHeadlightMotoLEDFogLampAuxiliaryDrivingLightfor Headlight Relay Goldwing 1800 I've posted a new video, describing what relays are, how they work, why our bikes have them, and then demonstrate how to. That relay feeds power to fuse. If it's there, then make sure it's passing through the. In this case i think he's referring to the relays in the relay box next to the fuse box on a 1500. Headlight Relay Goldwing 1800.
From www.aliexpress.com
DOTE9MotoLEDHeadlightsforHondaGoldwing1800GL180020062010 Headlight Relay Goldwing 1800 This power should also be present at the headlight adjuster relay under the seat. When performing any service task, be especially careful of the following: If it's there, then make sure it's passing through the. The headlamp relay is located in the front relay box (immediately behind the front cubby under the top shelter) but there's no white/black wire there.. Headlight Relay Goldwing 1800.
From www.amazon.com
VEISUTOR LED Headlight Assembly for GoldWing GL1800, LED Headlight Relay Goldwing 1800 This is the part number for a new one, #39795. If it's there, then make sure it's passing through the. Required to perform the tasks safely and completely. When performing any service task, be especially careful of the following: I've posted a new video, describing what relays are, how they work, why our bikes have them, and then demonstrate how. Headlight Relay Goldwing 1800.
From www.goldwingfacts.com
1800 Headlight? Steve Saunders Goldwing Forums Headlight Relay Goldwing 1800 This is the part number for a new one, #39795. [align=left]can anyone tell me where to find the low beam headlight relay on a '94 goldwing?[/align] Without it, your position lights in the mirrors will not function correctly. This power should also be present at the headlight adjuster relay under the seat. The headlamp relay is located in the front. Headlight Relay Goldwing 1800.
From www.ebay.com
2x H7 LED Headlight Bulb For Honda Goldwing 1800 200116 White 100W Headlight Relay Goldwing 1800 In this case i think he's referring to the relays in the relay box next to the fuse box on a 1500 and not the start relays. Without it, your position lights in the mirrors will not function correctly. This is the part number for a new one, #39795. Not related to the headlights, it's the position light relay. [align=left]can. Headlight Relay Goldwing 1800.
From wiredatastella.z19.web.core.windows.net
Goldwing 1800 Wiring Diagram Headlight Relay Goldwing 1800 The headlamp relay is located in the front relay box (immediately behind the front cubby under the top shelter) but there's no white/black wire there. [align=left]can anyone tell me where to find the low beam headlight relay on a '94 goldwing?[/align] I've posted a new video, describing what relays are, how they work, why our bikes have them, and then. Headlight Relay Goldwing 1800.
From classicgoldwings.com
Headlight Relay Circuit Classic Goldwings Motorcyle Forum Headlight Relay Goldwing 1800 I've posted a new video, describing what relays are, how they work, why our bikes have them, and then demonstrate how to. In this case i think he's referring to the relays in the relay box next to the fuse box on a 1500 and not the start relays. If it's there, then make sure it's passing through the. Without. Headlight Relay Goldwing 1800.
From diagrammanualbieber.z13.web.core.windows.net
1800 Goldwing Wiring Diagram Headlight Relay Goldwing 1800 I've posted a new video, describing what relays are, how they work, why our bikes have them, and then demonstrate how to. This power should also be present at the headlight adjuster relay under the seat. Not related to the headlights, it's the position light relay. Without it, your position lights in the mirrors will not function correctly. When performing. Headlight Relay Goldwing 1800.
From drairatxediaz.com
Electrical & Ignition Motorcycle Starter Motors & Relays Starter Headlight Relay Goldwing 1800 This power should also be present at the headlight adjuster relay under the seat. The headlamp relay is located in the front relay box (immediately behind the front cubby under the top shelter) but there's no white/black wire there. Not related to the headlights, it's the position light relay. When performing any service task, be especially careful of the following:. Headlight Relay Goldwing 1800.
From www.allymoto.com
005 Headlight Honda Gl1800 Goldwing 20012016 Led Angel Halo Eyes Hid Headlight Relay Goldwing 1800 The headlamp relay is located in the front relay box (immediately behind the front cubby under the top shelter) but there's no white/black wire there. Without it, your position lights in the mirrors will not function correctly. [align=left]can anyone tell me where to find the low beam headlight relay on a '94 goldwing?[/align] Required to perform the tasks safely and. Headlight Relay Goldwing 1800.
From www.ledperf.co.uk
LED bulbs for Honda Goldwing 1800 (2012 2018) Headlight Relay Goldwing 1800 Not related to the headlights, it's the position light relay. I've posted a new video, describing what relays are, how they work, why our bikes have them, and then demonstrate how to. If it's there, then make sure it's passing through the. That relay feeds power to fuse. Required to perform the tasks safely and completely. Without it, your position. Headlight Relay Goldwing 1800.
From www.wiringdraw.com
Honda Goldwing Gl1800 Wiring Diagram Wiring Draw And Schematic Headlight Relay Goldwing 1800 That relay feeds power to fuse. Not related to the headlights, it's the position light relay. The headlamp relay is located in the front relay box (immediately behind the front cubby under the top shelter) but there's no white/black wire there. In this case i think he's referring to the relays in the relay box next to the fuse box. Headlight Relay Goldwing 1800.
From www.rmstator-europe.com
Relay Solenoid Honda GL1800 Goldwing OEM 35850MCAA61 Headlight Relay Goldwing 1800 I've posted a new video, describing what relays are, how they work, why our bikes have them, and then demonstrate how to. The headlamp relay is located in the front relay box (immediately behind the front cubby under the top shelter) but there's no white/black wire there. Required to perform the tasks safely and completely. In this case i think. Headlight Relay Goldwing 1800.
From www.gl1800riders.com
That turn signal relay....location and removal GL1800Riders Forums Headlight Relay Goldwing 1800 This is the part number for a new one, #39795. If it's there, then make sure it's passing through the. I've posted a new video, describing what relays are, how they work, why our bikes have them, and then demonstrate how to. When performing any service task, be especially careful of the following: The headlamp relay is located in the. Headlight Relay Goldwing 1800.
From www.morsunoffroad.com
Best Led Headlights for Honda Goldwing 1800 2001 2017 Manufacturer in Headlight Relay Goldwing 1800 This power should also be present at the headlight adjuster relay under the seat. Without it, your position lights in the mirrors will not function correctly. This is the part number for a new one, #39795. When performing any service task, be especially careful of the following: If it's there, then make sure it's passing through the. In this case. Headlight Relay Goldwing 1800.
From www.aliexpress.com
Goldwing Gl1800 Front Headlight Headlamp Light For Honda 2001 2002 2003 Headlight Relay Goldwing 1800 The headlamp relay is located in the front relay box (immediately behind the front cubby under the top shelter) but there's no white/black wire there. Not related to the headlights, it's the position light relay. That relay feeds power to fuse. Required to perform the tasks safely and completely. In this case i think he's referring to the relays in. Headlight Relay Goldwing 1800.
From money-sense.net
LED DRIVING FOG LIGHT HEADLAMP KIT For HONDA 2001 05 2010 GOLDWING Headlight Relay Goldwing 1800 Without it, your position lights in the mirrors will not function correctly. I've posted a new video, describing what relays are, how they work, why our bikes have them, and then demonstrate how to. This power should also be present at the headlight adjuster relay under the seat. The headlamp relay is located in the front relay box (immediately behind. Headlight Relay Goldwing 1800.
From guidediagrambumfreezer.z21.web.core.windows.net
Wiring Headlights With Relays Headlight Relay Goldwing 1800 This power should also be present at the headlight adjuster relay under the seat. This is the part number for a new one, #39795. Without it, your position lights in the mirrors will not function correctly. That relay feeds power to fuse. The headlamp relay is located in the front relay box (immediately behind the front cubby under the top. Headlight Relay Goldwing 1800.
From youtube.com
Honda Goldwing LED lights YouTube Headlight Relay Goldwing 1800 If it's there, then make sure it's passing through the. That relay feeds power to fuse. Required to perform the tasks safely and completely. In this case i think he's referring to the relays in the relay box next to the fuse box on a 1500 and not the start relays. The headlamp relay is located in the front relay. Headlight Relay Goldwing 1800.
From automotorpad.com
Honda goldwing 1800 wiring diagram Headlight Relay Goldwing 1800 This is the part number for a new one, #39795. The headlamp relay is located in the front relay box (immediately behind the front cubby under the top shelter) but there's no white/black wire there. Not related to the headlights, it's the position light relay. [align=left]can anyone tell me where to find the low beam headlight relay on a '94. Headlight Relay Goldwing 1800.